Alarmanlage mit Unterbrechungsauslöser

Im Unterforum Projekte im Selbstbau - Beschreibung: Selbstbau von Elektronik und Elektro

Elektronik Forum Nicht eingeloggt       Einloggen       Registrieren




[Registrieren]      --     [FAQ]      --     [ Einen Link auf Ihrer Homepage zum Forum]      --     [ Themen kostenlos per RSS in ihre Homepage einbauen]      --     [Einloggen]

Suchen


Serverzeit: 30 12 2025  18:16:25      TV   VCR Aufnahme   TFT   CRT-Monitor   Netzteile   LED-FAQ   Oszilloskop-Schirmbilder            


Elektronik- und Elektroforum Forum Index   >>   Projekte im Selbstbau        Projekte im Selbstbau : Selbstbau von Elektronik und Elektro

Gehe zu Seite ( 1 | 2 Nächste Seite )      


Autor
Alarmanlage mit Unterbrechungsauslöser
Suche nach: alarmanlage (658)

    







BID = 352397

bigpuster

Gesprächig



Beiträge: 108
Wohnort: Falkensee


Letzte Woche wurde mir mein Roller entwendet.
Dabei wurde mein Kettenschloss, das das Vorderrad meines Rollers mit einem Metallpfahl verband, mit einem Bolzenschneider durchtrennt.

Damit mir das nicht wieder passiert, habe ich mir folgende Schaltung überlegt.


Bild eingefügt

Das Kettenschloss kommt zwischen die beiden Kontakte und wenn es durchtrennt wird, dann soll ein LAUTER Signalton zwischen zwei Frequenzen oder als Heulton (steigende und fallende Lautstärke) bis zum Ausschalten ertönen. Das ganze habe ich mir mit einem NE555 vorgestellt, der als Multivibrator beschaltet ist

Bild eingefügt

und in dieser Schaltung die Funktion des Tasters übernimmt.

Bild eingefügt

Kann das so funktionieren?

Bevor ich mit Fragen nerve, wenn es beim Zusammenbauen nicht funktioniert habe ich erstmal Fragen zu den Bauteilen.

Ich kann nur eine Batterielösung nutzen. Was nehme ich als Signalgeber um einen möglichst lauten Ton zu erhalten und welche Batteriespannung ist nötig.

Kann ich die letzte Schaltung zu Erzeugung der Tonfrequenzen auch mit einem weiteren NE555 als astabilen Multivibrator aufbauen? Bleiben die Bauteile zur Erzeugung der Frequenz dann wie in der ursprünglichen Schaltung oder muss ich die anpassen und wie











[ Diese Nachricht wurde geändert von: bigpuster am 21 Jul 2006 21:19 ]

BID = 352402

bigpuster

Gesprächig



Beiträge: 108
Wohnort: Falkensee

 

  


Das mit dem Bilder einbinden hat nicht geklappt!

Wie muss ich vorgehen?

Bitte die Bilder von oben nach unten gedanklich einsetzen.

BID = 352403

bigpuster

Gesprächig



Beiträge: 108
Wohnort: Falkensee


Ja, danke!
Zur Not nehme ich das, dann ist der Roller auch außerhalb geschützt.....wenn ich es mir Recht überlege, dann nehme ich das auf jeden Fall, aber trotz allem würde ich das gerne auch selber bauen. Darum sind wir doch hier, oder?

BID = 352410

Primus von Quack

Unser Primus :)
nehmt ihn nicht so ernst




Beiträge: 7474



Zitat :
...aber trotz allem würde ich das gerne auch selber bauen. Darum sind wir doch hier, oder?



...das musst du ja sogar selber bauen, das ist ein Bausatz

...und der Bausatz erfüllt die Vorschrift der Alarmdauer von max. 30 sekunden

...das der BS aber keine E-Nummer hat ist ja klar oder

_________________
...geguckt wird mit den Augen, nicht mit den Fingern!

BID = 352415

bigpuster

Gesprächig



Beiträge: 108
Wohnort: Falkensee



Zitat :
...das musst du ja sogar selber bauen, das ist ein Bausatz




ich bezog mich auf meinen Schaltungsvorschlag, den ich trotzdem gerne bauen würde, wenn er theoretisch funktionieren müßte. Das er praktisch nicht funktionieren wird, dafür werde ich schon sorgen

BID = 352421

Primus von Quack

Unser Primus :)
nehmt ihn nicht so ernst




Beiträge: 7474



Zitat :
...Das er praktisch nicht funktionieren wird, dafür werde ich schon sorgen


...wieso das

_________________
...geguckt wird mit den Augen, nicht mit den Fingern!

BID = 352426

PhyMaLehrer

Schriftsteller



Beiträge: 911
Wohnort: Leipzig


Ich kenne das so:
Wenn eine Schaltung auf Anhieb funktioniert, ist irgend etwas nicht in Ordnung ...

BID = 352442

Otiffany

Urgestein



Beiträge: 13779
Wohnort: 37081 Göttingen


Hi,
wo hast Du denn die 1. Schaltung her? Wie soll das denn funktionieren?
Hast Du mal darüber nachgedacht, wie Du die Anschlüsse anbringen willst, damit beim Durchtrennen der Kette wirklich eine Unterbrechung stattfindet? Schon mal was von einer Ringleitung gehört?
Gruß
Peter

BID = 352499

bigpuster

Gesprächig



Beiträge: 108
Wohnort: Falkensee



Zitat :
Hi,
wo hast Du denn die 1. Schaltung her? Wie soll das denn funktionieren?
Hast Du mal darüber nachgedacht, wie Du die Anschlüsse anbringen willst, damit beim Durchtrennen der Kette wirklich eine Unterbrechung stattfindet? Schon mal was von einer Ringleitung gehört?
Gruß
Peter




Also die Schaltung entspricht dem was ich mir so vorgestellt habe. Wo ich sie letztendlich gefunden habe, weiß ich nicht mehr.
Ach ja, das Argument mit der Ringleitung
Ich vermute, dass Du damit meinst, dass das Kettenschloss ja einen Ring darstellt und es sozusagen zwei leitende Halbkreise zwischen den Kontakten gibt und wenn der eine Halbkreis durchtrennt wird, immer noch eine leitende Verbindung durch den zweiten Halbkreis besteht und die Schaltung allein schon aus diesem Grund nie das tun wird, was ich mir erhofft habe.
Das war es dann wohl mit meiner Idee

BID = 352500

Otiffany

Urgestein



Beiträge: 13779
Wohnort: 37081 Göttingen


Wirf die Flinte nicht gleich ins Korn.
Du kannst ja zusätzlich zur Sicherheitskette ein e Drahtschlinge ziehen, die ebenfalls zerstört oder geöffnet werden müßte und dann den Alarm auslöst. Einfacher wäre allerdings ein Erschütterungsmelder.
Gruß
Peter

BID = 352506

bigpuster

Gesprächig



Beiträge: 108
Wohnort: Falkensee


Oh Gott!

Auf die Idee mit dem Extradrahtseil hätte ich wirklich auch kommen können.

Würde der Rest dann theoretisch funktionieren?

Bezüglich des Erschütterungsmelders. Sowas http://www.reichelt.de/inhalt.html?.....EL=0 ?

Den würde ich aber im Motorrad einbauen? Ich weiß nicht, wie empfindlich diese Dinger sind, aber ich vermute sie reagieren auf Veränderung ihrer Position durch irgendwas bewegliches in ihrem Inneren. Theoretisch kann ich so ein Schloss durchtrennen, ohne es großartig zu bewegen. Da wäre mir die Sache mit dem Drahtseil schon sicherer.

Noch eine Frage zu dem Erschütterungsmelder. Wenn ich ihn in meinen Roller einbaue ( ich weiß, dass es da einen fertigen Bausatz gibt !), dann muss ich doch sowas wie einen Inverter bauen, damit der Melder erst dann scharf ist, wenn die Zündung aus ist. Am besten mit Zeitverzögerung über einen NE555, oder?

BID = 352549

hannoban

Schreibmaschine



Beiträge: 1722
Wohnort: Hinter Düsseldorf die 4. Mülltonne links
ICQ Status  


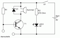
Also, deine Schaltung würde wahrscheinlich nicht richtig funktionieren. Denn welcher Summer kommt schon mit 2,4 mA aus, und gibt damit noch einen, für den Menschen hörbaren Alarm her? Außerdem würde die Schaltung diese 2,4 mA dauerhaft ziehen, auch wenn garkein Alarm gegeben wird. Du könntest zur verstärkung einen weiteren Transistor einsetzten, aber ideal ist das ganze dann immernoch nicht.

Ich hab hier mal was angehängt, was wesentlich besser fun zen würde. Nimmst du, wie gezeichnet, einen Darlington-Transistor, dann kannst du den Ruhestrom auf ein kaum messbares Minimum reduzieren, indem R1 weiter herraufgesetzt werden kann.

MfG hanno...



BID = 352562

bigpuster

Gesprächig



Beiträge: 108
Wohnort: Falkensee


Anstelle des Summers kann ich doch dann meine Schaltung für die Abgabe von Tönen mit zwei Frequenzen einsetzen, oder?
Nochmal die Frage ob das funzt, wenn ich den NE555 als astabilen Multivibrator für die Schaltung als Taster nutze.

Was nehme ich den als Signalgeber, damit das in der Nacht schon abschreckend laut ist.

Sowas http://www.reichelt.de/inhalt.html?.....TEL=0
Die 100mA sind ja schnuppe, denn die soll ja nicht ständig hupen. Bei dem Teil könnte ich mir auch die Schaltung zur Erzeugung von 2 Frequenzen sparen und müßte die Sirene nur in Deine Schaltung einsetzen.....oder?

Reicht eventuell auch der http://www.reichelt.de/inhalt.html?.....TEL=0
aus Kostengründen?


Wenn ich mir die Dinger so ansehe, dann scheinen die selbst ihre Tonfrequenz zu erzeugen. Ist das richtig? Das heißt sobald die unter Spannung stehen erzeugen die einen Ton?
Für welche Bauteile brauche ich dann überhaupt eine Schaltung die eine Frequenz im Hörbereich erzeugt. Oder ist die Angabe der Frequenz im Datenblatt der Bauteile nur als Hinweis mit welcher Frequenz die betrieben werden müssen?

Oder sind solche Bauteile dafür gedacht, dass man mit ihnen jede mögliche Frequenz wiedergeben kann?

http://www.reichelt.de/inhalt.html?.....TEL=0

http://www.reichelt.de/inhalt.html?.....TEL=0


Fragen über Fragen!

BID = 352605

Otiffany

Urgestein



Beiträge: 13779
Wohnort: 37081 Göttingen


Hi,
letzteren kannst Du verwenden. Der andere Summer ist für Wechselspannung.
Die Idee mit dem NE555 ist schon richtig. Du brauchst eine Scharfschaltzeit, eine Verweilzeit, bevor alarm ausgelöst wird und eine Alarmzeitbegrenzung.
Die Verweilzeit kann evtl. wegfallen, wenn Du einen versteckten Schalter verwendest.
Ich habe vor über 40 Jahren mal genau diese Schaltung entworfen, und war damit der Erste auf der Welt, der eine Alarmanlage in seinem Auto hatte, die auf der Basis des Spannungseinbruchst getriggert wurde. (nein, ich bin kein Spinner!) Ich werde mal suchen, ob ich die wiederfinde.
Gruß
Peter


      Nächste Seite
Gehe zu Seite ( 1 | 2 Nächste Seite )
Zurück zur Seite 0 im Unterforum          Vorheriges Thema Nächstes Thema 


Zum Ersatzteileshop


Bezeichnungen von Produkten, Abbildungen und Logos , die in diesem Forum oder im Shop verwendet werden, sind Eigentum des entsprechenden Herstellers oder Besitzers. Diese dienen lediglich zur Identifikation!
Impressum       Datenschutz       Copyright © Baldur Brock Fernsehtechnik und Versand Ersatzteile in Heilbronn Deutschland       

gerechnet auf die letzten 30 Tage haben wir 16 Beiträge im Durchschnitt pro Tag       heute wurden bisher 12 Beiträge verfasst
© x sparkkelsputz        Besucher : 188009443   Heute : 5136    Gestern : 8349    Online : 239        30.12.2025    18:16
6 Besucher in den letzten 60 Sekunden        alle 10.00 Sekunden ein neuer Besucher ---- logout ----viewtopic ---- logout ----
xcvb ycvb
0.0360488891602