Acer Monitor PC Bildschirm Röhrenmonitor  7276c

Reparaturtipps und Ersatzteile zum Fehler:

Im Unterforum Reparatur - Monitor TFT - Beschreibung: Reparaturtipps - Reparatur-Probleme mit Monitor, Bildschirm, TFT, Flachbildschirm, LCD

Elektronik Forum Nicht eingeloggt       Einloggen       Registrieren




[Registrieren]      --     [FAQ]      --     [ Einen Link auf Ihrer Homepage zum Forum]      --     [ Themen kostenlos per RSS in ihre Homepage einbauen]      --     [Einloggen]

Suchen


Serverzeit: 01 10 2025  09:58:46      TV   VCR Aufnahme   TFT   CRT-Monitor   Netzteile   LED-FAQ   Oszilloskop-Schirmbilder            


Elektronik- und Elektroforum Forum Index   >>   Reparatur - Monitor TFT        Reparatur - Monitor TFT : Reparaturtipps - Reparatur-Probleme mit Monitor, Bildschirm, TFT, Flachbildschirm, LCD


Autor
Monitor Acer 7276c

    







BID = 232902

RaversNation

Gesprächig



Beiträge: 132
Wohnort: Cloppenburg
 

  



Geräteart : Bildröhren Monitor
Hersteller : Acer
Gerätetyp : 7276c
Kenntnis : artverwandter Beruf
Messgeräte : Multimeter
______________________

Hallo

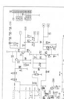
Habe mit meinem Monitor Acer 7276c folgendes Problem. Monitor geht zwar an( Grüne Lampe Leuchtet ) und man hört auch die Bildröhre laufen. Aber der Zeilentrafo läuft nicht hoch. Habe schon einen defekten Transistor für die Zeilenendstufe ausgetauscht. Netzteil ist OK, einzelne Spannungen überprüft. Dann habe ich die Spannungen für die Ansteuerung vom Zeilentrafo gemessen. Habe an einem Punkt nur 3V Statt 12V !!! Schaltbilder sind vorhanden!!!





Erklärung von Abkürzungen

BID = 232958

Julian Wieszniewski

Stammposter



Beiträge: 459
Wohnort: krefeld

 

  


Hallo!

Was mit mit...

Zitat :
und man hört auch die Bildröhre laufen.



... gemeint???
Falls meinst du das "zischen" (ich weiß nicht wie ich es beschreiben soll) am Anfang oder das "zumm" Geräusch? Letzteres ist die entmagnetisierung der CRT!

Zitat :
Aber der Zeilentrafo läuft nicht hoch



Woher weißt Du das??? Nachgemessen oder summt er nur nicht! Signalkabel am Computer angeschlossen??

Viele Grüße,
Julian

Erklärung von Abkürzungen

BID = 233092

RaversNation

Gesprächig



Beiträge: 132
Wohnort: Cloppenburg


Man hört bei der Bildröhre ein summen wenn die grüne LED leuchtet. Da wo die Bildröhrenplatine aufhesteckt ist. Und im Dunkeln sieht man hinten in dem Glaskolben die Bildröhre leuchten.
Die Bildröhre Lädt sich nicht statisch auf also läuft der Zeilentrafo nicht. Den Zeilentrafo kann man ja normalerweise auch anlaufen hören wenn man den Monitor einschaltet aber da tut sich nichts. Es sind laut Schaltbild auch Mehrere Spannungen nicht vorhanden, die habe ich vorhin nochmal geprüft. Da iss z.b an einem Punkt wo 48V anliegen müssten nur 1,2 V!!!

Erklärung von Abkürzungen

BID = 233223

RaversNation

Gesprächig



Beiträge: 132
Wohnort: Cloppenburg


Habe den Fehler gefunden, und zwar ist der Übertrager T 302 mit defekt! Kann mir vielleicht jemand nen link geben wo ich an dieses Ersatzteil ran komme???

Erklärung von Abkürzungen

BID = 234268

Spok

Schriftsteller



Beiträge: 728


Glaube nicht, daß der Treibertrafo defekt ist. Teil direkt bei Acer nachfragen. Eventuell auch mal C327 überprüfen.
MfG

Erklärung von Abkürzungen


Zurück zur Seite 1 im Unterforum          Vorheriges Thema Nächstes Thema 


Zum Ersatzteileshop


Bezeichnungen von Produkten, Abbildungen und Logos , die in diesem Forum oder im Shop verwendet werden, sind Eigentum des entsprechenden Herstellers oder Besitzers. Diese dienen lediglich zur Identifikation!
Impressum       Datenschutz       Copyright © Baldur Brock Fernsehtechnik und Versand Ersatzteile in Heilbronn Deutschland       

gerechnet auf die letzten 30 Tage haben wir 12 Beiträge im Durchschnitt pro Tag       heute wurden bisher 1 Beiträge verfasst
© x sparkkelsputz        Besucher : 185623255   Heute : 2806    Gestern : 10050    Online : 264        1.10.2025    9:58
7 Besucher in den letzten 60 Sekunden        alle 8.57 Sekunden ein neuer Besucher ---- logout ----viewtopic ---- logout ----
xcvb ycvb
0.03724193573