| Autor |
Suche Hilfe für Flip-Flop-Schaltung Suche nach: schaltung (31745) |
|
|
|
|
BID = 168013
Astronom69 Neu hier

Beiträge: 31 Wohnort: Bad Berka, Thüringen
|
|
Hallo Leute!
Ich habe folgendes Problemchen:
Ich soll einen elektronischen Schalter aufbauen, der 8V bei ca. 1A schalten kann. Dazu kommt wohl am einfachsten ein bistabiler Multivibrator in Frage. Ich habe ein Bild angehangen, diese Schaltung habe ich in einem alten DDR-Buch gefunden. Ich habe sie inkl. eines entprellten Schalters (kleine Zusatzschaltung) ins Target übernommen. Als Transistoren habe ich 2 BD235 oder BD437 zur Verfügung.
Mein Problem: Wie berechne ich anhand der Transistordaten die Werte für die Widerstände und Kondensatoren? Wo müsste ich einen Kondensator anbringen, damit der Einschaltzustand "Lampe aus" ist?
ich wäre sehr dankbar, wenn sich jemand im Forum fände, der das mal kurz durchrechnet oder mir Hilfestellung geben kann. Das Target-File kann ich zusenden, kein Problem!
1000 Dank!
Jens
Schaltungsbild:
Bild eingefügt |
|
BID = 168176
DonComi Inventar
     
Beiträge: 8604 Wohnort: Amerika
|
|
Am besten nimmst du ein integriertes Toggle-FF, dass einen entprellten Taster am Clockeingang hängen hat. Zur Entprellung reichen hier 2 Widerstände und ein Kondensator. Normalerweise auch noch ein Schmitttrigger, wegen der Flankensteilheit, aber das ist hier nicht nötig, ich habe das selber schon ohne gemacht.
An Q des FFs kommt einfach ein passender Basisvorwiderstand und die ganze Schaltung wird dann mit 8V betrieben. So hast du nur eine Versorgungsspannung. Dazu musst du aber das TFF CD4027 nehmen.
Wie gesagt, der Transistor wird über einen Widerstand angesteuert und schaltet dann von Emitter Masse zum Verbraucher durch. Wenn es ein Motor/Relais ist, Freilaufdiode nicht vergessen, sonst landet dein Transistor im Siliziumhimmel.
Ich kann auch mal einen Schalplan kritzeln, muss aber erstmal wieder alle Programme auf meinen PCs machen, habe gestern formatiert.
_________________
|
|
BID = 168214
Astronom69 Neu hier

Beiträge: 31 Wohnort: Bad Berka, Thüringen
|
Hi DonComi!
Danke erst mal! CMOS Technik, hui, hab immer was Bammel davor! Also: Die Schaltung wird per Drucktaster ein- und ausgeschaltet. Spannung ist 8V und max. 1 Ampere. Es soll ein LED-Array geschaltet werden. Ich trau mich an so ne Schaltung nicht ran, ist aber sicher nicht so ultrabestückt...
Würde mich sehr freuen, wenn Du mal was kritzeln würdest, was mich weiterbringt und nachbaubar ist...
D A N K E !!!
Jens
|
BID = 168717
DonComi Inventar
     
Beiträge: 8604 Wohnort: Amerika
|
Moment, mache ich eben.
_________________
|
BID = 168723
DonComi Inventar
     
Beiträge: 8604 Wohnort: Amerika
|
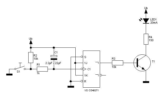
So, ich habe das mal gemacht. Also, wenn du es 100%ig machen willst, muss zwischen dem Kondensator noch ein Schmitttrigger, aber bei diesem FF geht es auch ohne, ich habe das schon oft gemacht. Bei vielen Schaltungen wird die RC-Entprellung aber so nicht funktionieren, da es keine gute Flankensteilheit gibt.
Egal, der Elko kann zwischen diesen beiden Werten liegen, ich habe es mit 2.2µF gemacht, aber auch mit größeren.
Das FlipFlop ändert seinen Zustand immer, wenn die Flanke von 0 auf 1 springt, deshalb erst dann, wenn man die Taste wieder loslässt.
An den Q-Anschluss kommt der Basisvorwiderstand, der ist mit 10k nach meinen Erfahrungen angegeben; ich habe da nicht groß gerechnet. Der LED-Vorwiderstand hat 150R bei 5V.
Nachtrag: Der Transistor kann jeder npn-Typ sein, solange er nicht zuviel Strom aus Q saugt und solange die Last an dem Kollektor nicht seine Daten übersteigt. (I Q = ~2mA)
Das habe ich mit dem LED-Array nicht verstanden, ist es so eine Bargraphanzeige oder habe ich was nicht richtig mitbekommen
_________________
[ Diese Nachricht wurde geändert von: DonComi am 1 Mär 2005 22:27 ]
|
BID = 168807
Astronom69 Neu hier

Beiträge: 31 Wohnort: Bad Berka, Thüringen
|
Hi DonComi!
Das Array besteht aus in Reihe und parallel geschalteten LED´s. Spannung ca. 7V bei ca. 320mA Stromaufnahme. Deshalb auch meine Frage nach analog. Ich müsste für den CD extra eine 5V Spannung erstellen, habe aber keinen zusätzlichen Platz dafür. Die Transistoren die ich angab (BD235 oder BD437), habe ich noch da, de Daten könnte ich dir mal senden. ich will jetzt nicht extra wieder eine Sinnlos-bestellung bei reichelt machen, zur Zeit dauert das zu lange...
Danke!
Jens
|
BID = 169004
DonComi Inventar
     
Beiträge: 8604 Wohnort: Amerika
|
Also, solange du die Standard-CMOS-ICs nimmst (CD40xx), ist das kein Problem. Die laufen ab 3V bis 18V. Übel nehmen es dir nur die ICs der HC(T)-MOS-Serie. Die laufen nur von circa 4-6V (um den Dreh jedenfalls).
Nachtrag:
Zitat :
|
ich will jetzt nicht extra wieder eine Sinnlos-bestellung bei reichelt
|
Ja, das kenn' ich. Man braucht ein billiges Kleinteil. Da ist man bei Reichelt nicht richtig (Nicht für kleine Mengen). 10€ Mindestbestellwert und 6,30€ Porto...
_________________
[ Diese Nachricht wurde geändert von: DonComi am 2 Mär 2005 19:51 ]
[ Diese Nachricht wurde geändert von: DonComi am 2 Mär 2005 19:52 ]
|
BID = 170620
Astronom69 Neu hier

Beiträge: 31 Wohnort: Bad Berka, Thüringen
|
Hi DonComi!
Ich bekomme heute meine Minibestellung. Mit DB 235 und BD 347 sollte es klappen, haben beide I(ebo) 1mA und können ca. 2A schalten ohne groß warm zu werden...
Wenns funzt poste ich nochmal kurz...
|
BID = 171058
Astronom69 Neu hier

Beiträge: 31 Wohnort: Bad Berka, Thüringen
|
Hi DonComi!
Habe heute mal die Schaltung aufgebaut, inkl. separater 8V Stabilisierung über L7808. Spannung eingeschaltet: NIX! LED Array ging an, Zustand ließ sich durch Drücken des Tasters nicht ändern. ich hab dir mal die Target Schaltung angehängt. Findest Du einen Fehler, passt vielleicht der BD doch nicht???
Danke!
Jens
[ Diese Nachricht wurde geändert von: Astronom69 am 8 Mär 2005 13:51 ]
|
BID = 171123
perl Ehrenmitglied
       
Beiträge: 11110,1 Wohnort: Rheinbach
|
Ich habe nicht alles gelesen wozu das dienen soll, aber ein Fehler ist offensichtlich: Was soll der Elko an der Clock-Leitung ?
Die Anstiegs- und Abfallzeiten dort müssen unter 0,5µs bleiben !
_________________
Haftungsausschluß:
Bei obigem Beitrag handelt es sich um meine private Meinung.
Rechtsansprüche dürfen aus deren Anwendung nicht abgeleitet werden.
Besonders VDE0100; VDE0550/0551; VDE0700; VDE0711; VDE0860 beachten !
|
BID = 171125
DonComi Inventar
     
Beiträge: 8604 Wohnort: Amerika
|
Ich schrieb ja oben, dass es normalerweise noch einen Schmitttrigger in der Clockleitung geben sollte. Aber bei mir hat es auch ohne funktioniert.
_________________
|
BID = 171126
DonComi Inventar
     
Beiträge: 8604 Wohnort: Amerika
|
Vielleicht ist der Transitor auch nicht geeignet, ich kann das so nicht beurteilen.
So, wie ich es im Schaltplan oben gemalt habe, funktioniert es bei mir sehr gut. (Als Last habe ich eine LED und ein weiteres CMOS-Gatter)
Achso, kann es sein, dass du irgendwelche PINs falsch verdrahtest hast, oder dass das zweite JK-FF nicht richtig angeschlossen ist (also alle Eingänge auf einen definierten Pegel, sonst fängt das IC an zu schwingen) Und wenn jetzt eine Brücke (Lötzinn etc.) z.B. den R- oder S-Pin mit Ub verbindet, kann es nicht gehen.
_________________
[ Diese Nachricht wurde geändert von: DonComi am 8 Mär 2005 15:36 ]
|
BID = 171234
Astronom69 Neu hier

Beiträge: 31 Wohnort: Bad Berka, Thüringen
|
Hallo perl, hallo DonComi!
Wie ich ja schon geschrieben habe, habe ich keinen großen Schimmer vom Logik-IC´s, sorry!
Der restliche FF ist komplett unbestückt geblieben.
Wenn Ihr das Layout auch benötigt, einfach sagen, dann lade ich auch das noch hoch. Vielleicht ist mal jemand so lieb die Schaltung so zu modifizieren, dass sie funktioniert, würde mir echt weiterhelfen!
1000 DANK!!!
Jens
|
BID = 171287
perl Ehrenmitglied
       
Beiträge: 11110,1 Wohnort: Rheinbach
|
Vielleicht verrätst du mal was das geben soll.
Ein Blinker ?
Mir scheint DonComi hat einfach drauflosgebastelt, aber gewöhnlich existieren Randbedingungen wie Frequenz, Tastverhältnis, Zustand beim Einschalten, Art der Last und der Versorgung.
_________________
Haftungsausschluß:
Bei obigem Beitrag handelt es sich um meine private Meinung.
Rechtsansprüche dürfen aus deren Anwendung nicht abgeleitet werden.
Besonders VDE0100; VDE0550/0551; VDE0700; VDE0711; VDE0860 beachten !
|
BID = 171289
Astronom69 Neu hier

Beiträge: 31 Wohnort: Bad Berka, Thüringen
|
Hi perl!
Okay:
Die Schaltung soll ein LED-Array treiben (Versorgungsspannung 8V, Stromverbrauch ca. 400mA). Einschaltzustand ist aus bei Angegen der Spannung. Die LED sind in parallel geschalteten Modulen in Reihe geschaltet und über entsprechende Vorwiderstände angepasst, also auf 8V gerechnet.
Danke vielmals !!!
Jens
|