| Autor |
Spielstandanzeige mit up/down counter und LED's in 7segment geschalten Suche nach: led (32790) |
|
|
|
|
BID = 158315
möchte gern troniker Gerade angekommen
Beiträge: 9 Wohnort: Wien
|
|
hallo!
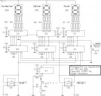
ich habe folgendes problem. ich spiele hoby-mässig volleybal und würde gerne für unser team eine spielstandsanzeige basteln. nach langer suche in www habe ich eine schaltung gefunden die einigermaßen passen würde. nur möchte ich staat 7-segment module eigene 7-segment module mit je vier led's/segment drauf schalten. anbei der schaltplan
[ Diese Nachricht wurde geändert von: möchte gern troniker am 2 Feb 2005 23:16 ] |
|
BID = 158326
Jornbyte Moderator
      
Beiträge: 7373
|
|
Und warum machste das nicht ?
_________________
mfg Jornbyte
Es handelt sich bei dem Tipp nicht um eine Rechtsverbindliche Auskunft und
wer Tippfehler findet, kann sie behalten. |
|
BID = 158581
nullus Gesprächig
  
Beiträge: 190
|
Wo ist nun die Frage dahinter...
Rein spekulativ (und nach Blick in die Glaskugel) willst du sicher wissen, wie man das macht mit den 4 LED/Segment.
Das dürfte davon abhängen, wie hoch das verwendete IC (wider besseren Wissens nennen wir es einmal "X") ausgangsseitig belastet werden darf. Möglicherweise musst du dann noch einen Treibertransistor/Ausgang zwischenschalten und unabhägig davon die Vorwiderstände anpassen und/oder dich entscheiden, ob alle 4 LED in Serie oder gruppiert paralell angeklemmt werden können.
Nullus
P.S.: Stell mir gerade vor, wie das am Volleyballfeld aussieht mit 4 LED/Segment. Sollte man da nicht etwas großzügiger sein? Ich zumindest hab nicht immer ne Lupe dabei, wenn ich Volleyball spiele (oder gibts jetzt schon ne Tischvolleyballvariante  )
|
BID = 158661
möchte gern troniker Gerade angekommen
Beiträge: 9 Wohnort: Wien
|
warum ich es einfach nicht mache?...
ich bin ja nur elektriker (eher starkstromgebiet)...
ich stelle mir vor am jeden ic-ausgang für segment ein triac(in meiner sprache "schalter") dazwischen zu schalten um den ic nicht zu überlasten. erst mit dem triac dann die 4 oder mehr dioden, welche ein segment darstellen sollen, schalten.
ob jetzt die led's in reihe oder paralel geschalten werden wäre mir egal(nehme jeden rat gerne entgegen)
um die sache mit 4led's besser zu klären füge ich ein bild ein wie es ungefer aussehen soll:
zu info: spannungsversorgung 12V accu oder..??vorschlag
IC1 - IC3 = 74LS47N,
IC4 - IC6 = 74190
das ist eine fläche ca. A4 groß und die obere reihe soll den spielstand (je zwei stellen)darstellen und die untere reihe eventuel die aktuelle uhrzeit.
zum schluss möchte ich mich noch bedanken bei jeden der diesen beitrag liest und noch mehr bei den die darauf reagieren(positiv oder negativ)  >
___________
aller anfang ist schwer 
|
BID = 158665
perl Ehrenmitglied
       
Beiträge: 11110,1 Wohnort: Rheinbach
|
Ich würde dir empfehlen anstelle der 74er ICs welche aus der 4000er CMOS-Serie (oder die in gleicher Technik gefertigten 74C...) zu verwenden.
Die sind wesentlich anspruchsloser in der Spannungsversorgung, 3..15V sind zulässig, und haben nahezu keine Stromaufnahme (µA-Bereich). Ideal also für batteriebetriebenes Gerät.
Als Schalter für die LEDs (oder sogar Autoscheinwerferbirnen) bieten sich MOSFETs an.
Diese benötigen, unabhängig von ihrer Stärke, ebenfalls praktisch keinen Steuerstrom, und können, je nach Typ und Portemonnaie, zich- Ampere und / oder hunderte von Volt schalten.
_________________
Haftungsausschluß:
Bei obigem Beitrag handelt es sich um meine private Meinung.
Rechtsansprüche dürfen aus deren Anwendung nicht abgeleitet werden.
Besonders VDE0100; VDE0550/0551; VDE0700; VDE0711; VDE0860 beachten !
|
BID = 158669
möchte gern troniker Gerade angekommen
Beiträge: 9 Wohnort: Wien
|
erstmals danke an moderators empfelungen...
nun hätte ich noch eine frage betreffend der platine.
da ich selbst keine möglichkeit habe eine platine zu ätzen müsste ich es von einer firma machen lassen. was würde mich das in etwa kosten (oder könnte ich das selbst auch machen und wenn, wie ginge es am eifachsten? das ganze sollte ja nicht 100€ überschreiten). nur zur info: fertige anzeigen kosten in etwa 400€ aufwerts. da gibt es welche lochrasterplatinen. wäre so was geeignet?  bitte um rat
sorry.. bin aber blutiger anfänger
--------------------------
sollte das projekt eines tages funktioniern werde ich auf alle helfer ein trinken 
|
BID = 158679
Her Masters Voice Inventar
     
Avatar auf fremdem Server ! Hochladen oder per Mail an Admin
Beiträge: 5312 Wohnort: irgendwo südlich von Berlin
|
Wie wärs mit Leuchtstoffröhren als Segmente? Das sollte dann in halb Ösiland zu sehen sein und entspräche einem Elektriker wohl eher als so filigrane LEDs und wäre auch ein Argument für TRIACs.
_________________
Tschüüüüüüüs
Her Masters Voice
aka
Frank
***********************************
Der optimale Arbeitspunkt stellt sich bei minimaler Rauchentwicklung ein...
***********************************
|
BID = 158739
perl Ehrenmitglied
       
Beiträge: 11110,1 Wohnort: Rheinbach
|
An Leuchtstofflampen hatte ich auch schon gedacht, aber dazu passt dann nicht die Versorgung mit der Autobatterie.
Weder von der Spannung noch von der Leistung her.
Wenn es um ein Einzelstück geht, kannst du soetwas auch gut auf Lochrasterplatten aufbauen.
Auch hierbei (wie überhaupt für Anfänger mit Logikschaltkreisen) haben die CMOS-Schaltungen deutliche Vorteile gegenüber dem 74er-TTL, weil sie relativ langsam und störfest sind.
_________________
Haftungsausschluß:
Bei obigem Beitrag handelt es sich um meine private Meinung.
Rechtsansprüche dürfen aus deren Anwendung nicht abgeleitet werden.
Besonders VDE0100; VDE0550/0551; VDE0700; VDE0711; VDE0860 beachten !
|
BID = 158999
möchte gern troniker Gerade angekommen
Beiträge: 9 Wohnort: Wien
|
AW an master: das mit triac's zu schalten war nur eine überlegung von mir wegen überlast. wenn du meinst ich brauche keine (du bist eher experte) dann werde ich keine verwenden. und was die LSRöhren betrifft in der halle in der wir spielen gibt es auf der decke genug davon
spaß bei seite. die anzeige sollte aus höchstens 15m entfernung lesbar sein, und das in einer halle...
danke für dein kommentar
AW an perl: ich schau mal wo ich treiber dieser bauart finde und dann wird eingekauft
danke für beitrag
|