| Autor |
Sensortaster bzw. berührungsloser Taster Suche nach: taster (7733) |
|
|
|
|
BID = 156253
alte_burg Gerade angekommen
Beiträge: 3
|
|
Hallo,
suche eine Möglichkeit zum Einbau in ein kleines Möbel. Folgendes soll möglich sein:
Durch Berühren einer kleinen Halbkugel aus Metall, die sich auf der Möbelfront befindet oder durch bloßes Annähern an die Möbeloberfläche soll ein Impuls gegeben werden, mit dem ich zeitverzögert mehrere Öffnungsvorgänge auslösen will.
( Die Schaltung fürs zeitverzögerte Schalten über RC- Glieder und TRIAC´s steht im Groben) Bloß für den Sensortaster komm ich nicht weiter. Kapazitive Schalter werden ja wohl durch die Metallteile auf der Oberfläche gestört, oder?
D er einzige Bausatz für sowas (ELV), den ich finden konnte, ist erst im Frühsommer wieder lieferbar... das Möbel muß aber Anfang März als Meisterstück abgegeben werden.
Wäre nett, wenn jemand mit Tip, Schaltplan, Bzugsquelle o.ä. weiterhelfen könnte. |
|
BID = 156279
Marc10k Stammposter
   
Beiträge: 273 Wohnort: Erkelenz
|
|
BID = 156365
Otiffany Urgestein
     
Beiträge: 13779 Wohnort: 37081 Göttingen
|
Hi,
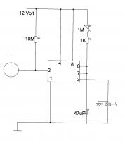
Du mal folgende Schaltung mit dem Timer NE555 versuchen.
Gruß
Peter
|
BID = 156368
Otiffany Urgestein
     
Beiträge: 13779 Wohnort: 37081 Göttingen
|
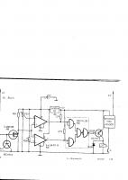
oder etwas aufwändiger diese Schaltung.
Gruß
Peter
|
BID = 156369
Otiffany Urgestein
     
Beiträge: 13779 Wohnort: 37081 Göttingen
|
|
BID = 156378
Marc10k Stammposter
   
Beiträge: 273 Wohnort: Erkelenz
|
Hallo
Ich habe noch etwas in der Ferbruar Ausgabe des englischen Elektor gefunden. Die haben einen kapazitiven Taster mit einem PIC gebaut. Vielleicht steht der Artikel ja auch in der deutschen Ausgabe drin.
|
BID = 156387
Her Masters Voice Inventar
     
Avatar auf fremdem Server ! Hochladen oder per Mail an Admin
Beiträge: 5312 Wohnort: irgendwo südlich von Berlin
|
http://members.cox.net/berniekm/tricks.html
Da ist auch was mit PIC und Letzterem noch mehrere Schaltvorgänge anzuvertrauen stresst Ihn auch nicht sehr. Damit ginge alles auf einem Chip (ausser die LEistungsteile natürlich)
_________________
Tschüüüüüüüs
Her Masters Voice
aka
Frank
***********************************
Der optimale Arbeitspunkt stellt sich bei minimaler Rauchentwicklung ein...
***********************************
|
BID = 157575
alte_burg Gerade angekommen
Beiträge: 3
|
Bin echt platt, tolle Unterstützung!
Bin grad 16 Stunden am Tag am Sägen und Hobeln, aber das Löten kommt schon noch. Den Vorschlag mit dem PIC finde ich ja sehr reizvoll, aber ob ich mich da noch eingearbeitet krieg...
Nach kapazitiven Schaltern hab ich schon mal gesucht und nix auftreiben können. Werden die vielleicht noch unter anderen Bezeichnungen verkauft?
|