Blinkfreuqenz berechnen

Im Unterforum LED Alles über Leuchtdioden - Beschreibung: Probleme mit Leuchtdioden, LED

Elektronik Forum Nicht eingeloggt       Einloggen       Registrieren




[Registrieren]      --     [FAQ]      --     [ Einen Link auf Ihrer Homepage zum Forum]      --     [ Themen kostenlos per RSS in ihre Homepage einbauen]      --     [Einloggen]

Suchen


Serverzeit: 27 10 2025  06:45:19      TV   VCR Aufnahme   TFT   CRT-Monitor   Netzteile   LED-FAQ   Oszilloskop-Schirmbilder            


Elektronik- und Elektroforum Forum Index   >>   LED Alles über Leuchtdioden        LED Alles über Leuchtdioden : Probleme mit Leuchtdioden, LED


Autor
Blinkfreuqenz berechnen

    







BID = 147489

HamSTAR

Neu hier



Beiträge: 41
 

  


Hallo!
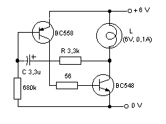
Bei dieser Blinkschaltung wird die Blinkfrequenz durch den Kondensator C und den Widerstand R bestimmt und beträgt in dieser Dimensionierung ca. 0,6 Hz bei einer Lampen-Einschaltdauer von ca. 50 msec.

Nun zu meiner Frage... ich möchte eine Blinkfrequenz von 1,5 Hz erreichen. Die Ein und Aus-Zeiten sollen genau gleich lang sein. (Schaltung soll beibehalten werden - ohne NE 555). Welche Werte muß ich nehmen bzw. wie kann man das berechnen???

Danke!




[ Diese Nachricht wurde geändert von: HamSTAR am  8 Jan 2005 15:57 ]

BID = 147862

HamSTAR

Neu hier



Beiträge: 41

 

  

Was passiert wenn die Werte der anderen beiden Widerstände (680k & 56) geändert werden?

BID = 148625

Morgoth

Schreibmaschine



Beiträge: 2930
Wohnort: Rockenhausen (Pfalz)

naja, wenn du willst, dass die entlade und Ladezeit gleich sind, musst du zu laden und entladen den gleichen widerstand haben
dazu musst du dann im datenblatt deines transistors rausfinden, welchen Basis-innenwiderstand der hat und dann also Rgeslade und Rgesentl angleichen.
die ferquenz bestimmt sich durch die ladezeit+entladezeit, und das kommt dann auf das zusammenspiel von kondensator und widerständen an

_________________
Es irrt der Mensch solang er strebt


Zurück zur Seite 1 im Unterforum          Vorheriges Thema Nächstes Thema 


Zum Ersatzteileshop


Bezeichnungen von Produkten, Abbildungen und Logos , die in diesem Forum oder im Shop verwendet werden, sind Eigentum des entsprechenden Herstellers oder Besitzers. Diese dienen lediglich zur Identifikation!
Impressum       Datenschutz       Copyright © Baldur Brock Fernsehtechnik und Versand Ersatzteile in Heilbronn Deutschland       

gerechnet auf die letzten 30 Tage haben wir 14 Beiträge im Durchschnitt pro Tag       heute wurden bisher 1 Beiträge verfasst
© x sparkkelsputz        Besucher : 186034572   Heute : 4703    Gestern : 20288    Online : 190        27.10.2025    6:45
21 Besucher in den letzten 60 Sekunden        alle 2.86 Sekunden ein neuer Besucher ---- logout ----viewtopic ---- logout ----
xcvb ycvb
0.0641670227051