| Autor |
Besondere Blinkschaltung bei LED's, aber es funktioniert nicht Suche nach: blinkschaltung (97) led (32778) |
|
|
|
|
BID = 140927
DaniilKharlamov Gerade angekommen
Beiträge: 3
|
|
Hi Leutz,
kennt jemand einen Schaltplan für diese LEDs? Ich habe versucht eine Normale Blinkschaltung genommen. Aber es funktioniert nicht.
Eine Gifanimation....
Bild eingefügt
Danke,
Daniel
[ Diese Nachricht wurde geändert von: DaniilKharlamov am 20 Dez 2004 9:52 ] |
|
BID = 140936
Electronicfox Schreibmaschine
    
Beiträge: 1634 Wohnort: hamburg
|
|
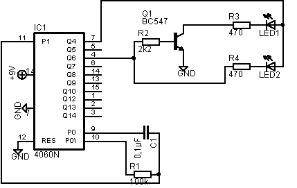
Versuche es mal mit dieser Schaltung
_________________
Es ist nicht mein Ziel mit dem Kopf durch die Wand zu gehen, sondern mit den Augen eine Tür zu finden. Also warum kompliziert, wenn’s einfach geht. |
|
BID = 140937
Eggy Gerade angekommen
Beiträge: 8
|
Hallo Daniel!
Leider funzt auch nicht deine Gif... Erzähl mal, was du da vor hast. Welche Funktion soll deine Schaltung erfüllen und was hast du für eine Spannung zur Verfügung.
Gruß Eggy
_________________
Elektrischer Strom geht manchmal komische Wege...
|
BID = 140981
djtechno Inventar
     
Beiträge: 4955 Wohnort: beutelsbach
|
also bei mir funzt die git.
erst blinkt die linke led schnell hinternander 4 mal,die rechte ist aus,dann blinkt die rechte schnell hintereinander viermal und die linke ist aus, und dann wieder von vorne
Marcus
[ Diese Nachricht wurde geändert von: djtechno am 20 Dez 2004 16:22 ]
|
BID = 140984
DaniilKharlamov Gerade angekommen
Beiträge: 3
|
Hi Leutz (nochmal),
gibts auch einen Schaltplan, der ohne IC's auskommt? Ich könnte ja einen IC reinbauen, aber will es nicht so gerne.
Daniel Kharlamov
P.S. Gibts irgendwo im Web eine Seite mit verschiedenen elekt. Schaltplänen? Am beste eine Bauanleitung zum Infrarot.... 
|
BID = 141190
Eggy Gerade angekommen
Beiträge: 8
|
Hallo Daniel!
OHNE IC´s fällt mir da nur etwas mechanisches ein. Klinkt eventuell verrückt... Nimmst einen sehr langsamen Motor( ev. mit Übersetzung). Pro LED 4 Kontakte und einen Schleifkontakt, der schließt dir jedes mal den Stromkreis. Wäre ne soliede Handarbeit und trotzdem mit Fehlern behaftet
Ich würde da doch besser zum IC greifen. Ist auch nicht einfach da eine Verknüpfung zu erfinden. Aber wenn die mal läuft, überlebt die den Erbauen
Cu Eggy
_________________
Elektrischer Strom geht manchmal komische Wege...
|
BID = 141636
DaniilKharlamov Gerade angekommen
Beiträge: 3
|
|
BID = 141741
sam2 Urgestein
     
Beiträge: 35321 Wohnort: Franken (bairisch besetzte Zone)
|
Sehr witzig...
Er meint sicherlich schlicht eine zwar rein elektronische Schaltung, aber eben unter ausschließlicher Verwendung von diskreten (einzelnen) Bauelementen. Klar geht das! Schaltungen dazu sollten im Netz wohl noch zu finden sein.
|