| Autor |
|
|
|
BID = 125978
en2004 Gelegenheitsposter
 
Beiträge: 95
|
|
hallo,
ich suche eine Schaltung oder einen fertigen Verstärker, damit ich eine Spannung von etwa 8Vrms um 15-fache bis 20-fache vergrößern kann.
Kann mir da jemand helfen?
gruss
en2004  |
|
BID = 126020
Benedikt Inventar
      Beiträge: 6241
|
|
Zitat :
en2004 hat am 10 Nov 2004 11:13 geschrieben :
|
hallo,
ich suche eine Schaltung oder einen fertigen Verstärker, damit ich eine Spannung von etwa 8Vrms um 15-fache bis 20-fache vergrößern kann.
|
Ein 12V Netztrafo hat ein Übersetzungsverhältnis von etwa 15-20x wenn man ihn umdreht... |
|
BID = 126043
en2004 Gelegenheitsposter
 
Beiträge: 95
|
hi,
danke für den tipp, wo kann ich den kaufen, gibt es den bei conrad?
Ich habe da nämlich nichts passendes gefunden.
gruss
en2004 
|
BID = 126052
sam2 Urgestein
     
Beiträge: 35321 Wohnort: Franken (bairisch besetzte Zone)
|
Daß die Strombelastbarkeit dann in noch größerem Maße sinkt, ist aber klar!
Eine Verstärkung kann ein Trafo ja nicht leisten...
_________________
"Das Gerät habe ich vor soundsoviel Jahren bei Ihnen gekauft! Immer ist es gegangen, immer. Aber seit gestern früh geht es plötzlich nicht mehr. Sagen Sie mal, DA STIMMT DOCH WAS NICHT???"
|
BID = 126148
DrZoidberg Stammposter
    Beiträge: 277
|
Zitat :
en2004 hat am 10 Nov 2004 11:13 geschrieben :
|
hallo,
ich suche eine Schaltung oder einen fertigen Verstärker, damit ich eine Spannung von etwa 8Vrms um 15-fache bis 20-fache vergrößern kann.
|
Willst du die Spannung aus einem Farraddynamo erhöhen?
Bei Conrad gibt es massenhaft Trafos.
Auf www.conrad.de unter
Elektronik / Messtechnik | Bauelemente | Passive Bauelemente |
Transformatoren | Transformatoren bis 1 VA
|
BID = 126151
sam2 Urgestein
     
Beiträge: 35321 Wohnort: Franken (bairisch besetzte Zone)
|
Bitte schreib uns mal, wofür Du das verwenden möchtest. Sonst kann man Dir wohl nicht sinnvoll weiterhelfen...
|
BID = 126175
perl Ehrenmitglied
       
Beiträge: 11110,1 Wohnort: Rheinbach
|
Er hat einen Funktionsgenerator und möchte damit EL-Folien bei 800Hz und 130V antreiben.
Ich weiß nur nicht, wie groß die Folien sind.
_________________
Haftungsausschluß:
Bei obigem Beitrag handelt es sich um meine private Meinung.
Rechtsansprüche dürfen aus deren Anwendung nicht abgeleitet werden.
Besonders VDE0100; VDE0550/0551; VDE0700; VDE0711; VDE0860 beachten !
|
BID = 126211
sam2 Urgestein
     
Beiträge: 35321 Wohnort: Franken (bairisch besetzte Zone)
|
Da wird (abhängig vom Generator) ein bloßes Hochtransformieren u.U. von der Leistung her wohl nicht reichen.
|
BID = 126303
en2004 Gelegenheitsposter
 
Beiträge: 95
|
perl,
ja genau das will ich und die Fläche von der EL-Folie ist 600cm² (Kapazität etwa 221nF).
Kann ir jemand dann eine Schaltung so auf die Seite lege?
Also Stromaufnahme ist max 80-90mA. Spannung die ich brauche ist 100-130Vrms
gruss
en2004
|
BID = 126339
sam2 Urgestein
     
Beiträge: 35321 Wohnort: Franken (bairisch besetzte Zone)
|
Und welchen Strom kann Dein Funktionsgeneartor max. liefern?
|
BID = 126395
en2004 Gelegenheitsposter
 
Beiträge: 95
|
wo steht denn das, ich habe nichts über Strom in der Bedienungsanleitung gesehen!
gruss
en2004 
|
BID = 126400
chilla Schreibmaschine
    
Beiträge: 1403 Wohnort: von hier zwei mal rechts und dann zwei mal links
|
Man kann doch hinter den Generator einen Handelsüblichen NF-Verstärker schalten, der den nötigen Strom bei ungefährlicher Spannung bereitstellt. Dieses Signal kannst du dann transformieren.
mfg CHillA
_________________
Wenn man erst einmal die Sache verstanden hat, kapiert man auch, wies im Handbuch gemeint war.
Haftungsausschluß:
Bei obigem Beitrag handelt es sich um meine private Meinung.
Rechtsansprüche dürfen aus deren Anwendung nicht abgeleitet wer
|
BID = 126403
sam2 Urgestein
     
Beiträge: 35321 Wohnort: Franken (bairisch besetzte Zone)
|
Ja, auf so etwas wird es wohl hinauslaufen, da ich annehme, der Funktionsgenerator ist für diese Leistung etwas zu schwach auf der Brust...
|
BID = 126419
en2004 Gelegenheitsposter
 
Beiträge: 95
|
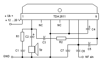
meint Ihr denn sowas:
siehe Skizze.
Und dann hinten einen Trafo dranhängen?
gruss
en2004 
|
BID = 126467
perl Ehrenmitglied
       
Beiträge: 11110,1 Wohnort: Rheinbach
|
Etwas in dieser Art.
Da du ja gut 10W Aussgangsleistung benötigst, müßte das natürlich ein entsprechendes IC sein, daß vielleicht 20W liefern kann.
Das ist dann wahrscheinlich ein Brückenverstärker, weil sonst 12V Speisespannung nicht reichen.
Aber warum baust/kauft du nicht einen normalen Spannungswandler, wie er für EL-Folien üblich ist ?
_________________
Haftungsausschluß:
Bei obigem Beitrag handelt es sich um meine private Meinung.
Rechtsansprüche dürfen aus deren Anwendung nicht abgeleitet werden.
Besonders VDE0100; VDE0550/0551; VDE0700; VDE0711; VDE0860 beachten !
|