| Autor |
Welche Netzform? Suche nach: netzform (1189) |
Problem gelöst
|
|
|
|
BID = 125136
enno72 Neu hier

Beiträge: 26
|
|
Hallo,
in einer Kleingartenanlage steht eine Verteilung. Da sieht es wie folgt aus (vgl. bitte mit Bild): Von unten kommt eine ziemlich dicker Tampen in die Verteilung rein, denke es sind 4x25qmm. Die 3 Phasen sind jeweils an große Klemmen
angeschlossen. Der PEN(gelb/grün) geht auf eine dicke Schiene. Von dieser Schiene aus geht einmal ein ca. 16qmm gelb/grüner an die PE-Schiene und ein blauer(auch ca. 16qmm) verschwindet aus der Verteilung in den Erdboden( weiter lässt der sich nicht verfolgen.
Hier würde man ja nun von einer Aufteilung des PEN in PE und N ausgehen können. Ich glaube vom Querschnitt her kein Problem. Nur, wo der blaue hingeht, das weiß...
Von jeweils einer Phase aus geht es über eine Sicherung zu den Gärten (gerade mal 10qmm) Also: Zweidrahtleitung 1xL und 1xPE. In den Gartenhäusern ist dementsprechend klassische Nullung ausgeführt.
Hier besteht ja nun leider nicht die Möglichkeit einen FI nachzurüsten. Hier jetzt endlich die Frage:
Gibt es Alternativen?, denn auf folgender Seite ist eine Nachrüstsatz beschrieben:
http://www.vis-technik.bayern.de/de.....r.htm
Hat jemand schon Erfahrung damit gemacht? |
|
BID = 125157
psiefke Schreibmaschine
     Beiträge: 2636
|
|
kannst du evtl Fotos machen?
Zitat :
| | Also: Zweidrahtleitung 1xL und 1xPE. In den Gartenhäusern ist dementsprechend klassische Nullung ausgeführt. |
Sicher, dass es nicht L+PEN ist?
Für mich sieht das ganze nach TN-C System aus. Aber auch TT-System lässt sich ohne Messung nicht ausschließen.
Besteht die klassische Nullung bis zu den Steckdosen?
Der Blaue, der im Erdboden verschwindet könnte (muss aber nicht und wird wahrscheinlich auch nicht....) ein Anschluss an einen Erder darstellen. Zwar wäre die Farbe falsch aber das fände ich erstmal nicht ganz so schlimm.
Die Nachrüstung eines FIs ist aber relativ problemlos.
Eine Bedingung: Ab der Unterverteilung in jedem einzelnen Haus müssen die Stromkreise bis zu den Steckdosen 3 Adrig ausgeführt sein.
Allerdings ist das nicht wirklich etwas, was man als Elektrolaie machen sollte.....
_________________
phil
.... Womit wir dann ein rechteckiges Sinussignal hätten ....
[ Diese Nachricht wurde geändert von: psiefke am 8 Nov 2004 15:14 ] |
|
BID = 125158
sam2 Urgestein
     
Beiträge: 35321 Wohnort: Franken (bairisch besetzte Zone)
|
Hallo enno,
wenn die Farben halbwegs korrekt sind und bisher keine FI in den Unterverteilungen vorhanden, sollte man davon ausgehen dürfen, daß es sich um ein TN-C-System handelt.
Die ominöse blaue Ader könnte z.B. eine farblich nicht korrekte Verbindung zu einem örtlichen Erder sein.
Was die Gartenhäuser angeht:
Man kann diese unter Beibehaltung der vorhandenen Zuleitungen jederzeit mit FI nachrüsten. Einzige Voraussezung ist, daß die Endstromkreise an UV entweder schon einen separaten Schutzleiter besitzen (also dreiadrig ausgeführt sind) oder dieser nachträglich hinzugefügt wird.
Daß die Zuleitung bis zur UV nur zweidrährig ist, bedeutet übrigens nicht zwingend, daß dort klassische Nullung (also reines TN-C besteht). Es kann genausogut sein, daß der PEN auch bisher schon dort für die Endstromkreise in N und PE aufgeteilt wird. Dann wäre das ein TN-C-S (ohne FI ist das dann "moderne Nullung").
Auch die Querschnitte (wenn die genannten Werte zutreffen) sind alle in Ordnung. Das dürfte (wenn die Leitungen nicht gar zu lang sind) auch heute noch neu so gemacht werden!).
Aber bei den zwei Adern handelt es sich um L und PEN (nicht: PE).
Wo sitzen denn die Zähler? Sind das Unterzähler oder jeweils Hauptzähler?
Darf ich vermuten, daß sich die Kleingartenanlage nicht in einem gebrauchten Bundesland befindet?
Gruß,
sam2
_________________
"Das Gerät habe ich vor soundsoviel Jahren bei Ihnen gekauft! Immer ist es gegangen, immer. Aber seit gestern früh geht es plötzlich nicht mehr. Sagen Sie mal, DA STIMMT DOCH WAS NICHT???"
|
BID = 125458
enno72 Neu hier

Beiträge: 26
|
Hallo,
war gestern nicht mehr online, deshalb jetzt erst eine Antwort.
Also jedes Haus hat seinen eigenen Zähler, denke mal es sind Unterzähler, weiß aber nicht wo sich der Hauptzähler befindet. Am Eingang der Gartenanlage steht noch ein großer Schaltkasten, da könnte der drin sein.
Also, denke nun auch, das es sich um L+PEN handelt, was in die Gartenhäuser geht. Zu den Steckdosen gehen 3-adrige Leitungen, sodaß man von der klassischen Nullung abgehen könnte( der balue liegt derzeit frei und ist auch in der UV nicht angeschlossen.
Aber wo soll ich nun die Aufteilung in N+PE vornehmen? Vom Zähler geht der PEN an die gebrückte PE bzw. N-Schiene?
|
BID = 125478
sam2 Urgestein
     
Beiträge: 35321 Wohnort: Franken (bairisch besetzte Zone)
|
3-adrige Leitungen in den Endstromkreisen, aber nur zwei davon angeschlossen...
Dann ist es tatsächlich noch klassisch genullt.
Wer hat denn so nen Unsinn gemacht und vor allem, wann?
Ganz klare Ansage:
Umgehend auf TN-C-S umstellen und FI einbauen!
Grün/gelbe Ader wird reiner PE und blau wird N.
Die Aufteilung des PEN erfolgt dann so:
Ankommender PEN auf PE(N)-Schiene, von dort alle Schutzleiter der Endstromkreise. Eine (blaue) Brücke von PE(N)-Schiene zum FI-N-Eingang. Vom FI-N-Ausgang dann weiter (blau) zur N-Schiene. Dort kommen dann auch die N der Endstromkreise hin.
Fertig!
Und die sämtlichen Messungen bitte nicht vergessen!
Auch darauf achten, daß die Zähler sauber angeschlossen sind. Also nicht den PEN durch den Zähler schleifen, sondern daran vorbei! Der Zähler wird dann nur mit einem (natürlich vor dem FI und im verplombten Vorzählerbereich) abzweigenden N versorgt.
|
BID = 125491
enno72 Neu hier

Beiträge: 26
|
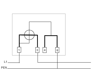
Okay, wird gemacht. Aber nochmal zum Zähleranschluss. Sehe ich das folgendermaßen richtig?: Es handelt sich hier ja um einen Wechselstromzähler mit einpoligem Anschluss.
-Ankommende Phase wie gehabt an Klemme 1 des Zählers
-dann von Klemme 3 weiter zur UV
-ankommender PEN an PE(N)Schiene
-von PE(N)-Schiene zum Zähler an Klemme 4 oder 6
Aber was spricht dagegen, den PEN erst an den Zähler und weiter zur PE(N)-Schiene. Klemme 4 und 6 sind doch sowieso intern verbunden.
Eine Frage noch:Sollte die Zuleitung zum Gartenhaus weniger als 10qmm(evtl. 6qmm oder gar nur 4qmm) sein, ist nämlich noch Aluleitung und nicht so ganz bestimmbar, besteht dann auch noch die Möglichkeit der Trennung zu PE und N?
[ Diese Nachricht wurde geändert von: enno72 am 9 Nov 2004 10:21 ]
|
BID = 125525
sam2 Urgestein
     
Beiträge: 35321 Wohnort: Franken (bairisch besetzte Zone)
|
Perfekt! Das hast Du richtig verstanden.
Allerdings darf das üblicherweise nicht die allgemeine PE(N)-Schiene sein, sondern eine separate im Vorzählerbereich ("Zählerklemmstein").
Sonst könnte man durch einfaches nachträgliches Unterbrechen/Abklemmen dieses Zähler-N den Zähler stoppen...
Gegen das Durchschleifen spricht einfach der Sicherheitsaspekt:
Bei PEN-Leiterbruch kann es (auch ohne daß ein Gerät defekt ist) zu tödlichen Stromschlägen kommen, weil dann plötzlich alle "geerdeten" Gerätegehäuse hinter der Unterbrechungsstelle unter der vollen Spannunmg gegen Erde (230V~) stehen. Das ist dann der sog. "Tod wegen der Schutzmaßnahme" (sonst gibt es immer nur den "trotz" ihrer).
Und zwei zusätzliche Klemmstellen vergrößern eben unnütz des Unterbrechungsrisiko. Außerdem bleibt so auch während eines Zählerwechsels die Wirksamkeit der Schutzmaßnahme erhalten. Der Monteur freut sich beim Wechsel ebenfalls.
Bei Querschnitten unter 10mm²Cu (ohne spezielle Angabe sind die Werte immer auf Cu bezogen) kann der PEN genauso aufgeteilt werden. Das Aufteilen verbessert in jedem Falle die Sicherheit!
Nur dürfte er neu nicht mehr so verlegt werden! Aber das ist dann unabhängig von einer FI-Schutzschalteung (die aber bei Neuanlage sowieso vorgeschrieben wäre).
Wenn der PEN-Querschnitt kleiner ist und die Anlage die aktuellen Anforderungen erfüllen soll, bleibt folgender Ausweg, um eine Neuverlegung der Zuleitung zu umgehen und trotzdem das höchste Schutzniveau zu erreichen:
Umrüstung auf lokales TT-Netz. Also Benutzung des ankommenden PEN als reiner N und Herstellen eines separaten Erders (z.B. Staberder) vor Ort am jeweiligen Gartenhaus. Anschluß des PE dann nur an diesen Erder. Bei 30mA Nennfehlerstrom ist die Anforderung an den Erder nicht hoch. Der Erdungswiderstand darf bis zu 1667 Ohm betragen.
P.S.
Also wohl doch Neufünfland?
|
BID = 125542
enno72 Neu hier

Beiträge: 26
|
Gleich vorneweg: es handelt sich um Neufünfland!
Eins noch: allgemeine PE(N)-Schiene? Hab eine im HAK, von der es ja derzeit zum Zähler geht und von da weiter zur UV.
Heißt also, muss eine separate Leitung vom HAK zur PE(N-Schiene) in der UV?
Hier nochmal ein Bildchen:
Von der PEN-Schiene geht noch ein gelb/grüner an die Wasserleitung etc. Das ist doch korrekt, oder?
[ Diese Nachricht wurde geändert von: enno72 am 9 Nov 2004 12:15 ]
|
BID = 125549
sam2 Urgestein
     
Beiträge: 35321 Wohnort: Franken (bairisch besetzte Zone)
|
Warum sagst Du uns sowas nicht gleich?
Fragt nach der Netzform und erwähnt solch wichtige Dinge nicht...
Das ist ein HAK an jedem einzelnen Häuschen, richtig? Und der hat eine garantiert nur zweiadrige Zuleitung von diesem anfangs erwähnten Hauptverteiler?
Dann würde man es sdinnvollerweise so machen:
Die vorhandene Verbindung von der PEN-Schiene über den Zähler zum Unterverteiler bleibt unverändert, wird aber zukünftig nur noch als N genutzt und geht daher direkt zur N-Schiene des UV. Wenn man will, kann man den Abschnitt ab dem Zähler in blau ändern.
Zusätzlich wird eine separate gelbgrüne Einaderleitung (Querschnitt mindestens wie der L) von dieser PEN-Klemme des HAK direkt zur PE-Schiene des UV.
Wenn der UV bisher nur eine Schiene haben sollte, muß die zweite nachgerüstet werden (gibt es auch zum Aufschnappen quer auf die Tragschiene).
Was heißt "Wasserleitung etc."?
Ist da nur ein behelfsmäßiger Potentialausgleich oder gibt es da einen richtigen Erder? Was alles ist angeschlossen?
|
BID = 125553
enno72 Neu hier

Beiträge: 26
|
Das bitte ich zu entschuldigen,  . Hätte ich die Zeichnung mal gleich so reingestellt. Ja, wie schon ricjhtig angedeutet. Das Gartenhaus(jedes) hat seinen eigenen HAK.
Also gut, dann realisiere ich es so, aber muss die gelb/grüne Einaderleitung separat sein? Denn sonst wäre in der 3-adrigen Leitung vom HAK zum Zähler noch eine blaue Ader frei. Die könnte ich dann doch zum Zähler und weiter an die N-Schiene in der UV benutzen und die gelb/grüne dann gleich zur PE-Schine in der UV?
Was da noch an der PEN dran ist, außer die Wasserleitungen, frag ich nochmal nach.
|
BID = 125554
sam2 Urgestein
     
Beiträge: 35321 Wohnort: Franken (bairisch besetzte Zone)
|
Und wieder: Warum sagst Du das nicht gleich?
Natürlich: Muß nicht separat sein, aber könnte.
Wenn eine dreiadrige Leitung vorhanden ist, umso einfacher.
Also dann die PEN-Aufteilung im HAK vornehmen und dreiadrig von dort in die UV gehen. Aber auf korrekte Zuordnung der Aderfarben achten (muß dann eben alles passend umgeklemmt werden)!
|