Audio Akustik Spracherkennung

Im Unterforum Alle anderen elektronischen Probleme - Beschreibung: Was sonst nirgendwo hinpasst

Elektronik Forum Nicht eingeloggt       Einloggen       Registrieren




[Registrieren]      --     [FAQ]      --     [ Einen Link auf Ihrer Homepage zum Forum]      --     [ Themen kostenlos per RSS in ihre Homepage einbauen]      --     [Einloggen]

Suchen


Serverzeit: 25 12 2025  07:41:07      TV   VCR Aufnahme   TFT   CRT-Monitor   Netzteile   LED-FAQ   Oszilloskop-Schirmbilder            


Elektronik- und Elektroforum Forum Index   >>   Alle anderen elektronischen Probleme        Alle anderen elektronischen Probleme : Was sonst nirgendwo hinpasst


Autor
Audio Akustik Spracherkennung
Suche nach: audio (2559)

    







BID = 92702

nschem

Gerade angekommen


Beiträge: 12
Wohnort: Olten
Zur Homepage von nschem
 

  


Guten Tag. So, neu angemeldet und schon eine Frage.
Aber dafür ist ja ein Forum da. Also:

Ich möchte ein Geräusch aufnehmen, dass ein
Mitarbeiter ständig macht. (Chrm) Dann möchte ich eine Schaltung haben die das geräusch wiedererkennt und
bei jeder Wiederholung des Geräusches auf einem Zähler nach oben zählt oder ein Signalton von sich gibt.
Dies ist nicht ganz einfach.

Ich habe hier schon etwas mit Spracherkennung gefunden
doch leider mit Microcontrollern und speziellen (teueren)
IC's. Leider habe ich für dieses Projekt nicht ein Vermögen
zum Verbrauchen. Also sollte es mit ganz normalen IC's und Bausteinen funktionieren. Habt ihr Ideen.
Also gehen sollte es schon irgendwie habe nur
noch nicht herausgefunden wie...

Vielen Dank Schon mal...
Grüsse

Michi

BID = 92717

Benedikt

Inventar

Beiträge: 6241

 

  

Mit normalen Spracherkennungs ICs ist das kein Problem, ansonsten wird es schwer dieses Geräusch von anderen zu unterscheiden.
Mit einem Mikrocontroller könnte es funktionieren, aber ist nicht einfach. Ohne eine "Intelligenz" in der Schaltung sieht es ziemlich schlecht aus.

BID = 92723

nschem

Gerade angekommen


Beiträge: 12
Wohnort: Olten
Zur Homepage von nschem

So, danke schon mal.

Nach langer Überlegung ist mir noch was
mit einem RC Glied in den Sinn gekommen. Könnte ja eigentlich auch gehen. Wen ich den richtigen Kondi nehme sollte das auch gehen oder?
Dann brauchte ich noch einen Zähler der bei jedem Impuls
nach oben zählt auf einen Dezimalwandler und dies dann an einer 6 stelligen 7 Segment anzeige ausgibt.
Soweit bin ich gekommen...
Ideen? Ergänzungen?

BID = 92728

Benedikt

Inventar

Beiträge: 6241

Dsas geht schon, aber der Zähler zählt dann bei jedem Geräusch, nicht nur bei dem "Chrm"...

BID = 92735

nschem

Gerade angekommen


Beiträge: 12
Wohnort: Olten
Zur Homepage von nschem

Stimmt schon.. Ich baue die Schaltung al mit einem Bandpass auf, und schaue ob ich es vieleicht hinbringe. Denn ich muss die sChaltung ohne Intelligenz aufbauen. Leider. Sonst wäre es viel einfacher..

ICh probier mal.

Dankschön

BID = 92770

nschem

Gerade angekommen


Beiträge: 12
Wohnort: Olten
Zur Homepage von nschem

Hallo, ich bins schon wieder... geht auch nicht so lang.
Also. Die Bandpassschaltung habe ich mal aufgebaut. Da kommen sogar Impulse raus... Es geht! Hurra!
Aber jetz kommt noch der leichtere Teil.

Ich suche eine Schaltung für einen Zähler der bei jedem Impuls um 1 Hoch zählt. Dies sollte auf einer Anzeige (z.B: Display,7- Segment o.ä) angezeigt werden.
Und dies wen möglich bis 999 und wen es zu schwer ist halt nur bis 99... Könnt ihr mir helfen??? Please..

Danke schon zum Voraus PIIS

BID = 92775

Benedikt

Inventar

Beiträge: 6241

Schau dir mal den 4553 an. Dies ist ein kompletter 3 stelliger Zähler mit Mutliplexer. Dazu kommt noch ein 4511, 3 Transistoren und 3 7-Segment Anzeigen und fertig ist die Anzeige !

BID = 92777

perl

Ehrenmitglied



Beiträge: 11110,1
Wohnort: Rheinbach


Zitat :
Ich möchte ein Geräusch aufnehmen, dass ein
Mitarbeiter ständig macht. (Chrm)

Es gibt doch drucksensitive Matten z.B. für Türöffner.

Wenn du ihm so etwas als Schreibunterlage spendierst, könntest du feststellen, wann sein Kopf auf die Schreibtischplatte aufschlägt.

_________________
Haftungsausschluß:



Bei obigem Beitrag handelt es sich um meine private Meinung.



Rechtsansprüche dürfen aus deren Anwendung nicht abgeleitet werden.



Besonders VDE0100; VDE0550/0551; VDE0700; VDE0711; VDE0860 beachten !

BID = 92782

nschem

Gerade angekommen


Beiträge: 12
Wohnort: Olten
Zur Homepage von nschem

Für was den noch 3 Transistoren...
Der Tip ist super. Genau das habe ich gesucht...

Und bei conrad hat es noch ein schönes Datenblatt.
Also danke schon mal

BID = 92790

nschem

Gerade angekommen


Beiträge: 12
Wohnort: Olten
Zur Homepage von nschem

Auch ganz gut. Aber er macht das (Chrm) nicht nur wen er schläft sondern andauernd...

Aber mit dem 4553 und einem 4543 sollte es klappen...
3Digit BCD Counter + BCD zu 7-Segm.-Speicher/Decoder und Trei

Ich bin mir aber nicht sicher ob ich den 4543 noch brauche ned es ist ja schon ein BCD Counter.... hmmm.

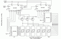
Das muss ich noch wissen. und vieleicht noch wie ich ihn genau anschliessen muss. Mit den Transistoren. Etwas habe ich schon. Aber dieser SChaltplan ist für 6 Stellen.:



BID = 92805

Benedikt

Inventar

Beiträge: 6241

Du lässt einfach die rechten 3 Anzeigen und die beiden rechten ICs weg, dann hast du nur eine 3 stellige Anzeige.

Es gibt wirklich eine Menge brauchbarer CMOS ICs, nicht nur primitive Gatter, aber die kennt fast niemend. Der 4553 ist einer davon...

BID = 93993

nschem

Gerade angekommen


Beiträge: 12
Wohnort: Olten
Zur Homepage von nschem

Hallo. ich bins wieder. Ich bin zwar glücklich, dass ihr mir schreibt. Doch die Schaltung die ich euch hinterlegt habe ist falsch, den auf allen 3 (6) Siebensegmentanzeigen kommt genau die gleiche Zahl heraus. Schade.

Aber es gibt ja so Zähler, die von 0-F Zählen. Wen ich diesen jetzt irgendwie dazu bringen könnte, dass er bei 9 ein Reset macht (damit er nicht bis F zählt) und gleichzeitig bei einem zweiten IC einen Impuls gibt und auf eins Zählt. Das sollte dann so weiter gehen bis die Zahl bei 99 ist dann soll mit einem AND Gate, wen auf beiden Anzeigen 9 ist ein Impuls zum nächsten IC gehen und dort hochschalten...

Wisst ihr wie ich es meine??? Vielen Dank schon mal.
Bin glücklich über jede brauchbare Idee..
Tschüüüs

BID = 93998

Benedikt

Inventar

Beiträge: 6241


Zitat :
nschem hat am 23 Aug 2004 09:10 geschrieben :

Hallo. ich bins wieder. Ich bin zwar glücklich, dass ihr mir schreibt. Doch die Schaltung die ich euch hinterlegt habe ist falsch, den auf allen 3 (6) Siebensegmentanzeigen kommt genau die gleiche Zahl heraus. Schade.

Nein ! Du hast was falsch angeschlossen, denn bei mir läuft die Schaltung. Hast du auch wirklich die Tranistoren richtig mit den einzelnen Stellen und den Anschlüssen am IC verbunden ?


Zitat :

Aber es gibt ja so Zähler, die von 0-F Zählen. Wen ich diesen jetzt irgendwie dazu bringen könnte, dass er bei 9 ein Reset macht (damit er nicht bis F zählt) und gleichzeitig bei einem zweiten IC einen Impuls gibt und auf eins Zählt. Das sollte dann so weiter gehen bis die Zahl bei 99 ist dann soll mit einem AND Gate, wen auf beiden Anzeigen 9 ist ein Impuls zum nächsten IC gehen und dort hochschalten...

Wisst ihr wie ich es meine??? Vielen Dank schon mal.
Bin glücklich über jede brauchbare Idee..
Tschüüüs


Schau dir mal 4518 und 4520 an. Dies sind zwei BCD bzw. Binärzähler. Der eine zählt bis 15, der andere bis 9. Für 0-99 brauchst du also nur dieses IC und zwei BCD->7Segment Dekoder.

BID = 94000

nschem

Gerade angekommen


Beiträge: 12
Wohnort: Olten
Zur Homepage von nschem


Also, hast du die Schltung mit 3 oder 6 Anzeigen aufgebaut? Ich weis nicht recht obs richtig ist. An den Transistoren kommt ja VDD, und an den 7 Ausgängen des IC's das Signal. Muss ich die Ausgänge des IC's nun parallel mit jeder 7 Segment Anzeige verbinden? wie können dann dort verschiedene Zahlen also von 0-999 rauskommen???

Danke schon mal Benedikt.

BID = 94478

nschem

Gerade angekommen


Beiträge: 12
Wohnort: Olten
Zur Homepage von nschem

ähm... Hallo... wollte nur fragen
Gibt es einen guten IC der bei jedem
Impuls von 0-99 hochzählt? Am Ausgang
sollte dann ein guter BCD Code kommen
um einen IC anzuschliessen der dann die
7 Segment Anzeigen ansteuert. Ganz einfach oder???
Hat mir jemand ein Tip?

Danke.


Zurück zur Seite 1 im Unterforum          Vorheriges Thema Nächstes Thema 


Zum Ersatzteileshop


Bezeichnungen von Produkten, Abbildungen und Logos , die in diesem Forum oder im Shop verwendet werden, sind Eigentum des entsprechenden Herstellers oder Besitzers. Diese dienen lediglich zur Identifikation!
Impressum       Datenschutz       Copyright © Baldur Brock Fernsehtechnik und Versand Ersatzteile in Heilbronn Deutschland       

gerechnet auf die letzten 30 Tage haben wir 18 Beiträge im Durchschnitt pro Tag       heute wurden bisher 2 Beiträge verfasst
© x sparkkelsputz        Besucher : 187927393   Heute : 4487    Gestern : 17227    Online : 390        25.12.2025    7:41
18 Besucher in den letzten 60 Sekunden        alle 3.33 Sekunden ein neuer Besucher ---- logout ----viewtopic ---- logout ----
xcvb ycvb
0.0796709060669