Universum TV FT 7191

Reparaturtipps und Ersatzteile zum Fehler:

Im Unterforum Reparatur - Fernsehgeräte - Beschreibung: Reparaturprobleme mit Fernseher, TV, Farbfernseher

Elektronik Forum Nicht eingeloggt       Einloggen       Registrieren




[Registrieren]      --     [FAQ]      --     [ Einen Link auf Ihrer Homepage zum Forum]      --     [ Themen kostenlos per RSS in ihre Homepage einbauen]      --     [Einloggen]

Suchen


Serverzeit: 28 12 2025  08:10:46      TV   VCR Aufnahme   TFT   CRT-Monitor   Netzteile   LED-FAQ   Oszilloskop-Schirmbilder            


Elektronik- und Elektroforum Forum Index   >>   Reparatur - Fernsehgeräte        Reparatur - Fernsehgeräte : Reparaturprobleme mit Fernseher, TV, Farbfernseher


Autor
TV Universum FT 7191

    







BID = 91081

satfreak

Neu hier

Beiträge: 20
 

  


Geräteart : Fernsehgerät
Hersteller : Universum
Gerätetyp : FT 7191
Messgeräte : Multimeter
______________________

Hallo,
bei meinem TV ist im Schaltnetzteil der R32 durchgebrannt.
Was ist dessen ohmscher Wert ?

Danke
MFG satfreak

Erklärung von Abkürzungen

BID = 91094

Hans W.

Gerade angekommen


Beiträge: 19

 

  

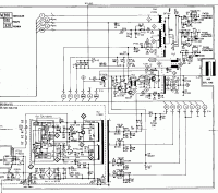
Also ich habe hier das original Schaltbild für FT7191 von Universum liegen, und da gibt es Ra32 und Ru32 beide im NT Bereich.
Ra32 - 270 Ohm - liegt an der Basis von Transistor TA4 BD241A (5V Stabilisator für Micro) und füttert Zener ZDa1 (5V6)
Ru32 12K 1/2 W liegt in Serie mit Ru33 und Ru31 und füttert DZu1 (30V Tuner)
Dann gibt es noch Rz32 in der Zeile usw...

Erklärung von Abkürzungen

BID = 91110

satfreak

Neu hier

Beiträge: 20

Hallo Hans W.,
herzlichen Dank erst einmal für die Hilfe.
Es ist der Rz 32...

Danke
MFG satfreak

Erklärung von Abkürzungen

BID = 91446

Hans W.

Gerade angekommen


Beiträge: 19

Rz32? Sicher?
RZ32 hat 10K liegt parallel zur DZ6 in der (je nach Bildröhre verschiedenen) Horizontalen Linearitätseinstellung.
Der R raucht aber so gut wie nie und nicht ohne weiteres ab... Da muss noch was anderes hin sein...

Darum mal das Schaltbild NT und Zeile. Alles in dem betreffenden Bereich prüfen und auch die 138V der Zeilenversorgung nachmessen,- CU16, CU7, CU8 Elkos am SNT IC TDA4601 zur Sicherheit tauschen.





[ Diese Nachricht wurde geändert von: Hans W. am 13 Aug 2004 15:05 ]

Erklärung von Abkürzungen


Zurück zur Seite 1 im Unterforum          Vorheriges Thema Nächstes Thema 


Zum Ersatzteileshop


Bezeichnungen von Produkten, Abbildungen und Logos , die in diesem Forum oder im Shop verwendet werden, sind Eigentum des entsprechenden Herstellers oder Besitzers. Diese dienen lediglich zur Identifikation!
Impressum       Datenschutz       Copyright © Baldur Brock Fernsehtechnik und Versand Ersatzteile in Heilbronn Deutschland       

gerechnet auf die letzten 30 Tage haben wir 17 Beiträge im Durchschnitt pro Tag       heute wurden bisher 1 Beiträge verfasst
© x sparkkelsputz        Besucher : 187985220   Heute : 4434    Gestern : 11123    Online : 268        28.12.2025    8:10
8 Besucher in den letzten 60 Sekunden        alle 7.50 Sekunden ein neuer Besucher ---- logout ----viewtopic ---- logout ----
xcvb ycvb
0.0206999778748