| Autor |
|
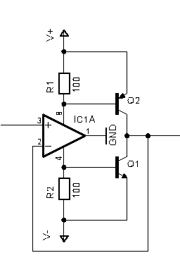
Gegentaktverstärker |
Problem gelöst
|
|
|
|
BID = 83492
T.P. Gelegenheitsposter
 
Beiträge: 56
|
|
Hallo,
wie berechnet man die Widerstände R1 und R2
von diesem Gegentaktverstärker???
|
|
BID = 83497
Benedikt Inventar
      Beiträge: 6241
|
|
Bei diesen muss man einen Kompromiss zwischen der Stromverstärkung der Transistoren (um die Transistoren möglichst weit aussteuern zu können) und dem Innenwiderstand der Signalquelle machen. Denn dann ergibt sich ein Spannungsteiler zwischen R1/R2 und dem Innenwiderstand.
Wenn man z.B. einen Operationsverstärker als Signalquelle hat, der max 10mA liefern kann, dann dürfen die Widerstände bei 12V Betriebsspannung nicht kleiner als 12V/10mA=1,2k sein.
Man würde einen Wert von 1,2k-2k einsetzen. |
|
BID = 83498
T.P. Gelegenheitsposter
 
Beiträge: 56
|
Also werden die widerstände berechnet, indem man die Betriebsspannung des Verstärkers durch die Stromstärke, die die Signalquelle liefert, teilt. Oder???
|
BID = 83507
perl Ehrenmitglied
       
Beiträge: 11110,1 Wohnort: Rheinbach
|
Die Signalquelle steht hier nicht zur Debatte, sie ist separat genügend stark zu dimensionieren.
Wie üblich von hinten nach vorn dimensionieren:
Wenn die Arbeitsfrequenz so hoch ist, daß der Spannungsabfall am Blindwiderstand von C1 zu vernachlässigen ist,
dann kennst du den maximalen Ausgangsstrom I sowie die minimale Differenz zwischen +Ub und Ua.
Abzüglich des Spannungsabfalls an R3 ergibt das die UCE von T1.
Für diese I und UCE schaust du im Datenblatt die minimale Stromverstärkung nach, und kannst damit den Basisstrom von T1 errechnen.
Das ist gleichzeitig der Strom den R1 bei Ub-Ua-R3*I-UBE liefern können muß.
Praktisch wird man R1 noch etwas kleiner wählen, um dessen Toleranzen zu berücksichtigen und eine Stromreserve zu haben.
Für den unteren Transistor gilt entsprechendes.
_________________
Haftungsausschluß:
Bei obigem Beitrag handelt es sich um meine private Meinung.
Rechtsansprüche dürfen aus deren Anwendung nicht abgeleitet werden.
Besonders VDE0100; VDE0550/0551; VDE0700; VDE0711; VDE0860 beachten !
|
BID = 83510
Benedikt Inventar
      Beiträge: 6241
|
Genau das wollte habe ich bei dem Kompromiss mit der Stromverstärkung gemeint, ich wusste allerdings nicht, wie ich das gut erklären kann, aber das ist ja jetzt geklärt.
@perl: Was ist ein in der Praxis gut zu gebrauchender Wert für Ub-Ua ?
Ich würde etwa 1-2V einsetzen...
|
BID = 83519
perl Ehrenmitglied
       
Beiträge: 11110,1 Wohnort: Rheinbach
|
Das hängt sehr vom Emitterwiderstand ab. In vielen Endstufen wird dessen Spannungsabfall deshalb mit einer Diode begrenzt.
Aber sicher meinst du UCE ? Da würde ich eher 2V als 1V empfehlen, damit der Transistor noch nicht in die Sättigung gerät. Das kann man aber auch an den Kennlinien im DB ablesen.
Außerdem mußt du daran denken, daß für eine kleine UCE auch ein kleiner Widerstand erforderlich ist. Der wiederum erfordert eine kräftige Treiberstufe.
_________________
Haftungsausschluß:
Bei obigem Beitrag handelt es sich um meine private Meinung.
Rechtsansprüche dürfen aus deren Anwendung nicht abgeleitet werden.
Besonders VDE0100; VDE0550/0551; VDE0700; VDE0711; VDE0860 beachten !
[ Diese Nachricht wurde geändert von: perl am 16 Jul 2004 20:55 ]
|
BID = 83524
Benedikt Inventar
      Beiträge: 6241
|
Wo wir schon beim Thema Verstärker sind:
Ich habe hier noch einen etwas außergewöhnlichen Verstärker, der die Spannung besser ausnutzt und dem normalen Gegentaktverstärker überlegen ist (ich lasse micht gerne verbessern, falls das nicht so ist...)
Sobald 7mA durch den Ausgang des Operationsverstärker fließen, und somit auch durch die Betriebsspannungsleitung, dann fallen an einem von diesen 700mV ab und der Transistor schaltet durch und unterstützt den Operationsverstärker.
|
BID = 83529
perl Ehrenmitglied
       
Beiträge: 11110,1 Wohnort: Rheinbach
|
Ahnliche Schaltungen sind mir seit mindestens 30 Jahren bekannt z.B. um dem 709 o.ä. einen Outputswing von 100V oder mehr beizubringen.
_________________
Haftungsausschluß:
Bei obigem Beitrag handelt es sich um meine private Meinung.
Rechtsansprüche dürfen aus deren Anwendung nicht abgeleitet werden.
Besonders VDE0100; VDE0550/0551; VDE0700; VDE0711; VDE0860 beachten !
|
BID = 83533
T.P. Gelegenheitsposter
 
Beiträge: 56
|
Hmm!
Bei einem so kleinen Kopfhörerverstärker wie ich mir bauen möchte, und der nur wenig Strom liefern muss braucht man
den Spannungsabfall an den Emitterwiderständen doch bestimmt nicht mit Dioden zu begrenzen. Oder nicht?
|
BID = 83539
perl Ehrenmitglied
       
Beiträge: 11110,1 Wohnort: Rheinbach
|
Das kommt drauf an wieviel Spannung du verschenken kannst.
Für einen niederohmigen Kopfhörer würde ich aber keine diskreten Transistoren mehr einsetzen.
Der LM386 z.B. ist kaum teurer als ein einzelner Transistor und macht das bestimmt besser.
_________________
Haftungsausschluß:
Bei obigem Beitrag handelt es sich um meine private Meinung.
Rechtsansprüche dürfen aus deren Anwendung nicht abgeleitet werden.
Besonders VDE0100; VDE0550/0551; VDE0700; VDE0711; VDE0860 beachten !
|
BID = 83540
T.P. Gelegenheitsposter
 
Beiträge: 56
|
Ich weiß, dass ein IC besser wäre.
Aber es ging mir bei der Schaltung mehr so um den Spaß am bauen!
|
BID = 83701
technikfreak Stammposter
    Beiträge: 273 Wohnort: Saarland
|
Was hast du überhaupt für einen Kopfhörer, den du am Verstärker anschließen willst?
Wenns sowieso ein billiger ist, dann reicht ein fertiges IC völlig aus.
|