| Autor |
Linearantrieb mit Zeitschaltuhr steuern Suche nach: zeitschaltuhr (1079) |
|
|
|
|
BID = 1061820
MasterRed Gerade angekommen
Beiträge: 6
|
|
Hallo Leute,
ich habe folgende Problemstellung und hoffe auf eure Hilfe!
Mit 12V Gleichstrom (Solarbatterie) soll ein Linearantrieb 12V gesteuert werden.
Dieser Antrieb wird über Umpolung ein- bzw. ausgefahren (Endschalter integriert).
Die Steuerung soll über eine Zeitschaltuhr funktionieren.
Bisher sind 230V vorhanden und die Theben 612 top2 arbeitet mit zwei seperaten 12V Netzteilen - an denen wiederrum ist die Gleichstrompolung einfach verdreht.
Nun meine Fragen;
1.) kann ich das mit einer Theben TR 622 top2 realisieren (ich würde die Pole einfach verdreht an die zwei Kanäle anschließen)
Dem Antrieb reicht ein Impuls von 2 min für einen Vorgang locker aus.
2.) wie lässt sich die Anlage am besten gegen Kurzschluss sichern (Manuelle Steuerung der Zeitschaltuhr ist schließlich möglich) - bisher erfolgt dies über die Automatische Abschaltung der Netzteile.
Bei der Anlage handelt es sich um eine automatische Heufütterung für die Pferde - Die Sicherung sollte möglichst keine dauerhafte Abschaltung bewirken!
Ich bin natürlich über jeden Vorschlag froh und wer eine elegantere Methode kennt - her damit
Besten Dank für euere Hilfe!
lg MasterRed
|
|
BID = 1061822
Goetz Schreibmaschine
     Beiträge: 1966 Wohnort: Dresden
|
|
Die Zeitschaltuhr steuert ein Relais mit zwei Umschaltern.
Die Kontakte polen die Betriebsspannung um.
Der Antrieb bekommt ständig Spannung, die Endschalter verhindern ja eine Überlastung.
Gegen Kurzschluß hilft eine Schmelzsicherung, dann ist natürlich Schluß mit Füttern, aber, was soll da ein Wiedereinschalten bewirken???
Gegen mechanische Überlastung könnte ein Federelement in der Betätigung der Futterklappe helfen. Klemmt beim Schließen was dazwischen, kann der Antrieb trotzdem die Endstellunf erreichen, und beim nächszen Öffnen besteht die Chance, daß die Klappe wieder frei wird. |
|
BID = 1061823
MasterRed Gerade angekommen
Beiträge: 6
|
Hallo Goetz,
vielen Dank für die rasche Antwort!
Ein Relais mit zwei Umschaltern? Ich muss gestehen ich kenn kein solches Teil und die Suchmaschine hilft mir irgendwie nicht richtig weiter....
Gibts das auch in Ausführung Arbeitsstrom, Strom fließt also nur bei anliegender Steuerspannung?
Bei der Eisenbahn bspw. wird kurz nach einen Kurzschluss überprüft ob dieser noch vorliegt (z.B. durch Vögel) und dann der Strom wieder aktiviert.
Gibts das denn auch bei Kleinspannung?
Das Federelment ist eine grandiose Idee - ich war noch bei einem Gummiband!
lg
MasterRed
|
BID = 1061824
Offroad GTI Urgestein
     
Beiträge: 12836 Wohnort: Cottbus
|
Zitat :
| | Ein Relais mit zwei Umschaltern? Ich muss gestehen ich kenn kein solches Teil |
Gemeint sind Wechslerkontakte.
Hat doch schon zwei Wechslerkontakte...
Zitat :
| | mit zwei seperaten 12V Netzteilen - an denen wiederrum ist die Gleichstrompolung einfach verdreht |
Dafür sind die Wechselkontakte da.
Zitat :
| | Bei der Eisenbahn bspw. wird kurz nach einen Kurzschluss überprüft ob dieser noch vorliegt (z.B. durch Vögel) und dann der Strom wieder aktiviert. |
Im "normalen" Nnetz auch, nennt sich Automatische WiederEinschaltung.
Es gibt elektronische Sicherungen von verschiedenen Herstellern, von AWE habe ich bei denen noch nichts gelesen - kenne aber auch nicht alle.
_________________
Theoretisch gibt es zwischen Theorie und Praxis keinen Unterschied. Praktisch gibt es ihn aber.
[ Diese Nachricht wurde geändert von: Offroad GTI am 31 Jan 2020 11:16 ]
|
BID = 1061826
MasterRed Gerade angekommen
Beiträge: 6
|
Hallo Offroad GTI,
besten Dank für die Erklärung!
Jetzt bin ich wieder auf Stand
Die Theben 612 top2 läuft auf 230V - kann also für die neue Konfiguration nicht verwendet werden. Die 622 top2 ist dann einfach mit 12-24V zu verwenden - da kann ich dann auch die Pole direkt anklemmen und einfach verdrehen.
Öffnet nun jemand manuell (an der Zeitschaltuhr) die Klappe und gleichzeitig aktiviert sich Zeitgesteuert der andere Kanal -
Dann soll die Kurzschlusssicherung reagieren und möglichst nach einigen Minuten wieder "reinspringen". Alternativ könnte ich mir eine Signalleuchte oder ein Signal nach extern vorstellen
Dankeschön und lg
MasterRed
[ Diese Nachricht wurde geändert von: MasterRed am 31 Jan 2020 11:31 ]
|
BID = 1061827
Offroad GTI Urgestein
     
Beiträge: 12836 Wohnort: Cottbus
|
Was ist denn das für ein Antrieb?
Zitat :
| | Dann soll die Kurzschlusssicherung reagieren und möglichst nach einigen Minuten wieder "reinspringen". |
Diesen Fall gilt es natürlich von vorn herein zu unterbinden. Z.B. mit verriegelten Relais.
_________________
Theoretisch gibt es zwischen Theorie und Praxis keinen Unterschied. Praktisch gibt es ihn aber.
|
BID = 1061828
MasterRed Gerade angekommen
Beiträge: 6
|
Es handelt sich um einen Linearantrieb (Bild ist Beispielhaft).
Die verriegelten Relais klingen gut - kenne ich leider nicht
Darf ich vielleicht um eine Skizze, einen Schaltplan oder einen Link bitten?
Irgendwo hänge ich gerade mit meinen Gedankengängen
Vielen Dank für eure Unterstützung!!
|
BID = 1061832
Offroad GTI Urgestein
     
Beiträge: 12836 Wohnort: Cottbus
|
Zitat :
| | Bild ist Beispielhaft |
Gut, dann hatte ich etwas fehlinterpretiert. Dahingehend, dass er über Steuereingänge für den Richtungswechsel verfügt...
Zitat :
| | Die verriegelten Relais klingen gut - kenne ich leider nicht |
Es handelt sich dabei um eine Schaltungsvariante. Ein Öffner des einen Relais wird in Reihe zur Spule des anderen geschaltet. Beide Relais werden dann von den Kontakten der Zeitschaltuhr angesteuert.
P.S.: Keine geklauten Bilder einstellen
_________________
Theoretisch gibt es zwischen Theorie und Praxis keinen Unterschied. Praktisch gibt es ihn aber.
|
BID = 1061840
Offroad GTI Urgestein
     
Beiträge: 12836 Wohnort: Cottbus
|
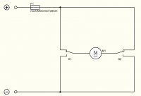
Es geht doch nur mit den Kontakten der Zeitschaltuhr:
Grundsätzlich spielt es keine Rolle, aber etwas "schöner" wäre es wohl, wenn die Öffnerkontakte an Minus angeschlossen werden.
Werden beide Kontakte gleichzeitig angesteuert, hält der Motor einfach an.
_________________
Theoretisch gibt es zwischen Theorie und Praxis keinen Unterschied. Praktisch gibt es ihn aber.
|
BID = 1061841
Hotliner gesperrt
|
Hallo!
Zwischenfrage: Funktioniert das alles dzt. bereits mit der 230VAC u. der 2 NAG-Variante ganz normal u. es soll nur auf Akkubetrieb umgestellt werden?
|
BID = 1061844
Jornbyte Moderator
      
Beiträge: 7346
|
@Hotliner
das erste Post lesen beantwortet deine Frage.
_________________
mfg Jornbyte
Es handelt sich bei dem Tipp nicht um eine Rechtsverbindliche Auskunft und
wer Tippfehler findet, kann sie behalten.
|
BID = 1061850
Hotliner gesperrt
|
Hallo Jornbyte!
Inhalte ausgeblendet durch Jornbyte  
Forenregeln
Wenn bereits alles funktioniert hätte, muss man nur die 230VAC Variante abklemmen u. gegen die neue Uhr mit der 12V Solarvariante austauschen u. die Drähte vom Linearantrieb wieder ident anklemmen u. AUS.
Inhalte ausgeblendet durch Jornbyte  
Forenregeln
MfG.
[ Diese Nachricht wurde geändert von: Jornbyte am 31 Jan 2020 23:37 ]
|
BID = 1061853
MasterRed Gerade angekommen
Beiträge: 6
|
Sorry, wollte hier keinen Unmut stiften!!
Die Anlage wird umgesiedelt und muss neu Verkabelt werden.
An diesem neuen Standort ist kein fester Netzanschluss verfügbar und eine kleine Solaranlage kommt zum Einsatz.
Vielen Dank für eure Hilfe - bin mir nun sicher das mein ursprünglicher Plan funktioniert!
WFerde das bei Gelegenheit (sprich wenn der Umzug fixiert ist) ausprobieren.
Nochmals DANKE !!
|
BID = 1061854
Hotliner gesperrt
|
Dann wird es ja ganz ohne grössere Änderungen über die Bühne gehen können!
|
BID = 1061856
MasterRed Gerade angekommen
Beiträge: 6
|
Stimmt...hab mir wohl zu viel den Kopf zerbrochen...umständlich liegt mir halt im Blut
|