| Autor |
Weisse LED's dimmen Suche nach: led (32778) |
|
|
|
|
BID = 73134
Roebi Gerade angekommen
Beiträge: 7 Wohnort: Lohmar
|
|
Sorry, schon wieder das leidige Thema zum Dimmen von Leds. Leider hab ich in den anderen Postings auch nicht die ultimative Lösung gefunden.
Zu meinem Projekt: Wir bauen unsere Terasse um und mir ist die Idee gekommen weisse Leds in verschiedene Bauteile (Treppenstufen, Randsteine, Palisaden) einzubauen. Hab letzte Woche auch schon eine Granit-Palisade durchbohrt und eine fertig konfektionierte Led samt Fassung und Reflektor von Conrad (Artikel-Nr.: 150813-33)eingebaut - sieht schonmal klasse aus aber ist leider etwas zu dunkel...
Um das Problem der Dimensionierung der Lichtstärke zu vermeiden, wollt nur 1 Sorte sehr heller Leds verwenden aber diese dimmen (unabhängig für jede Bauteilgruppe)sodass die Beleuchtung der Wege, Terasse und Treppen unabhägig in der Helligkeit geregelt werden kann.
Ich hatte mir soweit gedacht, die Leds pro Bauteil paralell, mit jeweils einem eigen Widerstand, anzuschliessen und dann mit einem Potentiometer pro Gruppe zu regeln. Als Stromquelle soll ein stabilisiertes Netzgerät mit 12 oder 24 V dienen. Die einzelnen Gruppen würden aus 3 Leds bis zu 30 Leds bestehen. Die Regelung der Helligkeit sollte am besten über einen breiten Bereich erfolgen (von fast 0% bis 100%)sodass ich evtl. Leds mit 10.000 mcd einsetzen kann. Hab da schon recht günstige gefunden...
Hab aber in den vorherigen Postings mitbekommen, dass die Lösung mit Potis nicht die optimalste sein soll. Daher wollt ich hören, ob jemand eine bessere Idee hat oder schon Erfahrung in einem ähnlichen Projekt gemacht hat. Die Lösung soll einfach umsetzbar sein und auch nicht so kostenintensiv, da ca. 8 Stränge separat geregelt werden sollen.
Noch ne kurze Frage: Ist der Abstrahlwinkel bei Verwendung eines Gehäuses mit Reflektor von Bedeutung? Wollte die Treppenstufen seitlich mit 20° Leds beleuchten und Wege mit 50° Leds, die aber alle im Gehäuse mit Reflektor sitzen.
Freue mich auf eure Postings und hoffe ihr könnt mir helfen, da ich auf dem Gebiet der Elektronik kaum Erfahrung habe.
Gruss
Robert
|
|
BID = 73135
gd99 Gerade angekommen
Beiträge: 5
|
|
hallo,
habe grade eine ähnlich frage im forum gestellt...
recht hast du mit der vermutung das die pure poti-variante unzweckmäßig ist....
allerdings bin auf der such nach einer lösung mit strombegrenzung..... eine variante mit pwm-regelung zur dimmung (pulsweitenmodulation) könnte ich dir geben....
>zum abstrahlwinkel.... hier kommt es drauf an, was für ein >reflektor in das gehäuse eingesetzt ist... einige nennen >sich nur reflektor, können aber nix andere sind so >ausgefeilt, und nutzen die totalreflexion im festen Stoff, >um ein gleichmässiges leuchten zu erreichen->hier ist der >abstrahlwinkel weitestgehend egal.... bestenfalls sollte >der abstrahlwinkel im abstand vom reflektor so gewählt >werden, das der winkel die reflektorfläche zu 80% >beleuchtet...
---correct---
sorry.... fehler..... mit "Deinem reflektor" meinst du sicher einen reflektor hinter der led (ähnlich halogen-spots) ???? wenn ja ist der abstrahlwinkel in jedem falle zu berücksichtigen.... denn 20° werden wohl kaum den reflektor hinter/neben der led berühren, und somit reflektieren...
ich dachte bei deiner aussage eher an eine art vorsatz-reflektor-linse....
---/correct---
grüße.... Andreas
[ Diese Nachricht wurde geändert von: gd99 am 5 Jun 2004 22:50 ] |
|
BID = 73143
Roebi Gerade angekommen
Beiträge: 7 Wohnort: Lohmar
|
@ Andreas
Hatte auch schon an eine regelbare Konstantstromquelle gedacht mit 30mA - aber noch nichts gefunden. Bin ja auch noch in der ersten Planungsphase.
PWM hatte ich auch schon mehrfach entdeckt, scheint mir aber relative kompliziert. Wie gesagt ich habe keine Ahnung von Elektronik - kannst mir aber trotzdem mal mehr dazu mailen. Richtig der Reflektor ist hinter der Led angebracht. Das ein Reflektor bei 20° Abstrahlwinkel nix bringt hab ich auch vermutet - höchstens bei den diffusen 50 ° Led.
Mir gehts ja primär auch nicht um den Reflektor sondern um das Gehäuse mit Glasabdeckung un in verchromter Ausführung. Damit die Sache optisch besser aussieht und den LEDs einen gewisen Schutz bietet...Anbei ein Bild vom Gehäuse - auch bei Conrad gefunden.
Gruss
robert
|
BID = 73150
gd99 Gerade angekommen
Beiträge: 5
|
was mit diesem gehäuse auf jeden fall verhindert wird, ist das seitliche abstrahlen(led-bauformbedingt) der leds, welches etwa 5-10% der leuchtleistung ausmacht... dies wird über den reflektor gebündelt und mit in den eigentlichen lichtweg gegeben. bei dieser baugröße wird die lichtquelle wohl aber doch eher als punklicht gesehen werden...
ist die scheibe vorn im gehäuse plan, wird der strahl nur innerhalb des materials(glas/acryl) verschoben,... wird aber den gleichen austrittswinkel haben.....
nun gut... soweit dazu....
zur pwm....:
erläutere nochmal, wie du die gruppen relisieren möchtest.... alle gruppen über ein netzteil ???? wieviele serien zu vievielen led´s ?
man müsste hier für jede gruppe natürlich eine eigene pwm realisieren.
grüße andreas...
|
BID = 73165
tixiv Schreibmaschine
    
Beiträge: 1492 Wohnort: Gelsenkirchen
|
So einen Thread hatten wir schonmal. Da hatte ich einen Schaltplan für sowas gepostet. Musst mal schauen!
|
BID = 73182
Raphael Stammposter
   
Beiträge: 451 Wohnort: Schwabenland
|
Hi,
warum nicht einfach einen Leistungstransistor mit Kühlkörper und einem passenden poti an die Basis?
Ist pulsweitenmodulation da nicht bissl übertrieben?
Entweder verstehe ich das problem nicht oder ich bin zu blöd
gruß
Raphael
|
BID = 73199
gd99 Gerade angekommen
Beiträge: 5
|
ich denke es soll halt anständig werden... ausserdem halte ich verlustminimierung für sehr lohnenswert (->pwm)...
ausserdem glaube ich nicht, das roebi den leistungstransi als heizung einsetzten möchte.... :-)
grüße andreas
|
BID = 73290
Roebi Gerade angekommen
Beiträge: 7 Wohnort: Lohmar
|
@ Andreas
Es sollen allle Leds an einem Netzgerät betrieben werden und dies sowie die Elektronik in der Garage untergebracht werden.
Soweit sollen es 4 Gruppen werden:
Treppe 1 -> 3 Leds
Treppe 2 -> 6 Leds
Terasse -> ca. 10 Leds
Weg -> ca. 20 Leds
Ist Pulsweitenmodulation nicht wirklich zu übertrieben?? Was ist von der Lösung von Raphael zu halten?? Wenn die Verlustleistung nicht zu hoch ist - wäre es für mich akzepztabel.
Gruss
Robert
|
BID = 73300
Roebi Gerade angekommen
Beiträge: 7 Wohnort: Lohmar
|
@ tixiv
Hab das Forum nach und nach durchgeschaut konnte aber keinen Schaltplan von dir finden. Wäre nett wenn du ihn nochmal posten könntest.
Grusss
Robert
|
BID = 73392
tixiv Schreibmaschine
    
Beiträge: 1492 Wohnort: Gelsenkirchen
|
|
BID = 73474
Roebi Gerade angekommen
Beiträge: 7 Wohnort: Lohmar
|
@ tixiv
Danke für die Schaltung. Auf den ersten Blick ziemlich kompliziert für mich...
Links unten, ist das ein Gleichrichter?? Ich wollte die Sache über ein Netzteil mit 12 oder 24 V DC betreiben - also könnt ich doch darauf verzichten??!
Ich hab hier im forum noch einen anderen einfachen, Schaltplan gefunden. Meine Frage ist nur, ob ich diese Schaltung auf insgesamt ca. 20 Leds (3,6 V, 20mA) erweitern kann. Nicht alle in Reihe sondern immer 3 in Reihe und dann 7 Sträge sodass ich insges. 21 Leds hab.
Wäre cool, wenn jemand prüfen kann, ob diese Schaltung dem angepasst werden kann. Ansonsten müsste ich auf die Lösung von tixiv zurückgreifen.
Thx @ all!
Gruss
|
BID = 73502
hannoban Schreibmaschine
    
Beiträge: 1722 Wohnort: Hinter Düsseldorf die 4. Mülltonne links
|
Achso, du hattest mir die Mail geschrieben, oder?
Mein Plan ist aber doch eigentlich FAST identisch mit tixiv´s. Die eigentliche Konstantstromquelle (nun, bei tixiv ist es eigentlich keine wirkliche, spielt aber bei konstanter Eingangsspannung nicht die Rolle) ist in seinem Plan rechts. Unten dann halt die Besaftung, und oben die Aufteilung der LED-Schaltung, die anschließend in die Collectorleitung der Transe gehört.
Aber mal was prinzipielles über LED´s:
Wenn du am Ende sogar mit stabilen 24V besaftest, und nur jeweils 3 LED´s in Reihe schaltest (3*3,6V=10,8V) dann muß die arme Transe 24V-10,8V*0,14A(7 Stränge * 0,02A)=1,85 Watt verheizen. Nun, selbstverständlich gibt es Transen die das mit etwas Kühlung hinbekommen, aber warum? Wenn du ein Netzteil findest oder selbst baust, daß ca. 30 Volt bringt, kannst du die Verustleistung ganz enorm reduzieren. Dann machst du einfach 3 Stränge mit 7 Stück in Reihe, und die Transe muß nurnoch 0,3 Watt verheizen. So könnest du einen kleineren Transistor nehmen, und ärgern würde das höchstens das EVU  . Fazit: Je mehr LED´s in Reihe, desto besser.
Schau dir tixiv´s Plan einfach nochmal genau an. Sieht für den Laien anfangs bestimmt etwas verwirrender aus, ist aber halb so wild. In dem ursprünglichen Thread wo du meinen Plan gefunden hast, hatte ich auch eine kleine Beschreibung über die Arbeisweise gem8, ist echt nicht so das Hexenwerk.
Achja, bei meiner Schaltung liegt ja halt nur das Poti parallel zu einer weiteren Diode, was prinzipiell den Vorteil hat, daß der LED-Strom weitgehend unabhängig von der Versorgungsspannung ist. Allerdings liegt der Regelbereich für den Emitterwiderstand dann nur bei 0 - 0,6V, und das ist eigentlich etwas wenig für eine WIRKLICH SAUBERE dimmung. Dagegen könnte man eine weitere Diode in Reihe schalten; also 2 Dioden parallel zum Poti. Dann müsste man nur den Emitterwiderstand neu berechnen, und hätte halt einen etwas höheren Spannungsbedarf bei der besaftung, aber das mit dem Dimmen wäre dann bestimmt etwas sauberer.
Wenn noch fragen, dann melden.
MfG hanno...
[ Diese Nachricht wurde geändert von: hannoban am 7 Jun 2004 18:05 ]
|
BID = 73574
Roebi Gerade angekommen
Beiträge: 7 Wohnort: Lohmar
|
@ hannoban
Jo, die mail war von mir. Wollt meine Unwissenheit nicht noch weiter zur Schau stellen.  Dein Posting hat mir enorm geholfen! Jetzt weiss ich worauf ich zu achten habe.
Zitat :
| | Fazit: Je mehr LED´s in Reihe, desto besser |
Nur wenn dann mal ne Led hin ist, leuchtet im ganzen Strang nichts...Mir wäre ja ne komplette Paralellschaltung lieber aber ist technisch wohl nicht die optimale Lösung.
Weiss nicht, ob du mein Eingangsposting gelesen hast. Es geht hier um die Beleuchtung von Terasse, Wege und Treppenstufen im Garten. Ich war eben im Garten nochmal messen und zählen und die grösste Gruppe wird doch nur ca. 16 Leds haben. Ausserdem brauch die Dimmung nicht so präzise sein, soll nur die Leuchtstärke grob anpassen können. Ich werd mir trotzdem noch einige verschiedene Led-Muster bestellen und ausprobieren. Vielleicht find ich ja eine mit optimaler Leuchtstärke und bräuchte dann nur noch ein Konstantstromquelle. Mal sehen...
Da ich jetzt ja weiss, dass deine Schaltung auch mit über 20 Leds machbar ist werd ich weitermachen und die led-gehäuse schonmal einbauen. Momentan sind wir eh noch beim Ausschachten aber ich wollt mich informieren, ob meine Idee überhaupt umsetzbar ist. Wenn ich dann genau weiss, wieviele Leds in welche Gruppen zusammen gehören, würd ich mich vorm Verkabeln nochmal bei dir melden, damit wir die Schaltung richtig dimensionieren können. Vorausgesetzt du bist bereit mir nochmal dabei zu helfen.
Danke nochmal!!
Gruss
Robert
Anbei meine Granit Muster-Palisade mit integrierter Led zur seitlichen Beleuchtung von Treppenstufen.
|
BID = 73660
perl Ehrenmitglied
       
Beiträge: 11110,1 Wohnort: Rheinbach
|
Zitat :
| | Da ich jetzt ja weiss, dass deine Schaltung auch mit über 20 Leds machbar ist |
Das muß man etwas relativieren.
Eine weiße oder blaue LED hat de Fakto bei Nennstrom etwa 3,2V Spannungsabfall.
Rechnen wir aber ruhig aber mit den von dir angegebenen 3,6V.
Bei 20 Stück wären das schon 72V. Zusätzlich noch ein paar V für die Regelschaltung und Netzspannungstoleranzen macht gut und gern über 80V am Netzteil.
Damit hättest du aber den Bereich der Schutzkleinspannung eindeutig verlassen.
In deinem eigenen Interesse solltest du also nur z.B. einen 24V Trafo verwenden und entsprechend weniger LEDs hintereinanderschalten.
Was die Optik angeht:
Die hohen mCd-Werte sind zum größten Teil auf geringe Abstrahlwinkel zurückzuführen.
Die unterschiedlichen Winkel werden durch die als Sammellinse funktionierende Oberfläche des LED-Gehäuses erreicht.
Bei den meisten dieser superhellen LED befindet sich der lichtemittierende Kristall ohnehin in einem Reflektor, sodaß praktisch das gesamte Licht durch die linsenförmige Endfläche der LED austritt. Insofern ist keine spürbare Verbesserung durch die Verwendung einer Fassung mit eingebautem Reflektor zu erwarten.
Wenn du eine LED in eine solche Linsenfassung einsetzt, verändert die Linse das Abstrahlverhalten und damit auch die Helligkeit.
Deshalb solltst du vielleicht mit LED unterschiedlicher Bündelung experimentieren, bevor du dich für einen Typ entscheidest.
_________________
Haftungsausschluß:
Bei obigem Beitrag handelt es sich um meine private Meinung.
Rechtsansprüche dürfen aus deren Anwendung nicht abgeleitet werden.
Besonders VDE0100; VDE0550/0551; VDE0700; VDE0711; VDE0860 beachten !
|
BID = 73668
Benedikt Inventar
      Beiträge: 6241
|
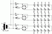
Wenn es nur um die einmalige Einstellung der Lichstärke geht, dafür gibt eine einfachere Schaltung.
Die verwende ich immer, wenn ich eine größere Anzahl an LEDs mit möglichst hohem Wirkungsgrad an 230V betreibe.
Der 100Ohm Widerstand dient nur als Einschaltstrombegrenzung, mit dem Kondensator wird der Strom eingestellt. Bei 40V Betriebsspannung und 10 LEDs ergeben sich etwa 5-10mA pro uF.
|