Probleme mit Ventilator

Im Unterforum Projekte im Selbstbau - Beschreibung: Selbstbau von Elektronik und Elektro

Elektronik Forum Nicht eingeloggt       Einloggen       Registrieren




[Registrieren]      --     [FAQ]      --     [ Einen Link auf Ihrer Homepage zum Forum]      --     [ Themen kostenlos per RSS in ihre Homepage einbauen]      --     [Einloggen]

Suchen


Serverzeit: 05 11 2025  14:29:57      TV   VCR Aufnahme   TFT   CRT-Monitor   Netzteile   LED-FAQ   Oszilloskop-Schirmbilder            


Elektronik- und Elektroforum Forum Index   >>   Projekte im Selbstbau        Projekte im Selbstbau : Selbstbau von Elektronik und Elektro


Autor
Probleme mit Ventilator
Suche nach: ventilator (1326)

    







BID = 1025807

knebb

Aus Forum ausgetreten

Moin Leute!

Erst einmal kurz "Hallo, ich bin der Neue"
Zugegebenermassen ein Elektronik-Laie, kenne mich aber mit Elektrik schon ein wenig aus. Und Programmieren kann ich

Ich habe hier ein System hängen, das ich gerne mit meiner eigenen Stuerung ersetzen möchte (die vorgegebene ist sehr unflexibel!).

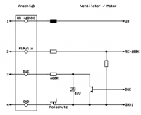
Es handelt sich um zwei Lüfter, deren Drehzahl gesteuert werden kann. Siehe Bild: Bild eingefügt
[/img]
Also 4 Anschlüsse (+,-, Tacho IN, Tacho OUT).
Versorgungsspannung liegt zwischen 36V und 56V Gleichstrom. Tacho ein kann wohl entweder ein PWM-Signal (heißt das so?) sein oder aber eine konstante Spannung von 0-10V (linear zur Drehzahl).

Nun habe ich mir ein 48V Netzteil besorgt sowie ein 5V Netzteil (nur zum Testen, will das natürlich später regeln).

Die "-" Pole der beiden Netzteile zusammen geschlossen, Tacho OUT nicht angeschlossen (ist auch nicht an der originalen Steuerung belegt), "-" angelegt und dann "+" der Lüfter an "+" des 48V Netzteils.
Und BÄM das 48V Netzteil geht auf Kurzschluß!
Am Netzteil liegt es nicht, das habe ich schon ausgetauscht....

Wieso geht der Lüfter an der originalen Steuerung einwandfrei (die kann auch die Drehzahl regeln), produziert an meinen Netzteilen aber einfach einen Kurzschluß?

Habe schon mal den Anlaufstrom versucht zu messen, ist aber nicht wirklich viel (2A oder so). Und lt. Berechnungen gilt ja \fedP=U*I Damit liege ich bei 240Watt, die das Netzteil liefern kann. Der Lüfter braucht aber lt. Bild ja nur 80W. Also sollte das doch ausreichend dimensioniert sein, oder?
Das Netzzeil ist ein Meanwell MW WDR-240-48

Wieso produziert der Lüfter an meinem Netzteil einen Kurzschluß, funktioniert an der originalen Steuerung aber einwandfrei?

Danke für zweckdienliche Hinweise!

/KNEBB











BID = 1025809

Offroad GTI

Urgestein



Beiträge: 12829
Wohnort: Cottbus

 

  


Zitat :

Habe schon mal den Anlaufstrom versucht zu messen, ist aber nicht wirklich viel (2A oder so).
Mit Stromzange und Oszilloskop?


Zitat :
"-" angelegt und dann "+" der Lüfter an "+" des 48V Netzteils.
Und das 5V Netzteil?


Zitat :
funktioniert an der originalen Steuerung
Welche da wäre?







_________________
Theoretisch gibt es zwischen Theorie und Praxis keinen Unterschied. Praktisch gibt es ihn aber.

[ Diese Nachricht wurde geändert von: Offroad GTI am 31 Aug 2017  9:24 ]

BID = 1025810

knebb

Aus Forum ausgetreten


Zitat :


Zitat :

Habe schon mal den Anlaufstrom versucht zu messen, ist aber nicht wirklich viel (2A oder so).
Mit Stromzange und Oszilloskop?

Nein, sorry. Deshalb schrieb ich ja "versucht". Nur mit Multimeter. Aber das Netzteil liefert 5A... ich kann mir nicht vorstellen, dass der Lüfter sooooviel saugt.


Zitat :

Zitat :
"-" angelegt und dann "+" der Lüfter an "+" des 48V Netzteils.
Und das 5V Netzteil?

Liefert brav weiter Strom, kein Kurzschluß.


Zitat :

Zitat :
funktioniert an der originalen Steuerung
Welche da wäre?

Hauslüftungsanlage Paul Thermos DC300.



[ Diese Nachricht wurde geändert von: knebb am 31 Aug 2017  9:31 ]

BID = 1025813

Maou-Sama

Schriftsteller



Beiträge: 787

Was macht der Lüfter, wenn du Pin 2 und 4 kurzschließt?
Laut http://img.ebmpapst.com/products/manuals/R1G250AQ2152-BA-GER.pdf S.7/10 "Kundenseite" dürfte er dann nicht andrehen, also auch keinen Anlaufstrom ziehen.

Weiterhin solltest du erwägen die Steuerspannung langsam von 0 beginnend aufzuregeln damit der Anlaufstrom so gring wie möglich gehalten wird.
Ein großzügig dimensionierter RC Tiefpass zwischen der Steuerspannungsquelle und dem Steuereingang reicht da u.U. schon.


Zitat :
ich kann mir nicht vorstellen, dass der Lüfter sooooviel saugt.
Trotzdem sagt der Hersteller für die 24V Version klar und deutlich
"4.6 Gerät einschalten
...Starten Sie das Gerät über Änderung des Eingangssignals.
...
4.7 Gerät abschalten
...Schalten Sie das Gerät über den Steuereingang aus.
...Schalten Sie den Motor (z.B. im Taktbetrieb) nicht über das Netz ein und aus."

Und dass diese Vorschrift auch für die 48V Variante gilt ist doch wohl wahrscheinlich.


BID = 1025815

Offroad GTI

Urgestein



Beiträge: 12829
Wohnort: Cottbus


Zitat :
Nur mit Multimeter
Wenn es nicht ein seeeeehr spezielles ist, ist es viiiiiiiel zu langsam, um Anlaufströme zu messen.


Zitat :
Liefert brav weiter Strom
Das schon, nur woran ist es angeschlossen?




_________________
Theoretisch gibt es zwischen Theorie und Praxis keinen Unterschied. Praktisch gibt es ihn aber.


Zurück zur Seite 1 im Unterforum          Vorheriges Thema Nächstes Thema 


Zum Ersatzteileshop


Bezeichnungen von Produkten, Abbildungen und Logos , die in diesem Forum oder im Shop verwendet werden, sind Eigentum des entsprechenden Herstellers oder Besitzers. Diese dienen lediglich zur Identifikation!
Impressum       Datenschutz       Copyright © Baldur Brock Fernsehtechnik und Versand Ersatzteile in Heilbronn Deutschland       

gerechnet auf die letzten 30 Tage haben wir 15 Beiträge im Durchschnitt pro Tag       heute wurden bisher 8 Beiträge verfasst
© x sparkkelsputz        Besucher : 186326318   Heute : 13368    Gestern : 32252    Online : 405        5.11.2025    14:29
13 Besucher in den letzten 60 Sekunden        alle 4.62 Sekunden ein neuer Besucher ---- logout ----viewtopic ---- logout ----
xcvb ycvb
0.0772631168365