Operationsverstärker bei Piezo-Elementen in Kraftmessplatte Im Unterforum Alle anderen elektronischen Probleme - Beschreibung: Was sonst nirgendwo hinpasst
| Autor |
|
|
|
BID = 1025753
rimbert Gerade angekommen
Beiträge: 1
|
|
Hallo zusammen,
ich baue gerade an einer Kraftmessplatte mit welcher vertikale
Bodenreaktionskräfte gemessen werden sollen. Dabei sind zwischen zwei
Holzplatten Gummistopfen angebracht, sodass nur ein kleiner Teil der
Kraft auf das parallel dazu angebrachte Moosgummi abfällt, an denen
insgesammt vier piezoelektrische Sensoren befestigt sind.
So sollen diese Sensoren eine annähernd proportionale Kraft spüren und
Spannung generieren.
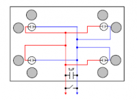
Die vier Piezos (Kapazität ca. 30nF) können parallel zu einem Kondi (ca.
2 nF oder 1muF oder kein Kondi) geschalten werden, um eine größere
Zeitkonstante zu erhalten (siehe Schaltplan anbei).
Als Messeingang benutze ich Cassy, welches selbst wohl einen etwas
niederohmigen Messeingang hat. Da die Piezos sehrr hochomig sind, entläd
sich die Geschichte durch das Messgerät ziemlich schnell. Die Piezos
generieren zwar eine Spannung von über 10 V - Strom fließt aber nahezu
keiner.
Habe nun herausgefunden, dass ein Impedanzwandler oder
Operationsverstärker dem schnellen Entladevorgang entgegenwirken wirken
können, da dadurch eine proportionale Spannung mit größerer Stromstärke
generiert bzw. schließlich abgegriffen werden kann.
Da ich mit diesem Projekt eine alternative, möglichst kostengünstige
Variante einer Kraftmessplatte untersuche, soll die Lösung
(Impedanzwandler) auch nicht viel kosten bzw. evtl auch mit ein paar
sehr billigen Bauteilen selbst Lötbar sein? Daher bitte ich um Hilfe bei
diesem Thema wie ich eine längere Zeitkonstante in der Messung bekomme.
Vielen Dank für die Hilfe und Grüße
Nico
PS:
Die angehängten Bilder zeigen das Schaltbild und Ladekurven (1), Sprung
(2) und Entladekurven (3) mit den verschiedenen Kondis. Je länger die
Entladekurve war, desto mehr Kapazität hatte der Kondi.
|
|
BID = 1025761
Offroad GTI Urgestein
     
Beiträge: 12836 Wohnort: Cottbus
|
|
BID = 1025780
perl Ehrenmitglied
       
Beiträge: 11110,1 Wohnort: Rheinbach
|
... und hier: https://www.transistornet.de/viewtopic.php?t=10475
Na wenigstens hat er dort das Thema als erledigt markiert.
Wobei ich vermute, dass das so eh nix wird. Piezos sind für langsame Anwendungen eher schlecht geeignet.
Da das Thema aber erledigt ist, schliesse ich es mal.
[ Diese Nachricht wurde geändert von: perl am 30 Aug 2017 15:40 ]
|
|
Zum Ersatzteileshop
Bezeichnungen von Produkten, Abbildungen und Logos , die in diesem Forum oder im Shop verwendet werden, sind Eigentum des entsprechenden Herstellers oder Besitzers. Diese dienen lediglich zur Identifikation!
Impressum
Datenschutz
Copyright © Baldur Brock Fernsehtechnik und Versand Ersatzteile in Heilbronn Deutschland
gerechnet auf die letzten 30 Tage haben wir 18 Beiträge im Durchschnitt pro Tag heute wurden bisher 6 Beiträge verfasst © x sparkkelsputz Besucher : 187866216 Heute : 13829 Gestern : 21855 Online : 236 21.12.2025 21:20 6 Besucher in den letzten 60 Sekunden alle 10.00 Sekunden ein neuer Besucher ---- logout ----viewtopic ---- logout ----
|
xcvb
ycvb
0.0267570018768
|