| Autor |
|
Anschluss Garagen Rolltor |
|
|
|
|
BID = 996994
Swallowtail Neu hier

Beiträge: 44
|
|
Hallo Zusammen,
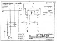
ich habe ein alltes Rolltor mit 3-Phasen Antrieb gekauft und habe Probleme mit dem Anschluss. Auf den Fotos ist zu sehen, wie das Tor vor dem Abbau angeschlossen war. Außerdem lag folgender Schaltplan bei.
Was ich bisher gemacht habe, ist die N, L1, L2, L3 (und Schutzleiter) unten rechts anzuklemmen. Ich ging davon aus dass ich das Tor bewegen kann wenn ich anschließend die kleinen Taster oben drücke. Leider ist dies nicht der Fall (habe beide Drehrichtungen probiert).
Wird jemand aus den Bildern schlau? Wäre für jede Hilfe dankbar!
https://picload.org/thumbnail/rroioodl/img_20160730_111801.jpg
|
|
BID = 997099
unlock Schriftsteller
     Beiträge: 902 Wohnort: Mosbach
|
|
Hallo,
mir scheint,das die Steuerung nur über die Externen Taster funktioniert,oder mindestens der Ext. Stoptaster gebrückt werden muss.
Gibt es genauere Angaben zur Steuerung im Kasten?Typ,Hersteller?
Was hat es mit der Fangvorrichtung des Getriebes auf sich?Hat die evtl.angesprochen?
_________________
One Flash and you're Ash ! |
|
BID = 997113
Primus von Quack Unser Primus :) nehmt ihn nicht so ernst
  
Beiträge: 7472
|
...der Schaltplan ist wohl nicht ganz richtig beschriftet  "L1, L2, L3, blau" gehen direkt auf die Taster  das müsste ja jedes Mal knallen, funken, krachen, und blitzen, wenn man da wo draufdrückt
_________________
...geguckt wird mit den Augen, nicht mit den Fingern!
|
BID = 997119
unlock Schriftsteller
     Beiträge: 902 Wohnort: Mosbach
|
Vermutlich handelt es sich um eine 5-Adrige Leitung mit den Farben
Schwarz
Braun
Schwarz
Blau
Grün-Gelb,
Da liegt es nahe,auf die schnelle einfach durchzunummerieren
_________________
One Flash and you're Ash !
|
BID = 997126
Primus von Quack Unser Primus :) nehmt ihn nicht so ernst
  
Beiträge: 7472
|
...ich seh aber nur schwarze nummerierte Adern
und die Aderendhülsen sehen ziemlich zerfetzt aus und sind auch noch zu lang, deshalb wohl auch das orange KURZSCHLUSSGEFAHR Schild
_________________
...geguckt wird mit den Augen, nicht mit den Fingern!
|
BID = 997137
mlf_by Schreibmaschine
    
Beiträge: 1144 Wohnort: Ried
|
Evtl. hilft ja dieser Link hier bei der Suche nach einem (fehlerfreien) Anschaltplan.
Die beiden dort im letzten Post genannten Firmen haben lt. Google zumindest schonmal was mit Toren zu tun.
|
BID = 997144
Swallowtail Neu hier

Beiträge: 44
|
Die Firma Walter Meurer aus Viersen hat mir tasächlich tatsächlich weiterhelfen können. Auch auf diesem Wege nochmals vielen Dank!
Die schlechte Nachricht ist, dass das Tor so wie es jetzt angeschlossen ist eigentlich funktionieren müsste.
Die gute Nachricht ist, dass ich jetzt Unterlagen zu Fehlersuche habe.
|
BID = 997165
mlf_by Schreibmaschine
    
Beiträge: 1144 Wohnort: Ried
|
Wow, Respekt für die Firma  und auch noch superschnell!
Danke für die Rückmeldung.
Wenn du willst, kannst du ja deinen jetzigen Ist-Zustand mal fotofieren ...
|