Umbau LED-Flasher Im Unterforum Alle anderen elektronischen Probleme - Beschreibung: Was sonst nirgendwo hinpasst
| Autor |
Umbau LED-Flasher Suche nach: led (32749) |
|
|
|
|
BID = 990486
hayafly Gerade angekommen
Beiträge: 2
|
|
Hallo zusammen,
es ist schon etwas länger her, dass ich mich intensiv mit dem Thema auseinandersetzen konnte und mir fehlen inzwischen auch die Erfahrungswerte... Google brachte auch nicht den wirklichen Durchbruch
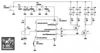
Es geht um den MK180 Bausatz von Velleman, das Schaltbild habe ich mal angehangen. T1 und T2 sind hier mit 2 MOSFETs BUK9535-55 (n-Kanal) ausgeführt, die LEDs werden über Masse geschaltet. Für meine Anwendung und eine einfachere Verkabelung benötige ich allerdings eine Ansteuerung der LEDs über +. Deshalb möchte ich T1 und T2 als Ansteuerung für jeweils komplementäre pnp MOSFETs verwenden und da sind auch meine Probleme:
- kennt jemand den komplementären pnp Typ zum npn Typ BUK9535-55?
- welchen Transistor könnte ich als Ersatz für den BUK9535-55
verwenden? als Steuertransistor ist der dann ja etwas
überdimensioniert.
Viele Grüße
Dirk |
|
BID = 990502
Offroad GTI Urgestein
     
Beiträge: 12830 Wohnort: Cottbus
|
|
Zitat :
| | kennt jemand den komplementären pnp Typ zum npn Typ BUK9535-55? | Brauchst du nicht. Du willst ja keine komplementäre Endstufe bauen, sondern nur ein paar LEDs schalten.
Zitat :
| | welchen Transistor könnte ich als Ersatz für den BUK9535-55 | Wenn du jetzt noch verraten würdest, wie hoch die Betriebsspannung ist, und wie hoch die Stromaufnahme der LEDs, könnte man genaueres sagen
Ansonsten sage ich einfach mal IRF4905, mit dem kannst du schon so einiges erschlagen
Vorausgesetzt, die Betriebsspannung liegt unter 15V. Wenn dem nicht so sein sollte, muss die Gate-Source Spannung des MOSFETs mit geeigeneten Mitteln begrenzt werden.
Zitat :
| als Steuertransistor ist der dann ja etwas
überdimensioniert. | Ja, sind sie. Kannst sie ja auslöten und durch Kleinsignal Bipolartransistoren ersetzten. Dann sollten R2 und R3 aber etwas vergrößert werden, auch wenn der µC die 13mA Basisstrom treiben kann, muss man ihm das ja nicht auf Dauer zumuten.
_________________
Theoretisch gibt es zwischen Theorie und Praxis keinen Unterschied. Praktisch gibt es ihn aber.
[ Diese Nachricht wurde geändert von: Offroad GTI am 16 Mai 2016 21:46 ] |
|
BID = 990619
hayafly Gerade angekommen
Beiträge: 2
|
Danke - das klingt schon mal echt gut
also die Schaltungen (sind 2) werden am 12V KFZ-Bordnetz betrieben, intakten Laderegler vorausgesetzt, liegt die Maximalspannung zwischen 14,2 und 14,6 Volt. Die Schaltungen haben nen Spannungsregler verbaut (UA78L05), der dann auch die Gate-Source Spannung auf 5 V begrenzt. Die LEDs haben alle integrierte Konstantstromnetzteile und pro Kanal etwa 4,5 A bei Dauerbetrieb. Ich würden denken dass passt so also
An den Komplementär dachte ich eben wegen Reaktionszeiten etc. - wie gesagt, da fehlt mir echt die Erfahrung und ich habe was Zeitdruck, so dass einfach ausprobieren nicht drin ist.
Welchen NPN Kleinsignaltransistor würdest Du empfehlen?
Besten Dank schon mal
|
BID = 990665
Offroad GTI Urgestein
     
Beiträge: 12830 Wohnort: Cottbus
|
Zitat :
| | werden am 12V KFZ-Bordnetz betrieben, intakten Laderegler vorausgesetzt, liegt die Maximalspannung zwischen 14,2 und 14,6 Volt. |
Der Mythos, dass die Bordspannung im Kfz eine saubere Gleichspannung ist, hält offensichtlich recht hartnäckig...
Zitat :
| | der dann auch die Gate-Source Spannung auf 5 V begrenzt |
Nicht, wenn du einen P-Kanal FET einbaust.
Wozu überhaupt, wenn es einzelne LEDs sind
Zitat :
| | An den Komplementär dachte ich eben wegen Reaktionszeiten etc |
In diesem Fall absolut irrelevant.
Zitat :
| Welchen NPN Kleinsignaltransistor würdest Du empfehlen?
|
BC547
Achja, die Forenregeln bezüglich Kfz-Bastelein hast du schon gelesen, oder...
_________________
Theoretisch gibt es zwischen Theorie und Praxis keinen Unterschied. Praktisch gibt es ihn aber.
[ Diese Nachricht wurde geändert von: Offroad GTI am 18 Mai 2016 7:18 ]
|
BID = 990666
Offroad GTI Urgestein
     
Beiträge: 12830 Wohnort: Cottbus
|
Doppelpost....
[ Diese Nachricht wurde geändert von: Offroad GTI am 18 Mai 2016 7:17 ]
|
|
Zum Ersatzteileshop
Bezeichnungen von Produkten, Abbildungen und Logos , die in diesem Forum oder im Shop verwendet werden, sind Eigentum des entsprechenden Herstellers oder Besitzers. Diese dienen lediglich zur Identifikation!
Impressum
Datenschutz
Copyright © Baldur Brock Fernsehtechnik und Versand Ersatzteile in Heilbronn Deutschland
gerechnet auf die letzten 30 Tage haben wir 16 Beiträge im Durchschnitt pro Tag heute wurden bisher 10 Beiträge verfasst © x sparkkelsputz Besucher : 186836089 Heute : 33758 Gestern : 47700 Online : 191 26.11.2025 18:42 15 Besucher in den letzten 60 Sekunden alle 4.00 Sekunden ein neuer Besucher ---- logout ----viewtopic ---- logout ----
|
xcvb
ycvb
0.117994070053
|