| Autor |
|
|
|
BID = 983165
W.H. Gerade angekommen
Beiträge: 12 Wohnort: Augsburg
|
|
Ja, das stimmt, ich werde sowieso den vorgandenen Strom gleichrichten.
In einem anderen Punkt besteht dann aber ebenfalls noch Bedarf für eine Modifikation: Ich brauche ja eine permanente Stromversorgung und zusätzlich einen Kontakt, der den (Klingel-)Impuls aufnimmt. Wie der Plan jetzt ist, geht das ja gar nicht, oder? |
|
BID = 983190
der mit den kurzen Armen Urgestein
     
Beiträge: 17437
|
|
Was denkst du warum ich auf das Eltako mit Universalsteuerspannung verweise. Nebenbei kannst du ohne riesen Aufwand auch die Schaltzeit von 1 Sek mit (einem Transistor und) einem Elko sowie einem Hilfsrelais durchaus auch verlängern! Auf irgendwelche Bastelein aus dem Netz würde ich mich jedenfalls in diesem Fall nicht verlassen!
_________________
Tippfehler sind vom Umtausch ausgeschlossen.
Arbeiten an Verteilern gehören in fachkundige Hände!
Sei Dir immer bewusst, dass von Deiner Arbeit das Leben und die Gesundheit anderer abhängen! |
|
BID = 983195
der mit den kurzen Armen Urgestein
     
Beiträge: 17437
|
So sieht im einfachsten Fall deine Anlage aus! Zur Tür gehen 3 Adern. Am Taster zum Öffnen hast du auf jeden Fall den anderen Pol vom Trafo anliegen. Ergo hast du den Klingeltaster an der Klingel anliegen und den Schalter vom Eltako am Taster zum Türöffnen. Die Versorgung des Eltakos erfolgt aus dem vorhandenem Trafo ! Universalspannungsversorgung mit 8-230V AC oder auch DC ! Der Schaltkontakt vom Eltako ist Potentialfrei.
_________________
Tippfehler sind vom Umtausch ausgeschlossen.
Arbeiten an Verteilern gehören in fachkundige Hände!
Sei Dir immer bewusst, dass von Deiner Arbeit das Leben und die Gesundheit anderer abhängen!
|
BID = 983197
2N3055 Schreibmaschine
    
Beiträge: 1383 Wohnort: Sulzbach (Ts.)
|
Offtopic :
| Bezug auf mlf_by:
Zitat :
| | Sobald Zahnfüllungen per Handy anerkannter Stand der Medizin sind ... |
Das muß ich jetzt aber nicht verstehen, oder?
Beim Rest gebe ich Dir recht!
|
_________________
Wo kommt nur dieses "eingeschalten" her, aus Neufünfland?
Entweder "einschalt en" oder "ein geschalte t"!
[ Diese Nachricht wurde geändert von: 2N3055 am 25 Feb 2016 17:46 ]
|
BID = 983370
W.H. Gerade angekommen
Beiträge: 12 Wohnort: Augsburg
|
Danke für die Anregenung!
Das Eltako braucht nun leider dauernde Versorgung (AC oder DC) UND den Steuerimpuls von der selben Stromart. Entweder nutze ich also ein Relais um den Impuls beim Klingeln zu nutzen oder ich versuche es wie in der Skizze. Kann das so klappen?
|
BID = 983371
der mit den kurzen Armen Urgestein
     
Beiträge: 17437
|
Oh Herr lass Hirn regnen! An der Siedle hast du alles anliegen, was du brauchst! Die dauernde Versorgungsspannung, den Kontakt zum Türöffner und den Abgang zur Klingel. Das einzige was dich stört ist die Impulsdauer des Eltakos und die kannst du verlängern! Das Eltako hat eine UC-Versorgung ! Was denkst du was in dem Eltako selbst werkelt abgesehen von dem Relais! Dem Eltako selbst ist es ***gal ob du da 8V-230V AC oder 8V-230V DC als Versorgungsspannung bereitstellst!
Lediglich für die Verlängerung des Schaltimpulses mittels Elko oder Transistor benötigst du DC!
Edit: der Schaltkontakt des Eltakos ist Potentialfrei!
_________________
Tippfehler sind vom Umtausch ausgeschlossen.
Arbeiten an Verteilern gehören in fachkundige Hände!
Sei Dir immer bewusst, dass von Deiner Arbeit das Leben und die Gesundheit anderer abhängen!
[ Diese Nachricht wurde geändert von: der mit den kurzen Armen am 27 Feb 2016 18:00 ]
|
BID = 983394
W.H. Gerade angekommen
Beiträge: 12 Wohnort: Augsburg
|
Ist ja schön, dass du dir so sicher bist!
Dann sag ich's nochmal anders:
Wenn unten an der Tür jemand klingelt, fließt der Strom durch das Läutwerk HINUNTER durch den Klingeltaster und dann weiter in den Keller zurück zum Trafo. Ich habe also hier oben keine nutzbare Spannung. Bestenfalls könnte ich ein Relais parallel klemmen, durch das Spannung zum Eltako gelangt. Ich möchte aber ein Relais vermeiden, da ich nur sehr wenig Platz im Gerät habe. Ich krieg auch das Eltako nicht unter, denke aber daran, eines zu zerlegen und die Platine allein zu verwenden...
|
BID = 983404
der mit den kurzen Armen Urgestein
     
Beiträge: 17437
|
So dann schau dir mal den Schaltplan der Siedle 611-1 an. An der Liegt die Klemme C , 7 und I an Das einzige was eventuell fehlen könnte währe die Ader B .
C und B liefern die Wechselspannung! Zwischen 7 und C liegt die Klingel und zwischen C und I liegt der Türöffnerkontakt!
Wenn du dir mal die Verdrahtung vor Ort anschaust ist es durchaus möglich auch die B -Ader noch zur Siedler zu führen! Die Sollte aber auch anliegen und zwar für den Etagenruf!
Nebenbei das Eltako kann auch mit Schalter in ein Aufputzgehäuse für 2 TE wandern!
Edit: und wenn du den Impuls verlängern willst dann wandert das Verlängerungsrelais mit der Notwendigen Beschaltung dann ebenfalls in das Aufputzgehäuse mit dann 4 TE !
_________________
Tippfehler sind vom Umtausch ausgeschlossen.
Arbeiten an Verteilern gehören in fachkundige Hände!
Sei Dir immer bewusst, dass von Deiner Arbeit das Leben und die Gesundheit anderer abhängen!
[ Diese Nachricht wurde geändert von: der mit den kurzen Armen am 28 Feb 2016 9:03 ]
|
BID = 983409
W.H. Gerade angekommen
Beiträge: 12 Wohnort: Augsburg
|
Ja, b habe ich auch. Es geht mir ja auch nicht um die generelle Stromversorgung, sondern darum, WIE ich den Klingel-Impuls für das Eltako nutzen könnte - OHNE ein Relais zu brauchen! Deswegen die Idee mit dem Brückengleichrichter...
|
BID = 983410
der mit den kurzen Armen Urgestein
     
Beiträge: 17437
|
Das Eltako ist dein Anzugverzögertes Relais es liefert den Schaltimpuls für den Türöffner ! Das einzige was dir an dieser Lösung nicht passt ist die feste Schaltzeit von 1 s ! Diesen Schaltimpuls kannst du verlängern, am einfachsten mit einem Elko und einem Hilfsrelais. Da der Türöffner mit Wechselspannung versorgt wird scheidet ein Transistor in aller Regel als Schalter aus!
Deshalb das Hilfsrelais! Der Kontakt des Eltakos ist Potentialfrei. Deshalb kannst du mit einem Brückengleichrichter aus der vorhandenen Wechselspannung eine Hilfsspannung (DC) erzeugen und mit dem Hilfsrelais die Schaltzeit des Hilfsrelais mittels Elko verlängern. Das Hilfsrelais schaltet dann mit seinem Kontakt die AC zum Türöffner! Soll ich dir _sicher den Stromlaufplan aufzeichnen oder bekommst du das selber auf die Reihe das Eltako selber richtig zu beschalten? Nebenbei der Klingelknopf an der Tür ist ein Schalter ! Er schaltet B auf 7
_________________
Tippfehler sind vom Umtausch ausgeschlossen.
Arbeiten an Verteilern gehören in fachkundige Hände!
Sei Dir immer bewusst, dass von Deiner Arbeit das Leben und die Gesundheit anderer abhängen!
|
BID = 983412
der mit den kurzen Armen Urgestein
     
Beiträge: 17437
|
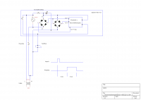
Hier I d i o tensicher der Schaltplan für Blinde
Wenn du damit nicht zurechtkommst, ist dir nicht mehr zu helfen
_________________
Tippfehler sind vom Umtausch ausgeschlossen.
Arbeiten an Verteilern gehören in fachkundige Hände!
Sei Dir immer bewusst, dass von Deiner Arbeit das Leben und die Gesundheit anderer abhängen!
|
BID = 983414
W.H. Gerade angekommen
Beiträge: 12 Wohnort: Augsburg
|
Ah, da bist mir jetzt zuvor gekommen...
Was ähnliches hab ich dir jetzt auch gemalt.
Bei der abgebildeten Schaltung würde nun die Klingel dauernd schellen, da über A1 und A2 der Weg frei ist zum Trafo.
Oder übersehe ich das etwas?
|
BID = 983415
der mit den kurzen Armen Urgestein
     
Beiträge: 17437
|
Ja die Innenschaltung des Eltakos ! Probier es aus ! Du wirst sehen,dass das Eltako nur bei gedrücktem Klingelknopf anspricht !
Edit : was denkst du warum da L und N bzw + und - angegeben sind ? Die Leitung b entspricht deinem L und die Leitung C deinem N Der Klingelknopf legt den Eingang A1 beim drücken auf L auch wenn sonnst die Klingel den Eingang auf N legt! Nur wenn A1 auf L liegt schaltet das Eltako!
_________________
Tippfehler sind vom Umtausch ausgeschlossen.
Arbeiten an Verteilern gehören in fachkundige Hände!
Sei Dir immer bewusst, dass von Deiner Arbeit das Leben und die Gesundheit anderer abhängen!
[ Diese Nachricht wurde geändert von: der mit den kurzen Armen am 28 Feb 2016 11:47 ]
|
BID = 983418
W.H. Gerade angekommen
Beiträge: 12 Wohnort: Augsburg
|
Das Schaltbild entspricht nicht dem System von Siedle!
b entspricht nicht L sonden N!
Die Klinkel liegt bei Siedle dauernd auf c (=L), sie steht also ständig unter Spannung. Erst wenn unten jemand den Taster betätigt, wird der Weg frei zu N.
[ Diese Nachricht wurde geändert von: W.H. am 28 Feb 2016 12:06 ]
[ Diese Nachricht wurde geändert von: W.H. am 28 Feb 2016 12:08 ]
|
BID = 983423
der mit den kurzen Armen Urgestein
     
Beiträge: 17437
|
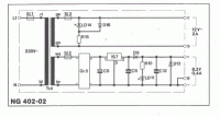
Nein C entspricht bei Siedle dem N denn C Kann auch gleichzeitig mit der Gleichspannung verbunden sein!
Hier mal die Innenschaltung vom Netzgerät 402
Du siehst das am Netzgerät B und C die Wechselspannungsausgänge sind und + sowie - und Klemme 9 die Gleichspannungsausgänge .
L und N sind Definitionen. Der N ist normal geerdet, bei Siedle kann (ist) der N mit der Gleichspannung verbunden sein.
Das Eltako ist so wie von mir gezeichnet richtig beschaltet!
_________________
Tippfehler sind vom Umtausch ausgeschlossen.
Arbeiten an Verteilern gehören in fachkundige Hände!
Sei Dir immer bewusst, dass von Deiner Arbeit das Leben und die Gesundheit anderer abhängen!
[ Diese Nachricht wurde geändert von: der mit den kurzen Armen am 28 Feb 2016 12:47 ]
[ Diese Nachricht wurde geändert von: der mit den kurzen Armen am 28 Feb 2016 12:54 ]
|