Yamaha HiFi Verstärker Audio Anlage  RX-V657

Reparaturtipps und Ersatzteile zum Fehler: Optokoppler defekt

Im Unterforum Reparatur - HIFI-Geräte - Beschreibung: Reparaturen an Stereoanlagen, CD-Player, Tuner, Verstärker, Car-HIFI

Elektronik Forum Nicht eingeloggt       Einloggen       Registrieren




[Registrieren]      --     [FAQ]      --     [ Einen Link auf Ihrer Homepage zum Forum]      --     [ Themen kostenlos per RSS in ihre Homepage einbauen]      --     [Einloggen]

Suchen


Serverzeit: 01 12 2025  09:10:43      TV   VCR Aufnahme   TFT   CRT-Monitor   Netzteile   LED-FAQ   Oszilloskop-Schirmbilder            


Elektronik- und Elektroforum Forum Index   >>   Reparatur - HIFI-Geräte        Reparatur - HIFI-Geräte : Reparaturen an Stereoanlagen, CD-Player, Tuner, Verstärker, Car-HIFI


Autor
HiFi Verstärker Yamaha RX-V657 --- Optokoppler defekt
Suche nach HiFi Verstärker Yamaha

    







BID = 978654

caba89

Gerade angekommen


Beiträge: 3
 

  


Geräteart : Verstärker
Defekt : Optokoppler defekt
Hersteller : Yamaha
Gerätetyp : RX-V657
Chassis : Subtrans
______________________

Hallo Leute,
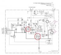
ich habe diese Tage den oben geannten Verstärker zum basteln bekommen. Jemand hat den falschen Kondensator (C405) eingebaut, wodurch die Subtransplatine eine Überspannung bekommen hat. Lange Rede kurzer Sinn, habe alle defekten Baueelemente ausgetauscht und das Gerät läuft nun wieder.

Der Optokoppler IC401 (TLP421GR) war defekt. Habe dann diesen und IC403 (TLP421GR) durch (TLP421GB) ersetzt. IC403 war sowieso in Ordnung, habe aber beide getauscht weil diese so dicht nebeneinander liegen.

Jetzt musste ich feststellen, dass das Gerät nur an geht wenn IC401 auch ein TLP421GR ist. Also habe ich den Optokoppler der ursprünglich in IC403 war in IC401 eingelötet.

In Aswo wird mir TLP421GB als passender Vergleichstyp angezeigt.

So, nun da alles geschildert ist zu meiner Frage:

1. Wozu ist IC403 nun gut? Habe ausprobiert, dass der Verstärker auch ohne IC403 funktioniert.
2. Kann ich TLP421GB beruhigt drin lassen oder sollte ich lieber den Originaltyp bestellen? Laut Datenblatt sind beide Typen minimal unterschiedlich z.B. verträgt TLP421GR einen höheren (IF) Strom.

Anbei noch ein Auszug aus der Serviceanleitung.


Ich danke schonmal für die Antworten.

Mfg Caba89




Erklärung von Abkürzungen

BID = 978693

Maou-Sama

Schriftsteller



Beiträge: 787


Zitat :
In Aswo wird mir TLP421GB als passender Vergleichstyp angezeigt.
Das liegt daran, dass der GB mit max 600 eine bessere CTR https://de.wikipedia.org/wiki/Gleic.....ltnis als der GR mit max 300 hat und daher normalerweise(!) als Ersatz funktionieren sollte.- Anders herum meist nicht.
Kommt es aber bei völlig schrägen Designs auf die "Blindheit" eines Kopplers an, geht ein Ersatztyp mit doppelt so gutem CTR u.U. auch in die Hose.

Zitat :
Laut Datenblatt sind beide Typen minimal unterschiedlich z.B. verträgt TLP421GR einen höheren (IF) Strom.
Ich weiss ja nicht welches Datenblatt du liest, oder ob du den Begriff CTR noch nie gehört hast...


Zitat :
Wozu ist IC403 nun gut?
Spannungsregelschleife für die Sekundärspannung über C411 - der ganze Sinn und Zweck dieser total besch... pseudo Schaltnetzteilgeschichte.
Wird die Spannung an C411 höher als die Schwellspannung aus Zener D407 und der OK-Sendediode, beginnt ein Stromfluss durch OK-Diode, ZD und R416/417. Der Strom durch die OK-Diode verursacht gemäß der CTR einen Kollektorstrom im OK-Transistor. Und der Transistor beginnt die Dateneingänge der Flipflops im CD4013 Low zu ziehen. Irgendwann ist die Hi-Lo Schaltschwelle des IC erreicht, Q404 bleibt dauerhaft gesperrt, und der Trafo T401 wird Primär nicht mehr angesteuert.
Sinkt die Spannung über C411 ab, sinkt der Strom durch die Zener- und OK-Diode und der OK-Transistor gibt die Dateneingänge des Flipflop wieder frei.

Und nun kommt das, was viele nicht bedenken, wenn sie Z-Dioden sehen;
Z-Dioden haben keinen SCHARFEN Sprung im fließenden Strom bei ihrer Schwellspannung. Schon vor der eigentlichen Schwellspannung setzt ein leichter Stromfluss ein. (sieh dazu mal ruhig entspr Kennlinien an)
Da aber dein TLP421GB ein um 100% besseres CTR hat als der GR, verursacht bereits dieser geringe Strom vor der eigentlichen Schwellspannung der D407 in der OK-Diode ausreichend Stromfluss, um gemäß dem gesteigerten CTR den Optotransistor dazu zu bringen, den CD4013 zuzumachen.
Ergo; das "Schaltnetzteil" schaltet den T401 zu früh ab und liefert zu geringe Ausgangsspannung.

Du kannst dich da nur retten, in dem du der Optodiode einen Widerstand parallel schaltest, die etwas Strom "drumherum" leitet und damit das CTR verschlechtert, bzw dafür sorgt, dass das CTR nicht mehr soviel Einfluss hat:
http://www.pocketmagic.net/wp-conte.....s.png

Eigentlich aber verwendet man in vernünftigen Regelschleifen keine Zenerdiode, sondern den TL431, da der SCHÄRFER knickt, und fast schon wie ein Komparator schaltet. Dadurch wird das CTR des Optos zweitrangig.
http://www.pocketmagic.net/wp-conte.....B.png
Dennoch macht man auch hier auch hin und wieder einen Widerstand parallel zur OK-Diode um den Einfluss des CTR noch weiter zu minimieren und das Regelverhalten noch besser zu machen:
http://www.pocketmagic.net/wp-conte.....B.png

Doch ist ein TL431 natürlich teurer als eine Z-Diode.
Daher siehst du das gleiche Problem des Zusammenhangs von OK-CTR und Ausgangsspannung bei Verwendung einer Zenerdiode in der Spannungsregelschleife auch verstärkt bei Billichnetzteilen weit jenseits der Handyladergrenze...
http://www.pocketmagic.net/wp-conte.....3.png
wenn du daran mal Reparaturen bzw Vorsichtsmodifikationen macht, wie einen bekannt nicht sicher Netzspannungsisolierenden China-OK zu ersetzen.

Zitat :
Habe ausprobiert, dass der Verstärker auch ohne IC403 funktioniert.
Ja, bis C411 bevorzugt dann im Standby hochgeht.
Ohne IC403 wird der T401 nicht mehr ausgangsspannungabhängig ausgeschalten. Aber ohne den getakteten Betreib dürfte seine Ausgangsspannung im Standby und bei nur minimaler Last dann trefflich hochlaufen.
Dieses Pseudoschaltnetzteil hat man ja sicher nicht eingebaut, weil man Teile zu viel hatte, oder als Test für das Fachwissen des Technikers...


Zitat :
Kann ich TLP421GB beruhigt drin lassen oder sollte ich lieber den Originaltyp bestellen?
IC401 ist was das CTR betrifft unkritisch. Das hat keine "Regelfunktion" sondern meldet nur "Netz da" an den Verstärker. Daher ist der GB Type dort gut aufgehoben.


[ Diese Nachricht wurde geändert von: Maou-Sama am  9 Jan 2016 15:34 ]

Erklärung von Abkürzungen

BID = 978771

caba89

Gerade angekommen


Beiträge: 3

Erstmal vielen Dank für die detaillierte Antwort. Habe mich vorher nie wirklich mit Optokopplern beschäftigt, jetzt habe ich einen viel besseren Einblick.



Zitat :

Zitat :
Kann ich TLP421GB beruhigt drin lassen oder sollte ich lieber den Originaltyp bestellen?
IC401 ist was das CTR betrifft unkritisch. Das hat keine "Regelfunktion" sondern meldet nur "Netz da" an den Verstärker. Daher ist der GB Type dort gut aufgehoben.


In IC401 habe ich ja den TLP421GR drin, welcher vorher in IC403 drin war. Wollte noch gerne wissen ob ich den TLP421GB in IC403 drin lassen kann, oder muss ich dort einen Widerstand Parallel schalten? Wenn ja, wie muss ich diesen überhaupt berechnen?

Erklärung von Abkürzungen

BID = 979505

caba89

Gerade angekommen


Beiträge: 3

Gerät läuft bis jetzt tadellos, auch wenn ich es längere Zeit im Standby lasse.

Erklärung von Abkürzungen


Zurück zur Seite 1 im Unterforum          Vorheriges Thema Nächstes Thema 


Zum Ersatzteileshop


Bezeichnungen von Produkten, Abbildungen und Logos , die in diesem Forum oder im Shop verwendet werden, sind Eigentum des entsprechenden Herstellers oder Besitzers. Diese dienen lediglich zur Identifikation!
Impressum       Datenschutz       Copyright © Baldur Brock Fernsehtechnik und Versand Ersatzteile in Heilbronn Deutschland       

gerechnet auf die letzten 30 Tage haben wir 16 Beiträge im Durchschnitt pro Tag       heute wurden bisher 4 Beiträge verfasst
© x sparkkelsputz        Besucher : 187059487   Heute : 12836    Gestern : 37500    Online : 301        1.12.2025    9:10
22 Besucher in den letzten 60 Sekunden        alle 2.73 Sekunden ein neuer Besucher ---- logout ----viewtopic ---- logout ----
xcvb ycvb
0.315461874008