Röhre von Oszilloskop driftet zum Start sehr stark Im Unterforum Alle anderen elektronischen Probleme - Beschreibung: Was sonst nirgendwo hinpasst
| Autor |
Röhre von Oszilloskop driftet zum Start sehr stark Suche nach: röhre (8221) oszilloskop (10660) |
|
|
|
|
BID = 959684
Kampfkuchen Neu hier

Beiträge: 42 Wohnort: Berlin
|
|
Hallo allerseits,
ich habe ein kleines Problem mit einem Oszilloskop, welches ich bekommen habe.
Und zwar handelt es sich um ein Gould 1604 - ein digitales Speicheroszilloskop mit CRT.
Nun ist aber das Problem, dass die Y-Ablenkung zum Start sehr stark wegdriftet... Das Bild beginnt in der unteren Hälfte und ist leicht versetzt doppelt.
Im Laufe von etwa 2 Minuten kann man sehen, wie es immer weiter in die richtige Position verläuft, bis es dann schließlich dort ist, wo es sein soll und richtig scharf ist. In diesem Zustand gibt es dann auch nichts mehr zu bemängeln.
Da ich aufgrund der Symptome die Kondensatoren im Auge hatte, habe ich diese durchgemessen und doch haben sie alle so ziemlich ihre Werte (alles innerhalb der angegebenen Toleranzen).
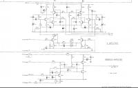
Angehangen habe ich mal ein Foto vom Problem und die Schaltpläne (leider sind dort keine Werte bei, die habe ich nicht).
Edit: Es sei noch zu erwähnen, die versetzte bzw doppelte Schrift "schwingt" und sich zeitweise zusammenfügt und wieder auseinander bewegt.
Noch ein Video dazu: Gould 1604 Drift
[ Diese Nachricht wurde geändert von: Kampfkuchen am 26 Apr 2015 13:40 ]
[ Diese Nachricht wurde geändert von: Kampfkuchen am 26 Apr 2015 13:43 ] |
|
BID = 959692
perl Ehrenmitglied
       
Beiträge: 11110,1 Wohnort: Rheinbach
|
|
Zitat :
| | und ist leicht versetzt doppelt. | Das sieht in der Tat nach einer verbrummten Versorgungsspannung aus. |
|
BID = 959694
Kampfkuchen Neu hier

Beiträge: 42 Wohnort: Berlin
|
Sprich: Ich suche auf der falschen Platine und muss zum eigentlichen Netzteil, nicht der Steuerung der Röhre?
Ich werde das mal prüfen.
|
|
Zum Ersatzteileshop
Bezeichnungen von Produkten, Abbildungen und Logos , die in diesem Forum oder im Shop verwendet werden, sind Eigentum des entsprechenden Herstellers oder Besitzers. Diese dienen lediglich zur Identifikation!
Impressum
Datenschutz
Copyright © Baldur Brock Fernsehtechnik und Versand Ersatzteile in Heilbronn Deutschland
gerechnet auf die letzten 30 Tage haben wir 12 Beiträge im Durchschnitt pro Tag heute wurden bisher 5 Beiträge verfasst © x sparkkelsputz Besucher : 189625845 Heute : 14834 Gestern : 16450 Online : 242 26.2.2026 23:49 9 Besucher in den letzten 60 Sekunden alle 6.67 Sekunden ein neuer Besucher ---- logout ----viewtopic ---- logout ----
|
xcvb
ycvb
0.0926449298859
|