| Autor |
|
|
|
BID = 959007
Elektro Freak Inventar
     
Beiträge: 3470 Wohnort: Mutter Erde
|
|
Moin !
Da bei meinem Philips N4416 der Stereoverstärker endgültig für die Tonne ist (Platine leitend geworden, Elektromeister wusste auch keinen Rat ..), suche ich nun Ersatz.
Nach Möglichkeit fertig, nach 5h Rumlöten um das ganze dann zu entsorgen ist mir die Lust zum Basteln ersteinmal vergangen !
Die Endstufe sollte folgende Parameter haben :
Betriebsspannung : 20V
Ausgangsleistung 2x 4 Watt RMS
Frequenzgang 40 Hz - 16 kHz
Lautsprecherimpedanz 4 - 8 Ohm
Audiqualität nach Din 45 000 (Hifi)
Genau Maße der Platine morgen, liegt noch in der Firma !
Wisst ihr da was auf die schnelle ?
Montiert werden soll das auf dem Alten Einbauwinkel ..
Grüße, Micha
_________________
|
|
BID = 959011
Mr.Ed Moderator
      
Beiträge: 36326 Wohnort: Recklinghausen
|
|
Zitat :
| | Platine leitend geworden |
Das halte ich für ausgeschlossen. Fehlerursache dürften wohl eher die vielen Bratstellen sein.
Zitat :
|
Audiqualität nach Din 45 000 (Hifi) |
Das wird schwer werden, die billigen Fertigdinger aus China übersteigen diese Anforderungen bei weiten
Die 20V könnten auch ein Problem werden, die fertigen Boards in der Leistungsklasse brauchen 5-12V.
_________________
-=MR.ED=-
Anfragen bitte ins Forum, nicht per PM, Mail ICQ o.ä. So haben alle was davon und alle können helfen. Entsprechende Anfragen werden ignoriert.
Für Schäden und Folgeschäden an Geräten und/oder Personen übernehme ich keine Haftung.
Die Sicherheits- sowie die VDE Vorschriften sind zu beachten, im Zweifelsfalle grundsätzlich einen Fachmann fragen bzw. die Arbeiten von einer Fachfirma ausführen lassen. |
|
BID = 959013
Kleinspannung Urgestein
     
Beiträge: 13386 Wohnort: Tal der Ahnungslosen
|
Zitat :
Elektro Freak hat am 15 Apr 2015 20:41 geschrieben :
|
Audiqualität nach Din
|
Wenn es das ist was du willst,solltest vielleicht mal in Ingolstadt nachfragen.
Und das mit dem löten üben wir dann mal noch etwas.
_________________
Manche Männer bemühen sich lebenslang, das Wesen einer Frau zu verstehen. Andere befassen sich mit weniger schwierigen Dingen z.B. der Relativitätstheorie.
(Albert Einstein)
|
BID = 959015
Elektro Freak Inventar
     
Beiträge: 3470 Wohnort: Mutter Erde
|
Nix Ingolstadt geht um Sound.
Ja das mit dem Löten ist so eine Sache. Angefangen wurde mit ner Lötpistole die hat das ganze Versaut. Habs heute mit in die Firma genommen und alles durchgemessen und getauscht.Kollege hat auch geguckt und für gut gefunden ..
Angeschalten - Funktion für 30 Sek gegeben- Endstufe durch. Das ganze haben wir mehrmals Probiert..
Deswegen suche ich etwas neues
_________________
|
BID = 959019
Mr.Ed Moderator
      
Beiträge: 36326 Wohnort: Recklinghausen
|
Auf der Platine sind mehrere Lötzinnbrücken, verbrannte Flußmittelreste und die Lötstellen sehen aus wie schonmal gegessen und  .
Das ist der Fehler auf der Platine.
Verstärkerboards in der Leistungsklasse liefert der freundliche ebay-Chinese für weniger als 5€.
2 x 15W aus 12V http://www.ebay.de/itm/Neu-12V-TDA7.....54265
2 x 10W Class D aus 12V http://www.ebay.de/itm/12V-2-10W-Du.....61afd
2 x 3W Class D aus 5V http://www.ebay.de/itm/PAM8403-Supe.....31471
Hat das alte Board eine symmetrische Versorgung oder liegen da einfach 20V an?
_________________
-=MR.ED=-
Anfragen bitte ins Forum, nicht per PM, Mail ICQ o.ä. So haben alle was davon und alle können helfen. Entsprechende Anfragen werden ignoriert.
Für Schäden und Folgeschäden an Geräten und/oder Personen übernehme ich keine Haftung.
Die Sicherheits- sowie die VDE Vorschriften sind zu beachten, im Zweifelsfalle grundsätzlich einen Fachmann fragen bzw. die Arbeiten von einer Fachfirma ausführen lassen.
|
BID = 959021
Elektro Freak Inventar
     
Beiträge: 3470 Wohnort: Mutter Erde
|
Da sind auch schon Leiterbahnen abgerissen, deswegen die Brücken ...
20V einfach !
_________________
|
BID = 959023
Mr.Ed Moderator
      
Beiträge: 36326 Wohnort: Recklinghausen
|
Da sind Zinnbrücken weil mit Lötzinn rumgeschmiert wurde, die gehören da nicht hin.
Wenn du nur 20V hast, brauchst du noch einen Regler.
_________________
-=MR.ED=-
Anfragen bitte ins Forum, nicht per PM, Mail ICQ o.ä. So haben alle was davon und alle können helfen. Entsprechende Anfragen werden ignoriert.
Für Schäden und Folgeschäden an Geräten und/oder Personen übernehme ich keine Haftung.
Die Sicherheits- sowie die VDE Vorschriften sind zu beachten, im Zweifelsfalle grundsätzlich einen Fachmann fragen bzw. die Arbeiten von einer Fachfirma ausführen lassen.
|
BID = 959024
attersee Stammposter
   
Beiträge: 451 Wohnort: Wien
|
Warum willst Du wirklich den Hut werfen. Wenn Du das Ding (in Mühe) reparierst, hast Du am Ende a) mehr oder weniger das Original und b) vermutlich Freude am Erfolg. Das Schaltbild wird sich wohl besorgen lassen und falls nicht, kann man die wenigen Komponenten mit vertretbarem Aufwand niederkritzeln. Dann kannst Du / könnt Ihr Schritt für Schritt systematisch den / die Fehler suchen. Natürlich sind die stehenden Komponenten der Sache nicht dienlich, aber so hat man halt gebaut.
Grüße, attersee
|
BID = 959025
Elektro Freak Inventar
     
Beiträge: 3470 Wohnort: Mutter Erde
|
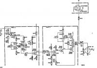
Wegschmeißen tu ich das ja nicht. Nur auf die Seite legen. Schaltbild siehe Anhang (nur Rechter Kasten).
Die ganze Geschichte hatte auch schon funktioniert. Das Kuriose nach dem Einschalten 30 Sekunden bester Sound dann *plöpp* Spannung am Netzteil bricht auf 10V ein und nur noch kratzen.. Schaltet man nicht schnell ab sind die Endtransistoren durch !
Änderungen an der Schaltung bisher
BC158B ersetzt durch BC327
BC337 ersetzt durch BC517
(Funktioniert im anderen Kanal, Klanglich aber Verzerrt)
1,2 Ohm Widerstand an der Brücke ersetzt durch 1,8 Ohm
Ausgangskondensatoren 680µF gegen 630µF getauscht
kann das schon der Fehler sein ?
Und wie rette ich die Platine ?
Trotzdem suche ich JETZT erstmal ein anderes Modul !
Zuhause kann ich zurzeit nur Behelfsmäßig löten und mein Chef ist auch nicht begeistert wenn ich Privatkram während der Arbeitszeit mache
Regler ? Könnte ich nicht z. B. einen 18 V Verstärker an 20 V betreiben, das dürfte ja nicht soo viel ausmachen ?!
_________________
[ Diese Nachricht wurde geändert von: Elektro Freak am 16 Apr 2015 0:07 ]
|
BID = 959030
attersee Stammposter
   
Beiträge: 451 Wohnort: Wien
|
Ich nehme an, dass Du die Halbleiter und die Widerstände auf Verdacht getauscht hast. 1E2 Widerstände sehe ich im kritischen Bereich nicht. Die genannten Toleranzen schließe ich vorerst als Problem aus.
Das hört sich sehr nach einem defekten Elko an. Am verdächtigsten wäre da wohl C1, aber auch C452 und C453 lohnt es sich, anzuschauen. Vermutlich wird die Schaltung in ein Eck gezogen. Wäre halt interessant, was der Ausgang (+ von C454) macht, wenn es ‚plöppt‘. Ein Scope würde das zeigen.
Grüße, attersee
[ Diese Nachricht wurde geändert von: attersee am 16 Apr 2015 0:47 ]
|
BID = 959031
der mit den kurzen Armen Urgestein
     
Beiträge: 17437
|
Was denkst du warum da Bauteilnummern dran stehen? Und wenn du den R460 meinst der hat 18 Ohm! Sofern die Originaltransistoren noch erhältlich sind sollten da auch solche eingebaut werden !
Nebenbei ein vernünftiger Lötkolben koste ca 20 Euronen ! Selbst der billigste für 8 Euro ist dem Brateisen von Lötpistole um Längen überlegen!
Edit: zu dem 18 V Verstärker an 20 V sage ich mal lieber nichts! Du hast selbst son Ding zum Nachdenken zwischen den Ohren!
_________________
Tippfehler sind vom Umtausch ausgeschlossen.
Arbeiten an Verteilern gehören in fachkundige Hände!
Sei Dir immer bewusst, dass von Deiner Arbeit das Leben und die Gesundheit anderer abhängen!
[ Diese Nachricht wurde geändert von: der mit den kurzen Armen am 16 Apr 2015 0:49 ]
|
BID = 959033
Mr.Ed Moderator
      
Beiträge: 36326 Wohnort: Recklinghausen
|
Zitat :
| | Und wie rette ich die Platine ? |
Die erste Frage ist ja, warum da überhaupt Teile getauscht wurden?
Retten kannst du die, indem du mit einem vernünftigen Lötkolben vernünftig lötest. Da ist an zig Stellen Lötzinn, wo keines hingehört.
_________________
-=MR.ED=-
Anfragen bitte ins Forum, nicht per PM, Mail ICQ o.ä. So haben alle was davon und alle können helfen. Entsprechende Anfragen werden ignoriert.
Für Schäden und Folgeschäden an Geräten und/oder Personen übernehme ich keine Haftung.
Die Sicherheits- sowie die VDE Vorschriften sind zu beachten, im Zweifelsfalle grundsätzlich einen Fachmann fragen bzw. die Arbeiten von einer Fachfirma ausführen lassen.
|
BID = 959036
attersee Stammposter
   
Beiträge: 451 Wohnort: Wien
|
Ja, und mach bitte die ersten Übungen mit dem neuen Lötkolben nicht an der zu rettenden Leiterplatte, sondern an irgendeiner Schrott-Platine. Da übst Du zunächst, Teile auszulöten, ohne die Leiterbahnen abzulösen. Dann befreist Du die Bahnen um die Bohrung herum vom alten Lötzinn. Dafür eignet sich (gute) Lötsauglitze. Gelötet wird zügig. Zum Wieder-Einlöten verwendest Du neues Zinn. Zwischen den Leiterbahnen hat kein Zinn-Tröpfchen etwas verloren. Leicht lötet sich mit dem Sn60Pb40, so Du das kriegst. Mach einmal einige zig schöne Lötstellen, bevor Du die Verstärkerplatine ‚behandelst‘.
Dem Fehler wird man sich dann vorteilhaft durch Messen nähern. Auch wird es Sinn machen, die ausgebauten Teile – abgesehen von den Elkos – zu testen und bei gutem Zustand der Wiederverwendung zuzuführen.
Grüße, attersee
|
BID = 959052
prinz. Moderator
       Beiträge: 8935 Wohnort: Gifhorn und Wolfenbüttel
|
Guckst du bei ebay, blauer Klaus oder ELV
Wo ist da bitte jetzt wieder das Problem wenn neu sein soll
_________________
Nur für nicht Mutige
1.Freischalten
2.Gegen Wiedereinschalten sichern
3.Spannungsfreiheit allpolig feststellen
4.Erden und kurzschließen
5.Benachbarte, unter Spannung stehende Teile abdecken oder abschranken
|
BID = 959053
der mit den kurzen Armen Urgestein
     
Beiträge: 17437
|
Die Endstufe schafft max 4 W das sind 8 W gesamt. 8W: 20V= 0,4 A die schafft ein 7812 locker.
12V* 0,4A = 4,8W Dein Verstärker sollte da also nicht mehr als 2*2 W haben. Bei einem 7815 hast du 15 V das sind dann 15V*0,4A = 6W also immerhin schon 2*3 W
_________________
Tippfehler sind vom Umtausch ausgeschlossen.
Arbeiten an Verteilern gehören in fachkundige Hände!
Sei Dir immer bewusst, dass von Deiner Arbeit das Leben und die Gesundheit anderer abhängen!
|