Autor |
100 Meter Mini Seilbahn für den Garten für wenig Last machbar? |
|
|
|
|
BID = 958011
Mack-Bell Gerade angekommen
Beiträge: 3
|
|
Guten Morgen,
ich plane in meinem Garten eine kleine Seilbahn zu bauen und überlege nun was ich brauchen würde und was dies kosten würde.
Ich frage erstmal theoretisch, da ich nicht sicher bin ob mir der Vorteil den ich dadurch habe es wert ist.
Es geht um folgendes:
- Seilbahn soll ca 100m eine Strecke sein, also ein 100 meter Seil
- Die Seilbahn soll in normaler Laufgeschwindigkeit fahren (also so 5-6 Km/h)
- Transportiert werden ca. 200 gramm (ein kleines Handy).
Hat jemand erfahrung oder kann mir ggf. helfen?
Ideal wäre es wenn es nicht so schwer wäre zu bauen und nicht zu teuer.
Viele Grüße und besten Dank
Thorsten |
|
BID = 958012
perl Ehrenmitglied
       
Beiträge: 11110,1 Wohnort: Rheinbach
|
|
Zitat :
| Seilbahn soll ca 100m eine Strecke sein, also ein 100 meter Seil | Hast du genügend Höhe?
Ein 100m Seil hängt durch. Erst recht, wenn es noch etwas tragen muß.
Außerdem treten dann beachtliche Zugkräfte an den Enden auf, die umso größer sind, je flacher das Seil gespannt ist. |
|
BID = 958013
Mack-Bell Gerade angekommen
Beiträge: 3
|
Also ich hätte es ja gerne, dass das im Kreis läuft. Sprich nicht nur eine Richtung sondern am besten so, dass ich das 6-7 Stunden land im Dauerlauf haben kann.
Die Idee ist, dass ich Meter machen kann mit dem Konstrukt. Da wäre flach wohl besser oder?
|
BID = 958015
Mr.Ed Moderator
      
Beiträge: 36322 Wohnort: Recklinghausen
|
Flach wäre schlechter.
_________________
-=MR.ED=-
Anfragen bitte ins Forum, nicht per PM, Mail ICQ o.ä. So haben alle was davon und alle können helfen. Entsprechende Anfragen werden ignoriert.
Für Schäden und Folgeschäden an Geräten und/oder Personen übernehme ich keine Haftung.
Die Sicherheits- sowie die VDE Vorschriften sind zu beachten, im Zweifelsfalle grundsätzlich einen Fachmann fragen bzw. die Arbeiten von einer Fachfirma ausführen lassen.
|
BID = 958016
der mit den kurzen Armen Urgestein
     
Beiträge: 17437
|
Ich würde es mit 2 Seiltrommeln und 200m Seil versuchen.
Edit: 1 Umlenkrolle +1 Treibrolle mit Gleichstrommotor + 2 Endschalter (Microschalter ) + 2 auf dem Seil vorhandene Endanschläge, +2 Relais
_________________
Tippfehler sind vom Umtausch ausgeschlossen.
Arbeiten an Verteilern gehören in fachkundige Hände!
Sei Dir immer bewusst, dass von Deiner Arbeit das Leben und die Gesundheit anderer abhängen!
[ Diese Nachricht wurde geändert von: der mit den kurzen Armen am 2 Apr 2015 11:34 ]
|
BID = 958017
Mack-Bell Gerade angekommen
Beiträge: 3
|
Ich kann auch ein Gefälle rein bringen. Was kann sowas im Besten Fall kosten?
Gibt es ggf. Bausätze für so etwas?
|
BID = 958018
der mit den kurzen Armen Urgestein
     
Beiträge: 17437
|
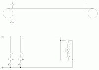
so zum Bleistift
_________________
Tippfehler sind vom Umtausch ausgeschlossen.
Arbeiten an Verteilern gehören in fachkundige Hände!
Sei Dir immer bewusst, dass von Deiner Arbeit das Leben und die Gesundheit anderer abhängen!
|
BID = 958035
Primus von Quack Unser Primus :) nehmt ihn nicht so ernst
  
Beiträge: 7453
|
...ich würde das Handy einfach in die Tasche stecken, wie es alle machen und es nicht im Garten rotieren lassen
...oder hat das einen tieferliegenden Sinn
der natürlich TOP SECRET ist da es auf Area 51 errichtet wird
_________________
...geguckt wird mit den Augen, nicht mit den Fingern!
|
BID = 958041
nabruxas Monitorspezialist
    
Beiträge: 9498 Wohnort: Alpenrepublik
|
Anregungen gibts da: Link
Die bauen Dir das auch.
_________________
0815 - Mit der Lizenz zum Löten!
|
BID = 958152
Primus von Quack Unser Primus :) nehmt ihn nicht so ernst
  
Beiträge: 7453
|
Mulder ? Scully ?
_________________
...geguckt wird mit den Augen, nicht mit den Fingern!
|
BID = 958168
Mr.Ed Moderator
      
Beiträge: 36322 Wohnort: Recklinghausen
|
Zitat :
| Was kann sowas im Besten Fall kosten? |
Das hängt von deinem können, dem Gelände, eventuellen Stützmasten usw ab. Billig wird der Spaß nicht werden, schon das Seil wird ein paar hundert Euro kosten. Mit allen drum und dran kann das schnell fünfstellig werden.
Fundamente, Masten, Abspannungen, Rollen sind auch nicht billig.
Zitat :
|
Gibt es ggf. Bausätze für so etwas? |
Nein, wer soll sowas kaufen?
_________________
-=MR.ED=-
Anfragen bitte ins Forum, nicht per PM, Mail ICQ o.ä. So haben alle was davon und alle können helfen. Entsprechende Anfragen werden ignoriert.
Für Schäden und Folgeschäden an Geräten und/oder Personen übernehme ich keine Haftung.
Die Sicherheits- sowie die VDE Vorschriften sind zu beachten, im Zweifelsfalle grundsätzlich einen Fachmann fragen bzw. die Arbeiten von einer Fachfirma ausführen lassen.
|
BID = 958255
winnman Schreibmaschine
    
Beiträge: 1674 Wohnort: Salzburg
|
Was mir dazu so einfällt:
Für die 2 Umlenkrollen an den Enden -> Keilriemenscheiben aus alten Waschmaschinen.
Antrieb 24V Scheibenwischermotor ev. über Keilriemen auf eine 2. Waschmaschinenriemenscheibe als Untersetzung.
Auf einer Seite würde ich auf alle Fälle eine Gewichtsbelastete Spannvorrichtung vorsehen. (am besten die dem Antrieb gegenüberliegende Seite)
Je nach Abspannmöglichkeit und damit möglicher max Spannkraft hast du deutlichen Durchhang, dafür sind dann ev. Stützmaste nötig.
Wenn die Last immer im Kreis fahren soll, dann müssen die Befestigungen am Seil so ausgeführt werden, dass sie um die Umlenkrollen laufen können, sonst musst du mit Endschaltern arbeiten und den Antrieb reversieren.
Nette Idee, aber wird ganz schön aufwendig.
Die Quetschgefahr an den Rollen, . . . kannst du umgehen wenn du das ausserhalb des Handbereiches also so auf 3m Höhe anordnest.
|
BID = 959588
Ebbmo Gerade angekommen
Beiträge: 17 Wohnort: Denzlingen
|
Was wäre denn mit einer Gartenseilbahn ! Die für kinder ! also nicht das seil bewegen sondern eine art fahrwagen auf dem seil ! Müsste man mal überlegen ob man da nicht einen kleinen batteriebetriebenen motor anbauen kann und das ganze fernseteuern ! vll aus der RC Technik ! !
Gibt doch die die mit dem Motorrad auf einem Drahtseil fahren ! Vll ja so was in der art nur halt anstatt echtes motorrad eins ausm Modelbauladen !
_________________
-----> Elektronik build by my own <-----
|