| Autor |
|
Signal beim Einschalten und Ausschalten eines Verbrauchers |
|
|
|
|
BID = 952663
rosa33 Gerade angekommen
Beiträge: 7 Wohnort:
|
|
danke für den Hinweis Zeitrelais, bin aber mit dieser Lösung nicht zufrieden weil beim Ausschalten der Pumpe das Signal ertönen soll, es muß also ein kleiner Zwischenspeicher für die Energie (z.B. Elko, oder mechanischer Speicher) vorhanden sein, das Zeitrelais würde eine externe Stromversorgung benötigen |
|
BID = 952669
Offroad GTI Urgestein
     
Beiträge: 12836 Wohnort: Cottbus
|
|
Zitat :
| | das Zeitrelais würde eine externe Stromversorgung benötigen | Das ist korrekt.
Solche Infos wären zu Beginn ganz hilfreich gewesen
Für ein Zeitrelais samt Signalgeber braucht es schon einen ordentlichen Energiespeicher.
Diese Multifunktionsrelais sind bezüglich der Versorgungsspannung recht genügsam. Es würde also ein kleines Steckernetzteil (eine Diode zum Sperren des Rückstromes) und ein großer Kondensator genügen, um das Teil zu versorgen.
Welche Art Signalgeber schwebt dir denn vor?
_________________
Theoretisch gibt es zwischen Theorie und Praxis keinen Unterschied. Praktisch gibt es ihn aber.
[ Diese Nachricht wurde geändert von: Offroad GTI am 4 Feb 2015 19:25 ] |
|
BID = 952671
123abc Schreibmaschine
    
Beiträge: 2212 Wohnort: Hamburg
|
Zitat :
| Zitat :
eine etwas elegantere Lösung als der ding-dong mit 100% ED wäre gut
Den Hinweis bezüglich der Zeitrelais (zweimal) übersehen?
|
Schau mal die erste Antwort an
|
BID = 952674
rosa33 Gerade angekommen
Beiträge: 7 Wohnort:
|
|
BID = 952681
rasender roland Schreibmaschine
    
Beiträge: 1803 Wohnort: Liessow b SN
|
Ich habe mir auch mal Gedanken dazu gemacht.
Theoretisch sollte es funktionieren.
Die Elkowerte müssten eventuell angepasst werden.
Vielleicht sollte man auch drei anstatt zwei Brückengleichrichter nehmen.
Ein 5 V Relais ist ja eher aufzutreiben.
_________________
mfg
Rasender Roland
|
BID = 952686
Offroad GTI Urgestein
     
Beiträge: 12836 Wohnort: Cottbus
|
Offtopic :
|
Zitat :
123abc hat am 4 Feb 2015 19:53 geschrieben :
|
Zitat :
| Zitat :
eine etwas elegantere Lösung als der ding-dong mit 100% ED wäre gut
Den Hinweis bezüglich der Zeitrelais (zweimal) übersehen?
|
Schau mal die erste Antwort an
| Habe ich ja. Demwegen schrub ich ja auch zweimal |
@Roland: Nichts für ungut, aber eine nicht galvanisch getrennte Schaltung an Netzspannung sollte einem Laien nicht vorgeschlagen werden
Zitat :
| | Piezo-Signalgeber |
O.k. Da hält sich die Leistungsaufnahme ja in Grenzen.
Was darf der ganze Spaß denn kosten?
_________________
Theoretisch gibt es zwischen Theorie und Praxis keinen Unterschied. Praktisch gibt es ihn aber.
|
BID = 952687
rosa33 Gerade angekommen
Beiträge: 7 Wohnort:
|
@Offroad GTI _kosten soll die Schaltung möglichst wenig aber noch wichtiger sehr wenig Strom verbrauchen
@rasender roland _ein Erklärung zum Schaltbild bitte
|
BID = 952688
rasender roland Schreibmaschine
    
Beiträge: 1803 Wohnort: Liessow b SN
|
Naja wie Offroad GTI schon schrieb handiert man da mit Netzspannung.
Ich für meinen Teil kann sowas in ein Zwischensteckergehäuse einbauen so das es auch sicher ist.
Wie sieht es denn mit Deinem Wissenstand auf dem Gebiet aus ?
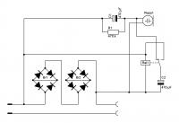
Zur Funktion:
Beim Einschalten des Verbrauchers lädt sich der C1 über den Pieper auf
und der Pieper piept einen Moment.
Gleichzeitig Zieht das Relais an und lädt C2.
Beim Abschalten des Verbrauchers fällt das Relais ab und C2 entlädt sich über den Pieper.
Und der Pieper piept.
Die Brückengleichrichter stellen die Spannung bereit wenn der Verbraucher
eingeschaltet wird.Mit 2,8...3 Volt kann es aber knapp werden.
Daher vielleicht drei Gleichrichter nehmen.
_________________
mfg
Rasender Roland
|
BID = 952692
der mit den kurzen Armen Urgestein
     
Beiträge: 17437
|
Was soll der Blödsinn, einem Laien eine derartige Schaltung anzubieten?  Das die Dioden den vollen Laststrom vertragen müssen wird mit keinem Wort erwähnt. Für das bissel Piepser und das Relais ist ein Printtrafo mit 1,5VA und 6 bis 9 V völlig ausreichend.
Der Trafo kommt parallel zur Last. Zur Funktion wird an den Trafo Spannung angelegt,wird diese Gleichgerichtet und das Relais zieht an bis der Elko sich aufgeladen hat. Die Klingel oder ein Summer oder ein Piezosummer ertönt, bis das Relais abfällt. Beim Abschalten der Spannung kann sich der Elko über D1 und das Relais entladen und die Klingel ertönt bis das Relais wegen entladenem Elko abfällt.
_________________
Tippfehler sind vom Umtausch ausgeschlossen.
Arbeiten an Verteilern gehören in fachkundige Hände!
Sei Dir immer bewusst, dass von Deiner Arbeit das Leben und die Gesundheit anderer abhängen!
|
BID = 952703
rasender roland Schreibmaschine
    
Beiträge: 1803 Wohnort: Liessow b SN
|
@dmdkA
Es ist die Variante wie ich sie aufbauen würde.
Ob der Fragesteller Ahnung hat oder einen machen lässt der Ahnung hat
weiss ich nicht.
Du ?
Zu Deiner Schaltung.
Wie entlädt sich der Kondensator beim Abschalten ?
Plus vom Elko liegt über das Relais an der Kathode der Diode.
_________________
mfg
Rasender Roland
|
BID = 952704
rasender roland Schreibmaschine
    
Beiträge: 1803 Wohnort: Liessow b SN
|
Und wo bekommt der Signalgeber seine Energie her beim Abschalten ?
_________________
mfg
Rasender Roland
|
BID = 952726
der mit den kurzen Armen Urgestein
     
Beiträge: 17437
|
*Grummel* Du hast recht mit der Diode geht es nicht.Wenn du die Diode durch einen R von 120 Ohm ersetzt geht es aber. Nachteil relativ hoher Stromverbrauch. Der Elko liefert die Energie für das Relais und den Pieper.
_________________
Tippfehler sind vom Umtausch ausgeschlossen.
Arbeiten an Verteilern gehören in fachkundige Hände!
Sei Dir immer bewusst, dass von Deiner Arbeit das Leben und die Gesundheit anderer abhängen!
|
BID = 952728
rasender roland Schreibmaschine
    
Beiträge: 1803 Wohnort: Liessow b SN
|
Dann überlege mal wo der Piepser beim Abschalten hängt.
Er bekommt dann lediglich den Spannungsabfall vom 120 R
Widerstand.
Selbst wenn man mal mit 9 V Betriebsspannung rechnet.
Miniaturrelais liegen so um die 20 - 30 mA Stromaufnahme.
Wenn Du nun noch 120 R in Reihe schaltest beim Abschalten.
Wie lange zieht das Relais dann wohl an ?
Und wie hoch ist der Spannungsabfall dann über dem 120 R Widerstand ?
Ob das reicht dem Piepser einen Ton zu entlocken ?
_________________
mfg
Rasender Roland
|
BID = 952738
der mit den kurzen Armen Urgestein
     
Beiträge: 17437
|
so mal überarbeitet. T1 ist ein PNP Transistor BC 327 . Er sorgt dafür das sich die Elkos entladen können.
Edit : evl muss in die Kollektorleitung noch eine Diode eingefügt werden, damit der Transistor geöffnet bleibt .
_________________
Tippfehler sind vom Umtausch ausgeschlossen.
Arbeiten an Verteilern gehören in fachkundige Hände!
Sei Dir immer bewusst, dass von Deiner Arbeit das Leben und die Gesundheit anderer abhängen!
[ Diese Nachricht wurde geändert von: der mit den kurzen Armen am 5 Feb 2015 13:29 ]
|
BID = 952781
rasender roland Schreibmaschine
    
Beiträge: 1803 Wohnort: Liessow b SN
|
Ohne Deine Schaltung jetzt ausprobiert zu haben sage ich mal,
könnte funktionieren.
AAAAAber.
Wenn der vom TO vorgeschlagene Piezopiepser verwendet wird geht es nicht.
Das Teil funktioniert nur bei richtiger Polung.
Bei Deinem Entwurf wird der Piepser beim Abschalten aber umgepolt.
_________________
mfg
Rasender Roland
|