| Autor |
Ausfall von LED Lampen Suche nach: led (32837) |
|
|
|
|
BID = 949139
Otiffany Urgestein
     
Beiträge: 13792 Wohnort: 37081 Göttingen
|
|
Nachdem mir nun innerhalb kurzer Zeit von meinen 5 LED Lampen (Kerzen mit E14 Gewinde) drei ausgefallen waren, habe ich mal versucht, der Ursache auf den Grund zu gehen. Eine Lampe fing an zu singen und hatte nur noch geschätzt die halbe Leuchtkraft. Ich habe sie mal geöffnet und festgestellt, daß von den vier verbauten LEDs eine den Geist aufgegeben hatte. Da noch zwei weitere defekte LED Lampen vorhanden waren habe ich versuchsweise mal aus einer anderen defekten Lampe (mit einer LED bestückt), die LED ausgelötet und damit die vierte ersetzt. Leider ging jetzt die Lampe gar nicht mehr. Schlußfolgerung, auch die LED aus der anderen Lampe müsse wohl defekt sein. Da ich noch eine weitere defekte Lampe mit drei LEDs liegen hatte, habe ich dort eine ausgelötet und die defekte LED in der vierergruppe ersetzt. Siehe da, die Lampe funktionierte wieder. Auch die Lampe mit der einen LED konnte ich mit einem Ersatz aus der defekten dreier Lampe reparieren. Dabei habe ich festgestellt, daß vermutlich ein Kühlproblem zum Sterben der LEDs geführt hat. Schlampige Verarbeitung durch zu wenig Wärmeleitpaste unter den LEDs und zwischen der LED-Platte und dem Kühlkörper mache ich für den Ausfall verantwortlich!
Ich habe jetzt mit Wärmeleitpaste etwas nachgearbeitet und bin gespannt, ob ich jetzt länger Freude an den Lampen haben werde.
Bei einer Lampe lag es an einer kalten Lötstelle.
Gruß
Peter
[ Diese Nachricht wurde geändert von: Otiffany am 6 Jan 2015 15:37 ] |
|
BID = 949141
Kleinspannung Urgestein
     
Beiträge: 13393 Wohnort: Tal der Ahnungslosen
|
|
Zitat :
Otiffany hat am 6 Jan 2015 15:10 geschrieben :
|
Schlampige Verarbeitung durch zu wenig Wärmeleitpaste unter den LEDs und zwischen der LED-Platte und dem Kühlkörper mache ich für den Ausfall verantwortlich!
|
Tja,die armen Kinder in den Bambushütten die die Dinger zusammenmurksen ,wissen eben nicht das du die Funzeln gern länger hättest...
_________________
Manche Männer bemühen sich lebenslang, das Wesen einer Frau zu verstehen. Andere befassen sich mit weniger schwierigen Dingen z.B. der Relativitätstheorie.
(Albert Einstein) |
|
BID = 949571
Otiffany Urgestein
     
Beiträge: 13792 Wohnort: 37081 Göttingen
|
Als Nachtrag noch das Foto einer defekten LED.
Man sieht schon auf den ersten Blick, daß diese LED den Hitzetod gestorben ist.
Gruß
Peter
|
BID = 949730
Otiffany Urgestein
     
Beiträge: 13792 Wohnort: 37081 Göttingen
|
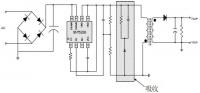
Ich habe mir nun, bedingt durch meine Erfahrung über den Defekt der LEDs in den Lampen, Ersatz-LEDs bestellt und geliefert bekommen. Heute habe ich mich noch mal der LEDs beraubten Lampe gewidmet, indem ich die nun fehlenden LEDs durch neue ersetzt habe. Leider mußte ich hier kapitulieren, denn der Defekt liegt offenbar in dem Wandler-IC SM7523B.
Die Suche nach einer Quelle für dieses IC blieb erfolglos.
Vielleicht kennt einer von Euch eine Firma, die dieses IC liefern kann.
Anbei noch die Schaltung von dem Wandler:
Gruß
Peter
|
BID = 949737
der mit den kurzen Armen Urgestein
     
Beiträge: 17437
|
Hallo Peter siehe Link http://www.netcomponents.com/de/sitemap/SM7523B.html
_________________
Tippfehler sind vom Umtausch ausgeschlossen.
Arbeiten an Verteilern gehören in fachkundige Hände!
Sei Dir immer bewusst, dass von Deiner Arbeit das Leben und die Gesundheit anderer abhängen!
|
BID = 949759
Otiffany Urgestein
     
Beiträge: 13792 Wohnort: 37081 Göttingen
|
Den Link habe ich auch gefunden, aber es wird eine Anmeldung verlangt und das möchte ich nicht.
Ich habe auch diesen Link gefunden,
http://www.aliexpress.com/store/pro......html
aber da steige ich nicht ganz durch.
Geht es nur mit Mindestabnahme? Portokosten finde ich da auch nicht.
Gruß
Peter
|
BID = 949761
der mit den kurzen Armen Urgestein
     
Beiträge: 17437
|
Die sind da drin 0,33$ kostet das IC , Porto 4,21$ sind alles zusammen 4,54$
_________________
Tippfehler sind vom Umtausch ausgeschlossen.
Arbeiten an Verteilern gehören in fachkundige Hände!
Sei Dir immer bewusst, dass von Deiner Arbeit das Leben und die Gesundheit anderer abhängen!
|
BID = 949919
Otiffany Urgestein
     
Beiträge: 13792 Wohnort: 37081 Göttingen
|
Man hat es nicht einfach, wenn man es doppelt nimmt!
Nun habe ich mich durchgerungen die ICs zu bestellen, aber leider ist es mir nicht möglich, meine Straße und den Ort in engisch einzugeben, wie der Verkäufer fordert.
Gruß
Peter
|
BID = 949920
Otiffany Urgestein
     
Beiträge: 13792 Wohnort: 37081 Göttingen
|
Doppelpost gelöscht!
Gruß
Peter
[ Diese Nachricht wurde geändert von: Otiffany am 11 Jan 2015 23:22 ]
|
BID = 949922
der mit den kurzen Armen Urgestein
     
Beiträge: 17437
|
Peter lösch mal auch Deine Mobilnummer Und Goettingen Sowie De +postleitzahl
_________________
Tippfehler sind vom Umtausch ausgeschlossen.
Arbeiten an Verteilern gehören in fachkundige Hände!
Sei Dir immer bewusst, dass von Deiner Arbeit das Leben und die Gesundheit anderer abhängen!
|
BID = 949926
Mr.Ed Moderator
      
Beiträge: 36336 Wohnort: Recklinghausen
|
Auf dem Bild hast du es auf Deutsch eingegeben, in der Straße hast du ein ß und im Ort ein ö. Das klappt nicht. Durch "ss" und "oe" ersetzen.
Ich habe das Bild mal gelöscht da deine Mobiltelefonnummer zu sehen ist. Die hat übrigens mit +49 zu beginnen. Auch Deutschland hat nicht 049 sondern +49 als Vorwahl.
_________________
-=MR.ED=-
Anfragen bitte ins Forum, nicht per PM, Mail ICQ o.ä. So haben alle was davon und alle können helfen. Entsprechende Anfragen werden ignoriert.
Für Schäden und Folgeschäden an Geräten und/oder Personen übernehme ich keine Haftung.
Die Sicherheits- sowie die VDE Vorschriften sind zu beachten, im Zweifelsfalle grundsätzlich einen Fachmann fragen bzw. die Arbeiten von einer Fachfirma ausführen lassen.
[ Diese Nachricht wurde geändert von: Mr.Ed am 11 Jan 2015 23:48 ]
|
BID = 950009
Otiffany Urgestein
     
Beiträge: 13792 Wohnort: 37081 Göttingen
|
Daß ich in Göttingen wohne weiß doch Jeder  .
Die Postleitzahl ist auch nicht gefährlich, aber die Telefonnummer habe ich übersehen!
Mr.Ed, da, kannst Du natürlich recht haben, dann werde ich es noch mal mit der "englischen" Version probieren.
Gruß
Peter
P.S.
Jetzt hat es geklappt!
[ Diese Nachricht wurde geändert von: Otiffany am 12 Jan 2015 22:27 ]
|
BID = 957780
Otiffany Urgestein
     
Beiträge: 13792 Wohnort: 37081 Göttingen
|
Und wieder ist eine LED gestorben, obwohl die Dinger doch so lange halten sollen
In meinem Strahler, der mit Bewegungsmelder den Garten ausleuchten soll, ist eine LED gestorben und das nach ca. einem halben Jahr!
Leider finde ich keinen passenden Ersatz. Ich möchte die LED auch nicht einfach überbrücken.
Gruß
Peter
|
BID = 957862
powersupply Schreibmaschine
    
Beiträge: 2920 Wohnort: Schwobaländle
|
Warum nicht?
Du kannst doch zum Ausgleich in den Zuleitungen zum Modul einige Dioden in Serie schalten.
Edit: Mache eine Brücke aus Dioden( ca 3V), denn ich denke, dass da mehrere Stränge in Serie geschaltet sind und der Mittlere aufgrund der größeren Wärme den geringsten Spannungsabfall hatte.
Edit2: Reiß da Modul mal runter und schaue ob da auch korrekt Wärmeleitpaste darunter und die Fläche Plan ist.
_________________
powersupply
Es gibt 10 Arten von Menschen. Solche die Binärtechnik verstehen und die anderen.
|
BID = 957915
Otiffany Urgestein
     
Beiträge: 13792 Wohnort: 37081 Göttingen
|
Ich habe mal versucht die defekte LED auszulöten; nun sind noch zwei weitere gestorben. Die Platte mit den LEDs ist angeklebt und nicht so einfach ohne Zerstörung zu entfernen. Da es sich aber um ein Billigteil (16,-€) handelt, werde ich keine weiteren Rettungsversuche unternehmen und den Strahler als Ersatzteilspender aufbewahren. Ein neuer Strahler ist bereits bestellt.
Gruß
Peter
|