NE555 ersten Startzyklus nach anlegen der Spannung ERHALTEN

Im Unterforum Projekte im Selbstbau - Beschreibung: Selbstbau von Elektronik und Elektro

Elektronik Forum Nicht eingeloggt       Einloggen       Registrieren




[Registrieren]      --     [FAQ]      --     [ Einen Link auf Ihrer Homepage zum Forum]      --     [ Themen kostenlos per RSS in ihre Homepage einbauen]      --     [Einloggen]

Suchen


Serverzeit: 30 12 2025  10:48:59      TV   VCR Aufnahme   TFT   CRT-Monitor   Netzteile   LED-FAQ   Oszilloskop-Schirmbilder            


Elektronik- und Elektroforum Forum Index   >>   Projekte im Selbstbau        Projekte im Selbstbau : Selbstbau von Elektronik und Elektro


Autor
NE555 ersten Startzyklus nach anlegen der Spannung ERHALTEN
Suche nach: spannung (45780)

    







BID = 888315

oelkanne

Gerade angekommen


Beiträge: 6
Wohnort: Saarlouis
 

  


Hallo Elektronikgemeinde,

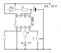
Ich versuche mit dem NE555 einen Standard Monoflop zu bauen.

Typische Schaltung:
http://www.ne555.at/timer-ic-ne555/......html (obere Schaltung)

Nun ist es für meine Anwendung ganz wichtig, dass nach Anlegen der Versorgungsspannung der erste Zyklus sofort startet.

Dies soll eigentlich ein Bug des NE555 sein, den ich aber als Feature brauche.
Leider funktioniert das nur gelegentlich (jedes 5-10 mal). Ich brauche aber eine zuverlässige Lösung.

Ich fand viele Schaltungsbeispiele, wie man den ersten Startzyklus unterdücken kann, aber keine Lösung wie man diesen zuverlässig erhalten kann.

Für eine gute Idee wäre ich wirklich sehr dankbar, da ich kurz vor dem Verzweifeln stehe.

Gruß

Oelkanne

BID = 888324

perl

Ehrenmitglied



Beiträge: 11110,1
Wohnort: Rheinbach

 

  


Zitat :
Dies soll eigentlich ein Bug des NE555 sein, den ich aber als Feature brauche.
Das ist kein Bug, sondern einfach das Resultat davon, dass der zeitbestimmende Kondensator anfangs keine Spannung hat.
Dadurch beginnt der 555 mit der Ladephase und dann ist der Ausgang eben High.
Wenn sicher ist, dass die Betriebsspannung fast vollständig verschwindet *), kannst du mit einer Diode die Entladung des Kondensators erzwingen (Kathode an Pin8, Anode an Pin6), sobald die Betriebsspannung unter die Versorgungsspannung fällt.

*) P.S.:
Wenn, wie in der Beispielschaltung, ein solcher Entladepfad für die Versorgung nicht existiert, kannst du ihn schaffen indem du z.B. 330 Ohm zwischen 1 und 8 legst.



[ Diese Nachricht wurde geändert von: perl am 24 Mai 2013 18:27 ]

BID = 888328

oelkanne

Gerade angekommen


Beiträge: 6
Wohnort: Saarlouis

Hallo Perl,

Vielen Dank für die rasche Antwort!
Ich werde es umgehend ausprobieren und Rückmeldung geben.


BID = 888348

oelkanne

Gerade angekommen


Beiträge: 6
Wohnort: Saarlouis

Hallo Perl,

Funktionier bestens!.

Vielen Dank!

BID = 888516

mario.rosenberger

Gelegenheitsposter



Beiträge: 88
Wohnort: Stralsund

Oh sowas brauche ich auch^^ Also wird im Prinzip die DIode Parallel zu dem WIderstand gelegt, der für die Aufladezeit verantwortlich ist?

BID = 888574

perl

Ehrenmitglied



Beiträge: 11110,1
Wohnort: Rheinbach

Ja.

BID = 894059

TheTruth

Gelegenheitsposter


Avatar auf
fremdem Server !
Hochladen oder
per Mail an Admin

Beiträge: 84

Hallo,

leider habe ich das Problem des Threadsteller nicht ganz verstehen können und bin mir deshalb nicht sicher, inwiefern meins mit diesem übereinstimmt, dennoch denke ich, das es hier trotzdem gut reinpassen könnte.


kleiner Hintergrund:

ich habe einen Dell Latitude E4300 Laptop, leider ist mir dessen Lüfter viel zu laut, bzw. die Lüftersteuerung ist großer murks und Softwaremäßig habe ich es nicht geschafft den Lüfter in den Griff zu bekommen.

(Bios + Treiber = neuste, Laptop komplett zerlegt + gereinigt)

Da der Laptop ohne Lüfter im Leerlauf nur 42 Grad warm wird, denke ich das er auch mit weniger Drehzahl gute Temperaturen haben wird. Auf Lebensdauer kann ich verzichten.

Die Stromversorgung (5V) nehme ich von der Festplattenversorgung, --> vielleicht weiß hier ja jemand eine bessere Stelle?

Zum Testen benutze ich aktuell 4,5V da meine beiden Labornetzteile defekt sind, ich denke dies wird keinen großen Unterschied machen.

Der 5V Lüfter wird dann mit 1,5 - 3V laufen.

Leider läuft er bei diesen Spannungen nicht an, deshalb benötigt er zuerst eine höhere, darum dachte ich an eine monostabile Kippstufe, die ihm die nötige Spannung für ein paar Sekunden liefert.


So, nun das eigentliche Problem:

Im 1. angehängten Bild ist die unveränderte monostabile Kippstufe zu sehen.

Aber ich möchte, das bei anlegen der Versorgungsspannung der Lüfter automatisch ohne Signal ein paar Sekunden läuft

Auf dem 2. ist meine abgeänderte, sodass automatisch ein paar Sekunden High am Ausgang liegt.

Das Problem: Wenn die Versorgungsspannung kurzeitig (im ms - Bereich) unterbrochen wird, kippt die Kippstufe nicht. Dies passiert aber leider, wenn der Laptop neustartet.

Kurz & knapp:

Wenn Pin 2 auf 0V gelegt wird, dann kippt die Stufe, dies soll aber automatisch einmal beim anlegen der Versorgungsspannung passieren, egal wie oft und schnell diese unterbrochen wird.
Sobald Versorgungsspannung angelegt wird, soll die LED / Lüfter 1 mal angehen und nach ein paar Sekunden wieder aus.

Ich bedanke mich bei euch für eure Hilfe !





[ Diese Nachricht wurde geändert von: TheTruth am 17 Jul 2013 21:48 ]

BID = 894064

perl

Ehrenmitglied



Beiträge: 11110,1
Wohnort: Rheinbach


Offtopic :

Zitat :
dennoch denke ich, das es hier trotzdem gut reinpassen könnte
Nein, passt nicht.
Du hast ein ganz anderes Problem.

Kopier dir den Text und eröffne damit einen eigenen Thread!


Zurück zur Seite 1 im Unterforum          Vorheriges Thema Nächstes Thema 


Zum Ersatzteileshop


Bezeichnungen von Produkten, Abbildungen und Logos , die in diesem Forum oder im Shop verwendet werden, sind Eigentum des entsprechenden Herstellers oder Besitzers. Diese dienen lediglich zur Identifikation!
Impressum       Datenschutz       Copyright © Baldur Brock Fernsehtechnik und Versand Ersatzteile in Heilbronn Deutschland       

gerechnet auf die letzten 30 Tage haben wir 17 Beiträge im Durchschnitt pro Tag       heute wurden bisher 5 Beiträge verfasst
© x sparkkelsputz        Besucher : 188006607   Heute : 2289    Gestern : 8349    Online : 194        30.12.2025    10:48
8 Besucher in den letzten 60 Sekunden        alle 7.50 Sekunden ein neuer Besucher ---- logout ----viewtopic ---- logout ----
xcvb ycvb
0.0797791481018