| Autor |
Class-D "Trafo" amp... Suche nach: trafo (15768) |
|
|
|
|
BID = 64120
st0ne Schriftsteller
    
Beiträge: 586 Wohnort: Salzburg
|
|
hi,
mir ist da mal so ne idee gekommen, weiß zwar nicht obs funktioniert, wär aber ganz interessant mal auszuprobieren...
also, ich hab mir überlegt ein schaltnetzteil zu bauen, was sozusagen gleich als class-D amp missbraucht wird... würde sowas gehen? oder bedenke ich jetzt irgendwas grundsätzliches nicht?
hätte mir überlegt die sekundärseite 2 wicklungen, also mit mittenanzapfung auf masse, die wicklungen gegengleich wicklen, das das signal invertiert ist, und dann auf den wicklungsausgang gleich statt den gleichrichterdioden ein LC glied pro ausgang, und dann an die ausgänge den lautsprecher schalten... theoretisch müsste es ja gehen oder?
es ist mir klar das das nicht umbedingt für gute audioqualität stehen kann, aber als bassverstärker könnte es genügen...
oder ist vielleicht der dämpfungsfaktor das problem? ist ja bei class-d generell nicht so gut...
naja, bin mal gespannt auf eure meinungen
gruß st0ne |
|
BID = 64128
alpha-ranger Schreibmaschine
    
Beiträge: 1517 Wohnort: Harz / Heide
|
|
Hallo,
kleiner Denkfehler. Du müßtest zwei Trafos nehmen , einen für die positive und einen für die negative Spannung zum Lautsprecher. Oder einen, und dann mit Transistoren die jeweilige Polarität wieder herstellen.
Theoretisch habe ich das vor mehr als zwanzig Jahren auch schon durchdacht. Aber leider sind Lautsprecher keine guten Mitspieler. Die Impedanzverläufe sind zu unterschiedlich.
Dann schon ein normales Schaltnetzteil um auf Spanunng zu kommen und dann einen Class D Verstärker.
Den ersten Class D Verstärker den ich in den Händen hielt, war von Sony, mitte der 70er. 19" 1 HE und zwei mal 160 Watt RMS. Gesamtwirkungsgrad von Steckdose zum Lautsprecher etwa 70 %. Na,ja , in den letzten 30 Jahren hat sich da nicht viel getan...
Aber leider arbeiten heute noch alle Verstärker nachdem selben Prinzip, Rechteck mit variablen Dutycycle. Heute im Zeitalter der DSP`s, könnte man doch auch variable Pulspakete erzeugen, die den Wirkungsgrad noch weiter erhöhen würden.
mfG.
_________________
Wie der alte Meister schon wußte: Der Fehler liegt meist zwischen Plus und Minus. :-)
Und wenn ich mir nicht mehr helfen kann, schließ ich Plus an Minus an. |
|
BID = 64133
2SJ200 Schreibmaschine
     Beiträge: 1942 Wohnort: Österreich
|
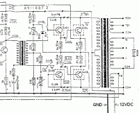
nunja, als class D hab ichs noch ned gesehn, aber hab da einen plan von einem monacor ELA amp der etwa 100W an 4,8,16Ohm bzw. 70/100V bringt, und des aus 22V unsymmetrisch (geht auch mit 12V bleiakku als notstrom des gerät nehm mal an dass die leistung dann etwas kleiner is da dann ja nur mehr ~13V zur verfügung stehen...)
is zwar eine linearendstufe ABER er arbeit so ähnlich wie du meinst, trafo an masse und zwei wicklungen um die beiden halbwellen drüber zu bringen, der lautsprecher wird dann halt eben an die "sekundärwicklung" gegeben - sind für die drei impedanzen anzapfungen bzw, eben noch die 70/100V wicklung drauf
bei interesse is im anhang die endstufe...
edit: achja, hab mich vertipt, die 12V dort unten sollten 22/12V sein für netz/batteriebetrieb, aber des is jetz sowieso egal ;)
[ Diese Nachricht wurde geändert von: 2SJ200 am 12 Apr 2004 1:18 ]
|
BID = 64221
st0ne Schriftsteller
    
Beiträge: 586 Wohnort: Salzburg
|
hmm,
warum sollte der impedanzverlauf solche probleme bereiten? zieht er halt mal mehr bzw. weniger strom...
wegen den trafos... wenn ich die 2. wicklung genau gegensinnig wickle, ist doch das ganze genau invertiert oder? somit hätt ich dann da meine negative ausgangsspannung... oder was übersehe ich da?
|
BID = 64241
2SJ200 Schreibmaschine
     Beiträge: 1942 Wohnort: Österreich
|
will ja ned lässtig sein - aber hast schon mal in die schaltung rein gschaut - damit wollt ich eigentlich zeigen dass firmen des genauso baun, diese endstufe hat eine unsymmetrische versorgung - siehst du irgendwo einen elko ? ich auch nicht, der macht sich die negative halbwelle eben genauso mit einer zweiten "primärwicklung" ...
|
BID = 64247
st0ne Schriftsteller
    
Beiträge: 586 Wohnort: Salzburg
|
äh, was hat des jetzt mit dem class-d zu tun? da brauchst ja keinen elko zur erzeugung der negativen halbwelle...
man könnte auch nur eine sekundärwicklung nehmen, einen teil der wicklung auf masse legen, am anderen LC glied hinten dran, und dann der lautsprecher gegen masse...
würd dann meiner meinung wie eine halfbridge-class-d funktionieren...
so wie ich es mir zuerst überlegt habe wäre das das selbe ausgangssignal das eine fullbridge-class-d bekommt...
falls ich keinen denkfehler drinnen hab...
|
BID = 64253
2SJ200 Schreibmaschine
     Beiträge: 1942 Wohnort: Österreich
|
also i versuch nochmal zu sagen was ich mir dabei gedacht habe und eigentlich auch versucht habe niederzuschreiben:
diese schaltung is zwar keine class D arbeitet aber nach deinem printzip mit einer linearendstufe, die eine halbwelle wird auf einer wicklung mithilfe zweier transistoren, und die andere auf der anderen wicklung mithilfe der anderen transistoren gmacht, wemnn du die transistoren jetz statt lienar mit PWM steuerst bist sozusagen stark vereinfacht ja schon dort oder ned ?
ich wollte damit auch zeigen das des mit lautsprechern etc. sicherlich kein problem darstellt da des firmen ja schon lange so machen - ob man am ausgang der endstufe an lautsprecher oder an trafo hat is ja egal oder ?
|
BID = 64255
st0ne Schriftsteller
    
Beiträge: 586 Wohnort: Salzburg
|
achso, so meinst... naja, das prinzip von dem teil ist mir eh klar... nur glaub ich ned das die schaltung so wie sie dort ist eine pwm verträgt... schon garnicht mit 250khz oder so
aber des prinzip is so in etwa das was ich gemeint hab.
nur der ausgang vom trafo sollte halt gefiltert werden... sonst brennt der lautsprecher ab 
|