Aussteuerungsanzeige mit Farbmonitor

Im Unterforum Projekte im Selbstbau - Beschreibung: Selbstbau von Elektronik und Elektro

Elektronik Forum Nicht eingeloggt       Einloggen       Registrieren




[Registrieren]      --     [FAQ]      --     [ Einen Link auf Ihrer Homepage zum Forum]      --     [ Themen kostenlos per RSS in ihre Homepage einbauen]      --     [Einloggen]

Suchen


Serverzeit: 25 12 2025  14:15:10      TV   VCR Aufnahme   TFT   CRT-Monitor   Netzteile   LED-FAQ   Oszilloskop-Schirmbilder            


Elektronik- und Elektroforum Forum Index   >>   Projekte im Selbstbau        Projekte im Selbstbau : Selbstbau von Elektronik und Elektro

Gehe zu Seite ( Vorherige Seite 1 | 2 | 3 )      


Autor
Aussteuerungsanzeige mit Farbmonitor

    







BID = 51909

Mr.Ed

Moderator



Beiträge: 36326
Wohnort: Recklinghausen
 

  


Was willst du denn mit dem Sync-Seperator? Willst du jetzt einen Fernseher bauen? Das IC dient dazu die Sync-Signale aus einem Fernsehsignal herauszuholen. Wir haben aber weder Sync-Signale und erstrecht kein Fernsehsignal.

Wir wollen Sync-Signale selber erzeugen! Praktisch aus dem nichts :-)

Das Vertikal Sync-Signal sagt dem Monitor das er jetzt gefälligst oben mit einem neuen Bild anzufangen hat, und das Horizontal Sync-Signal sagt ihm das er jetzt mit einer neuen Zeile anzufangen hat.

_________________
-=MR.ED=-

Anfragen bitte ins Forum, nicht per PM, Mail ICQ o.ä. So haben alle was davon und alle können helfen. Entsprechende Anfragen werden ignoriert.
Für Schäden und Folgeschäden an Geräten und/oder Personen übernehme ich keine Haftung.
Die Sicherheits- sowie die VDE Vorschriften sind zu beachten, im Zweifelsfalle grundsätzlich einen Fachmann fragen bzw. die Arbeiten von einer Fachfirma ausführen lassen.

BID = 51928

Morgoth

Schreibmaschine



Beiträge: 2930
Wohnort: Rockenhausen (Pfalz)

 

  

verdammt
aber dann wär zu wissen: langt da wirklich ein multivibrator, oder sollte es besser ein rechteckgenerator- ic sein wie z.b: der LTC1799
und was brauch ich zum runterteilen? nen zähler oder sowas?

BID = 51941

Mr.Ed

Moderator



Beiträge: 36326
Wohnort: Recklinghausen

Sollte schon ein Rechteckgenerator sein, der Rest der Schaltung möchte ja auch Rechtecke haben. Der LTC1799 würde gehen, ein NE555 oder ein simpler RC-Generator aus Logikbausteinen erfüllt seinen Zweck auch.
Das runterteilern macht man mit Zählern.
Wichtig ist noch, das die Syncsignale natürlich nicht beliebig lang ein dürfen sondern kurze Impulse definierter Länge sind. Das macht man mit Monoflops.
Ich hab dir die Schaltung von dem Tester gemailt, da ist einiges zu erkennen und zu lernen.



_________________
-=MR.ED=-

Für Schäden und Folgeschäden an Geräten und/oder Personen übernehme ich keine Haftung.
Die Sicherheits- sowie die VDE Vorschriften sind zu beachten, im Zweifelsfalle grundsätzlich einen Fachmann fragen!

[ Diese Nachricht wurde geändert von: Mr.Ed am 29 Jan 2004 21:33 ]

BID = 51994

Morgoth

Schreibmaschine



Beiträge: 2930
Wohnort: Rockenhausen (Pfalz)

angenommen ich nehme einen 555, dann aber besser die cmos version oder? wenn ich den 555 nahme kann ich doch theoretisch auch gleich 2 nehmen und die sync frequenzen separat erzeugen, die müssen ja zueinander garnet synchronisiert sein, da die ursprüngliche horizontalfrequenz ja eh rausfliegt

dann: wie krieg ich den zählerabgriff für die farbe auf 0,7V einfach poti dazwischen oder per transistor?
wäre es möglich mir mit den bisher vereinbarten bauteilen (4017, 4066, 7555) und den anderen noch benötigten bauteilen nen groben schaltplan zu machen, wenn wir davon ausgehen, dass die betribsspannung 12V sind
ich hab zwar jetzt von allen bauteilen die datenblätter, aber irgenwie bin ich mir bei manchen sachen nicht ganz sicher wie sie anzuschliessen sind

[ Diese Nachricht wurde geändert von: Morgoth am 30 Jan 2004 12:27 ]

BID = 52107

Mr.Ed

Moderator



Beiträge: 36326
Wohnort: Recklinghausen

Die beiden Synchronsignale sollten schon miteinander synchron sein.
Wie du das Signal für die einzelnen Farben hinbekommst ist doch in der Schaltung die ich dir geschickt habe zu erkennen.
Ich hänge das Schaltbild von dem Elektor Monitortester hier einfach mal an falls jemand interesse hat.




_________________
-=MR.ED=-

Anfragen bitte ins Forum, nicht per PM, Mail ICQ o.ä. So haben alle was davon und alle können helfen. Entsprechende Anfragen werden ignoriert.
Für Schäden und Folgeschäden an Geräten und/oder Personen übernehme ich keine Haftung.
Die Sicherheits- sowie die VDE Vorschriften sind zu beachten, im Zweifelsfalle grundsätzlich einen Fachmann fragen bzw. die Arbeiten von einer Fachfirma ausführen lassen.

BID = 52108

Morgoth

Schreibmaschine



Beiträge: 2930
Wohnort: Rockenhausen (Pfalz)

das problem ist dass diese schaltung ja auch komponnten hat dei ich nicht brauche und ich aber nicht weiss welche es sind

BID = 52112

Mr.Ed

Moderator



Beiträge: 36326
Wohnort: Recklinghausen

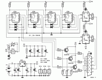
Die Komponenten brauchst du schon, da kommen sogar noch welche bei.

3 Verbindungen sind an der falschen Stelle, Zähler, Analogschalter und ein paar Leitungen fehlen noch.
Den RC-Generator baruchst du, der macht dir deine Horizontalfrequenz, die Zähler brauchst du auch, die teilen dir alles auf deine Vertikalfrequenz runter. Die beiden Monoflops brauchst du auch, die erzeugen dir die eigentlichen Synchronimpulse. Die drei Transistoren unten sind die Treiber für die RGB-Leitungen.

Wenn ich dazu komme zeichne ich mal ein Schaltbild.
Das ganze ist sowieso nur ein Vorschlag, es wäre auch möglich das ganze mit einem Microcontroller zu lösen, es geht aber eben auch ohne.

_________________
-=MR.ED=-

Für Schäden und Folgeschäden an Geräten und/oder Personen übernehme ich keine Haftung.
Die Sicherheits- sowie die VDE Vorschriften sind zu beachten, im Zweifelsfalle grundsätzlich einen Fachmann fragen!

[ Diese Nachricht wurde geändert von: Mr.Ed am 30 Jan 2004 22:16 ]

BID = 52120

Morgoth

Schreibmaschine



Beiträge: 2930
Wohnort: Rockenhausen (Pfalz)


Zitat :
es wäre auch möglich das ganze mit einem Microcontroller zu lösen, es geht aber eben auch ohne.

was ich ja eigentlich auch vorhatte, aber das wollte ja niemand unterstützen bzw programmieren

BID = 52503

Morgoth

Schreibmaschine



Beiträge: 2930
Wohnort: Rockenhausen (Pfalz)

kann mir eigentlich jemand sagen, wo ich die negative spannung herkriege , die ich scheinbar für den analogschalter brauche?? also ich mein jetzt im monitor

BID = 52508

Mr.Ed

Moderator



Beiträge: 36326
Wohnort: Recklinghausen

Eine negative Betriebsspannung dürfte für die Vertikalendstufe vorhanden sein.

_________________
-=MR.ED=-

Anfragen bitte ins Forum, nicht per PM, Mail ICQ o.ä. So haben alle was davon und alle können helfen. Entsprechende Anfragen werden ignoriert.
Für Schäden und Folgeschäden an Geräten und/oder Personen übernehme ich keine Haftung.
Die Sicherheits- sowie die VDE Vorschriften sind zu beachten, im Zweifelsfalle grundsätzlich einen Fachmann fragen bzw. die Arbeiten von einer Fachfirma ausführen lassen.

BID = 52519

Morgoth

Schreibmaschine



Beiträge: 2930
Wohnort: Rockenhausen (Pfalz)

danke!

BID = 53086

Morgoth

Schreibmaschine



Beiträge: 2930
Wohnort: Rockenhausen (Pfalz)

*kurz anfrag wie es um meinen schaltplan steht*

BID = 53125

Mr.Ed

Moderator



Beiträge: 36326
Wohnort: Recklinghausen

Jajajajajajaja.... Alter Mann ist ja kein D-Zug :-)

Hab das ganze mal eben zusammenkopiert. Das Schaltbild ist nicht vollständig. Die Stromversorgung für den Analogschalter fehlt. Das ganze soll also praktisch nur als "Denkanregung" dienen.




_________________
-=MR.ED=-

Anfragen bitte ins Forum, nicht per PM, Mail ICQ o.ä. So haben alle was davon und alle können helfen. Entsprechende Anfragen werden ignoriert.
Für Schäden und Folgeschäden an Geräten und/oder Personen übernehme ich keine Haftung.
Die Sicherheits- sowie die VDE Vorschriften sind zu beachten, im Zweifelsfalle grundsätzlich einen Fachmann fragen bzw. die Arbeiten von einer Fachfirma ausführen lassen.

BID = 53162

Morgoth

Schreibmaschine



Beiträge: 2930
Wohnort: Rockenhausen (Pfalz)

dankeschön!
ich wollte ja nicht hetzen, wollte mich nur vergewissern, dass mein projekt nicht in vergessenheit gerät


Vorherige Seite      
Gehe zu Seite ( Vorherige Seite 1 | 2 | 3 )
Zurück zur Seite 1 im Unterforum          Vorheriges Thema Nächstes Thema 


Zum Ersatzteileshop


Bezeichnungen von Produkten, Abbildungen und Logos , die in diesem Forum oder im Shop verwendet werden, sind Eigentum des entsprechenden Herstellers oder Besitzers. Diese dienen lediglich zur Identifikation!
Impressum       Datenschutz       Copyright © Baldur Brock Fernsehtechnik und Versand Ersatzteile in Heilbronn Deutschland       

gerechnet auf die letzten 30 Tage haben wir 18 Beiträge im Durchschnitt pro Tag       heute wurden bisher 7 Beiträge verfasst
© x sparkkelsputz        Besucher : 187933564   Heute : 10667    Gestern : 17227    Online : 257        25.12.2025    14:15
13 Besucher in den letzten 60 Sekunden        alle 4.62 Sekunden ein neuer Besucher ---- logout ----viewtopic ---- logout ----
xcvb ycvb
0.040577173233