I D I O T I S C H E S C H A L T U N G E N

Im Unterforum Projekte im Selbstbau - Beschreibung: Selbstbau von Elektronik und Elektro

Elektronik Forum Nicht eingeloggt       Einloggen       Registrieren




[Registrieren]      --     [FAQ]      --     [ Einen Link auf Ihrer Homepage zum Forum]      --     [ Themen kostenlos per RSS in ihre Homepage einbauen]      --     [Einloggen]

Suchen


Serverzeit: 28 12 2025  05:37:05      TV   VCR Aufnahme   TFT   CRT-Monitor   Netzteile   LED-FAQ   Oszilloskop-Schirmbilder            


Elektronik- und Elektroforum Forum Index   >>   Projekte im Selbstbau        Projekte im Selbstbau : Selbstbau von Elektronik und Elektro


Autor
I D I O T I S C H E S C H A L T U N G E N

    







BID = 48304

Houwdy

Stammposter



Beiträge: 408
Wohnort: Graz
Zur Homepage von Houwdy ICQ Status  
 

  


hab heute wider mal so nen ganz primitiven dimmer aufgebaut

hab mir di schaltung so ganz überschlagsmäsig durchgesehn und gedacht das das schon funzen wird!

nichts! die ladezeit für den kondensator zu schnell und kein Phasenanschnitt mehr!



wiso gibt es eigentlich im Inet keine guten schaltungen welche auch funzen!!!!

jetzt kann ich mir die zeiten ladezeit wider selbst ausrechnen!!


für was lade ich mir eigentlich nen schaltplan runter wenn die Sch.... fehler hat!


BID = 48316

Mufti

Schriftsteller



Beiträge: 514
Wohnort: Bad Neustadt
Zur Homepage von Mufti ICQ Status  

nciht verzagen, mufti fragen:
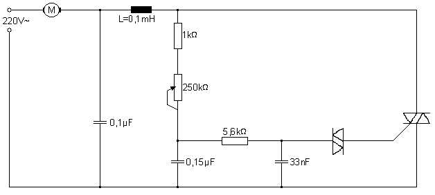
die schaltung hab ich schon 2nmal gebaut und die funzt....

Hochgeladenes Bild : Phasenanschnittsteuerung2.jpg

BID = 48325

Houwdy

Stammposter



Beiträge: 408
Wohnort: Graz
Zur Homepage von Houwdy ICQ Status  

danke kolege!!!

wird heute gleich aufgebaut

BID = 48384

Henne02

Stammposter

Beiträge: 493
Wohnort: Aachen
Zur Homepage von Henne02

Wo stammt die kaputte schaltung denn her??

(Als Warnung vor ungetesteten Plänen...)

Grüße, Hendrik

BID = 48399

chilla

Schreibmaschine



Beiträge: 1403
Wohnort: von hier zwei mal rechts und dann zwei mal links

Naja, bevor ich eine Schaltung aus dem wilden, weitem Net nehm, werf ich erstmal einen Blick in meine alten Zeitschriften und schau mir die Bauanleitungen von rennomierten Bausatzhersteller an, ob da was erprobtes dabei ist.

da gibt es wohl am wenigsten probleme.


mfg CHillA

BID = 48406

Houwdy

Stammposter



Beiträge: 408
Wohnort: Graz
Zur Homepage von Houwdy ICQ Status  

weis nicht mehr woher ich das scheiss ding hab!!!

hab sie mir nämlich schnell rausgezeichnet (auf papier) damit ich sie mir aufbaun kann!!

hab sie noch mal abgezeichnet!!

jetzt hat mir der Elektronikverkäufer n falsches poti gegeben

und ich idiot kontrollier die bauteile nicht nach

Hochgeladenes Bild : w2.JPG


Zurück zur Seite 1 im Unterforum          Vorheriges Thema Nächstes Thema 


Zum Ersatzteileshop


Bezeichnungen von Produkten, Abbildungen und Logos , die in diesem Forum oder im Shop verwendet werden, sind Eigentum des entsprechenden Herstellers oder Besitzers. Diese dienen lediglich zur Identifikation!
Impressum       Datenschutz       Copyright © Baldur Brock Fernsehtechnik und Versand Ersatzteile in Heilbronn Deutschland       

gerechnet auf die letzten 30 Tage haben wir 17 Beiträge im Durchschnitt pro Tag       heute wurden bisher 1 Beiträge verfasst
© x sparkkelsputz        Besucher : 187983671   Heute : 2878    Gestern : 11123    Online : 181        28.12.2025    5:37
7 Besucher in den letzten 60 Sekunden        alle 8.57 Sekunden ein neuer Besucher ---- logout ----viewtopic ---- logout ----
xcvb ycvb
0.0686500072479