Dimmer + 12V-Anlage

Im Unterforum Projekte im Selbstbau - Beschreibung: Selbstbau von Elektronik und Elektro

Elektronik Forum Nicht eingeloggt       Einloggen       Registrieren




[Registrieren]      --     [FAQ]      --     [ Einen Link auf Ihrer Homepage zum Forum]      --     [ Themen kostenlos per RSS in ihre Homepage einbauen]      --     [Einloggen]

Suchen


Serverzeit: 20 10 2025  08:44:33      TV   VCR Aufnahme   TFT   CRT-Monitor   Netzteile   LED-FAQ   Oszilloskop-Schirmbilder            


Elektronik- und Elektroforum Forum Index   >>   Projekte im Selbstbau        Projekte im Selbstbau : Selbstbau von Elektronik und Elektro


Autor
Dimmer + 12V-Anlage
Suche nach: dimmer (2671)

    







BID = 667247

Stef_85

Gerade angekommen


Beiträge: 2
 

  


Hallo =)

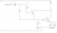
Ich habe mich mal an ner Schaltung versucht, bin aber nicht sicher, ob sie zum einen so richtig und welche Widerstände ich benötige.
Die Anlage soll eine Auffindbeleuchtung in meinem Auto ergeben.

Erhofte Funktionsweise:
_________________________


Wenn über die Zentralverriegelung Spannung (12V +) an der Diode anliegt, wird der NPN leitend, da die Basis an Spannung liegt und schaltet Dauerplus durch. Parallel wird der Kondensator aufgeladen.
Wenn kein Signal mehr anliegt, entlädt sich der Kondensator über den Widerstand und der NPN bleibt leitend, bis die Kapazität sich entladen hat.
Abhängig von der Helligkeit soll der Fototransistor bzw. die Diode gegen Masse durchschalten und das Aufleuchten der Leuchtmittel 12V 60W verhindern.
Wenn es dunkel genug ist, soll der 2N3055 durchschalten und die Leuchtmittel bestomen, bzw. mit Spannung versorgen.

Ich meine der erste NPN ist notwendig, dass ich das System ausdimmen kann!?

Widerstände:
____________


-> Um den NPN BC 337-40 zu schützen, brauche ich einen Widerstand, der 12V-0,7V= 11,3V verbraucht.. also R= U/I... R3=11,3V/0,02A= 565 Ohm

-> Das gleiche bei der Diode und bei dem 2 N 3055??? R1/2= 565 Ohm


Hoffe mir kann da wer weiterhelfen =) Freue mich auf eure Unterstützung!!

Viele Grüße, Stef



BID = 667249

der mit den kurzen Armen

Urgestein



Beiträge: 17437

 

  

-3-
-2-
-1-
und zu Forenregeln

BID = 667253

perl

Ehrenmitglied



Beiträge: 11110,1
Wohnort: Rheinbach

Gähn!
Mr. Ed hat nen Textbaustein dafür.

BID = 667256

Stef_85

Gerade angekommen


Beiträge: 2

ich habs ja verstanden, ja keine kfz geschichten..

aber wäre das am denken her der richtige ansatz?

Gruß Stef

BID = 667261

dl2jas

Inventar



Beiträge: 9913
Wohnort: Kreis Siegburg
Zur Homepage von dl2jas

Leider sieht man beim 2N3055 nicht, wie hell dann das Silizium im Gehäuse leuchtet.

DL2JAS

_________________
mir haben lehrer den unterschied zwischen groß und kleinschreibung und die bedeutung der interpunktion zb punkt und komma beigebracht die das lesen eines textes gerade wenn er komplizierter ist und mehrere verschachtelungen enthält wesentlich erleichtert

BID = 667264

Mr.Ed

Moderator



Beiträge: 36322
Wohnort: Recklinghausen

Nein, der Ansatz ist falsch.

Und hier dann noch der von perl erwähnte Textbaustein:


Herzlich willkommen im Forum. Du hast beim anmelden einige Regeln gelesen und akzeptiert. Auf einige dieser Regeln wird auch nochmal im Eingabefenster hingewiesen.

Was ist also an dem groß, fett und rot geschriebenen Hinweis:

Keine Anfragen zu KFZ- und Hochspannungsbasteleien
Siehe Forenregeln


der über dem Eingabefenster steht, nicht zu verstehen?

Derartige Basteleien sind hier unerwünscht!





_________________
-=MR.ED=-

Anfragen bitte ins Forum, nicht per PM, Mail ICQ o.ä. So haben alle was davon und alle können helfen. Entsprechende Anfragen werden ignoriert.
Für Schäden und Folgeschäden an Geräten und/oder Personen übernehme ich keine Haftung.
Die Sicherheits- sowie die VDE Vorschriften sind zu beachten, im Zweifelsfalle grundsätzlich einen Fachmann fragen bzw. die Arbeiten von einer Fachfirma ausführen lassen.


Zurück zur Seite 1 im Unterforum          Vorheriges Thema Nächstes Thema 


Zum Ersatzteileshop


Bezeichnungen von Produkten, Abbildungen und Logos , die in diesem Forum oder im Shop verwendet werden, sind Eigentum des entsprechenden Herstellers oder Besitzers. Diese dienen lediglich zur Identifikation!
Impressum       Datenschutz       Copyright © Baldur Brock Fernsehtechnik und Versand Ersatzteile in Heilbronn Deutschland       

gerechnet auf die letzten 30 Tage haben wir 13 Beiträge im Durchschnitt pro Tag       heute wurden bisher 0 Beiträge verfasst
© x sparkkelsputz        Besucher : 185890730   Heute : 7684    Gestern : 24670    Online : 369        20.10.2025    8:44
4 Besucher in den letzten 60 Sekunden        alle 15.00 Sekunden ein neuer Besucher ---- logout ----viewtopic ---- logout ----
xcvb ycvb
0.0810439586639