| Autor |
Schaltung mit NE555 Suche nach: schaltung (31749) |
|
|
|
|
BID = 659707
felix0503 Gerade angekommen
Beiträge: 3 Wohnort: bremen
|
|
Hallo,
es geht um folgendes:
Ich habe ein schulisches Projekt am laufen, bei dem ich eine Rechteckspannung mit der Ausgangsspannung von 0-88V und der -leistung von 0-96mA erreichen muss.
Als Spannungsquelle steht mit ein 9V-Block aus 6x1,5V Mignonzellen zur Verfügung.
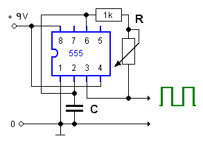
Um die Rechteckspannung zu erreichen, habe ich folgende Schaltung (Anhang benutzt).
Allerdings kann ich damit nicht meine Zielspannung und -leistung erreichen.
Meine Frage ist:
Wie muss man die Schaltung verändern, um das Ziel zu erreichen? Ich hoffe, dass irgendwer es lösen kann. Danke! |
|
BID = 659708
ElektroNicki Inventar
     
Beiträge: 6424 Wohnort: Ugobangowangohousen
|
|
Wofür brauchst du bitteschön 88V?
(Nicht nur) bei nassen Fingern kann das ziemlich weh tun!
Die Leistung misst man übrigens in Watt, Ampere ist für den Strom zuständig...
_________________
[ Diese Nachricht wurde geändert von: ElektroNicki am 3 Jan 2010 15:27 ] |
|
BID = 659709
felix0503 Gerade angekommen
Beiträge: 3 Wohnort: bremen
|
Es soll nicht wehtun, sondern deine Muskeln kontrahieren lassen ^^, darum geht es in meinem Projekt. Und bei richtiger Plazierung der Elektroden passiert das auch, bisher passiert allerdings gar nichts, da die werte nicht stimmen und deshalb mein hilferuf hier
|
BID = 659710
ElektroNicki Inventar
     
Beiträge: 6424 Wohnort: Ugobangowangohousen
|
Ich kann bei mir Muskelkontraktion mit Gedankenkraft bewirken.
Du bei dir auch?
Inhalte ausgeblendet durch DonComi  
Forenregeln
Edit Don:
Groben Unfug entfernt.
Nimms mir nicht übel, aber das kann gewaltig daneben gehen.
Gruß D.
_________________
[ Diese Nachricht wurde geändert von: DonComi am 3 Jan 2010 17:17 ]
|
BID = 659712
felix0503 Gerade angekommen
Beiträge: 3 Wohnort: bremen
|
für alle, die vllt konstruktive Vorschhläge zur lösung hätten also habe ich mal meine unterlagen mit den Vorraussetzungen hinzugefügt.
@ElektroNicki: Klar geht das auch mit Gedankenkraft, aber ich hab mir halt dieses projekt ausgesucht und hab auch vor es zu beenden
|
BID = 659717
Mr.Ed Moderator
      
Beiträge: 36328 Wohnort: Recklinghausen
|
Mit deiner Schaltung kannst du weder die Signalform erreichen noch die entsprechende Spannung und auch nicht sicherstellen das die Werte nicht überschritten werden.
So ein TENS Gerät unterliegt dem MPG.
Daher wird es hier aus Haftungsgründen keine Hilfe geben.
Im Falle eines Unfalles mit dem Selbstbaugerät, das ja immerhin am Menschlichen Körper eingesetzt wird, wäre der Forenbetreiber haftbar.
_________________
-=MR.ED=-
Anfragen bitte ins Forum, nicht per PM, Mail ICQ o.ä. So haben alle was davon und alle können helfen. Entsprechende Anfragen werden ignoriert.
Für Schäden und Folgeschäden an Geräten und/oder Personen übernehme ich keine Haftung.
Die Sicherheits- sowie die VDE Vorschriften sind zu beachten, im Zweifelsfalle grundsätzlich einen Fachmann fragen bzw. die Arbeiten von einer Fachfirma ausführen lassen.
|
BID = 659735
DonComi Inventar
     
Beiträge: 8604 Wohnort: Amerika
|
Und @Nicki:
Zitat :
|
Was klappen könnte, wäre ein *** ohne Kondensator aber mit Widerstand
|
Überlege dir bitte vorher ganz gründlich, was du für Tipps gibst, denn dieser ist einfach völlig fehl am Platze und kann enorm gefährlich werden!
_________________
|