Problem bei LED Schaltung mit astable timerfunktion Im Unterforum Projekte im Selbstbau - Beschreibung: Selbstbau von Elektronik und Elektro
| Autor |
Problem bei LED Schaltung mit astable timerfunktion Suche nach: led (32778) schaltung (31744) |
|
|
|
|
BID = 552372
rocksteady Gerade angekommen
Beiträge: 3 Wohnort: schweiz
|
|
Da dies mein erster Beitrag ist, möchte ich zuerst einmal allen ein Hallo senden
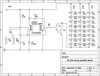
Ich möchte eine getaktete IR-led-lichtquelle zusammenbauen. Nach nun mittlerweilen doch sehr langem googlen, grundlageneinarbeitung, elektronik-knowhow einlesen, schaltplan entwerfen (versuchen), rechnen etc... komm ich irgendwie einfach nicht weiter mit der genauen Werteermittlung der einzelnen Komponenten (bzw. falls es nicht optimal aufgebaut sein sollte, mit dem Design). Auch meine Versuche mit einem Spiceprogramm haben leider nicht gefruchtet (insbesondere wollte das spicemodell des Tlc555 nicht so richtig)...mangels Verfügbarkeit oder fehlendem Knowhow gewisser Bauteilparameter. Dabei wäre die Schaltung für elektroniker wohl eher sehr simpel...
Daher wäre es sehr toll, wenn die Community mich bei meinen Wissenslücken etwas unterstützen könnte. (Mein Bauplansversuch siehe Anhang).
----------------------------------------
Geplant ist ein IR-LED-Flasher bestehend aus einem 555 CMOS Timer und 24 Vishay Tsal6100 940nm IR-Leds an 12V Batteriequelle (4x energizer lithium 3v 1300ma model 123). (Eventuell muss ich das auf 21 LED reduzieren, wegen gewissen Unsicherheiten bei den Voltage Drops)...
Der TLC555 von Texas Instrument kenne die Meisten wohl warhscheinlich:
http://focus.ti.com/lit/ds/symlink/tlc555.pdf
Die LEDs sind hier noch genauer beschrieben:
http://www.vishay.com/docs/81009/tsal6100.pdf
Beim Timer möchte ich zwei Taktfrequenzen umschalten können: dargestellt durch die rote Markierung im Plan R5 und R7, welches durch ein Schiebeschalter (zB. 2xUM 6pin : conrad nr 708178 http://www1.ch2.conrad.com/scripts/wgat ... AREA_17385 ) symbolisiert wird.
Die eine Frequenz wird 10Hz betragen (R4: 8.2Kohm, R5: 68Kohm, C2: 1uF; LED Dutycicle: 52.84, Puls-on: 0.0528s); die zweite Frequenz ist noch durch mich zu bestimmen.
Der IR-Array soll falls es V supply erlaubt, aus 24 tsal6100 Highpower IR Leds bestehen (forward Current: 1.35V, IF: 100mA, 135 mW radiant intensity bei 20ms; erweiterte Daten siehe Link, ev. Imax noch relevant). 3 parallele Stränge à 8 LED in Serie (Load Current Array: 300mA, Power Dissipation by Array: 3600 mW, Widerstände R1,R2,R3: je 12ohm [1/4W] - mit 12 V supply gerechnet, falls dies so richtig wäre)
Falls durch den Voltage Drop beim 555 Cmos Timer und dem Transistor (bzw. voraussichtlich den 2 Transistoren - wegen der Verstärkung von I load) nicht genug V übrig bleibt dieselbe Konfiguration mit 7 LEDs ((Load Current Array: 300mA, Power Dissipation by Array: 3003 mW, Widerstände R1,R2,R3: je 5.6ohm [1/4W] - mit 10 Vsupply gerechnet, angenomme 2V voltage Dropdown, falls dies so richtig wäre)
Aber schon da bin ich mir nicht sicher, ob ich nun mit V supply ohne dropdown rechne oder die dropdowns in ungewisser höhe vor dem rechnen bereits abziehen sollte.
Schlussendlich ist da noch das Problem mit dem Transistor, reicht für 300mA einer oder besser ne Darlington Schaltung aus zwei unterschiedlichen. Darf der Sättigen oder nur Verstärken und welche Werte müsste ich einhalten. Aus dem 555 kommen ja nur max 10mA raus (rechnet man da für den Transistor für die Belastungswerte mit 10mA oder dem was wirklich messbar aus dem 555 rauskäme? Auf der ELKO Homepage habe ich zu den Sicherheitsmargen eine Formel gesehen, dennoch komme ich bezüglich der Bauteilwahl bzw. den wünschenswerten Werten für die Schaltung nicht weiter.
(C3 im Plan wäre des Weiteren noch als Decoupling des 555 vom Batteriekreis gedacht. Ob und wie es beim LED Array auch noch einen bräuchte, konnte ich nicht in Erfahrung bringen.)
Soweit meine Recherchen in der Hoffnung, dass auf dem Plan nichts Essentielles fehlt...
----------------------------------------------
Wie Ihr seht, bestehen die Unsicherheiten neben konzeptionellen Schwierigkeiten vor allem in der Einberechnung der Voltage Drops (sowie der ev. zusätzlichen Auswirkungen der wohl varierenden Voltwerte in den Batterien [scheint wohl mehr 2.5 als 3v über die ganze Lebensdauer zu sein, wobei ich ja nicht vorhabe 1A zu ziehen, aber andere Werte fand ich nicht)?
Für Eure hochgeschätzte Hilfe danke ich Euch schon im Voraus
Mfg MD |
|
BID = 552377
perl Ehrenmitglied
       
Beiträge: 11110,1 Wohnort: Rheinbach
|
|
Zitat :
| | Aus dem 555 kommen ja nur max 10mA raus | Dann nimm doch den normalen bipolaren NE555. Der schafft mit Anstand über 100mA, mehr als 200mA sind nicht erlaubt.
Ansonsten bieten sich MOSFETs als Treibertransistoren an.
Darlingtons könnten auch funktionieren, aber sie haben eine relativ niedrige Grenzfrequenz und einen höheren Spannungsabfall, daher weniger zu empfehlen, wenn Energie knapp ist.
Du solltest auf jeden Fall auch überprüfen, was deine Batterie bei derartig hohen Stromimpulsen macht.
Es ist auch kein Fehler die Versorgung des Oszillators von der Endstufe zu entkoppeln, damit seine Betriebsspannung während der Impulse nicht schwankt.
_________________
Haftungsausschluß:
Bei obigem Beitrag handelt es sich um meine private Meinung.
Rechtsansprüche dürfen aus deren Anwendung nicht abgeleitet werden.
Besonders VDE0100; VDE0550/0551; VDE0700; VDE0711; VDE0860 beachten ! |
|
BID = 552610
rocksteady Gerade angekommen
Beiträge: 3 Wohnort: schweiz
|
Besten Dank Perl für Deine prompte Antwort und für deine Infos.
Wie Du wahscheinlich gemerkt hast, bin ich auf dem Gebiet der Elektrotechnik zwar interessiert, aber dennoch ein rechter Laie. Verglichen mit Euch Profis sowieso.
Deshalb muss ich schauen, ob ich Deine Infos verarbeiten kann oder noch zu viele Wissenlücken bestehen. Ich werd aber morgen versuchen, Deine Tipps nachzulesen und hoffentlich mit meinem Kenntnisstand was draus machen zu können.
Bezüglich Mosfets habe ich mich deshalb nun eingelesen. Mit der Auswahl oder Ausrechenbarkeit der nötigen Bauteile (damit dann auch wirklich möglichst wennig volts verlorengehen und auch 300 ma last rauskommt und das Ganze mit den Milliampere die der 555 Cmos hergibt. unter beachtung aller notwendigen sicherheitstoleranzen) habe ich aber noch grosse Schwierigkeiten. Irgendwie verstehe ich die Formel noch nicht so ganz oder nehme die Falschen.
Den bipoleren 555 habe ich aus dem Projekt verworfen, weil gemäss meiner Rechercheren eben nur 200ma rauskommen sollen, wobei ca. 170 nutzbar sein sollen. Das reicht irgendwie nicht. Zudem soll diese IC Version ja auch viel einen höheren Volt drop haben und mehr strom brauchen. Dies waren meine Überlegungen zu dem.
Bezüglich der Batterien: sind Deine besorgen in Richtung zu schnelle Entladung bzw. allenfalls zuwenig nutzbarem Strom oder mehr in Richtung Erhitzung bzw. "Explodieren"?
mfg md.
|
|
Zum Ersatzteileshop
Bezeichnungen von Produkten, Abbildungen und Logos , die in diesem Forum oder im Shop verwendet werden, sind Eigentum des entsprechenden Herstellers oder Besitzers. Diese dienen lediglich zur Identifikation!
Impressum
Datenschutz
Copyright © Baldur Brock Fernsehtechnik und Versand Ersatzteile in Heilbronn Deutschland
gerechnet auf die letzten 30 Tage haben wir 17 Beiträge im Durchschnitt pro Tag heute wurden bisher 9 Beiträge verfasst © x sparkkelsputz Besucher : 187977690 Heute : 8002 Gestern : 28182 Online : 258 27.12.2025 18:30 9 Besucher in den letzten 60 Sekunden alle 6.67 Sekunden ein neuer Besucher ---- logout ----viewtopic ---- logout ----
|
xcvb
ycvb
0.109014034271
|