| Autor |
Frequenz von NE555 Rechteckgenerator mit Induktivität ändern Suche nach: frequenz (6288) induktivität (1827) |
|
|
|
|
BID = 524978
KimmeSantana Gelegenheitsposter
 
Beiträge: 61
|
|
Hallo,
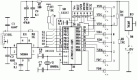
ich bin auf der Suche nach einer Schaltung, mit der ich die Frequenz eines Rechteckgenerators der auf Basis eines NE555 aufgebaut ist, mit Hilfe einer Induktivität ändern kann. Das ganze soll wie so eine Art Metalldetektor funktionieren. Sobald sich ein Stück Metall in der Nähe der Spule befindet, soll sich die Frequenz des Rechtecksignals verändern. Die Grundfrequenz liegt bei 100 kHz. Das heißt, dass eine Änderung um wenige kHz ausreicht um ein messbares Ergebnis zu bekommen.
Der Rechteckgenerator ist so aufgebaut:
|
|
BID = 525008
GeorgS Inventar
     
Beiträge: 6440
|
|
Hallo KimmeSantana,
du machst da einige Vorgaben, die dem Fachmann,
ahem, etwas "unmotiviert" scheinen.
Ich würde dir empfehlen, einfach mal zu
erklären, was du damit machen willst.
Dann fällt hier bestimmt jemand ein wie man das angeht.
Georg |
|
BID = 525060
KimmeSantana Gelegenheitsposter
 
Beiträge: 61
|
Hallo,
also im Prinzip wird das ganze, wenn es fertig ist, ein Metalldetektor. Ich habe zwei Rechteckgeneratoren, die mir eine Frequenz von 100 kHz erzeugen. Diese werden über ein D-FlipFlop zusammengeführt und auf Schwebungsnull eingestellt. Sobald jetzt ein Stück Metall in die Nähe der Suchspule kommt (60Wdg 16cm Durchmesser 1cm Länge 0,4 CuL) soll sich die Frequenz des 2. Rechteckgenerators so verändern, dass ein hörbarer Ton aus dem FlipFlop kommt. Ich hab die Oszillatoren bis jetzt mit je einem 4011 CMOS Schaltkreis aufgebaut. Der eine hat einen festen LC Schwingkreis und der andere (der mit der Suchspule) hat einen abstimmbaren LC Schwingkreis. Leider lässt die Frequenzstabilität bei der Schaltung sehr zu wünschen übrig, sodass ich bereits einen Quarz-gesteuerten Oszillator mit nem 74HC00 als festen Rechteckgenerator gebaut habe. Leider brachte auch dies nur wenig Erfolg. Jetzt habe ich den festen Rechteckgenerator gegen den auf dem Bild ausgetauscht. Und das brachte ein ziemlich gutes aber nicht perfektes Ergebnis. Deshalb möchte ich jetzt auch den 2. abstimmbaren Rechteckgenerator gegen einen mit nem NE555 austauschen, weis halt nur nicht, wie ich die Suchspule daran anschließen soll, sodass sich mit dieser Spule die Frequenz ändern lässt.
Das ganze ist natürlich HF Dicht in 2 verschiedene Gehäuse eingebaut, sodass die Oszillatoren sich nicht gegenseitig beinflussen können.
Ich hoffe mir kann jemand helfen eine Lösung für das Problem zu finden. Ich gehe mal davon aus, dass das gar nicht so schwer ist. Aber ich hab im gesamten Netz nix gefunden, wo eine Spule zur Festlegung der Frequenz an einem NE555 genutzt wird.
|
BID = 525071
Otiffany Urgestein
     
Beiträge: 13779 Wohnort: 37081 Göttingen
|
|
BID = 525073
KimmeSantana Gelegenheitsposter
 
Beiträge: 61
|
Naja, aber mit dem NE555 habe ich bis jetzt die besten Ergebnisse bekommen. Klar gibt es sicher noch bessere möglichkeiten aber ich wollte eigentlich gerade wegen der Einfachheit dabei bleiben.
|
BID = 525095
Ltof Inventar
     
Beiträge: 9386 Wohnort: Hommingberg
|
Der einstellbare Widerstand wird durch einen niederohmigen (~100 Ohm) und die Spule in Reihe getauscht. Lt. Simulation funktioniert das und schwingt hübsch mit der Resonanzfrequenz. Je nach Wertepaarung können da Amplituden entstehen, die die Versorgung überschreiten. Der NE555 wird das u.U. nicht mögen. Da müssen gegebenenfalls Schutzmaßnahmen getroffen werden. Z.B. Klammerdioden für "TRIG" und "OUT".
Gruß,
Ltof
_________________
„Schreibe nichts der Böswilligkeit zu, was durch Dummheit hinreichend erklärbar ist.“
(Hanlon’s Razor)
|
BID = 525097
Ltof Inventar
     
Beiträge: 9386 Wohnort: Hommingberg
|
Zitat :
Ltof hat am 31 Mai 2008 07:15 geschrieben :
|
Der einstellbare Widerstand ...
|
Damit sind natürlich beide Widerstände zwischen Pin 3 und 6 gemeint.
_________________
„Schreibe nichts der Böswilligkeit zu, was durch Dummheit hinreichend erklärbar ist.“
(Hanlon’s Razor)
|
BID = 525104
KimmeSantana Gelegenheitsposter
 
Beiträge: 61
|
Danke für die Antwort. Dass das so einfach ist, hätte ich nun wieder auch nicht gedacht.
Aber meist sind ja die einfachsten Lösungen die Besten.
Ich werds mal ausprobieren und mich dann meine Ergebnisse hier posten.
|
BID = 525154
KimmeSantana Gelegenheitsposter
 
Beiträge: 61
|
So ich habs probiert. Wenn ich das Poti gegen die Suchspule austausche funktioniert das ganze zwar, aber die Stromaufnahme wird zu hoch. Deshalb habe ich eine andere Schaltung ausprobiert. Diese funktioniert sehr gut.
Achso: Ich hab natürlich nur den Teil um den NE555 verwendet. Die Auswertung mache ich ja über meine eigene Schaltung.
[ Diese Nachricht wurde geändert von: KimmeSantana am 31 Mai 2008 13:58 ]
|
BID = 533096
ffeichtinger Schreibmaschine
    
Beiträge: 1050 Wohnort: Traunkirchen im Salzkammergut
|
Hallo
Ich hab's so probiert:
Eine gewöhnliche Multivibratorschaltung (so wie ganz oben gepostet). Den Kondensator durch ein Poti ersetzt. Das Poti (also eigentlich beide Widerstände) durch die Spule ersetzt. Das Poti darf natürlich nicht zu kein gewählt/eingestellt werden. Die ganze Sache schwingt dann etwa so wie ursprüngliche Version.
Dazu gleich ne Frage: Die beiden Kurven die ihr unten seht habe ich mit meinem Soundcard Oszi aufgezeichnet, und sind deshalb nicht besonders hochwertig. Die rote Kurve stellt die Spannung am Ausgang (PIN 3) dar. Die grüne ist die Spannung am Widerstand sprich der Strom durch die Spule (PIN 2 und 6). Man erkennt schön wie die grüne Kurve zwischen 1/3 und 2/3 Vcc mit Exponetialkurvenstücken hin und her hüpft.
Aber die fallende Kurve ist viel steiler als die steigende!
Hat jemand eine Idee wovon das kommen könnte?
Das Ganze ist auf dem Breedboard augebaut (Die Spule natürlich nicht) könnte sich da ein Fehler eingeschlichen haben?
vielen Dank. mfg Fritz
_________________
|
BID = 533117
perl Ehrenmitglied
       
Beiträge: 11110,1 Wohnort: Rheinbach
|
Zitat :
| | Die beiden Kurven die ihr unten seht habe ich mit meinem Soundcard Oszi aufgezeichnet |
Sicherlich eine Verzweiflungstat.
Aber dass die Soundcard aus einem 100kHz Eingangssignal noch irgendetwas nützliches herausdestiliert, erwartest du doch nicht wirklich ?
_________________
Haftungsausschluß:
Bei obigem Beitrag handelt es sich um meine private Meinung.
Rechtsansprüche dürfen aus deren Anwendung nicht abgeleitet werden.
Besonders VDE0100; VDE0550/0551; VDE0700; VDE0711; VDE0860 beachten !
|
BID = 533147
KimmeSantana Gelegenheitsposter
 
Beiträge: 61
|
Hallo,
wie sagt man immer so schön: "Wer HF misst, misst Mist!". Vielleicht liegt es gerade daran, dass die Frequenz so hoch ist. Aber eigentlich sollte das nicht so ins Gewicht fallen. Die Kurve, die durch die Selbstinduktion an der Spule entsteht solle genauso schnell ansteigen wie abfallen. Eine Änderung in der Steilheit kann, soweit ich weis, eigentlich nur durch die Änderung des Vorwiderstandes an der Spule erreicht werden. Die schneller abfallende Kurve weist auf einen höheren Widerstand als beim Ansteigen hin.
Doch auch an der Spannung von Pin 3 ist diese Anomalie zu sehen. Die Kurve steigt langsamer an als sie abfällt. Außerdem gibt es vor dem Abfallen diese Spitze in der roten Kurve. Da diese Spitzen eigentlich durch die Fourier-Analyse entstehen, da die Soundkarte den Rechteck aus mehreren Sinuskurven erzeugt, sollten sie eigentlich nicht ins Gewicht fallen. Aber normalerweise entstehen diese beim Ansteigen genau wie beim Abfallen und dann auch nicht so stark. Deshalb tippe ich mal darauf, dass im Schaltkreis selbst vielleicht irgendwas nicht stimmt.
Schonmal einen anderen 555 ausprobiert?
Bei mir ist der Rechteck, der aus dem Oszillator raus kommt recht symmetrisch (also wenn man den High-Pegel in der Mitte spiegeln würde)
Aber dafür, dass es sich um ein Soundkartenoszi handelt, finde ich das Bild bei der Frequenz sehr gut.
Offtopic :
|
Besteht die Möglichkeit mir den Schaltplan für den Tastkopf zukommen zu lassen? Ich habe nämlich auch mal Versuche mit nem Soundkartenoszi gemacht, das selbst bei niedrigen Frequenzen kein brauchbares Ergebnis lieferte. Da wär echt super.
Welche Software wurde als "Oszi" verwendet?
|
|
BID = 533169
wulf Schreibmaschine
    
Beiträge: 2246 Wohnort: Bozen
|
Perl hat mit seiner Aussage aber eher das da gemeint:
http://en.wikipedia.org/wiki/Nyquis.....eorem
Selbst wenn du eine supertolle Soundkarte mit 192kHz möglicher Abtastfrequenz hast (z.B. Creative Audigy 2), sind 100kHz schon zu viel.
Edit: 100kHz würde ich persönlich noch nicht als HF bezeichnen
[ Diese Nachricht wurde geändert von: wulf am 7 Jul 2008 23:42 ]
|
BID = 533173
KimmeSantana Gelegenheitsposter
 
Beiträge: 61
|
Ok, 100kHz als HF zubezeichnen ist vielleicht etwas übertrieben. Trotzdem würde mich mal ein Schaltplan von einem ordentlichen Tastkopf für ein Soundkartenoszi interessieren.
Um nochmal zurück zum Thema zu kommen, ich betreibe den Metalldetektor jetzt mit einer stabilisierten Spannung von 5 Volt und bin sehr zufrieden. Größere Metallgegenstande (kleine Ofenklappen oder Stahlarmierung) können damit im Boden bis zu 30 cm entdeckt werden. Zur Schatzsuche ist er eher nicht geeignet. Münzen erkennt er nur sehr schwach und natürlich nicht so tief.
Wer Leitungen und Rohre Unterputz sucht, ist mit dem Gerät ebenfalls gut bedient. Und die gesamten Baukosten betragen ca. 5 Euro. Da kann man mit der nicht so guten Tiefenmessung leben.
Ich habe schonmal einen professionellen Metalldetektor ausprobiert, der mehrere hundert Euro kostete. Der funktionierte nur ein wenig besser... trotz dessen er nach dem Pulsprinzip arbeitete. Das Gerät war allerdings nicht mehr das neueste.
|
BID = 533291
ffeichtinger Schreibmaschine
    
Beiträge: 1050 Wohnort: Traunkirchen im Salzkammergut
|
Hallo
Hab ich etwas von HF geschrieben? Die dargestellte Kurve ist etwa bei 2kHz. Da reicht sogar eine stinknormale 44.1kHz Soundcard. Also sooo schlecht ist die Kurve auch wieder nicht. Abtasttheorem usw. sind mir wohl bekannt. Also keine Sorge.
Als Tastkopf verwende ich eine äußerst simple und unprofessionelle Schaltung: Einen Vorwiderstand. Diesen habe ich so eingestellt, dass er mit dem Innenwiderstand der Soundkarte einen Spannungsteiler von 1/100 ergibt. Bei mir war das ca. 1.5MOhm Dann noch 4 Gleichrichterdioden (2 Kanäle), die Spannungen größer 0.7V abfangen sollen. Das ergibt dann einen Messbereich von max 70V. Also mehr als genug für Kleinspannungsschaltungen. Das ganze kommt an den Line-In der Soundkarte. Als Software benutze ich scope von Christian Zeitnitz:
http://zeitnitz.de/Christian/Scope/Scope_ger.html Mit dabei ist ein Spektrumanalyser, Signalgenerator und diverse andere Tools.
Auf Anfrage erhielt ich noch einen Schaltplan für den Eingang. Hab ihn allerdings wie bereits gesagt nicht ganz durchgezogen.
Der größte Nachteil meiner Meinung nach ist, dass sich der Gleichspannungsanteil nicht erfassen lässt.
Ich hab mir sogar Tastköpfe aus umgebauten Kugelschreibern gebastelt  Anstelle der Mine sitzt dort nun ein kleiner Drahthacken, der dann von der Feder zurückgezogen wird und den zu messenden Draht sicher gegen die Hülse drückt.
Wie verhält sich denn der Ausgang des NE555? Ist der in allen 4 "Quadranten" gutmütig? Ich meine (Ausgang high, Strom raus; Ausgang low, Strom rein;...) Meine Spule hat einen Innenwiderstand von ca. 40Ohm der Widerstand 400Ohm. Induktiviät habe ich noch nicht ausgerechnet. Am NE555 liegt es nicht ich hab ihn ausgetauscht.
mfg Fritz
_________________
|