| Autor |
Mono-Trafo statt Stereo-Trafo anschließbar? Suche nach: trafo (15757) stereo (1908) trafo (15757) |
|
|
|
|
BID = 426958
Freedom666 Gerade angekommen
Beiträge: 10 Wohnort: Hungen
|
|
Hallo,
ich habe eine einfache Frage, bin aber Elektronik-Laie und freue mich über Antwort.
Ich baue gerade ein vorhandenes Gerät um, einen Entzerrer für Lautsprecher.
Siehe: http://peter-pfleiderer.privat.t-online.de/ba-3.gif
Ich möchte den vorhandenen Stereo-Trafo ausbauen und extern ein stärkeres 15 Volt Trafo anschließen, da der Trafo unterdimensioniert ist (sehr heiß wird).
Merke jetzt aber, dass ich mit dem neuen Trafo sekundärseitig nur einen Ausgang habe statt 4 Ausgänge (Mono statt Stereo). Kann ich den einen stärkeren Trafo jetzt sekundärseitig parallel anschließen?? Damit ich so die beiden Stereozüge des Hifi-Gerätes mit Strom versorgen kann?
Die Masse ist ja sekundärseitig schon parallel geschaltet. Kann ich jeweils plus einfach an den Mono-Trafo parallelschalten? Gibt es Nachteile in Funktionsfähigkeit oder Klang?
Oder sollte ich mir einfach den gleichen Trafo nochmal besorgen, kann ich dann problemlos die Anschließen? Wie ist das dann mit der Masse, die ist ja parallel bei zwei getrennten TRafos??
Oder doch nur einen "richtigen" Trafo mit einem Primäreingang und zwei sekundären Ausgängen à 15 Volt
Gruß, Freedom666 |
|
BID = 426961
sam2 Urgestein
     
Beiträge: 35321 Wohnort: Franken (bairisch besetzte Zone)
|
|
Ich glaub, Du täuschst Dich in der Annahme, daß es sich um zwei Wicklungen für je einen der Stereokanäle handelt.
Hab zwar den Bestückungsplan nur kurz überflogen (Stromlaufplan wäre sinnvoller...), aber das sieht mir nach einer Symmetrischen Versorgung (also +15V und -15V) aus!
Dann muß das auch wieder so werden, sonst verzerrt das Nutzsignal ganz heftig (weil eine Halbwelle fehlt).
_________________
"Das Gerät habe ich vor soundsoviel Jahren bei Ihnen gekauft! Immer ist es gegangen, immer. Aber seit gestern früh geht es plötzlich nicht mehr. Sagen Sie mal, DA STIMMT DOCH WAS NICHT???" |
|
BID = 426964
Jornbyte Moderator
      
Beiträge: 7336
|
Ja, Symmetrischen Versorgung und die "Mittelanzapfung" liegt auf Masse.
Zitat :
| | Kann ich jeweils plus einfach an den Mono-Trafo parallelschalten |
Nein.
Zitat :
| | Oder sollte ich mir einfach den gleichen Trafo nochmal besorgen |
Nein. Damit hast du ja den alten Stand. Siehe https://forum.electronicwerkstatt.d.....e.gif
Kauf einen Trafo der die selbe Spannung aber einen höheren Strom liefert. Die Leistung wird meist in VA angegeben. Besser ist es, den Umbau von Jemand machen lassen, der Bewandert ist.
_________________
mfg Jornbyte
Es handelt sich bei dem Tipp nicht um eine Rechtsverbindliche Auskunft und
wer Tippfehler findet, kann sie behalten.
|
BID = 427464
Freedom666 Gerade angekommen
Beiträge: 10 Wohnort: Hungen
|
Hallo,
vielen Dank für die Info bisher.
Ich habe mal nach dem Stromlaufplan geguckt, wußte nicht, dass das besser ist.
Ich glaube ich kann da den Mono-Trafo problemlos anschließen?! Auf dem eingebauten Trafo steht "sekundär 2x15 Volt", ich sehe im Stromlaufplan aber nur ein Trafo. Also kommen auch nur zwei Anschlüsse auf den Gleichrichter drauf.
Also könnte ich doch den Mono-Trafo anschließen....
Gruß, Freedom
|
BID = 427468
perl Ehrenmitglied
       
Beiträge: 11110,1 Wohnort: Rheinbach
|
Der Netztrafo hat nichts mit Mono oder Stereo zu tun.
Ich glaube auch nicht daß der eingebaute Trafo überlastet wird, sondern solch kleine Trafos haben oft einen sehr schlechten Wirkungsgrad und werden auch im Leerlauf schon heiß.
Im Layout kan man sehen, daß da wirklich ein Trafo mit zwei hinterinandergeschalteten Wicklungen verbaut ist. Das ist eine Standardschaltung um eine positive und negative Versorgung herzustellen.
Die Bilder bedeuten allerdings auch, daß Layout und Schaltplan voneinander abweichen. So wie gezeichnet würde ich das auch als Fehler ansehen.
Wenn also deine Platine so aussieht wie der Druck, brauchst du tatsächlich einen Trafo mit 2x12 oder 2x15V.
Die beiden Wicklungen werden hinterinandergeschaltet (ergibt 30V), die "Mittelanzapofung" kommt an Masse und die beiden Enden werden mit dem Gleichrichte verbunden.
_________________
Haftungsausschluß:
Bei obigem Beitrag handelt es sich um meine private Meinung.
Rechtsansprüche dürfen aus deren Anwendung nicht abgeleitet werden.
Besonders VDE0100; VDE0550/0551; VDE0700; VDE0711; VDE0860 beachten !
|
BID = 427690
sam2 Urgestein
     
Beiträge: 35321 Wohnort: Franken (bairisch besetzte Zone)
|
Der Stromlaufplan ist tatsächlich fehlerhaft:
Es fehlt die Masseverbindung der Trafo-"Mittelanzapfung" (Verbindung zwischen den beidenm Sekundärwicklungen). Ohne die funktioniert es nicht.
Aber Du kannst zwei Stück von Deinem "neuen" Trafo verwenden. Auf richtige Verschaltung achten!
|
BID = 427695
Mr.Ed Moderator
      
Beiträge: 36326 Wohnort: Recklinghausen
|
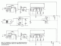
So ist es richtig:
_________________
-=MR.ED=-
Anfragen bitte ins Forum, nicht per PM, Mail ICQ o.ä. So haben alle was davon und alle können helfen. Entsprechende Anfragen werden ignoriert.
Für Schäden und Folgeschäden an Geräten und/oder Personen übernehme ich keine Haftung.
Die Sicherheits- sowie die VDE Vorschriften sind zu beachten, im Zweifelsfalle grundsätzlich einen Fachmann fragen bzw. die Arbeiten von einer Fachfirma ausführen lassen.
|
BID = 427699
Jornbyte Moderator
      
Beiträge: 7336
|
Mr.Ed war schneller.
_________________
mfg Jornbyte
Es handelt sich bei dem Tipp nicht um eine Rechtsverbindliche Auskunft und
wer Tippfehler findet, kann sie behalten.
|
BID = 427705
perl Ehrenmitglied
       
Beiträge: 11110,1 Wohnort: Rheinbach
|
Zur Not geht das auch mit einem Trafo (als wenb man in bei der vom Mr.Ed gezeigten Schaltung eine Hälfte nicht anschliesst), aber es ist möglich, das dann die Brummspannung zu hoch wird.
Kann man aber mal ausprobieren. Wenns brummt, muss der 2. Trafo her oder eben einer mit zwei Wicklungen.
Wenn man die beiden Wicklungen hintereinanderschaltet, muss man auf die Phasenlage achten. Es muss zwischen den ~ ~ Gleichrichteranschlüssen eine hohe Wechselspannung zu messen sein.
Macht man's falsch, passiert zwar nichts Schlimmes, und es wird wohl trotzdem funktionieren, aber dann hätte man sich einen Trafo schenken können (s.o.).
In diesem Fall misst man zwischen den ~ ~ Gleichrichteranschlüssen fast 0V.
_________________
Haftungsausschluß:
Bei obigem Beitrag handelt es sich um meine private Meinung.
Rechtsansprüche dürfen aus deren Anwendung nicht abgeleitet werden.
Besonders VDE0100; VDE0550/0551; VDE0700; VDE0711; VDE0860 beachten !
|
BID = 428552
Freedom666 Gerade angekommen
Beiträge: 10 Wohnort: Hungen
|
Hallo,
vielen Dank für die Info!
Habe mir jetzt zur Sicherheit einfach ein Trafo gekauft mit ordentlichen 25VA und zwei Sekundärspannungen 2x15 Volt.
Und verkabele es genauso wie der jetzt schon funktionierende Trafo auf der Platine sitzt. Dann mache ich nichts falsch.
Wenn ich richtig verstanden habe, sind die beiden beieinanderliegenden Verbindungen der Sekundärspannung in der Mitte miteinander verbunden und an Masse auf der Platine verschaltet. Das ist dann wohl die "Mittelanzapfung".
Genau so mache ich das dann.
Ich habe einen Meter Kabel dazwischen. Das Netzteil als Steckernetzteil ausgeführt. Ordentlich gemacht mit Sicherung im Primärkreis.
Ist das längere Kabel klanglich schädlich?
Das Gerät profitiert allerdings davon, dass der Trafo nicht in die Elektronik mehr einstreuen kann, dass lag alles dicht beieinander. Und im Gehäuse wird es auch nicht mehr so warm.
Gruß, Freedom
|
BID = 428579
sam2 Urgestein
     
Beiträge: 35321 Wohnort: Franken (bairisch besetzte Zone)
|
Wenn die Elkos nach wie vor direkt an der Schaltung sitzen, stelt die längere zuleitung kein Problem für der Klang dar. Allerdings könnte sie Störeinsteuungen einfangen!
|