LED mit verschiedenen Spannungsquellen betreiben. Im Unterforum Grundlagen - Beschreibung: Grundlagen und Fragen für Einsteiger in der Elektronik
| Autor |
LED mit verschiedenen Spannungsquellen betreiben. Suche nach: led (32775) spannungsquellen (308) |
|
|
|
|
BID = 505223
pal.sch Gerade angekommen
Beiträge: 6
|
|
Guten Tag allen,
Da ich im Moment Semester Ferien habe, möchte ich mich etwas mit
Elektrotechnik befassen, und habe mir überlegt einfach mal eine LED
zum leuchten zu bringen. Und so hab ich es mir vorgestellt.
Ich möchte erstmal diese LED mit zwei verschiedenen Spannungsquellen
betreiben.
1. Batterie
2. USB am PC
Und es soll so vorgehen. Die Batterie ist immer angeschloßen,
wenn ich aber USB an den PC anschließe, dann soll die LED nur
vom USB betrieben werden, aber die Batterie dabei angeschloßen
und ohne Funktion bleiben.
Dass die LED einen Vorwiderstand braucht, ist mir klar.
Und dass der Vorwiderstand bei unterschiedlichen Spannungsquellen,
auch unterschiedlich sein soll, ist mir auch klar.
Das ist auch nicht das Problem, sondern wie realisiere ich
diese zwei unterschiedlichen Spannungsquellen, die so Arbeiten,
als ob ich diese mit einem Schalter einfach von einer zur
anderen umschalte.
Achja, an einen Schalten hab ich auch schon gedacht, aber das
wäre mir zu einfach, und ich möchte ja auch was dazulernen
ausser irgendwelche Schalter und LEDs miteinander zusammen zu löten.
Deswegen hab ich mich etwas im Internet umgeschaut, und sogenannte
MOSFETs gefunden, die ich mir dachte, dass diese für die Lösung
meines Problems nützlich sein könnten. Dabei hab ich mir eine
Schaltung gezeichnet. Weiß aber nicht, ob sie auch das tut, was
ich mir vorstelle.
Es wäre wirklich schön, wenn sich mal einer von euch Kennern sich
die Schaltung anschaut, und mir sagt, ob es so funktioniert, oder
was da nicht gehen wird, und wie man es verbessert,
oder anders macht.
Vielen Dank schonmal im vorraus. |
|
BID = 505272
Lone Gunman Achtung Dieser user postet unter verschiedenen Namen
|
|
Also mit Verlaub gesagt, diese Schaltung ist nobelpreisverdächtig. Nobelpreisverdächtig undurchschaubar. T1 macht in dieser Verschaltung nicht wirklich Sinn, und nehme ich die Schaltzeichen der MOSFET für bare Münze, reduzieren die eingezeichneten Dioden parallel zu DS T2 und T3 auf genau das; eine Diode.
Und um überhaupt mal klar zu stellen, wovon wir reden; Wie hoch ist denn UBAT1? Unter UBAT2 USB kann man sich ja mit Wohlwollen eine 5V Spannungsquelle vorstellen, aber den Rest kann ich mir Wünschen, oder wie?
Dann wähle ich UBAT1=4.5V und biete zwei Dioden und einen Widerstand um das Problem zu lösen.
Und wehe dem, der UBAT1=4.8V, eine Diode und zwei Widerstände bietet... |
|
BID = 505299
pal.sch Gerade angekommen
Beiträge: 6
|
Hallo,
danke erstmal,
dass T1 hier sinnlos ist hast du recht, hätte eigentlich selber drauf
kommen können  , das war halt mein Ausgangspunkt, und nach und nach
sind immer mehr Bauteile dazugekommen, die im nachhinein das T1
überflüssig machten.
Also UBAT2 USB ist wie du schon gesagt hast 5V, mit der UBAT1 hab ich
nichts hingeschrieben, weil ich nicht so richtig weiß, wieviel V die
LED zum Leuchten braucht, ich dachte erstmal an eine AAA Batterie,
das sind dann 1,5V , falls es aber mit nur einer nicht geht, dann
halt zwei AAA Batterien. Die AAAs weil ich wenig Platz zur Verfügung
habe.
Ich hab mir jetzt den ganzen Morgen Gedanken gemacht, wie ich das mit
zwei Dioden und einem Widerstand lösen kann. Die Batterie soll ja
sozusagen automatisch "abgeklemmt" werden, wenn ich die LED per USB
betreiben möchte. Und wie kann ich das erreichen?
Dass der Schaltplan unübersichtlich ist, tut mir leid, braucht denk
ich mal erstmal Übung, bis mann den Dreh raus hat, und die
Schaltpläte einigermaßen übersichtlich gestalltet.
|
BID = 505443
Otiffany Urgestein
     
Beiträge: 13779 Wohnort: 37081 Göttingen
|
Warum einfach, wenn es auch kompliziert geht?
Nun mußt Du nur noch die Widerstände ausrechnen (siehe LED Unterforum!).
|
BID = 505490
cholertinu Inventar
     
Beiträge: 3754 Wohnort: CH
|
Zitat :
Otiffany hat am 4 Mär 2008 22:09 geschrieben :
|
Nun mußt Du nur noch die Widerstände ausrechnen
|
...und den Relais-Kontakt umpolen, dass bei stromloser Relaisspule die Batterie angeschlossen ist.
Oder werden Relais neuerdings im bestromten Zustand gezeichnet?
|
BID = 505529
rasender roland Schreibmaschine
    
Beiträge: 1802 Wohnort: Liessow b SN
|
Zitat :
| | Warum einfach, wenn es auch kompliziert geht? |
Für mich steht das aber irgendwie im Widerspruch mit
Deiner Skizze.
Warum nicht ,wie schon angeraten, 2 Dioden und bei z.B. Ubat
2 AAA Zellen 2 Vorwiderständen und fertig.
_________________
mfg
Rasender Roland
|
BID = 505570
Otiffany Urgestein
     
Beiträge: 13779 Wohnort: 37081 Göttingen
|
Cholertinu hat recht, ist ein kleiner Flüchtigkeitsfehler!
Der Spruch: "Warum einfach wenn es auch komliziert geht", ist ironisch gemeint!
Gruß
Peter
[ Diese Nachricht wurde geändert von: Otiffany am 5 Mär 2008 12:24 ]
|
BID = 505819
pal.sch Gerade angekommen
Beiträge: 6
|
Hallo, danke für die Vorschläge,
ich frage mich aber, wie soll es denn mit den zwei Dioden aussehen?
Daten der LED: Vf:1.3V If:100mA
Ich hab mir überlegt zwei AA Akus zu nehmen, also 2.4V
Und USB halt, 5V
Könnte mir damit jemand einen Schaltplan zeichnen, wie es dann
mit den zwei Dioden aussehen würde?
Vielen Dank schonmal im vorraus.
|
BID = 505824
sam2 Urgestein
     
Beiträge: 35321 Wohnort: Franken (bairisch besetzte Zone)
|
Ja, könnte sogar ich....
Aber ich denke, es ist sinnvoller, wenn Du das erstmal selbst versuchst!
Korrekturhinweise (falls überhaupt nötig) geben wir dann gerne.
Also los, selber denken macht schlau!
|
BID = 505825
cholertinu Inventar
     
Beiträge: 3754 Wohnort: CH
|
Ich könnte es, ja.
|
BID = 505918
pal.sch Gerade angekommen
Beiträge: 6
|
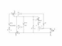
Also hab es so gelöst. Bin mir aber ziemlich sicher dass es falsch ist.
Weil ja so zwei Ströme fließen, die man zusammen addiert, und somit zu hoher Strom an die LED kommt. (denk ich zumindest)
Also sagt mir wo ich falsch liege, und was man da besser machen kann/soll. Am besten mit richtigen Zahlen (Widerstand, Diode), die ich dann gleich Bestellen kann.
Vielen Dank.
|
BID = 505926
Onra Schreibmaschine
    
Beiträge: 2515
|
Hallo,
wäre es nicht sinnvoller, für deine Experimente eine LED zu verwenden, die auch zu sehen ist, wenn sie leuchtet.
1,3 Volt und 100mA deuten stark auf Infrarot-LED hin.
Onra
|
BID = 505964
rasender roland Schreibmaschine
    
Beiträge: 1802 Wohnort: Liessow b SN
|
Prinzipiell schon mal richtig.
Aber den Schalter kannst Du weglassen.
Bei 0,7 V über den Dioden sind die Widerstandswerte aber zu klein
für 100mA und 1,3V über der LED.
Ich würde R6 so lassen und R5 mit 6,8R wählen.
Je nach Flusspannung über D1,D3 sind es dann ca. 104-107mA.
Am Knotenpunkt von D1,R6 und R5 liegen dann bei Einspeisung per USB
ca. 2V und da wird dann ganz sicher kein Strom aus dem 2,4V Akku gelutscht.
_________________
mfg
Rasender Roland
|
BID = 505978
Ltof Inventar
     
Beiträge: 9386 Wohnort: Hommingberg
|
Zitat :
Onra hat am 6 Mär 2008 17:48 geschrieben :
|
eine LED zu verwenden, die auch zu sehen ist, wenn sie leuchtet.
|
Meine LEDs sehe ich sogar, wenn sie nicht leuchten - auch die IR-LEDs.
_________________
„Schreibe nichts der Böswilligkeit zu, was durch Dummheit hinreichend erklärbar ist.“
(Hanlon’s Razor)
|
BID = 506036
pal.sch Gerade angekommen
Beiträge: 6
|
Danke erstmal.
Der Schalter ist nur provisorisch da, soll zeigen, dass ich USB
an-/abschließe.
Zu dem Vorschlag mit den 6,8Ohm Widerstand, also so wie ich es
berechnet habe, wird dann bei Akkubetrieb nur ca. 53mA laufen, und das
ist ja nur die Häfte, d.h. das Teil leuchtet dann kaum, oder nur schwach. Wäre nicht so gut. (falls ich richtig gerechnet habe)
Also damit soll am Ende wirklich eine IR-LED betrieben werden, deswegen
diese Daten.
Ich hab mir da sowas überlegt, es sind ja Akkus, ist es dann OK
wenn man die Diode beim Akku entfernt?
Werden die Akkus dann geladen oder immernoch entladen?
Ist es sicher sowas zu bauen (explodieren die Akkus nicht oder so)?
Was passiert wenn ich statt Akkus dann doch normale Batterien einsetze?
|
|
Zum Ersatzteileshop
Bezeichnungen von Produkten, Abbildungen und Logos , die in diesem Forum oder im Shop verwendet werden, sind Eigentum des entsprechenden Herstellers oder Besitzers. Diese dienen lediglich zur Identifikation!
Impressum
Datenschutz
Copyright © Baldur Brock Fernsehtechnik und Versand Ersatzteile in Heilbronn Deutschland
gerechnet auf die letzten 30 Tage haben wir 18 Beiträge im Durchschnitt pro Tag heute wurden bisher 3 Beiträge verfasst © x sparkkelsputz Besucher : 187834296 Heute : 3666 Gestern : 15830 Online : 238 20.12.2025 6:57 22 Besucher in den letzten 60 Sekunden alle 2.73 Sekunden ein neuer Besucher ---- logout ----viewtopic ---- logout ----
|
xcvb
ycvb
0.180894136429
|