Solar Hausnummernleuchte Reparaturtipps und Ersatzteile zum Fehler: Im Unterforum Alle anderen Reparaturprobleme - Beschreibung: Telekom, Funkgeräte und alle anderen Geräte
Autor |
|
|
|
BID = 467261
QuickeR Stammposter
   
Beiträge: 345
|
|
Hallo Leute!
Habe ein Problem mit meiner solarbetriebenen Hausnummernleuchte.
Wenn ich die 3 Akkus (1,5V) geladen habe, diese dann einsetze in die Leuchte, funktioniert diese ca. 2 Tage.
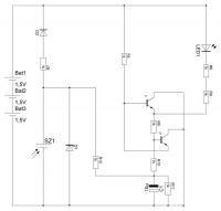
Habe diese jetzt mal auseinandergebaut, einen Schaltplan der Platine gezeichnet und diese durchgemessen.
Zur Funktionsüberprüfung der Schaltung, habe ich anstatt der Solarzelle ein einstellbares Netzgerät verwendet.
Ab ca. 60 mA "Zellenstrom" geht die LED aus.
Darunter geht die LED an.
Somit scheint die Dämmerungsschaltung soweit zu funktionieren.
Dann habe ich den Ladestrom der Akkus überprüft, welcher sich immer bei ca. 0,86mA befindet, selbst wenn der Zellenstrom 300mA beträgt!!
Habe darauf hin habe ich die Diode D2 (1N4007) ausgelötet und durchgemessen, in Sperrrichtung sperrt sie, in Durchlassrichtung hat sie einen Spannungsfall von ca. 0,7V, so wie es sein muss.
Habe diese dann wieder eingelötet.
Danach habe ich die Diode D1 (BZX5V1) ausgelötet und durchgemessen. In beiden Richtung ca. 0,16V.
Geh ich Recht in der Annahme, dass diese defekt ist? Müsste doch bei einer Z-Diode ein mal 0,7V in Durchlassrichtung und einmal eben die 5,1V in Sperrrichtung sein?!
Kann es daran liegen, dass der Ladestrom der Akkus dadurch zu niedrig ist und die Solarleuchte nach ca. 2 Tagen immer den Geist aufgibt?
Vielen Dank im Voraus
QuickeR |
Erklärung von Abkürzungen |
BID = 467262
QuickeR Stammposter
   
Beiträge: 345
|
|
Sorry, bisschen zu groß geworden das Bild. |
Erklärung von Abkürzungen |
BID = 467320
sam2 Urgestein
     
Beiträge: 35321 Wohnort: Franken (bairisch besetzte Zone)
|
Hat die Leuchte denn schonmal richtig funktioniert?
Wie alt ist sie überhaupt?
_________________
"Das Gerät habe ich vor soundsoviel Jahren bei Ihnen gekauft! Immer ist es gegangen, immer. Aber seit gestern früh geht es plötzlich nicht mehr. Sagen Sie mal, DA STIMMT DOCH WAS NICHT???"
Erklärung von Abkürzungen |
BID = 467372
PhyMaLehrer Schriftsteller
    
Beiträge: 911 Wohnort: Leipzig
|
Die Z-Diode ist natürlich suspekt...
Der Ladestrom müßte je nach der Spannung der Solarzelle und dem Ladezustand des Akkus
sein, wobei U SZ1 maximal ~ 5,1 V sein kann.
Ich nehme an, daß nicht sämtliche Widerstände 1 k groß sind, sonst wäre der niedrige Ladestrom kein Wunder...
Erklärung von Abkürzungen |
BID = 467388
rasender roland Schreibmaschine
    
Beiträge: 1786 Wohnort: Liessow b SN
|
Der Plan sieht für mich komisch aus ???
Was soll die LED denn mit 2k Vorwiderstand beleuchten?
_________________
mfg
Rasender Roland
Erklärung von Abkürzungen |
BID = 467433
sam2 Urgestein
     
Beiträge: 35321 Wohnort: Franken (bairisch besetzte Zone)
|
Auch haben die Zellen sicherlich keine je 1,5V.
Daher die Frage: Woher stammen diese Angaben?
Erklärung von Abkürzungen |
BID = 467480
QuickeR Stammposter
   
Beiträge: 345
|
Hallo!
Sorry erst mal, dass die Angaben nicht alle stimmen.
Die Leuchte ist ca. 2 Jahre alt und hatte schon mal funktioniert, teilweise.
Nein, die Widerstände sind natürlich nicht alle 1k groß. War die Standarteinstellung von S-Plan, daher die Werte.
Hatte mir noch nicht die Mühe gemacht, die Widerstandsfarbcodes zu entschlüsseln, weil ich dachte, den Fehler (Z-Diode) bereits gefunden zu haben.
Der Vorwiderstand der LED stimmt somit auch nicht.
Die LED beleuchtet ein Plexiglas, welches sich vor der eigentlichen Hausnummer (Klebebuchstaben) befindet.
Die Akku-Pufferung basiert auf 3 NimH Zellen à 1,5V (1,2V), also Standard-Akkus mit ca. 1200mAh pro Stück.
Die Widerstandswerte können natürlich noch nachgereicht werden, wenn es erforderlich sein sollte.
Vielen Dank
QuickeR
[ Diese Nachricht wurde geändert von: QuickeR am 28 Okt 2007 20:30 ]
Erklärung von Abkürzungen |
BID = 467482
sam2 Urgestein
     
Beiträge: 35321 Wohnort: Franken (bairisch besetzte Zone)
|
Na, dann ist ja wohl noch Gewährleistung auf dem Ding.
Also Finger weg und stattdessen beim Verkäufer reklamieren!
Abgesehen davon ist mir noch keine solarbetriebene Hausnummernleuchte begegent, die wirklich längere Zeit brauchbar funktioniert hat...
_________________
"Das Gerät habe ich vor soundsoviel Jahren bei Ihnen gekauft! Immer ist es gegangen, immer. Aber seit gestern früh geht es plötzlich nicht mehr. Sagen Sie mal, DA STIMMT DOCH WAS NICHT???"
Erklärung von Abkürzungen |
BID = 467484
nabruxas Monitorspezialist
    
Beiträge: 9490 Wohnort: Alpenrepublik
|
Zitat :
| Danach habe ich die Diode D1 (BZX5V1) ausgelötet und durchgemessen. In beiden Richtung ca. 0,16V. |
Klar ist diese defekt.
Tausche sie einfach aus, dann siehst Du ob das alles war.
Was passiert wenn Du die Diode testhalber weglässt und anstelle des Solarpaneels 5V mit dem Netzteil einspeist?
Ist dann alles ok?
Wenn der Plan richtig ist, kann diese auch durch das Fremdspeisen mit dem Netzteil gestorben sein, da ja keine Strombegrenzung zum Solarpaneel (paralell) vorgesehen ist.
Zitat :
| Na, dann ist ja wohl noch Gewährleistung auf dem Ding.
Also Finger weg und stattdessen beim Verkäufer reklamieren! |
Nachdem sie bereits geöffnet wurde? Wenn´s durchgeht....
_________________
0815 - Mit der Lizenz zum Löten!
[ Diese Nachricht wurde geändert von: nabruxas am 28 Okt 2007 20:42 ]
Erklärung von Abkürzungen |
BID = 467489
QuickeR Stammposter
   
Beiträge: 345
|
Vielen Dank erst einmal für die rege Beteiligung an meinem Thema!
Ich weiß nicht mehr genau ob die Leuchte 2 Jahre ist, kann natürlich auch schon älter sein.
Ich weiß bloß, dass ich bereits vor ca. 1 Jahr an der Leuchte dran war und die orangene gegen eine blaue LED mit selben Daten ausgetauscht habe. Daher hat sich die Garantie bereits ausgeschlossen.
Kann durchaus sein, dass ich vergessen hatte, die Strombegrenzung zu diesem Zeitpunkt einzuschalten.
Werde die Diode die Woche wechseln und mich dann zurückmelden.
mfG QuickeR
Erklärung von Abkürzungen |
BID = 467998
QuickeR Stammposter
   
Beiträge: 345
|
Hi Leute!
Habe die Diode heute mal gewechselt.
Ergebnis war, dass die LED bereits ab einer Solarzellenspannung von ca. 0,7V (8µA)ausgeht.
Vorher ging diese erst bei einem Solarzellenstrom von ca. 40mA aus!
Also scheint sich schon mal ein Erfolg eingestellt zu haben, da diese ja nun erst später, wenn es dunkler ist, einschaltet.
Falls die Akkus nach 2 Tagen jetzt wieder platt sein sollten, liegt es entweder daran, dass sie defekt sind oder der Ladestrom, durch die Beleuchtung zu dieser Jahreszeit, einfach nicht ausreicht.
Bzw. liegt noch ein anderes Problem vor.
Vielen Dank
QuickeR
Erklärung von Abkürzungen |
|
Zum Ersatzteileshop
Bezeichnungen von Produkten, Abbildungen und Logos , die in diesem Forum oder im Shop verwendet werden, sind Eigentum des entsprechenden Herstellers oder Besitzers. Diese dienen lediglich zur Identifikation!
Impressum
Datenschutz
Copyright © Baldur Brock Fernsehtechnik und Versand Ersatzteile in Heilbronn Deutschland
gerechnet auf die letzten 30 Tage haben wir 12 Beiträge im Durchschnitt pro Tag heute wurden bisher 1 Beiträge verfasst © x sparkkelsputz Besucher : 185671543 Heute : 924 Gestern : 5614 Online : 218 7.10.2025 3:45 1 Besucher in den letzten 60 Sekunden alle 60.00 Sekunden ein neuer Besucher ---- logout ----viewtopic ---- logout ----
|
xcvb
ycvb
0.110251903534
|