Endschalter "verriegeln" ? Im Unterforum Elektroinstallation - Beschreibung: Alles über Installation
Achtung immer VDE beachten !!
| Autor |
Endschalter "verriegeln" ? Suche nach: endschalter (872) |
|
|
|
|
BID = 424342
Kleinspannung Urgestein
     
Beiträge: 13375 Wohnort: Tal der Ahnungslosen
|
|
Hallo Leute!
Man möge mir verzeihen,das ich zum Verständnis meines Problemchens etwas weiter ausholen muß.(vielleicht gehört der Fred auch in E-Installation?)
Also die Maschinen,an denen ich als Techniker meine Brötchen verdiene,besitzen 3 Not/Endtaster die bewirken ,das bei einer Störung der Schütz des Hauptmotors abgeschaltet wird.Nun ist das allerdings so gelöst,das bei Beseitigung der Störung das Ding sofort wieder anläuft.Natürlich gibt es eine Sicherheitsunterweisung,die besagt,das auch bei noch so kleinen Arbeiten im Sicherheitsbereich der Hauptschalter zu betätigen ist(hab ich auch unterschrieben).Tja,aber wie das nun mal so ist,99x macht man es,und heut in einem Anfall geistiger Umnachtung dacht ich das Ding war unbenutz,greife hinein und nehme den verklemmten Pin weg und es kam was kommen musste... Nur Geistesgegenwart und ein artistischer Sprung hat mich vor schwereren Verletzungen bewahrt.
Nun kam mir die Idee,eine zusätzliche Einrichtung zu bauen,die ein Wiedereinschalten nur in einem Gefahrlosen Bereich mittels Tasterdruck ermöglicht.Dazu wollte ich einfach in Reihe zu den Endschaltern einen Relaiskontakt mit Selbsthaltefunktion bauen ,dessen Relais bei auslösen nur manuell wieder aktiviert werden kann.So weit so gut,und das bekäm ich auch noch selber hin,aber:Nochmals in Reihe zu dem ganzen Brimborium sind zwei parallel geschaltete Einschalter,die dafür sind um erstens die Maschine per Hand auf Dauerbetrieb schalten zu können und zweitens die Sache am Counter per Software zu starten,damit die Gäste auch abgerechnet werden können .Sind beide aus,steht das Teil und mein Relais würde abfallen.Nun suche ich eine simple aber Wirkungsvolle Möglichkeit,da ich gerade etwas vernagelt bin(und mein Fuß tut immer noch weh).
Genehmigung vom Chef ist schon vorhanden,solange es kein „Millionenobjekt“ wird.Wir haben 12 von den Dingern...
Also lange Rede,kurzer Sinn.
Es muß etwas her,was bei auslösen eines Endschalters ein selbsttätiges Wiedereinschalten unmöglich macht,aber den normalen Betrieb nicht beeinträchtigt...Die Endschalter sind (riesige USA) Microschalter mit Öffnerkontakt.
Und eh ich es vergesse,die ganze Schützsteuerung arbeitet mit 24V,also ein Bereich in dem ich laut Ausbildungsrichtlinie gefahrlos arbeiten darf...
Und wie sieht es eigentlich mit den rechtlichen Aspekten aus?Wenn ich etwas „dranerfinde“,was bei Nichtfunktionieren schlimmstenfalls die ganze Maschine außer Betrieb setzt,aber sonst keine Nebenwirkungen hat,darf ich das?Oder muß da noch einer her,der den Zettel unterschreibt,wo drauf steht:“hast du schön gemacht“?
Danke
|
|
BID = 424514
high_speed Schreibmaschine
    
Beiträge: 2073
|
|
So einfach wie du dir dass vorstellst ist es nicht.
Als erstes musst du erstmal eine Gefahrenbewertung machen,
danach richtet sich dann die Sicherheitsausstattung der
Mschine. Lichtgitter, Zweihandbetrieb, Abschrankungen mit
Sicherheitsschalter (elektrisch verriegelbar ??) und ..
Daraus kommt dann auch, ob die Sicherheitskontakte zweipoig
ausgeführt werden müssen.
Um ein NOT-AUS-Relais wirst du nicht herum kommen. (Nach
deiner Schilderung birgt die Maschine ein erhebliche
Verletzungsgefahr.)
Das sind spezielle Relais-Module mit zwangsöffnenden
Kontakten. Des weiteren sind die Kontakte von insgesamt 3
Relais so hintereinander verschaltet, dass selbst beim
Festbrennen eines Kontaktes das Ausschalten gewährleistet
ist.
Über die Schließerkontakte führst du die Steuerspannung für
alle kritischen Antriebe und Ventiele.
z.B.: 2963763 PSR-SCP- 24UC/ESA4/3X1/1X2/B
https://eshop.phoenixcontact.de/pho.....start
Sicherheits-Positionsschalter z.B.:
http://catalog.moeller.net/de/defau.....;TYP=
Wenn es mit der Maschine zu schweren Unfällen kommen sollte
ist einmal der Betreiber dafür verantwortlich, aber auch du
trägst für dein Tun eine Verantwortung. Wenn der Betreiber
nachweisen kann, dass er dir den Auftrag gegeben hat, die
Maschine den geltenden Vorschriften anzupassen hast du dann
ein größeres Problem.
Holger
_________________
George Orwell 1984 ist nichts gegen heute.
Der Überwachungsstaat ist schon da!
Leider lernen die Menschen nicht aus der Geschichte,
ansonsten würde sie sich nicht andauernd wiederholen. |
|
BID = 424518
Lötfix Schreibmaschine
    
Beiträge: 2328 Wohnort: Wien
|
Hallo!
Wie high_speed schreibt, ist eine Gefahrenanalyse notwendig.
Danach gibt es spezielle Relais dazu, zweikanalig und es wird auch Drahtbruch, Querschluß, Erdschluß etc. überwacht.
z.B. aus der PNOZ X Serie von Pilz oder programmierbar als PNOZ Multi bzw. PSS.
mfg lötfix
_________________
Haftungsausschluß:
Bei obigem Beitrag handelt es sich um meine private Meinung. Rechtsansprüche dürfen daraus nicht abgeleitet werden. Sicherheitsvorschriften beachten!
[ Diese Nachricht wurde geändert von: Lötfix am 24 Apr 2007 19:28 ]
|
BID = 424530
Lötfix Schreibmaschine
    
Beiträge: 2328 Wohnort: Wien
|
Oder eine Schutztür mit Sicherheitschalter und Verriegelung z.B. Euchner
mfg lötfix
_________________
Haftungsausschluß:
Bei obigem Beitrag handelt es sich um meine private Meinung. Rechtsansprüche dürfen daraus nicht abgeleitet werden. Sicherheitsvorschriften beachten!
|
BID = 424616
Kleinspannung Urgestein
     
Beiträge: 13375 Wohnort: Tal der Ahnungslosen
|
Hm,ich merk schon,ihr könnt es euch noch nicht so richtig vorstellen,wie die Dinger aussehen und arbeiten.Und das sie Bauartbedingt von allen Seiten zugänglich sind.ICh mach die Tage mal ein Photo auf Arbeit,zwecks besserer Erklärung.
Und natürlich entprechen sie insoweit den geltenden Vorschriften,als das die Teile Made in Amiland sind und zum Betrieb in D einen schönen großen Notausschalter erhalten haben.Blöderweise ist der immer genau da,von wo du ausgerechnet gerade nicht rankommst...Man müßte höchstens noch 3 oder 4 davon gleichmäßig verteilen,damit immer einer in der Nähe ist.Und ich habe nicht den direkten Auftrag erhalten,ein neues Sicherheitskonzept zu erstellen,sondern nur am eigenen Leib erfahren,das es sinnvoll wäre,in der Richtung was zu tun.
Ein separater FI-Schalter und Motorschutzschalter sind natürlich pro Maschine vorhanden.Gabs im Orginal auch nicht,wurde nachträglich bei der Inbetriebnahme eingebaut.Die Endschalter dienen jedoch nur dem Schutz der Maschine,nicht demjenigen,der gerade mal nicht mitbekommen hat,das einer ausgelöst hat..Wenn die Dinger 3-polig wären,könnte man mit dem Schließkontakt ein Wasauchimmer-Relais auslösen,was selbstätigen Wiederanlauf verhindert.Aber so?  Die Orginalteile werden sich so ohne weiteres nicht ersetzen lassen,und dann wäre ich auch Mode wegen Bauartveränderung
|
BID = 424645
Lightyear Inventar
     
Beiträge: 7909 Wohnort: Nürnberg
|
So wie ich das sehe, hat der Betreiber seiner Sorgfaltspflicht genüge getan, indem er Not-Aus-Schalter installiert hat. Klare Anweisung: An der Bowling-Maschine wird erst gearbeitet, wenn der Not-Aus betätigt ist!
Auf eine Bastelei an den Anlagen würde ich mich nicht einlassen, was ist, wenn Du mal nicht da bist und Dein Kollege verlässt sich auf Deine Schaltung, die gerade an dem Tag einen Aussetzer hat..?
Also entweder ordentlich aufbauen mit Not-Aus-Relais etc. oder bitte sein lassen.
Ergänzung: Wenn der Betreiber jedoch billigend in Kauf nimmt, dass Sicherheitseinrichtungen umgangen werden bzw. dass im Gefahrenbereich gearbeitet wird, ohne die Maschine vorher stillzusetzen, dann ist das ein recht heikles Thema... Solche Anweisungen am Besten schriftlich einfordern...
_________________
Gruß aus Nürnberg,
Lightyear
Alles unter 1000°C ist HANDWARM!
Alle Tipps ohne jegliche Gewähr, die Einhaltung aller Vorschriften obliegt dem Ausführenden!
[ Diese Nachricht wurde geändert von: Lightyear am 25 Apr 2007 5:53 ]
|
BID = 424658
SPS Schreibmaschine
    
Beiträge: 2848
|
Hallo zusammen,
Moeller hat ein Sicherheitshandbuch Online zum Download.
Schaltpläne mit Beschreibung.
Auswahlhilfe zur Risikoabschätzung
Leider schon älter, zeigt jedoch gut die Richtung.
Hier ist eine Auswahl zum Thema Sicherheit und auch das Sicherheitshandbuch zu finden.
http://www.moeller.net/de/themenauftritte/safety/download.jsp
mfg sps
[ Diese Nachricht wurde geändert von: SPS am 25 Apr 2007 8:16 ]
|
BID = 425192
Otiffany Urgestein
     
Beiträge: 13779 Wohnort: 37081 Göttingen
|
Wie Du schreibst wird der Motor über ein Schütz eingeschaltet; dann verstehe ich nicht, daß in dem Sicherheitskreis (Endschalter) nicht der Selbshaltekontakt des Schütz`s integriert ist; dann würde das Schütz bei Betätigung eines Endschalters abfallen und der Motor erst wieder bei erneuter Betätigung eines Tasters anlaufen.
Vielleicht habe ich da ja auch was mißverstanden.
Gruß
Peter
|
BID = 425225
Gilb Urgestein
     
Beiträge: 16259 Wohnort: Gardine (Gardinenhof)
|
Ich glaub', da brauchen wir zumindest mal 'ne Skizze.
|
BID = 425236
Kleinspannung Urgestein
     
Beiträge: 13375 Wohnort: Tal der Ahnungslosen
|
Zitat :
Otiffany hat am 26 Apr 2007 21:35 geschrieben :
|
dann würde das Schütz bei Betätigung eines Endschalters abfallen und der Motor erst wieder bei erneuter Betätigung eines Tasters anlaufen.
|
Richtig,so sollte es sein,und so hätte ich das gern...
Ist aber Ami-Technik von Anno Tobak
Ich bin gerade dabei,den wilden Schaltplan aus dem Handbuch in eine passende Version zu bringen,um sie euch zu präsentieren.
Im Prinzip sind die ganzen Endschalter,der Notaus und die Einschalter in Reihe.Ist einer von denen aus,steht das Ding.Das Problem ist,das du "hinten" nicht mitbekommst,wenn die "vorn" das Teil per Rechnersoftware gestartet haben,aber trotzdem aus ist,weil ein Endschalter ausgelöst hat.Sobald dann der Endschalter wieder freigibt weil du die Störung beseitigt hast,läuft die Maschine ohne Vorwarnung an.Und wenn du dann so wie ich etwas geistige Umnachtung hast,weil du in Gedanken schon in deinem Auto auf dem Heimweg bist...
Es hat da vor meiner Zeit schon böse Unfälle gegeben,trotz vorherigem
[ Diese Nachricht wurde geändert von: Kleinspannung am 27 Apr 2007 3:44 ]
|
BID = 425238
Kleinspannung Urgestein
     
Beiträge: 13375 Wohnort: Tal der Ahnungslosen
|
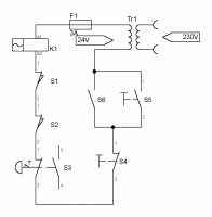
Ich noch mal...
Also ich habe mal schnell was "gekrakelt"
Wobei folgendes gilt:
K1 = Schütz Hauptmotor
S1/S2 = Endschalter Maschine
S3 = Notaus
S4 = Maschine aus(den ich vergessen hatte)
S5 = Dauerbetrieb
S6 = Start durch PC-Software
Hoffe,es hilft weiter
|
BID = 425268
Jerry Schriftsteller
     Beiträge: 828 Wohnort: Gera
|
Hallo,
falls technisch machbar:
An jedem Endschalter eine superhelle LED montieren, parallel zum Kontakt, mit entsprechendem Rv natürlich. Damit siehst du zum einen, welcher Schalter betätigt wurde - und gleichzeitig, dass du vergessen hast, die Maschine abzuschalten.
Der Reparaturschalter S4 muss im übrigen abschließbar sein, falls du ihn während der Arbeiten nicht einsehen kannst.
|
BID = 425326
SPS Schreibmaschine
    
Beiträge: 2848
|
Hallo zusammen,
Die Steuerspannung ist im Plan nicht mit "Erde" Verbunden.
Das kann bei einem Schluß gegen Erde zum Überbrücken von Schaltern führen. Gefahr von Anlaufen der Maschiene.
Es kann auch eine Isolationsüberwachung eingebaut werden.
Die Sicherung ist im + einzubauen und die Endschalter... sind mit + zu Schalten.
Moeller Sicherheitshandbuch
Für welche Gefährdung bzw. Kategorie ist die Schaltung auszulegen?
mfg sps
|
BID = 425327
Kleinspannung Urgestein
     
Beiträge: 13375 Wohnort: Tal der Ahnungslosen
|
Zitat :
Jerry hat am 27 Apr 2007 10:23 geschrieben :
|
An jedem Endschalter eine superhelle LED montieren, parallel zum Kontakt. Damit siehst du zum einen, welcher Schalter betätigt wurde - und gleichzeitig, dass du vergessen hast, die Maschine abzuschalten.
|
Sowas ähnliches dacht ich mir auch schon.Wenn sich schon die Schaltung nicht ändern läßt,dann wenigstens eine Anzeige für Blinde und Umnachtete Techniker
Ne Handvoll LEDs und Widerstände wird sich die Firma wohl grad noch leisten können
Zitat :
|
Der Reparaturschalter S4 muss im übrigen abschließbar sein, falls du ihn während der Arbeiten nicht einsehen kannst.
|
Nee,ist er nicht.Der kann von jedem angeknipst werden...
Abschließbar ist nur der Notaus
Dafür gibt es an der "E-Box" einen großen Hauptschalter zum trennen der Versorgung.Den sollte man bei größeren arbeiten auch tunlichst betätigen,und das hab ich auch noch nie vergessen.Ganz Lebensmüde bin ich ja auch nicht
|
BID = 425330
SPS Schreibmaschine
    
Beiträge: 2848
|
|
|
Zum Ersatzteileshop
Bezeichnungen von Produkten, Abbildungen und Logos , die in diesem Forum oder im Shop verwendet werden, sind Eigentum des entsprechenden Herstellers oder Besitzers. Diese dienen lediglich zur Identifikation!
Impressum
Datenschutz
Copyright © Baldur Brock Fernsehtechnik und Versand Ersatzteile in Heilbronn Deutschland
gerechnet auf die letzten 30 Tage haben wir 17 Beiträge im Durchschnitt pro Tag heute wurden bisher 19 Beiträge verfasst © x sparkkelsputz Besucher : 187079435 Heute : 32828 Gestern : 37500 Online : 204 1.12.2025 19:10 16 Besucher in den letzten 60 Sekunden alle 3.75 Sekunden ein neuer Besucher ---- logout ----viewtopic ---- logout ----
|
xcvb
ycvb
0.0468420982361
|