| Autor |
|
Netzstecker Tento Kometa 1978 Tonband |
|
|
|
|
BID = 641963
SiR Gerade angekommen
Beiträge: 14 Wohnort: halden
|
|
Ersatzteil : Netzstecker
Hersteller : Tento Kometa 1978 Tonband
______________________
Hallo an alle
Kann mir jemand verraten was das hier für eine Buchse ist und vor allem welche Anschlussbelegung ratsam wäre. Möchte nur ungern etwas beschädigen. Habe bereits folgende Variante probiert. Leider ohne Erfolg.
Rot - Phase
Gelb - Nullleiter
Grün - Schutzleiter
Einziges Ergebnis. Irgendein Relais vermutlich Endstufe lässt hörbar los wenn ich wieder ausstecke. Es handelt sich im übrigen um eine Kometa 212 Stereo Bandmaschine aus russischer Fertigung aus dem Jahr 1978. Freue mich über jeden sachdienlichen Hinweis. Auf den Fotos ist der Stecker mit Verdrahtung von unten zu sehen aber leider etwas schlecht zu erkennen. Bei der Draufsicht von aussen gestaltet sich die Belegung wie folgt.
Linker Kontakt(127V) - weiss
Rechter Kontakt(220V)- rot
Innenkontakte links & rechts - gelb
Innenkontakt Mitte - grün
mfg |
|
BID = 641969
Mr.Ed Moderator
      
Beiträge: 36327 Wohnort: Recklinghausen
|
|
Die Fotos sind leider unbrauchbar, probier es mal mit Licht.
Die Steckerbelegung muß nicht unbedingt mit der darüberstehenden Spannung zusammenhängen. Da gab es bei Osteuropäischen Geräten auch Varianten mit Brücken im Stecker usw. Ein Schutzleiter muß nicht unbedingt vorhanden sein.
_________________
-=MR.ED=-
Anfragen bitte ins Forum, nicht per PM, Mail ICQ o.ä. So haben alle was davon und alle können helfen. Entsprechende Anfragen werden ignoriert.
Für Schäden und Folgeschäden an Geräten und/oder Personen übernehme ich keine Haftung.
Die Sicherheits- sowie die VDE Vorschriften sind zu beachten, im Zweifelsfalle grundsätzlich einen Fachmann fragen bzw. die Arbeiten von einer Fachfirma ausführen lassen. |
|
BID = 641971
perl Ehrenmitglied
       
Beiträge: 11110,1 Wohnort: Rheinbach
|
Zitat :
| | Steckerbelegung muß nicht unbedingt mit der darüberstehenden Spannung zusammenhängen. |
Wie ich das sehe, handelt es sich bei den Angaben auch nur um die bei 127V oder 220V zu verwendenden Sicherungen.
Der Spannungswähler wird woanders sitzen.
|
BID = 641979
Her Masters Voice Inventar
     
Avatar auf fremdem Server ! Hochladen oder per Mail an Admin
Beiträge: 5312 Wohnort: irgendwo südlich von Berlin
|
ich tipp mal darauf dass das Gerät seine Spannung über die beiden äusseren Pins bekommt und in der Mitte der Stecker (ggf mit Sicherungshalter drin) fehlt mit Dem zwischen den möglichen Eingangsspannungen umgesteckt werden kann.
_________________
Tschüüüüüüüs
Her Masters Voice
aka
Frank
***********************************
Der optimale Arbeitspunkt stellt sich bei minimaler Rauchentwicklung ein...
***********************************
|
BID = 641986
Mr.Ed Moderator
      
Beiträge: 36327 Wohnort: Recklinghausen
|
Denkbar ist da vieles, ich erinnere mich z.B. an einen kleinen russischen Fernseher bei dem man über den Stecker die Betriebsspannung wählen konnte.
Sowas wäre da auch möglich, bei 230V Brücke im Stecker, bei 127V Anschlüsse an jeweils 2 Pins usw.
Klarheit würde da erst das Originale Netzkabel bringen oder ein Blick in die Schaltungsunterlagen. Die wären ohnehin sinnvoll, schon für das einmessen auf heute übliche westliche Bandsorten.
_________________
-=MR.ED=-
Anfragen bitte ins Forum, nicht per PM, Mail ICQ o.ä. So haben alle was davon und alle können helfen. Entsprechende Anfragen werden ignoriert.
Für Schäden und Folgeschäden an Geräten und/oder Personen übernehme ich keine Haftung.
Die Sicherheits- sowie die VDE Vorschriften sind zu beachten, im Zweifelsfalle grundsätzlich einen Fachmann fragen bzw. die Arbeiten von einer Fachfirma ausführen lassen.
|
BID = 642181
SiR Gerade angekommen
Beiträge: 14 Wohnort: halden
|
Schon einmal vielen Dank für die rege Teilnahme. Den Ansatz die beiden Außenkontakte als Phasen zu verwenden und eine Brücke oder passenden Sicherungseinsatz in die Mittelkontakte zu platzieren finde ich bis jetzt am vielversprechendsten. Der Tip mit dem Schaltbild war auch gut! Habe ehrlich gesagt gar nicht dran gedacht eins zu suchen, weil ich ansonsten schon kaum Informationen zu dem Gerät gefunden habe.
Kann jemand Russisch? :)
|
BID = 642207
Mr.Ed Moderator
      
Beiträge: 36327 Wohnort: Recklinghausen
|
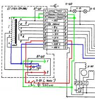
Russisch kann ich leider nicht wirklich, zum Glück sind Schaltbilder aber ziemlich international.
Die beiden äußeren großen Kontakte sind der eigentliche Netzspannungsanschluss.
Die 3 Kontakte in der Mitte sind zum wählen der Spannung.
Am mittleren liegt bei eingeschalteten Gerät die Netzspannung an. Einer der äußeren (mit Klemme 2 des Trafos verbunden) ist für den Betrieb mit 127V, der andere (mit Klemme 4 des Trafos verbunden) ist für den Betrieb mit 220V.
Was ich wußte habe ich mal drangeschrieben, den entsprechenden Teil bis zum Trafo habe ich mal bunt eingefärbt. Vielleicht können die User aus dem Osten der Republik weiterhelfen, die hatten evtl. russisch in der Schule.
Hier eine Übersetzungshilfe für den Rest.
EDIT: Link zur Übersetzungshilfe repariert.
_________________
-=MR.ED=-
Anfragen bitte ins Forum, nicht per PM, Mail ICQ o.ä. So haben alle was davon und alle können helfen. Entsprechende Anfragen werden ignoriert.
Für Schäden und Folgeschäden an Geräten und/oder Personen übernehme ich keine Haftung.
Die Sicherheits- sowie die VDE Vorschriften sind zu beachten, im Zweifelsfalle grundsätzlich einen Fachmann fragen bzw. die Arbeiten von einer Fachfirma ausführen lassen.
[ Diese Nachricht wurde geändert von: Mr.Ed am 21 Okt 2009 13:44 ]
|
BID = 642278
SiR Gerade angekommen
Beiträge: 14 Wohnort: halden
|
Vielen Dank Mr.Ed! Damit werde ich auf jeden Fall zurechtkommen. Mir graut nur jetzt schon vor dem Suchen der Leitungen die auf Kontakt 1 führen. Die Kiste ist fürchterlich verbaut, ultrakompakt und sagen wir mal vorsichtig, die meisten Lötverbindungen und Halterungen etc. machen einen wenig vertrauenerweckenden Eindruck
*bloss nichts abreissen*
Ich erstatte Bericht wenn ich fertig bin. Gruß
|
BID = 642304
Mr.Ed Moderator
      
Beiträge: 36327 Wohnort: Recklinghausen
|
Achtung: Im Schaltbild ist keine Sicherung eingezeichnet, die wird im Original wohl in den Stecker gehören.
Zitat :
| | Die Kiste ist fürchterlich verbaut, ultrakompakt und sagen wir mal vorsichtig, die meisten Lötverbindungen und Halterungen etc. machen einen wenig vertrauenerweckenden Eindruck |
Das ist halt russische Technik, wobei es auch da bessere Geräte gab. Sowas weiß man aber bevor man so einen Exoten kauft. Wenn du ein Tonbandgerät brauchst das funktioniert dann nimm eine Revox A oder B77. Die liegen preislich allerdings in anderen Regionen.
Allerdings mußt du auch da damit rechnen das du was reparieren mußt, auch diese Geräte sind alt.
Die einzelnen Stufen sind dann aber Servicefreundlich auf Steckkarten, das Servicemanual ist ein Buch statt einer Seite und Teile gibt es noch als Neuware.
Die große Zeit der Heimtonbandgeräte ist seit gut 25 Jahren vorbei, im Studio- und Rundfunkbereich seit gut 15 Jahren. Bandmaterial gibt es, gut verfügbar, nur noch von RMG. Allerdings werden momentan große Mengen an Rundfunkband (PER528) über ebay verkauft. Das stammt aus Überbeständen des Deutschlandradios, da hat wohl jemand Material für die nächsten Jahrzehnte gekauft. Es passt aber mechanisch nicht auf deine Maschine da es sich nicht auf Spulen sondern auf AEG-Kernen befindet. Diese Wickel haben ca. 30cm Durchmesser und passen nur auf professionelle oder semiprofessionelle Maschinen mit entsprechenden Wickeltellern. Wenn du jemanden kennst der so eine Maschine hat kann der dir das Band natürlich auf Leerspulen umwickeln. Zur Not kann man auch von einem neben dem Tonbandgerät stehenden Plattenspieler aus abwickeln.
_________________
-=MR.ED=-
Anfragen bitte ins Forum, nicht per PM, Mail ICQ o.ä. So haben alle was davon und alle können helfen. Entsprechende Anfragen werden ignoriert.
Für Schäden und Folgeschäden an Geräten und/oder Personen übernehme ich keine Haftung.
Die Sicherheits- sowie die VDE Vorschriften sind zu beachten, im Zweifelsfalle grundsätzlich einen Fachmann fragen bzw. die Arbeiten von einer Fachfirma ausführen lassen.
|