rfid schaltung transponder und lesegerät Im Unterforum Projekte im Selbstbau - Beschreibung: Selbstbau von Elektronik und Elektro
| Autor |
rfid schaltung transponder und lesegerät Suche nach: schaltung (31744) |
|
|
|
|
BID = 617426
chris-ti@n Gerade angekommen
Beiträge: 3 Wohnort: bielefeld
|
|
Hallo habe zwei schaltungen zum selberbauen entdeckt.
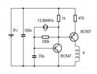
die erste schaltung ist ein lese/schreib-gerät bei der ein quarz die nötige frequenz von 13,56 Mhz liefert.leider weiss ich nich wofür die anderen bauteile dienen ,kann mir vieleicht jemand erklären wie diese schaltung funktioniert?
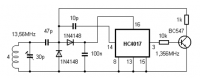
die andere schaltung ist ein transponder allerdings weiss ich nich wofür die erste die diode zuständig ist, die in sperrichtung zu dem 47pF kondensator geschaltet ist ,wenn mir jemand helfen koennte wäre ich sehr dankbar! |
|
BID = 617430
perl Ehrenmitglied
       
Beiträge: 11110,1 Wohnort: Rheinbach
|
|
Zitat :
| | kann mir vieleicht jemand erklären wie diese schaltung funktioniert? | Der erste Transistor ist der Oszillator, der zweite dient als Pufferstufe, um etwas mehr Ausgangsleistung zu erzielen.
Die Schaltung ist aber sehr schlecht dimensioniert, sodass ich mich frage wer das verbrochen hat.
Zitat :
| | allerdings weiss ich nich wofür die erste die diode zuständig ist, | Die beiden Dioden bilden zusammen mit den Kondensatoren einen Spannungsverdoppler.
|
|
BID = 617476
Lötfix Schreibmaschine
    
Beiträge: 2328 Wohnort: Wien
|
Hallo!
Bei der 2. Schaltung wird die Energie über die Empfangsspule zugeführt, mit den Dioden ist eine Spannungsverdopplung aufgebaut, der Zähler zählt im Kreis und der Transistor belastet den Schwingkreis abhängig vom Zählerstand - auch Lastmodulation genannt. Diese Belastung wirkt auf die 1. Schaltung den Sender zurück und wird bei einer besseren Schaltung auch ausgewertet, hier ist das nicht vorgesehen. Man könnte die Impulse vom Zähler aber sichtbar machen, wenn man den Spannungsabfall am 470 Ohm Widerstand am Oszilloskop betrachtet.
Wenn jetzt statt dem Zähler ein Microcontroller mit Speicher angeschlossen wäre, und der Speicherinhalt über den Transistor ausgegeben wird, könnte man diese Daten dann am Sender einer Weiterverarbeitung zuführen.
mfg lötfix
_________________
Haftungsausschluß:
Bei obigem Beitrag handelt es sich um meine private Meinung. Rechtsansprüche dürfen daraus nicht abgeleitet werden. Sicherheitsvorschriften beachten!
[ Diese Nachricht wurde geändert von: Lötfix am 28 Jun 2009 20:32 ]
|
BID = 617497
perl Ehrenmitglied
       
Beiträge: 11110,1 Wohnort: Rheinbach
|
Zitat :
| | habe zwei schaltungen zum selberbauen entdeckt. |
Das ist auch nicht ganz unproblematisch.
Zwar gibt es eine allgemeine Genehmigung dafür und angesichts der kleinen Leistung und der schlechten Antennen ist es nicht sehr wahrscheinlich dass du jemanden störst, aber dennoch sollte man diese Möglichkeit stets im Hinterkopf behalten.
Es ist z.B. ohne weiteres möglich, dass der Sender auf einer oder mehreren nicht beabsichtigen Frequenzen strahlt, und je nach Aufbau kann das sogar der Empfänger.
Wenn du dann einen anderen Funkdienst mit deinem Experiment störst, kann das sehr teuer für dich werden.
Dabei denke ich nicht an eine evtl. Strafe, sondern an die Kosten, die entstehen können um deinen Störsender ausfindig zu machen und stillzulegen.
Ein paar tausen Euro können da schon zusammenkommen.
Um zu sicher zu gehen, dass man nicht in ein solches Fettnäpfchen tritt, ist leider eine sehr aufwändige und teure Messtechnik erforderlich.
Besser also, du baust keinerlei Sender, solange du nicht das nötige Wissen und Werkzeug hast um deren Unarten zu beherrschen.
[ Diese Nachricht wurde geändert von: perl am 28 Jun 2009 21:38 ]
|
BID = 617507
chris-ti@n Gerade angekommen
Beiträge: 3 Wohnort: bielefeld
|
vielen dank für eure hilfe!
|
BID = 617513
chris-ti@n Gerade angekommen
Beiträge: 3 Wohnort: bielefeld
|
hallo perl,
das ganze soll nich zur störung anderer netze dienen ,ich interesiere mich einfach dafür.
perl welcher der beiden transistoren ist die pufferstufe und wozu dient diese sogenannte pufferstuffe in der reader schaltung?
|
BID = 617530
perl Ehrenmitglied
       
Beiträge: 11110,1 Wohnort: Rheinbach
|
Bitte achte weiterhin auf eine vernünftige Schreibweise. Das ist hier kein Chat und die Texte sind nach Jahren noch zu lesen.
Zitat :
| | das ganze soll nich zur störung anderer netze dienen |
Das glaube ich dir, aber dennoch besteht diese Gefahr, wenn man soetwas tatsächlich aufbaut.
Zitat :
| | welcher der beiden transistoren ist die pufferstufe und wozu dient diese sogenannte pufferstuffe in der reader schaltung? |
Der Rechte.
Das ist auch kein Reader, denn dann käme ja irgendwo ein Signal heraus, sondern nur ein Sender.
Das mit "4" bezeichnete Bauteil ist die Sendespule, die (hier) wohl vier Windungen hat und relativ gross, vielleicht so wie ein Bierdeckel, sein dürfte.
Damit wird, wie Lötfix schon erklärte, einerseits der Transponder mit Energie versorgt und andererseits verändert der Verlustmodulator des Transponders das Reflexionsverhalten der Empfangsspule.
Wenn man wissen möchte was der Transponder antwortet, braucht man einen (Detektor-) Empfänger mit einer weiteren Empfangsspule, der auf die Überlagerung von Senderwelle und der vom Transponder reflektierten Energie reagiert.
U.U. kann man auch die Sendespule gleichzeitig für diesen Zweck verwenden, aber offensichtlich ist das hier nicht der Fall.
[ Diese Nachricht wurde geändert von: perl am 28 Jun 2009 23:06 ]
|
|
Zum Ersatzteileshop
Bezeichnungen von Produkten, Abbildungen und Logos , die in diesem Forum oder im Shop verwendet werden, sind Eigentum des entsprechenden Herstellers oder Besitzers. Diese dienen lediglich zur Identifikation!
Impressum
Datenschutz
Copyright © Baldur Brock Fernsehtechnik und Versand Ersatzteile in Heilbronn Deutschland
gerechnet auf die letzten 30 Tage haben wir 18 Beiträge im Durchschnitt pro Tag heute wurden bisher 6 Beiträge verfasst © x sparkkelsputz Besucher : 187845228 Heute : 14642 Gestern : 15830 Online : 272 20.12.2025 17:00 11 Besucher in den letzten 60 Sekunden alle 5.45 Sekunden ein neuer Besucher ---- logout ----viewtopic ---- logout ----
|
xcvb
ycvb
0.0549161434174
|