Schaltung an PC anschließen Im Unterforum Grundlagen - Beschreibung: Grundlagen und Fragen für Einsteiger in der Elektronik
| Autor |
Schaltung an PC anschließen Suche nach: schaltung (31736) |
|
|
|
|
BID = 539226
Lupin III. Schriftsteller
     Beiträge: 616 Wohnort: Salzburg
|
|
Die Masse in einer Schaltung ist da, wo du definierst, dass sie liegt. Sie ist einfach ein gemeinsamer Bezugspunkt, damit für jeden Teil einer Schaltung (oder verbundener Schaltungen) 5V auch wie 5V aussehen. Spannungen werden von dem Punkt weg gemessen.
Rein theoretisch (nicht machen ohne weiterzulesen ) kannst du auch den 5V Pol deiner sonst galvanisch getrennten Schaltung mit der USB-Masse verbinden ohne dass irgendwas passiert, solange dies die einzige Verbindung ist, die du hast. Eine Leitung ist noch kein Stromkreis. Sobald du aber Datenleitungen verbindest, geht was in Rauch auf. Sendet die externe Schaltung ein High-Level-Signal, sieht der PC 0V. Ein Low-Level-Signal hat aber plötzlich -5V gegenüber der Masse, was der USB-Anschluss wahrscheinlich gar nicht mag!
Stell dir ein gavalnisch getrenntes Netzteil wie eine virtuelle 5V-Batterie vor. Hättest du Sorgen den Minuspol der Batterie an die Masseleitung zu halten? Nein, oder? Aber würdest du auf die Idee kommen den Pluspol gleichzeitig an die 5V-Leitung zu halten? Hoffentlich nicht. Das ist das was Sebra gemeint hat. Auch wenn bei beiden Netzteilen 5V rauskommen sollten, stimmt dies nie exakt. Sobald du die Netzteile parallel schaltest, würde ein Ausgleichsstrom fließen, der fast sicher etwas unnötig belastet und im Extremfall was zum Rauchen bringt.
Ich würde schon aufpassen, was passiert wenn du den Computer zuerst einschaltest. "Masse aufdrücken" als Ausdruck hat keinen Sinn (das ist einfach eine Leitung die so definiert wird), ist also kein Problem. Aber es kann tatsächlich sein, dass der USB-Port auf Empfängerseite verschnupft darauf reagiert, wenn ein High-Signal anliegt, aber keine Versorgungsspannung. Ob das schlimm ist oder nicht hängt aber vom Empfängerbaustein ab. |
|
BID = 539230
BlackLight Inventar
      Beiträge: 5443
|
|
Zitat : kreidel hat am 3 Aug 2008 16:43 geschrieben :
|
Ist denn sicher, das der PC Erdbezug hat? Vielleicht ist sein Netzteil ja auch schon galvanisch getrennt. Kann man das nachprüfen? | Ja, einfach einen Durchgangsprüfer an den Schutzleiter und ein schwarzes Massekabel vom Netzteil halten.
Zitat :
| | Was passiert denn wenn man zwei Massepotenziale verbindet, die beide keinen Erdbezug haben? | Dann schweben die halt gemeinsam ohne Erdbezug irgendwo rum.
Zitat :
| | Wenn ich den PC einschalte und der seine Masse der externen Schaltung aufdrückt, kann es da kurzzeitig zu komischen Pegeln kommen? | Nein, die Verbindung Schutzleiter-PC-Masse besteht unabhängig vom Betriebszustand.
Edit:
Zitat :
| | Bleibt noch die Frage nach dem Netzteil. ... | Ich halte diese beiden für geeignet:
12€ 'SNT 2500' (2-2,5 A, diverse Spannungen)
20€ 'PSAA 15W-050' (3 A, 5 V)
Sind zwar (leider) beides Schaltnetzteile, haben aber einen Eurostecker und sind somit potentialfrei am Ausgang.
Beim ersten kann man sogar noch die Ausgangsspannung umstellen.
[ Diese Nachricht wurde geändert von: BlackLight am 3 Aug 2008 20:30 ] |
|
BID = 539465
kreidel Gerade angekommen
Beiträge: 17 Wohnort: münchen
|
Danke euch allen für die Antworten
Die Netzteilfrage kam daher das ich mir immer eingebildet hab das Schaltnetzteile ohne Trafo arbeiten  und ich keinen ausreichend starken Normal-Trafo gefunden hab. Nachdem BackLight aber nun von Schaltnetzteilen gesprochen hat hab ich mich eben von Wikipedia belehren lassen, das auch Schaltnetzteile nen Trafo haben und auch der Regelkreis ne Trennung hat. Wieder was gelernt..
Wieso schreibst du eigentlich "leider" beim Schaltnetzteil? Klein, hoher Wirkungsgrad.. Taugen die nicht so gut?
Hab grad irgendwo gelesen, das die Probleme mit schnellen Lastwechseln haben (hab viele Lastwechsel.. viele PWMs). Kann das ein Problem werden?
@Lupin III: Super Erklärung
Die Sache mit dem ausgeschalteten PC macht mir aber doch noch Sorgen.
Sollte man besser die Signalpins mit Optokopplern trennen?
yet another dankeschön
Kreidel
|
BID = 539505
Lupin III. Schriftsteller
     Beiträge: 616 Wohnort: Salzburg
|
Zitat :
kreidel hat am 4 Aug 2008 22:16 geschrieben :
|
Hab grad irgendwo gelesen, das die Probleme mit schnellen Lastwechseln haben (hab viele Lastwechsel.. viele PWMs). Kann das ein Problem werden?
|
Ja, kommt aber auf einige Parameter an. Z. B. wieviel Strom du ziehst, wie groß die Kondensatoren im SNT sind, wie schnell das SNT nachregelt, das Verhältnis von SNT-Frequenz zu PWM-Frequenz usw. Wenn du Pech hast, kann das ganze zu schwingen beginnen.
Ich habe mal eine Schaltung gebaut, die einige Ampere mit ca. 5 kHz geschalten hat. Zu Testzwecken hatte ich da eine 50 W Halogenbirne (also ca. 4 A bei 12 V) dran und versorgt wurde das ganze von einem 300 W PC-Netzteil (kein Qualitätsgerät, einfach aus einem alten Computer). Die Schaltung hat noch funktioniert (die kompliziertesten Teilen darin waren Opamps), aber aus dem Netzteil sind sehr eigenartige Geräusche gekommen, die sich je nach Belastung und PWM-Frequenz geändert haben. Ein anderes, schwächeres Netzteil mit Trafo, Gleichrichter, Spannungsregler und großem Kondensator ist hingegen ganz ruhig geblieben.
Zitat :
|
Die Sache mit dem ausgeschalteten PC macht mir aber doch noch Sorgen.
Sollte man besser die Signalpins mit Optokopplern trennen?
|
Ich rate mal jetzt ins blaue, dass 20 kbit/s von den meisten Optokoppler geschafft werden sollten (darüber muss man wahrscheinlich schon etwas nach den richtigen Teilen suchen). Aber wie wäre es, wenn du nur den Leistungsteil galvanisch trennst? Die ganze Kontrollelektronik, die das PWM-Signal erzeugt, wird ja wohl mit den 500mA des USB's auskommen. Außerdem hast du so viel weniger Probleme mit den Störungen, die durch das Pulsen verursacht werden (je nachdem, was gepulst wird, ist es dann z. B. auch weniger wichtig wie stabil die Spannung am externen Netzteil ist).
|
BID = 539694
kreidel Gerade angekommen
Beiträge: 17 Wohnort: münchen
|
Zitat :
|
...
Computer). Die Schaltung hat noch funktioniert (die kompliziertesten Teilen darin waren Opamps), aber aus dem Netzteil sind sehr eigenartige Geräusche gekommen, die sich je nach Belastung und PWM-Frequenz geändert haben. Ein anderes, schwächeres Netzteil mit Trafo, Gleichrichter, Spannungsregler und großem Kondensator ist hingegen ganz ruhig geblieben.
|
Wenn das Schlimmste was passieren kann ist, dass sich das Netzteil in die Ecke stellt, dann würd ichs einfach mal probieren. Schlimm wär es nur wenn es aus lauter Beschwingtheit eine zu hohe Spannung abgeben würde.
Zitat :
|
...
Aber wie wäre es, wenn du nur den Leistungsteil galvanisch trennst? Die ganze Kontrollelektronik, die das PWM-Signal erzeugt, wird ja wohl mit den 500mA des USB's auskommen. Außerdem hast du so viel weniger Probleme mit den Störungen, die durch das Pulsen verursacht werden (je nachdem, was gepulst wird, ist es dann z. B. auch weniger wichtig wie stabil die Spannung am externen Netzteil ist).
|
Ja die Kontrollelektronik tät locker mit Buspower auskommen. Interessante Idee. Du meinst den Leistungsteil galvanisch trennen im Sinne von Netzteil-ist-ja-galvanisch-getrennt oder im Sinne von Optokoppler-zwischen-Kontrollteil-und-Leistungsteil-weil-der-dann-nur-noch-100-Hz-schalten-muss-statt-20kHz?
Falls erster Fall: einfach die Atmel-Gebeine mit den Basen/Gates der Transistoren/Fets verbinden und über CE (bzw SD) die externe Spannung laufen lassen? Im Transistorfall kommt mir jetz wieder komisch vor das die Elektronen, die in die Basis reinfließen doch dem USB-Port gehören, die die vom Kollektor zum Emitter fließen aber dem externen SNT. Sowas darf man machen? FETs fänd ich in dem Zusammenhang sympathischer weil kein Strom ins Gate fließen muss, aber von davon hat mir weiter oben jemand abgeraten (bzw bipolare vorgezogen). Hab gar nich gefragt warum.
muchas gracias seniores
Kreidel
|
BID = 539726
Lupin III. Schriftsteller
     Beiträge: 616 Wohnort: Salzburg
|
Zitat :
| Schlimm wär es nur wenn es aus lauter Beschwingtheit eine zu hohe Spannung abgeben würde.
|
Genau das ist das Problem bei Schwingungen. Aber man kann mit großen Kondensatoren oder einem überdimensionierten Netzteil gegenwirken.
Zitat :
| Ja die Kontrollelektronik tät locker mit Buspower auskommen. Interessante Idee. Du meinst den Leistungsteil galvanisch trennen im Sinne von Netzteil-ist-ja-galvanisch-getrennt oder im Sinne von Optokoppler-zwischen-Kontrollteil-und-Leistungsteil-weil-der-dann-nur-noch-100-Hz-schalten-muss-statt-20kHz?
Falls erster Fall: einfach die Atmel-Gebeine mit den Basen/Gates der Transistoren/Fets verbinden und über CE (bzw SD) die externe Spannung laufen lassen? Im Transistorfall kommt mir jetz wieder komisch vor das die Elektronen, die in die Basis reinfließen doch dem USB-Port gehören, die die vom Kollektor zum Emitter fließen aber dem externen SNT. Sowas darf man machen? FETs fänd ich in dem Zusammenhang sympathischer weil kein Strom ins Gate fließen muss, aber von davon hat mir weiter oben jemand abgeraten (bzw bipolare vorgezogen). Hab gar nich gefragt warum.
|
Zweiteres. Das Signal, das normalerweise den Leistungstransistor schalten würde, geht in den Optokoppler. An dessen Ausgang hängt dann der Endstufentransistor.
Ein Datensignal über Optokoppler weiterzugeben, ist nicht ohne. Nur weil vorne ein Rechteck reingeht, heißt das noch lange nicht, dass hinten auch wieder eins rauskommt. Je nachdem wie kritisch der Empfänger auf Einhaltung der Timings und z. B. Flankensteilheit besteht, handelst du dir da schwer zu findende Probleme ein (manchmal geht's, manchmal nicht).
Das PWM-Signal ist da viel unkritischer. Da möchte man zwar auch besonders steile Flanken, aber bei 100 Hz könntest du dir den OK sogar selber mit Diode und Fototransistor aufbauen und es würde noch funktionieren.
Mir sind MOS-FETs als Leistungstransistoren lieber. Bei richtiger Ansteuerung machen die schneller zu als z. B. ein Darlington (den du für hohe Leistung brauchst). Außerdem ist der Spannungsabfall und damit die Verlustleistung oft geringer als bei einem Bipolar-Transistor. So ähnlich wie unten habe ich das vor kurzem mit einem Bekannten zusammen gebastelt, um an den Ausgang eines PWM-Reglers in einem ferngesteurten Flugzeug stärkere Motoren anzuschließen (der Empfänger eines billigen China-Helis wurde in einen Eigenbau übersiedelt; da der Heli gegendrehende Rotoren anstatt eines Heckrotors hatte, ersetzen die im Flugzeug jetzt prima das Seitenruder). Die MOS-FETs waren in dem Fall einfach von einem Mainboard runtergelötet. Der Flieger hat schon seine ersten Flüge hinter sich. Die Widerstandswerte sind allerdings Richtwerte und richten sich nach den Daten des OKs und FETs. Eventuell sollte man sogar noch einen Kleinleistungstransistor (z. B. BC327) auf der Leistungsseite dazwischen schalten.
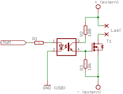
Übrigens, die Elektronen "wissen" schon wo sie hin müssen. Also den anderen Aufbau mit einem Bipolartransistor darf man durchaus machen. Das hat auch gar nichts mit FET-oder-nicht-FET zu tun. Man kann beides sowohl galvanisch getrennt als auch nicht getrennt aufbauen. Galvanisch getrennt hat eben den großen Vorteil, dass sich Störungen schon viel schwerer tun. (bei PWM sieht man die Zacken mit dem Oszi in der ganze Schaltung, wenn man nicht speziell dafür sorgt, dass sie nicht rüberkommen)
[ Diese Nachricht wurde geändert von: Lupin III. am 6 Aug 2008 1:35 ]
|
BID = 539924
kreidel Gerade angekommen
Beiträge: 17 Wohnort: münchen
|
danke für die Erklärung und den Schaltplan.
Zitat :
|
Genau das ist das Problem bei Schwingungen. Aber man kann mit großen Kondensatoren oder einem überdimensionierten Netzteil gegenwirken.
|
Ich schätze ich könnte auch noch etwas an meinem PWM Algorithmus feilen. Ich steuere über 6 AtTiny2313 insgesamt 90 LEDs per PWM. Zur Zeit schaltet der am Anfang jeder Zeiteinheit alle Ausgänge an und in Abhängigkeit der Helligkeit irgendwann später in dieser Zeiteinheit wieder aus. Es ist ziemlich fummelig mit 128Byte RAM eine konfigurierbare PWM für 15 LEDs hinzubekommen.. Aber vielleicht kann ich die An-Zeiten der einzelnen LEDs irgendwie besser über die Zeiteinheit verteilen um die Stromspitzen zu vermeiden. Das sollte das Schwingen etwas eindämmen.
Zitat :
|
Zweiteres. Das Signal, das normalerweise den Leistungstransistor schalten würde, geht in den Optokoppler. An dessen Ausgang hängt dann der Endstufentransistor.
Ein Datensignal über Optokoppler weiterzugeben, ist nicht ohne. Nur weil vorne ein Rechteck reingeht, heißt das noch lange nicht, dass hinten auch wieder eins rauskommt. Je nachdem wie kritisch der Empfänger auf Einhaltung der Timings und z. B. Flankensteilheit besteht, handelst du dir da schwer zu findende Probleme ein (manchmal geht's, manchmal nicht).
Das PWM-Signal ist da viel unkritischer. Da möchte man zwar auch besonders steile Flanken, aber bei 100 Hz könntest du dir den OK sogar selber mit Diode und Fototransistor aufbauen und es würde noch funktionieren.
|
Ob das nun ein Rechteck oder ein Trapez oder ein Buckel ist sollte der LED beim Dimmen ja eigentlich egal sein oder? Die Sache mit den OKs gefällt mir aus meiner Paranoia-Sicht eigentlich gut, aber... die ganze Geschichte mit dem externen Netzteil kam ja daher, das der USB-Strom nicht für 90 LEDs reicht. Wenn ich jetzt statt der 90 LEDs 90 OKs betreiben will stehe ich wieder vor Ausgangsproblem  Ich hab grad mal etwas gestöbert und die OKs verbrauchen nicht nennenswert weniger. Manche sogar mehr als die LED
Würde auch recht teuer.
Also zurück zur Idee mit OKs zwischen USB-Dekoder und Atmels. Ich hab mich etwas belesen, das normale OKs zwischen 50kHz und 10MHz schalten können. Es gibt zwar auch langsamere Typen, aber da muss ich halt aufpassen. Hier zählt aber jetzt wohl schon das Rechteckverhalten was du oben angesprochen hast. Ich hab gelesen das es Digitaloptokoppler gibt. Kennst du dich da aus? Kannst du einen empfehlen?
Die Ausgänge des Atmels tät ich dann an je ein Gate eines FETs legen. Bei genauerem Nachdenken könnt ich mir das aber auch sparen weil der Atmel 40mA pro Bein treiben kann und meine LEDs nur je 20 ziehen.
Zitat :
|
Übrigens, die Elektronen "wissen" schon wo sie hin müssen. Also den anderen Aufbau mit einem Bipolartransistor darf man durchaus machen. Das hat auch gar nichts mit FET-oder-nicht-FET zu tun. Man kann beides sowohl galvanisch getrennt als auch nicht getrennt aufbauen. Galvanisch getrennt hat eben den großen Vorteil, dass sich Störungen schon viel schwerer tun. (bei PWM sieht man die Zacken mit dem Oszi in der ganze Schaltung, wenn man nicht speziell dafür sorgt, dass sie nicht rüberkommen)
|
Ok. Insofern muss es auf alle Fälle irgendwas optokopplisches werden weil ich nich will das sich irgendwelche Zacken in meinen PC breitmachen.
tausend Dank
Kreidel
|
BID = 539963
Lupin III. Schriftsteller
     Beiträge: 616 Wohnort: Salzburg
|
Verstehe ich das richtig, Du möchtest von 90 LEDs jede unabhängig dimmen können? Nachdem du nicht genau geschrieben hast, was du machen möchtest, habe ich mal im Kaffe-Sud gelesen und gedacht, du möchtest vielleicht einen Motor oder eine LED-Leiste (höchstens 3-Kanal) anschließen (die Hauptanwendungen, nach denen hier gefragt wird). Aber so wird das mit den OK vom Aufwand her tatsächlich ein Problem (und sinnlos wie du schon selbst erkannt hast). Wenn das nur einzelne 20mA-LEDs sind, solltest du die wirklich direkt anschließen.
Der OK muss auch aus meiner Sicht also zwischen Dekoder und Atmels. Muss das bidirektional sein? Mit Typen kann ich hier leider nicht weiterhelfen, da ich sowas in der Geschwindigkeitsklasse noch nicht gebraucht habe. Also schreib das auf alle Fälle hier hinein, wenn du einen gefunden hast. Interessiert mich selbst.
Die Flanken sind einer LED tatsächlich egal (solange es jetzt nicht wieder um optische Signalübertragung oder sowas geht). Wenn du aber einen Leistungstransistor anschließt, um hohe Ströme zu schalten, ändert sich das. Während der Flanke ist der Transistor sozusagen im Regelbetrieb und verbrät die meiste Leistung. Deswegen möchte man möglichst nur den "auf"- und den "zu"-Zustand. Übrigens: bei FET direkt an Atmel-Beinchen auf die Gatespannung aufpassen. Viele sind bei den 5V nämlich noch fast zu (dafür gibt's Logic-Level-Mosfets; gute Quelle dafür: Mainboards  ).
Zur Lastverteilung: das kenne ich. Lass mich raten  : Für jede LED gibt's einen Wert zwischen 0 und 255 und ein Zähler läuft von 0 bis 255. Sobald der gleich dem LED-Wert ist, geht die LED aus. Bei 0 gehen wieder alle an.
Die einfachste Lösung ist, da du schon 6 Atmels hast, die Zähler irgendwie versetzt laufen zu lassen. Ich weiß zwar nicht wie du alles initialisierst (und synchronisierst), aber für so eine Änderung dürfte sich der Programmieraufwand in Grenzen halten.
Eine andere Möglichkeit ist ein eigener Zähler pro LED (zusätzlich zum "Helligkeits"-Wert), die alle versetzt initialisiert werden. Das habe ich mal für 16 PWM-gesteuerte LEDs implementiert, die an einer kleinen Batterie hängen sollten (selbes Problem in kleinerem Maßstab). Etwas mehr Aufwand, aber dafür noch verteilter, insbesondere wenn du es mit der ersten Möglichkeit kombinierst (hilft sehr gegen die Probleme mit einem Schaltnetzteil).
EDIT:
Aja, ein noch was. Ich glaube es gibt bei Atmels noch einen Maximalstrom pro Port oder IC. Außerdem hast du bei 20mA ein paar 1/10 Volt weniger als Vcc (irgendwas mit 4,5 V @ 20 mA habe ich in Erinnerung; darfst raten, was die fehlenden 0,5 V machen). Das musst du prüfen bevor du viele LEDs direkt anschließt.
[ Diese Nachricht wurde geändert von: Lupin III. am 7 Aug 2008 2:19 ]
|
BID = 540446
kreidel Gerade angekommen
Beiträge: 17 Wohnort: münchen
|
soo endlich Wochenende.. und wieder etwas mehr Zeit zum Basteln..
Zitat :
Lupin III. hat am 7 Aug 2008 02:03 geschrieben :
|
Verstehe ich das richtig, Du möchtest von 90 LEDs jede unabhängig dimmen können? Nachdem du nicht genau geschrieben hast, was du machen möchtest, habe ich mal im Kaffe-Sud gelesen und gedacht, du möchtest
|
Ja genau. 90 LEDs unabhängig dimmen. Für was ambilightiges hinter dem Monitor.
Zitat :
|
Der OK muss auch aus meiner Sicht also zwischen Dekoder und Atmels. Muss das bidirektional sein? Mit Typen kann ich hier leider nicht weiterhelfen, da ich sowas in der Geschwindigkeitsklasse noch nicht gebraucht habe. Also schreib das auf alle Fälle hier hinein, wenn du einen gefunden hast. Interessiert mich selbst.
|
Werd ich tun.
Bidirektional - weiß nich. Die Informationen müssen nur in eine Richtung fließen, aber evtl brauch ich ja ein Acknowledge. Hab mich noch nicht für ein Protokoll entschieden. Ich werd einen Chef-Atmel in die Mitte setzen, der die anderen nur als PWM-Sklaven hernimmt. Der Chef kümmert sich um Kommunikation mit dem PC und die Vorberechnung der PWM-Tabellen (Anpassung der empfundenen Farb/Helligkeits-Kurven, Sortierung, Stromlastverteilung, etc etc). Je nach dem was dieser Atmel kann (I2C, UART, ...) werd ich die Kommunikation aufsetzen.
Warum fragst du? Muss ich auf irgendwas speziell achten? Oder gibts gar fertige bidirektionale OKs?
Zitat :
|
Übrigens: bei FET direkt an Atmel-Beinchen auf die Gatespannung aufpassen. Viele sind bei den 5V nämlich noch fast zu (dafür gibt's Logic-Level-Mosfets; gute Quelle dafür: Mainboards ).
|
Na toll
Du meinst nachdem die Zusammenschaltung der beiden Netzteile schiefgegangen ist und ich ein Mainboard übrig hab?
Zitat :
|
Zur Lastverteilung: das kenne ich. Lass mich raten : Für jede LED gibt's einen Wert zwischen 0 und 255 und ein Zähler läuft von 0 bis 255. Sobald der gleich dem LED-Wert ist, geht die LED aus. Bei 0 gehen wieder alle an.
|
Fast. Bei 0 gehen alle aus und in Abhängigkeit der Helligkeit irgendwann später in der Periode an. Erspart ein if-statement zum Abfangen komplett ausgeschalteter LEDs
Aber wie gesagt.. Ich werd stattdessen lieber den Chefatmel benutzen um die PWM-Tabellen zu bauen, und der hat ja die Übersicht über alle 6 PWM-Atmels und kann den Stromverbrauch gut verteilen.
Zitat :
|
EDIT:
Aja, ein noch was. Ich glaube es gibt bei Atmels noch einen Maximalstrom pro Port oder IC. Außerdem hast du bei 20mA ein paar 1/10 Volt weniger als Vcc (irgendwas mit 4,5 V @ 20 mA habe ich in Erinnerung; darfst raten, was die fehlenden 0,5 V machen). Das musst du prüfen bevor du viele LEDs direkt anschließt.
|
Hmm echt? Danke. Is mir gar nix in Erinnerung geblieben. Imax pro Bein ist 40mA -> Ok. Werd nochmal das Datenblatt durchforsten nach Imax pro Chip.
Vielen Dank und schönes Wochenende!
Kreidel
|
BID = 540514
Lupin III. Schriftsteller
     Beiträge: 616 Wohnort: Salzburg
|
Zitat :
| | Warum fragst du? Muss ich auf irgendwas speziell achten? Oder gibts gar fertige bidirektionale OKs? |
I2C ist inhärent bidirektional. Ich frage mich, wie man das mit Optokopplern verschalten soll. Wenn du eine Leitung auf 0 V ziehst, das durch den Optokoppler auf die andere Seite weitergibst, wird dort die Leitung auf 0 V gezogen (was ja auch so sein soll). Aber die Seite gibt das dann selbst wieder durch den OK zurück, womit beide Seiten immer auf 0 V hängenbleiben. Also einfach Eingang und Ausgang zweier OK parallel schalten, um Bidirektionalität zu erreichen, funktioniert nicht. Da muss schon etwas komplizierteres her. Aber da endet leider meine Erfahrung, sowohl was Teile als auch was Verschaltung betrifft. UART hingegen könnte gehen, solange man nur in eine Richtung senden muss. Da gibt es so viel ich weiß kein ACK.
Zitat :
| Na toll
Du meinst nachdem die Zusammenschaltung der beiden Netzteile schiefgegangen ist und ich ein Mainboard übrig hab? |
Damit du für dein Projekt genug zusammen bekommst, müsstest du ganz schön lernresistent sein  , denn so viele sind da auch wieder nicht drauf. Außerdem glaube ich kaum, dass du 200A Pulsstrom brauchst (ja, Teile bis zu der Leistungsklasse kann man finden).
|
BID = 540523
Racingsascha Schreibmaschine
    
Beiträge: 2247 Wohnort: Gundelsheim
|
MOSFETs brauch man imho nur wenn man relativ große Ströme schalten muss, für ne popelige LED reicht doch ein BC547.
Zitat :
| | UART hingegen könnte gehen |
Müsste sogar, hat ja getrennte Din/Dout Pins, genauso wie SPI. Würde aber UART bevorzugen, brauch man nur 2 OKs, statt 4 bei SPI. Ack könnte man per Software (irgendein Byte zurücksenden) machen.
_________________
Fnord ist die Quelle aller Nullbits in deinem Computer.
Fnord ist die Angst, die Erleichterung, und ist die Angst.
Fnord schläft nie.
|
BID = 540637
kreidel Gerade angekommen
Beiträge: 17 Wohnort: münchen
|
Ja die OKs bidirektional zu schalten ist irgendwie komisch. Ich lass I2C lieber..
Ich hab gelesen, das man nicht SPI nehmen soll um 2 Platinen zu verbinden weil es nicht störsicher ist. Aber UART ist doch auch nicht störsicherer oder? Ist das überhaupt ein Problem bei 20kHz?
Die Kommunikation zw dem Chefatmel und den PWM-Sklaven wollt ich eigentlich per SPI machen (wegen ChipSelect-Möglichkeit), aber die 2313er haben gar keins. Man kann USI SPI-artig benutzen, hat aber leider kein ChipSelect. Nachdem der Chefatmel ja aber mit sechs 2313ern sprechen muss: darf ich einfach alle USI-Eingänge parallel schalten?
Wenn ja würd ich einfach die ersten 3 Bits in jedem Wert als Chip-Adresse nehmen und so das Chipselect in Software machen.
Wenn nein, kann man mit den UART-Beinen eine Art Ringbus bauen (Tx des einen ins RX des nächsten)? Ich muß aktiev nie Daten zurückschicken. Aber wenn das UART-Protokoll von sich aus irgendwas zurückschicken will (ACKs oder so), dann hab ich schlechte Karten mit dem Ring. Also wenn das auch nicht gehen würde: irgendwelche anderen Ideen?
Ich will vermeiden mir ein eigenes Chipselect aus AND-GAttern zu bauen..
Thanx
Kreidel
|
|
Zum Ersatzteileshop
Bezeichnungen von Produkten, Abbildungen und Logos , die in diesem Forum oder im Shop verwendet werden, sind Eigentum des entsprechenden Herstellers oder Besitzers. Diese dienen lediglich zur Identifikation!
Impressum
Datenschutz
Copyright © Baldur Brock Fernsehtechnik und Versand Ersatzteile in Heilbronn Deutschland
gerechnet auf die letzten 30 Tage haben wir 16 Beiträge im Durchschnitt pro Tag heute wurden bisher 3 Beiträge verfasst © x sparkkelsputz Besucher : 186817942 Heute : 15537 Gestern : 47700 Online : 154 26.11.2025 10:48 5 Besucher in den letzten 60 Sekunden alle 12.00 Sekunden ein neuer Besucher ---- logout ----viewtopic ---- logout ----
|
xcvb
ycvb
0.0521700382233
|