| Autor |
|
Dauersignal in einm. Impuls umwandeln (kleinste Methode)? |
|
|
|
|
BID = 518061
Adi90 Gerade angekommen
Beiträge: 14 Wohnort: Berlin
|
|
Hi,
Für ein Bastelbrojekt, bei dem es darum geht ein mechanisches Bauteil durch eine wesentlich kleinere elektrische Schaltung zu ersetzen suche ich nach einer Möglichkeit ein dauerhaftes Eingangssignal (gedrückt gehaltener Taster) in einen einmaligen Impuls umzuwandeln um einen RS-Flipflop (4043) damit anzusteuern.
Erst wäre mir die Idee gekommen es mit einem NE555 in Beschaltung einer monostabilen Kippstufe zu betreiben, doch bedenkt man die äußere Beschaltung wäre mir das ein wenig zu groß.
Gibt es irgendeinen IC, der bei einer positiven Flanke des Eingangssignals (Taster wird gedrückt) einen Impuls ausgibt(setzen des RS-FlipFlops)?
Es geht darum eine Modell-Hebevorrichtung zu betreiben. Durch drücken des Tasters wird ein RS-FlipFlop gesetzt, der einen Leistungs MOSFET steuert, welcher den Motor an der Hebevorrichtung betreibt. Kurz vor dem kompletten erreichen der Endstellung fähr die Vorrichtung an einem Reed-Schalter vorbei. Schließt dieser soll ebenfalls über die positive Signalflanke ein Impuls zum Reset-Eingang des FlipFlops gehen der den Motor ausschaltet.
An der technik der Vorrichtung selbst, kann ich leider nichts ändern. Ich kann eben nur die Kontakte des Tasters, des ReedSchalters und den Eingang des FETs benutzen.
Wüsste jemand von euch Rat was ich für dieses vorhaben nehmen könnte?
Danke! |
|
BID = 518070
perl Ehrenmitglied
       
Beiträge: 11110,1 Wohnort: Rheinbach
|
|
Kannst du nicht das RS-FF durch ein anderes ersetzen ?
Wie geschieht die Richtungsumschaltung des Motors ?
...und wieso kommst du an den FET heran, wenn der doch vom 4043 gesteuert wird ?
P.S.:
Zitat :
| | Gibt es irgendeinen IC, der bei einer positiven Flanke des Eingangssignals (Taster wird gedrückt) einen Impuls ausgibt(setzen des RS-FlipFlops)? | Ein einfaches RC-Glied tut das schon:
| Code : |
+Ub----Taster---+--100nF---+-----> Logic input
| |
| |
22k 22k
| |
| |
GND-------------+----------+-----> |
|
[ Diese Nachricht wurde geändert von: perl am 24 Apr 2008 15:38 ] |
|
BID = 518118
GeorgS Inventar
     
Beiträge: 6440
|
Diese Aufgabenstellung entspricht der,
ein Auto mit Fensterheber Methode "Finger bleibt drauf
bis zur gewünschten Stellung" auf Methode "kurzer Tip
und Scheibe läuft zum Endanschlag oder bis Widerruf"
umzubauen.
Hmmm
Georg
|
BID = 518188
Adi90 Gerade angekommen
Beiträge: 14 Wohnort: Berlin
|
Zitat :
perl hat am 24 Apr 2008 15:19 geschrieben :
|
Kannst du nicht das RS-FF durch ein anderes ersetzen ?
Wie geschieht die Richtungsumschaltung des Motors ?
...und wieso kommst du an den FET heran, wenn der doch vom 4043 gesteuert wird ?
P.S.:
Zitat :
| | Gibt es irgendeinen IC, der bei einer positiven Flanke des Eingangssignals (Taster wird gedrückt) einen Impuls ausgibt(setzen des RS-FlipFlops)? | Ein einfaches RC-Glied tut das schon:
| Code : |
+Ub----Taster---+--100nF---+-----> Logic input
| |
| |
22k 22k
| |
| |
GND-------------+----------+-----> |
|
[ Diese Nachricht wurde geändert von: perl am 24 Apr 2008 15:38 ]
|
Der Motor muss seine Richtung nicht ändern. Man stelle sich vor, an einem Schaufelrad befindet sich eine Schaufel die nach Passieren des Sensors (Reed schalter) zum stehen kommt und bei erneutem drücken des Tasters das ganze Schaufelrad abfährt bis sie wieder am Reedschalter angekommen ist und dieser erneut den Reset auf High schaltet. Der Motor der das ganze antreibt wird eben durch einen LeistungsFET angesteuert.
@Die Schaltung: Toll auf die einfachsten Dinge kommt man immer nicht
Muss der Kondensator in diesem Fall bipolar sein? oder reicht es einen gepolten Kondi zu nehmen? Der müsste sich ja nach lösen des Tasters über den rechten 22k Widerstand entladen oder?
bipolare Kondis kosten ja ne Ecke mehr Geld, weswegen gepolte natürlich besser wären
Ich bin noch Anfänger also bitte nicht falsch verstehen, wenn das doch ersichtlich scheint.
|
BID = 518201
hajos118 Schreibmaschine
    
Beiträge: 2453 Wohnort: Untermaiselstein
|
Zitat :
Adi90 hat am 25 Apr 2008 04:10 geschrieben :
|
Muss der Kondensator in diesem Fall bipolar sein? oder reicht es einen gepolten Kondi zu nehmen? Der müsste sich ja nach lösen des Tasters über den rechten 22k Widerstand entladen oder?
bipolare Kondis kosten ja ne Ecke mehr Geld, weswegen gepolte natürlich besser wären
|
Aus Sicht des Kondensators können sowohl positive wie auch negative Spannungen anliegen (wenn man einen der Anschlüsse als Bezugspunkt nimmt). Also muss er bipolar sein ...
|
BID = 518207
Otiffany Urgestein
     
Beiträge: 13779 Wohnort: 37081 Göttingen
|
Der Kondensator ist doch mit 100nF kein Elektrolytkondensator, also kann es jeder andere Kondensator sein. Er muß nicht bipolar sein, das ist er schon von Haus aus!
Gruß
Peter
|
BID = 518217
hajos118 Schreibmaschine
    
Beiträge: 2453 Wohnort: Untermaiselstein
|
Zitat :
|
Er muß nicht bipolar sein, das ist er schon von Haus aus!
|
|
BID = 518927
Adi90 Gerade angekommen
Beiträge: 14 Wohnort: Berlin
|
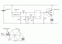
So ich hab jetzt mal diese Skizze angefertigt. Was meint ihr, könnte das Funktionieren?
[ Diese Nachricht wurde geändert von: Adi90 am 29 Apr 2008 18:21 ]
|
BID = 518933
perl Ehrenmitglied
       
Beiträge: 11110,1 Wohnort: Rheinbach
|
Warum so riesige Kondensatoren ?
Und beim FET gehört Source an Minus und der Motor zwischen Plus und Drain.
Den 33k brauchst du nicht.
_________________
Haftungsausschluß:
Bei obigem Beitrag handelt es sich um meine private Meinung.
Rechtsansprüche dürfen aus deren Anwendung nicht abgeleitet werden.
Besonders VDE0100; VDE0550/0551; VDE0700; VDE0711; VDE0860 beachten !
[ Diese Nachricht wurde geändert von: perl am 29 Apr 2008 19:19 ]
|
BID = 518969
Adi90 Gerade angekommen
Beiträge: 14 Wohnort: Berlin
|
Hi,
Alles klar das mit dem Motor hatte ich vertauscht. Der gehört ja wirklich ans Drain.
Aber in Bezug auf den 33k Kondesator. Ich habs so erklärt bekommen, dass ein FET ähnlich aufgebaut ist wie ein Kondensator (-> Feldeffekt) und seine Kapazität zum erneuten Schalten entladen werden will.
Würde der Rest der Schaltung deiner Meinung nach funktionieren?
|
BID = 518988
perl Ehrenmitglied
       
Beiträge: 11110,1 Wohnort: Rheinbach
|
Zitat :
| | habs so erklärt bekommen, dass ein FET ähnlich aufgebaut ist wie ein Kondensator (-> Feldeffekt) und seine Kapazität zum erneuten Schalten entladen werden will. |
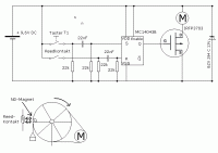
Das stimmt schon, aber das IC hat als Ausgang eine komplementäre Gegentaktendstufe, die das auch und sogar besser erledigt.
Sonst ok, aber du solltest dem IC noch seine Versorgungsspannung und Masse gönnen.
Vorsichtshalber solltest du von Vdd nach Vss noch eine Zenerdiode (12..18V), K an Plus, legen.
Sonst könnte es passieren, dass die Induktivität des Motors das IC zerstört, wenn du bei laufendem Motor die Verbindung zur Stromquelle unterbrichst.
_________________
Haftungsausschluß:
Bei obigem Beitrag handelt es sich um meine private Meinung.
Rechtsansprüche dürfen aus deren Anwendung nicht abgeleitet werden.
Besonders VDE0100; VDE0550/0551; VDE0700; VDE0711; VDE0860 beachten !
|
BID = 519000
Adi90 Gerade angekommen
Beiträge: 14 Wohnort: Berlin
|
Hi,
Ah verstehe denke ich, also, dass die Z-Diode durch die Spannungserhöhung auf über 15V zul. Versorgungsspannung des ICs durch die Induktion durchbricht und den IC kurzschließt - ihn somit schützt?
Danke Dir!
|
BID = 519012
Adi90 Gerade angekommen
Beiträge: 14 Wohnort: Berlin
|
|
BID = 519015
perl Ehrenmitglied
       
Beiträge: 11110,1 Wohnort: Rheinbach
|
Besser.
Sind das lange Leitungen zu den Schaltern ?
|
BID = 519019
Adi90 Gerade angekommen
Beiträge: 14 Wohnort: Berlin
|
1² und nichtmal 500mm
|