| Autor |
Halbleiter im eingebauten Zustand messen Suche nach: halbleiter (1266) |
|
|
|
|
BID = 500866
walli1972 Gerade angekommen
Beiträge: 8
|
|
Geräteart : Sonstige
______________________
Hallo könnte mir einer erklären wie ich Dioden/Transistoren im eingebebauten zustand messen Kann.
EDIT: Betreff ergänzt.
[ Diese Nachricht wurde geändert von: Mr.Ed am 17 Feb 2008 13:37 ] |
|
BID = 500867
Mr.Ed Moderator
      
Beiträge: 36327 Wohnort: Recklinghausen
|
|
Das hängt von der umgebenden Schaltung ab, unter gewissen Umständen geht das garnicht.
_________________
-=MR.ED=-
Anfragen bitte ins Forum, nicht per PM, Mail ICQ o.ä. So haben alle was davon und alle können helfen. Entsprechende Anfragen werden ignoriert.
Für Schäden und Folgeschäden an Geräten und/oder Personen übernehme ich keine Haftung.
Die Sicherheits- sowie die VDE Vorschriften sind zu beachten, im Zweifelsfalle grundsätzlich einen Fachmann fragen bzw. die Arbeiten von einer Fachfirma ausführen lassen. |
|
BID = 500879
walli1972 Gerade angekommen
Beiträge: 8
|
Also ich habe einen Röhren beamer .
Da gibt es ein QUAD DECODER BOARD .
Da werden die drei grunt faben mit gesteuet.
Nur Rot funst nicht mehr.
Dann soll ich Dioden/Transistoren messen?
Aber es sind viele will nicht alle auslöten.
MFG
|
BID = 500883
HansG Schreibmaschine
    
Beiträge: 1848 Wohnort: Dresden
|
Du brauchst doch nur in dem Bereich zu prüfen, wo die Farben getrennt verstärkt werden.
|
BID = 500885
walli1972 Gerade angekommen
Beiträge: 8
|
Aber wenn ich wüste welche , denn ich bin kein Elektriker.
MFG
|
BID = 500898
Mr.Ed Moderator
      
Beiträge: 36327 Wohnort: Recklinghausen
|
Zitat :
| Da werden die drei grunt faben mit gesteuet.
Nur Rot funst nicht mehr. |
Ich entziffere daraus mal das das Dekoderboard aus einem Fernsehsignal die Signale für die drei Grundfarben erzeugt und das Signal für Rot fehlt.
Zitat :
| | ich bin kein Elektriker |
Ein Elektriker hat damit ja auch nichts am Hut, der sorgt dafür das du Licht und Steckdosen hast.
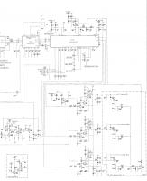
Grafik 3, aus dem IC oben rechts kommen die RGB Signale, Grautreppe einspeisen, mit Oszilloskop messen ob aus allen drei Ausgängen noch was rauskommt.
Falls ja weiter nach unten, da sind die Farbendstufen, dreimal identisch aufgebaut. Von dort geht das Signal auf die drei Röhren.
Ansonsten einen Thread im enstprechenden Reparaturbereich aufmachen.
_________________
-=MR.ED=-
Anfragen bitte ins Forum, nicht per PM, Mail ICQ o.ä. So haben alle was davon und alle können helfen. Entsprechende Anfragen werden ignoriert.
Für Schäden und Folgeschäden an Geräten und/oder Personen übernehme ich keine Haftung.
Die Sicherheits- sowie die VDE Vorschriften sind zu beachten, im Zweifelsfalle grundsätzlich einen Fachmann fragen bzw. die Arbeiten von einer Fachfirma ausführen lassen.
[ Diese Nachricht wurde geändert von: Mr.Ed am 17 Feb 2008 14:37 ]
|
BID = 500947
walli1972 Gerade angekommen
Beiträge: 8
|
Danke für die Antwort.
Habe mich aber falsch ausgedrückt.
Die rote Röhre geht noch.
Aber nicht richtig und sauber.
Also muß ich alles was noch dem IC raus kommt und zur roten Röhre geht auslöten und kontrolieren.
MFG
|
BID = 500954
Mr.Ed Moderator
      
Beiträge: 36327 Wohnort: Recklinghausen
|
Nein, mußt du nicht. Durch statisches messen der Bauteile findet man den Fehler nicht unbedingt, es ist noch nichteinmal gesagt das es an einer Diode oder einem Transistor liegt. Es kann sogar an der Röhre liegen.
Bitte mache einen neuen Thread in der richtigen Rubrik auf, mit genauer Fehlerbeschreibung(!), Gerätedaten, Foto des Fehlers usw.
_________________
-=MR.ED=-
Anfragen bitte ins Forum, nicht per PM, Mail ICQ o.ä. So haben alle was davon und alle können helfen. Entsprechende Anfragen werden ignoriert.
Für Schäden und Folgeschäden an Geräten und/oder Personen übernehme ich keine Haftung.
Die Sicherheits- sowie die VDE Vorschriften sind zu beachten, im Zweifelsfalle grundsätzlich einen Fachmann fragen bzw. die Arbeiten von einer Fachfirma ausführen lassen.
|
BID = 500958
HansG Schreibmaschine
    
Beiträge: 1848 Wohnort: Dresden
|
Auslöten brauchst du erst mal gar nichts. Viel wichtiger ist es die Korrektheit der Signale mt einem Oszilloskop zu prüfen.
|
BID = 501031
walli1972 Gerade angekommen
Beiträge: 8
|
Die Röhre ist es nicht habe ich geprüft.
Wie prüfe ich den die Korrektheit der Signale .
MFG
|
BID = 501055
Mr.Ed Moderator
      
Beiträge: 36327 Wohnort: Recklinghausen
|
Die Korrektheit überprüfst du wie oben beschrieben! Grautreppe einspeisen, die Signalform mit dem Oszilloskop überprüfen.
Und zum dritten und letzten mal: Bitte mache einen neuen Thread in der richtigen Rubrik auf, mit genauer Fehlerbeschreibung(!), Gerätedaten, Foto des Fehlers usw. !!!!!
_________________
-=MR.ED=-
Anfragen bitte ins Forum, nicht per PM, Mail ICQ o.ä. So haben alle was davon und alle können helfen. Entsprechende Anfragen werden ignoriert.
Für Schäden und Folgeschäden an Geräten und/oder Personen übernehme ich keine Haftung.
Die Sicherheits- sowie die VDE Vorschriften sind zu beachten, im Zweifelsfalle grundsätzlich einen Fachmann fragen bzw. die Arbeiten von einer Fachfirma ausführen lassen.
|