| Autor |
|
Geschirrspüler Miele G570SC |
|
|
|
|
BID = 493646
stoffel1007 Gerade angekommen
Beiträge: 8 Wohnort: Osnabrück
|
|
Geräteart : Geschirrspüler
Hersteller : Miele
Gerätetyp : G570SC
Kenntnis : Minimale Kentnisse (Ohmsches Gesetz)
Messgeräte : Phasenprüfer
______________________
Hallo!
Typenschild ist nicht mehr lesbar - müsste dafür die Maschine erst ausbauen - vielleicht bekomme ich ja bis das notwendig wird doch eine Antwort.
Zum Fehler:
die Maschine bekommt nicht genug Wasser, das Magnetventil öffnet nicht genug. Eimertest bestanden. Habe dann nur mal direkt vom Magnetventil in einen Eimer laufen lassen, es fließt ca. 1 Kaffetasse voll in dem Intervall ein.
Ich habe nun ein Austauschventil eingebaut - welches angeblich getestet ist und funkioniert. Es besteht das gleiche Problem wie vorher. Gibt es noch mehr mögliche Ursachen oder sollte das Austauschventil den gleichen Fehler haben?
Der Schwimmer im Boden wird nicht ausgelöst.
Hat jemand noch eine Idee? |
|
BID = 493811
prinz. Moderator
       Beiträge: 8940 Wohnort: Gifhorn und Wolfenbüttel
|
|
moin
Gerät ausbauen und den Zulaufschauch anschauen.
mfg
_________________
Nur für nicht Mutige
1.Freischalten
2.Gegen Wiedereinschalten sichern
3.Spannungsfreiheit allpolig feststellen
4.Erden und kurzschließen
5.Benachbarte, unter Spannung stehende Teile abdecken oder abschranken |
|
BID = 493833
stoffel1007 Gerade angekommen
Beiträge: 8 Wohnort: Osnabrück
|
Danke erstmal für die Antwort - werde mir den Zulaufschlauch auf jeden Fall mal ansehen, allerdings:
ich habe den Zulaufschlauch nach dem Ventil mal abgeklemmt und dann die Maschine angeschaltet damit das Ventil geöffnet wird und da kam halt nur ne knappe Tasse Wasser raus. Von daher meine ich, das Ventil öffnet einfach nicht richtig - aber sollte das wirklich am ventil liegen?
|
BID = 493844
shotty Schreibmaschine
    
Beiträge: 1575 Wohnort: Achter´n Diek, an der Nordseeküste
|
Hallo stoffel1007,
den Eimertest bestanden? Am Ende des Testes kommt eine Zahl raus. Wie lautet die? Ist für die Fehlerkennung wichtig.
Mit freundlichem Gruß
shotty
|
BID = 494025
stoffel1007 Gerade angekommen
Beiträge: 8 Wohnort: Osnabrück
|
Hallo Shorty,
es sind ziemlich genau 18 Liter in der Minute! Ich habe übrigens auch schon das Sieb im Ventil überprüft. Wenn das Ventil öffnen soll, um Wasser durchzulassen, vibriert dieses und es fließt während der Öffnungszeit ca. 1 Kaffeepot Wasser durch. Dann schaltet die Maschine ab und es kommt kein Tropfen mehr.
DAs nun allerdings mit zwei verschiedenen Ventilen...ich war prinzipiell von einem defekten Ventil ausgegangen.
Danke für weitere Tipps.
CHR
|
BID = 494035
stoffel1007 Gerade angekommen
Beiträge: 8 Wohnort: Osnabrück
|
So, habe nun nochmal folgenden Vergleich angestellt:
beide Magnetventile angeschlossen und direkt hinter dem Ventil das durchfließende Wasser gemessen. Ergibt zumindest eine geringfügige Abweichung:
-mein altes Ventil lässt 1,7l durch, das angeblich funktionierende Austauschventil ca. 2,5l.
Ich gehe nun davon aus, dass beide Ventile defekt sind. Was meint ihr?
|
BID = 494062
prinz. Moderator
       Beiträge: 8940 Wohnort: Gifhorn und Wolfenbüttel
|
Ich hatte doch was geschrieben!
Gemacht worden?
_________________
Nur für nicht Mutige
1.Freischalten
2.Gegen Wiedereinschalten sichern
3.Spannungsfreiheit allpolig feststellen
4.Erden und kurzschließen
5.Benachbarte, unter Spannung stehende Teile abdecken oder abschranken
|
BID = 494112
stoffel1007 Gerade angekommen
Beiträge: 8 Wohnort: Osnabrück
|
@prinz.: Ja, der Zulaufschlauch ist völlig intakt. Daran kann es doch auch nicht liegen, wenn ich den Durchfluss direkt hinter dem Magnetventil überprüfe und dort dann zuwenig durchfließt. Der Zulaufschlauch war bei diesem Test gar nicht angeschlossen.
|
BID = 494214
prinz. Moderator
       Beiträge: 8940 Wohnort: Gifhorn und Wolfenbüttel
|
moin
Wenn der Zulaufschlauch beim Einbau geknickt wird fließt auch zu wenig Wasser in das Gerät.
mfg
_________________
Nur für nicht Mutige
1.Freischalten
2.Gegen Wiedereinschalten sichern
3.Spannungsfreiheit allpolig feststellen
4.Erden und kurzschließen
5.Benachbarte, unter Spannung stehende Teile abdecken oder abschranken
|
BID = 494220
Gilb Urgestein
     
Beiträge: 16259 Wohnort: Gardine (Gardinenhof)
|
Hallo Stoffel1007,
das WPS-Ventil, am Anfang des Zulaufschlauchs, besteht meist aus zwei hydraulisch hintereinander (und elektrisch parallel) geschalteten Magnetventilen und läßt 5,5 bis 6 Liter Wasser pro Minute fließen.
Ist die Fließmenge geringer, trotz bestandenem Eimertest, ist eine der Membranen in den Ventilen defekt (eingerissen) und die Geräuschentwicklung beim Wasserziehen ist auch größer als früher.
Bei Miele gibt es nur den kompletten WPS-Schlauch für etwa 100,- € als Ersatzteil.
Mit freundlichen Grüßen
der Gilb
_________________
Ich bin der Gilb und wohne in Euren Gardinen. Meine Freunde sind Eumel und die Fleckenzwerge.
[url=https://forum.electronicwerkstatt.de/phpBB/vorstellung.php?vid=26240]Hier meine Vorstellung:
VORSICHT! Geräte stets spannungslos machen!<BR
|
BID = 494241
stoffel1007 Gerade angekommen
Beiträge: 8 Wohnort: Osnabrück
|
Hallo Prinz, hallo Gilb,
danke für die Antworten.
@prinz: die Maschine hat genau an dieser Stelle ca. 4 Jahre einwandfrei ihren Dienst verrichtet- der Zulaufschlauch war also in dieser Zeit genauso wie er heute auch ist.
@gilb: bin auch Deiner Meinung, dass nur das Ventil (und damit leider auch das "neue" Austauschventil) defekt ist. Ich werde dieses jetzt noch einmal überbrücken, um zu sehen ob es wirklich auch 220V bekommt - gehe aber davon aus.
Ich versuche wohl noch einmal, ein gebrauchtes zu bekommen.
Gruss
stoffel1007
|
BID = 494249
stoffel1007 Gerade angekommen
Beiträge: 8 Wohnort: Osnabrück
|
Hallo ElektronikFans!
Ich habe das Ventil nun einmal überbrückt - es ist NICHT defekt.
Das heisst, es kommt von der Maschine keine 220V Spannung an. Das Kabel macht aber keinen defekten Anschein. Wo könnte der Fehler im Gerät liegen?
Danke für Angebote!
Gruss, Stoffel1007
|
BID = 494385
shotty Schreibmaschine
    
Beiträge: 1575 Wohnort: Achter´n Diek, an der Nordseeküste
|
Hallo stoffel1007,
nur mal so gefragt: wie hat Du denn gemessen, das keine 230 Volt anliegen, Duspol, Multimeter oder mit einem Lügenstift(Phasenprüfer)?
Gruß
shotty
|
BID = 494553
stoffel1007 Gerade angekommen
Beiträge: 8 Wohnort: Osnabrück
|
Hallo Shotty,
ich muss zugeben, dass ich es nicht so professionell gemacht habe.
Ich habe das Ventil nur direkt an 220-230V (also Steckdose) angeschlossen und dann gemessen, wieviel Wasser in der vergleichbaren Zeit durchläuft.
Das Ergebnis war, dass nunmehr die gewünschte Menge, also ca. 6 l/Min durchfließen. Wird das Ventil von der Maschine angesteuert, ist es deutlich weniger.
Gruss,
Stoffel1007
|
BID = 494566
Gilb Urgestein
     
Beiträge: 16259 Wohnort: Gardine (Gardinenhof)
|
Hallo Stoffel1007,
(wir haben uns ja schon anderswo "kennengelernt", aber bitte nicht verraten! Die Welt ist ja so klein.)
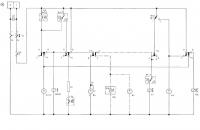
Laut dem beigefügten beispielhaften Schaltplan kommt die Netzspannung (230 Volt~) über den Hauptschalter S2 (Ein/Aus) und den Türkontakt S24 schließlich zum Schwimmerschalter B8/3 (Styroporschwimmer in der Bodenwanne) zum Programmschaltwerk (PGS) an den Kontakt P6.
Dieser P6 schaltet beim Wasserzulauf für 1 Minute nach P6H,
bei eingesetzter Brücke (zwischen P6H und P6B) für niedrigen Wasserdruck für eine weitere Minute nach P6B durch.
Der Wasserzulauf wird noch durch den Überlauf-Niveauschalter B1/2 (ganz rechts im Sockelbereich, mit dünnem Schlauch an den Sammeltopf angeschlossen) begrenzt, bei zu hoch steigendem Wasserstand im Spülraum schaltet dieser von 1-2 nach 1-3 um.
Y2 ist schließlich das Magnetventil (WPS-Ventil) im grauen Kästchen am Anfang des Zulaufschlauchs am Wasserhahn.
Wenn also alle Kontakte auf dem Strompfad dorthin geschlossen sind, bekommt das Ventil Netzspannung (230 Volt ~).
Spannungsabfall auf dem Weg dorthin sollte Wärme erzeugen und somit zu Schmorstellen (z.B. am Schwimmerschalter / PGS) führen.
Bitte Spannungen immer 2-polig messen, nicht mit Phasenprüfer!
Mit freundlichen Grüßen
der Gilb
_________________
Ich bin der Gilb und wohne in Euren Gardinen. Meine Freunde sind Eumel und die Fleckenzwerge.
[url=https://forum.electronicwerkstatt.de/phpBB/vorstellung.php?vid=26240]Hier meine Vorstellung:
VORSICHT! Geräte stets spannungslos machen!<BR
|
Liste 1 MIELE |