AKAI HiFi Verstärker Audio Anlage  AM-M630

Reparaturtipps und Ersatzteile zum Fehler:

Im Unterforum Reparatur - HIFI-Geräte - Beschreibung: Reparaturen an Stereoanlagen, CD-Player, Tuner, Verstärker, Car-HIFI

Elektronik Forum Nicht eingeloggt       Einloggen       Registrieren




[Registrieren]      --     [FAQ]      --     [ Einen Link auf Ihrer Homepage zum Forum]      --     [ Themen kostenlos per RSS in ihre Homepage einbauen]      --     [Einloggen]

Suchen


Serverzeit: 19 12 2025  18:07:06      TV   VCR Aufnahme   TFT   CRT-Monitor   Netzteile   LED-FAQ   Oszilloskop-Schirmbilder            


Elektronik- und Elektroforum Forum Index   >>   Reparatur - HIFI-Geräte        Reparatur - HIFI-Geräte : Reparaturen an Stereoanlagen, CD-Player, Tuner, Verstärker, Car-HIFI

Autor
HiFi Verstärker AKAI AM-M630

    







BID = 483268

Denboo

Gerade angekommen


Beiträge: 18
Wohnort: Nörvenich
 

  


Geräteart : Verstärker
Hersteller : AKAI
Gerätetyp : AM-M630
Chassis : Kein Ahnung
Messgeräte : Multimeter
______________________

hallo

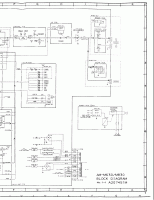
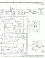
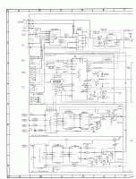
ich habe einen Verstärker von AKAI der aus dem Standbynicht mehr kommt.
Zuerst hats nur der Linke Kanal nach einer Feier nicht mehr getan, doch jetzt geht die nicht mehr an. ich habe ein schaltplan im Internet gefunden doch werde ich nicht schlau aus dem Teil. Könnte vielleicht einer von euch eine Blick drauf werfen und mir sagen wie vorgehen könnte .





Erklärung von Abkürzungen

BID = 483515

Denboo

Gerade angekommen


Beiträge: 18
Wohnort: Nörvenich

 

  

könnte das an dem STK4152 Liegen das der einen kurzschluss hat und durch eine schutzschaltung verhindert wird das der verstärker angeht. Wenn das so ist kann mir vielleicht jemand sagen wie man das überprüfen könnte ohne ein neuen STK 4152 kaufen zu müssen. Die Teile sind ja nicht so billg.

Erklärung von Abkürzungen


Zurück zur Seite 1 im Unterforum          Vorheriges Thema Nächstes Thema 


Zum Ersatzteileshop


Bezeichnungen von Produkten, Abbildungen und Logos , die in diesem Forum oder im Shop verwendet werden, sind Eigentum des entsprechenden Herstellers oder Besitzers. Diese dienen lediglich zur Identifikation!
Impressum       Datenschutz       Copyright © Baldur Brock Fernsehtechnik und Versand Ersatzteile in Heilbronn Deutschland       

gerechnet auf die letzten 30 Tage haben wir 18 Beiträge im Durchschnitt pro Tag       heute wurden bisher 12 Beiträge verfasst
© x sparkkelsputz        Besucher : 187825935   Heute : 11115    Gestern : 19310    Online : 179        19.12.2025    18:07
8 Besucher in den letzten 60 Sekunden        alle 7.50 Sekunden ein neuer Besucher ---- logout ----viewtopic ---- logout ----
xcvb ycvb
0.0178689956665