| Autor |
|
SOS PT 100 - Temperaturmessung |
|
|
|
|
BID = 483278
perl Ehrenmitglied
       
Beiträge: 11110,1 Wohnort: Rheinbach
|
|
Zitat :
| | Oder irre ich mich dort ? | Das auch.
Aber ist es wirklich nur dein Ziel die Versorgungsspannung des Opamps zu messen ?
Ich dachte, es geht darum den Widerstand des Pt100 möglichst genau zu bestimmen.
Wie wärs mit einer Nullpunktsverschiebung zusätzlich zur Verstärkung und dabei auch den erlaubten Eingangsspannungsbereich zu beachten ?
_________________
Haftungsausschluß:
Bei obigem Beitrag handelt es sich um meine private Meinung.
Rechtsansprüche dürfen aus deren Anwendung nicht abgeleitet werden.
Besonders VDE0100; VDE0550/0551; VDE0700; VDE0711; VDE0860 beachten ! |
|
BID = 483280
sme-bbg Schriftsteller
    
Beiträge: 959 Wohnort: Bad Eilsen
|
|
Gute idee.
die Ops bekommen also jetzt +/- 15V spendiert.
Dachte mir das jetzt wie folgt
Verstärkung > Additionsverstärker (nullpunktverschiebung) > ADC
|
|
BID = 483409
Elektronikwolf Gerade angekommen
Beiträge: 14 Wohnort: Stralsund
|
Ich hoffe, ihr wisst auch noch wovon ihr sprecht!? Verstehe gerade Bahnhof.
|
BID = 487354
Elektronikwolf Gerade angekommen
Beiträge: 14 Wohnort: Stralsund
|
Hallo, ich hoffe alle sind gut in das Jahr 2008 gerutscht!?
Wollte mal nachfragen, ob es schon neue Erkenntnisse gibt.
|
BID = 487895
sme-bbg Schriftsteller
    
Beiträge: 959 Wohnort: Bad Eilsen
|
So jetzt mein vorschlag... aber bitte nicht zu doll hauen...
|
BID = 487905
sme-bbg Schriftsteller
    
Beiträge: 959 Wohnort: Bad Eilsen
|
Hmm wieso geht das Edit hier nicht ?
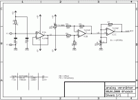
Also der PT1000 Liegt an der Klemme X1 an und bildet somit einen Spannungsteiler mit R1.
Je nachdem welchen Wert/Temperatur dieser hat ändert sich auch das Spannunsteilerverhältnis und somit auch die spannung am positiven eingang von IC2A.
IC2A ist als Impendanzwandler geschaltet und macht nichts anderes als die Spannung die über der PT1000 abfällt zu puffern.
Hier die Werte eines PT1000
-20°C = 921,57 Ohm
0°C = 1000 Ohm
+120°C = 1260,68 Ohm
Daraus ergeben sich bei R1 = 1KOhm folgende spannungswerte über dem PT1000
-20°C = 2,398V
0°C = 2,5V
+120° = 2,968V
Wie schon vorher erwähnt werden diese spannungen durch IC2A gepuffert.
Am Ausgang von IC2A liegt der ein differenzverstärker der mit IC2B aufgebaut ist. Dieser Subtrahiert die spannung von 2,398V (mit R6 einstellbar), sodas an dessen ausgang bei der Temperatur von -20°C nahezu 0V bzw. bei +120°C ca. 0,57V anliegen.
Dieses signal könnte schon auf einen ADC mit einer entsprechenden Vref (z.B. 0,8V) gegeben werden.
Da in dieser Anwendung aber lange wege bis zu der Auswerteinheit zu überbrücken sind , macht es sinn dieses schon vor Ort (Direkt am Sensor) zu verstärken.
Hierzu wird das Signal nach dem Differenzverstärkers auf einen weiteren Verstärker gegeben , dessen verstärkung sich mit R8 einstellen lässt. Um eine O bis 5V Schnittstelle zu Realisieren müßte R8 auf 11,4K Ohm eingestellt werden, dies entspricht einer verstärkung von 8,772.
Weitere Schutzmaßnahmen bezüglich Überspannung am ADC müssen noch ergriffen werden !
So jetzt dürft ihr über mich herfallen.
Guß SVen
[ Diese Nachricht wurde geändert von: sme-bbg am 5 Jan 2008 9:12 ]
|
BID = 487969
Nukeman Schriftsteller
    
Beiträge: 754 Wohnort: bei Kleve
|
Hallo sme-bbg,
da hast Du ja wieder mal richtig viel Arbeit investiert!
Die Versorgungsspannung des OPs ist noch etwas zu gering, glaube
ich. Der TL074 ist ja kein Rail-To-Rail-Typ und dürfte im positiven
Bereich nicht über 2-3V hinaus kommen. Am besten das Ding mit +-12V
versorgen.
Das mit dem Limiter am Ausgang hast Du ja schon angesprochen.
Da sollte doch ein Widerstand, eine Z-Diode und noch eine
normale Diode reichen, oder?
Gruß
Stefan
|
BID = 487974
sme-bbg Schriftsteller
    
Beiträge: 959 Wohnort: Bad Eilsen
|
Mit dem OP hast du recht ist kein Rail to Rail Typ , dafür aber aus erfahrung ziemlich Rauscharm. Versorgungsspannung kann man ja ohne Probleme erhöhen , man müßte hat nur die berechnungen neu durchführen.
Aber es gibt ja auch noch andere OPs
Zu dem Überspannunsgschutz hmm ... 100Ohm und ne Zdiode in Reihe zur masse, und eine Normale Diode von den +5V ins sperrichtung zum ausgang.
Aber eigentlich reicht auch eine Diode In Sperrichtung von +5V zum ausgang des OPs und eine Ebenfals in Sperrrichtung vom ausgang zur masse , dies sollte die Ausgangsspannung auf +5,7V und -0,7V begrenzen. Aber ob das der ADC noch mitmacht
Hat jemand noch eine andere Idee ?
|
BID = 487981
Nukeman Schriftsteller
    
Beiträge: 754 Wohnort: bei Kleve
|
Ich würde vom Ausgang nen 1k legen, am anderen Ende des Wids dann
eine Z-Diode 5V1 nach Masse und eine normale Diode ( oder besser
Shottky) "verkehrt rum" nach Masse.
Ebenfalls vom anderen Ende des Wids dann zum ADC. Damit ist die
Spannung dann auf -0,7(-0.4)..5.1V begrenzt.
Bei einem hochohmigen Eingang wie einem ADC sollte der 1k kaum
einen Einfluß haben.
Eigentlich reicht die in normalen Z-Dioden enthaltene "normale" Diode
auch schon aus, um negative Spannungen fernzuhalten.
Gruß,
Stefan
|
BID = 487988
sme-bbg Schriftsteller
    
Beiträge: 959 Wohnort: Bad Eilsen
|
bevor wir uns weiter gedanken machen warten wir doch erstmal auf elektronikwolf was er von der schaltung hält.
Ich hätte da noch eine idee mittels eines DACs den eingangsbereich noch weiter hochzutreiben.
Gruß Sven
|
BID = 488421
Elektronikwolf Gerade angekommen
Beiträge: 14 Wohnort: Stralsund
|
Hallo sme-bbg und Nukemann,
habe mich lange nicht mehr mit Elektronik beschäftigt (eher auch Elektrotechnik, also dass was mehr kribbelt, wenn man mit den Fingern an die falsche Stelle kommt), daher kann ich aus fachlicher Sicht leider nichts beisteuern.
|
BID = 490184
sme-bbg Schriftsteller
    
Beiträge: 959 Wohnort: Bad Eilsen
|
Also die ganze arbeit werde ich dir nicht abnehmen , probier es doch mit dem gezeichneten schaltplan und einem pt 1000 mal aus
|
BID = 494551
Elektronikwolf Gerade angekommen
Beiträge: 14 Wohnort: Stralsund
|
Haia, da komme ich nicht weiter. Was würde mich denn ein "Versuchsmuster" kosten?
|