| Autor |
HTC2500 oder anderes bauteil für Uhr (digital clock ic) Suche nach: bauteil (10061) |
|
|
|
|
BID = 478584
Chillin Stammposter
   
Beiträge: 203 Wohnort: Karlshuld
|
|
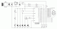
bräuchte für eine uhr ein HTC2500
ich habe das aber noch nirgends gefunden!
wie im bild zu sehen ist, steuert das ic ein display und zeigt darauf die uhrzeit an.
wichtig ist mir dabei das das ic (darf auch ein anderes sein) für jedes segment ein pin hat und nicht mit einem pin 2 segmente ansteuert
wäre echt dankbar wenn mir da jemand helfen könnte!
_________________
|
|
BID = 478586
perl Ehrenmitglied
       
Beiträge: 11110,1 Wohnort: Rheinbach
|
|
Zitat :
| | wichtig ist mir dabei das das ic (darf auch ein anderes sein) für jedes segment ein pin hat und nicht mit einem pin 2 segmente ansteuert | Genau das ist bei diesem IC doch nicht der Fall.
Es steuert mit jedem Segmentausgang sogar vier Digits im Multiplex an.
_________________
Haftungsausschluß:
Bei obigem Beitrag handelt es sich um meine private Meinung.
Rechtsansprüche dürfen aus deren Anwendung nicht abgeleitet werden.
Besonders VDE0100; VDE0550/0551; VDE0700; VDE0711; VDE0860 beachten ! |
|
BID = 478598
Chillin Stammposter
   
Beiträge: 203 Wohnort: Karlshuld
|
ich meine es soll pro digit (zahl) nur ein segment ansteuern, da es für jedes digit eine eigene kathode hat.
es gibt ja auch ics welche zwei segmente pro digit ansteuern, soetwas hilft mir nichts.
[ Diese Nachricht wurde geändert von: Chillin am 5 Dez 2007 14:28 ]
|
BID = 478676
perl Ehrenmitglied
       
Beiträge: 11110,1 Wohnort: Rheinbach
|
Dann solltest du vielleich allmählich rauslassen, was das geben soll.
Irgendeinen koreanischen, möglicherweise längst nicht mehr hergestellten Chip aufzutreiben, kann recht frustrierend werden.
Vielleicht holst du dir am einfachsten in der Bucht oder auf dem Flohmarkt oder beim Lebensmitteldiscounter für ein paar Euro einen Digitalwecker und zerpflückst den. Dann passt wenigstens alles zusammen.
_________________
Haftungsausschluß:
Bei obigem Beitrag handelt es sich um meine private Meinung.
Rechtsansprüche dürfen aus deren Anwendung nicht abgeleitet werden.
Besonders VDE0100; VDE0550/0551; VDE0700; VDE0711; VDE0860 beachten !
|
BID = 478700
Chillin Stammposter
   
Beiträge: 203 Wohnort: Karlshuld
|
wie gesagt dass ic soll nur ein segment pro digit ansteuern, somit kann ich ein segment auch durch eine led erstetzen.
außerdem soll das ic mit DC betrieben werden (viele ics für uhren brauchen die 50hz netzfrequenz...)
und da habe ich bisher nur das ltc2500 gefunden
_________________
|
BID = 478704
Deff Schriftsteller
    
Avatar auf fremdem Server ! Hochladen oder per Mail an Admin
Beiträge: 778 Wohnort: Sachsen
|
Zur Schaltung angemerkt:
Du hast z.Z. keine Möglichkeit die Digiuhr abzugleichen, sprich die notwendige Ganggenauigkeit herzustellen!
Dazu ist ein Ziehkondensator, anstelle eines der beiden 125pF Keko einzusetzen.
Schau Dir mal auf http://www.ferromel.de die Uhrenschaltungen an.
Zitat :
| | (viele ics für uhren brauchen die 50hz netzfrequenz...) |
Ja, aber eigentlich nur, um aus dieser den Synchrontakt abzuleiten, Du hast aber einen Quarz dafür drin.
[ Diese Nachricht wurde geändert von: Deff am 5 Dez 2007 15:33 ]
|
BID = 478740
Chillin Stammposter
   
Beiträge: 203 Wohnort: Karlshuld
|
ich dachte die beiden 125pF sind die zugkondensatoren des quarz?
habe mir auf ferromel mal die schaltung mit dem MM5387AA angesehen, das gefällt mir auch ganz gut, leider habe ich auch das ic und die auf der seite beschriebenen baugleichen noch nirgends gefunden (Conrad, Bürklin etc.)
_________________
|
BID = 478807
Racingsascha Schreibmaschine
    
Beiträge: 2247 Wohnort: Gundelsheim
|
Zitat :
| ich dachte die beiden 125pF sind die zugkondensatoren des quarz?
|
Das sind die Lastkondensatoren. Wenn du einen Kondensator durch einem Drehkondensator etwa gleichen Wertes ersetzt, dann kannst du mit dem ändern der Kapazität den Quarz etwas schneller oder langsamer schwingen lassen.
_________________
Fnord ist die Quelle aller Nullbits in deinem Computer.
Fnord ist die Angst, die Erleichterung, und ist die Angst.
Fnord schläft nie.
|