| Autor |
|
|
|
BID = 452676
mircomann Gerade angekommen
Beiträge: 8 Wohnort: Berlin
|
|
Geräteart : Fernsehgerät
Hersteller : Loewe
Gerätetyp : Calida
Chassis : q2500
Messgeräte : Multimeter, Oszilloskop
______________________
Hallo,
meine Loewe läuft wieder, jetzt hab ich noch ein Bildproblem oben.
Was kann das sein?
1000Dank
|
Erklärung von Abkürzungen |
BID = 452695
Thiemo 75 Gelegenheitsposter
 
Beiträge: 58 Wohnort: Lichtenfels
|
|
Sieht ganz nach einem Fehler in der Vertikalstufe aus, I561 und die Aussenbeschaltung überprüfen.
Gruß
Thiemo |
Erklärung von Abkürzungen |
BID = 452711
mircomann Gerade angekommen
Beiträge: 8 Wohnort: Berlin
|
Den TDA8177 hab ich schon getauscht. Am MP26 hab ich kein Sägezahn, sondern mehr ein Sinuszahn, also ein Sägezahn, der sehr abgerundet ist.
C561 ist auch neu. Wie groß muss denn UV+ und UV- sein?
Erklärung von Abkürzungen |
BID = 452713
yonossic Achtung Dieser user postet unter verschiedenen Namen
|
C561 ist ja auch nicht das einzige Bauteil in der Außenbeschaltung. D561 und im Besonderen C563 gehören auch dazu.
Erklärung von Abkürzungen |
BID = 452726
mircomann Gerade angekommen
Beiträge: 8 Wohnort: Berlin
|
Vielen Danke ich werde das heute Abend überprüfen. Schreibe dann auch noch ein Bericht was ich alles machen musste.
Erklärung von Abkürzungen |
BID = 454198
mircomann Gerade angekommen
Beiträge: 8 Wohnort: Berlin
|
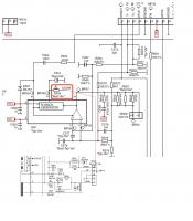
Bin leider noch nicht weiter gekommen. Könnt ihr mir sagen das die untere Schaltung eigentlich mach?
Erklärung von Abkürzungen |
BID = 456422
mircomann Gerade angekommen
Beiträge: 8 Wohnort: Berlin
|
Hallo Leute!
Danke Euch!  Ich habs geschafft, *jubellll*
Es war dich einfach nur der R559, hier liegt die USVM an.
Komischerweise war der R547 Ok und ich hatte erst auch nur hier gemessen.
Weiß Jemandwas dies *Best-Var* bedeuten soll?
Ich habe noch ein Sat Modul zu vergeben!
Mirco
Erklärung von Abkürzungen |
BID = 456572
Icewolf77 Stammposter
   
Beiträge: 276 Wohnort: München
|
Gratuliere, wollte gerade schreiben, daß dir da ganz eindeutig die Spannung für den beschleunigten Rücklauf fehlt, deshalb fängt er zu spät an Vertikal zu schreiben und es sieht so "umgeklappt" aus.
Das Best-Var heißt je nach Bildröhre sind da andere Werte verbaut und sollten sich eigentlich in einer Tabelle irgendwo im Schaltbild finden lassen.
Erklärung von Abkürzungen |