| Autor |
|
Bestimmung der Windrichtung - (Schnelle Hilfe gesucht) |
|
|
|
|
BID = 437000
Elektronik-Anfänger Gerade angekommen
Beiträge: 18 Wohnort: Oberschopfheim
|
|
Hallo alle zusammen,
ich habe in dieses forum schonmal eine frage gestellt. Leider konnte ich es nicht verwirklichen, naja.....
ich arbeite immernoch an meinem schulprojekt zur bestimmung der windrichtungen.
Um mein problem näher zu beschreiben, fange ich mal von ganz vorne an...
also, ich und mein team haben uns zur aufgabe gemacht, ein gerät zu bauen, das uns die Windrichtung anzeigt (16 versch. windrichtungen). die informationen fragen wir mit einem graycode und 4 CNY70 ab. diese leiten bei helligkeit mehr und bei dunkelheit weniger strom. der strom aus den CNY70 wird weitergeleitet zu einem trigger (SN74HC14N), der ja eine bestimmte schwellenspannung zum klareren trennen hat und somit 0 und 1 trennt (weis nicht wie ich es sonst noch erkklären soll). wenn die 4 eingangssignale nun durch den Schmitt-trigger durch ist, wird er an einen Demultiplexer (SN74LS154N) in 4 inputs geleitet. Von dort aus kommen 16 outputs, wobei einer low ist und die restlichen high, da ich aber das gegenteil brauche, lasse ich die 16 outputs durch NAND gatter fließen (SN7400N), sodass immer nur ein output high ist. jeder output geht zu einer led, die dann leuchten soll.
nun lauten meine fragen:
1)ob es überhaupt möglich ist, eine led leuchten zu lassen oder ob ich einen verstärker brauche oder sowas
2)ob ich nochmal ein schmitt-trigger vorschalten muss vor den anderen
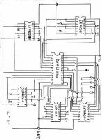
Ich versuche meinen Schaltplan, den ich angefertigt habe, als datei anzufügen. er handelt nur von den 6 Ics.
Ich wäre für jede schnelle antwort dankbar, da ich am dienstag schon abgabe habe un nichtmehr weiter komme
- Titel "Schnelle hilfe gesucht!!!" schnell etwas aussagekräftiger gestaltet - Der Gilb -
PS: Nach den Forenregeln wird solch eine Anfrage eigentlich direkt gelöscht.
Bitte nehmt Euch also die Zeit, etwas besser zu formulieren.
[ Diese Nachricht wurde geändert von: Gilb am 17 Jun 2007 10:36 ] |
|
BID = 437014
Esko Stammposter
   
Beiträge: 465 Wohnort: Cadolzburg
|
Hallo erstmal,
Dein Titel ist nicht gerade Aussagekräftig, hier wollen alle schnelle Hilfe und möglichst schon gestern.
Als erstes fällt mir auf, dass an dem Schmitt Trigger 74HC14 die Ein- und Ausgänge vertauscht sind. A, B, C und D sollen bei deinem Bild ja die Anschlüsse für die Fotodioden sein.
Hast du die Schaltung schon soweit aufgebaut und getestet?
Der Rest der Schaltung scheint zu stimmen.
Aber es geht viel einfacher auch!
Die Ausgänge auf High haben als Spannung VCC daher keine Spannungsdifferenz für die Leds. Der Ausgang mit Low schon.
Habe dir eins einfaches Diagramm gezeichnet.
mfg Esko
|
BID = 437029
Elektronik-Anfänger Gerade angekommen
Beiträge: 18 Wohnort: Oberschopfheim
|
hallo esko,
vielen dank für deine hilfe.... hast recht, mein titel ist sehr chlecht gewählt, bin auch in foren anfänger
aber deine erklärung im letzten absatz verstehe ich nicht, von welchem bauteil redest du?
m.f.g. jan
|
BID = 437055
Esko Stammposter
   
Beiträge: 465 Wohnort: Cadolzburg
|
Von dem SN74LS154N, deinem zentralen Bauteil.
SN74LS154N = 74LS 154
74LS bezeichnet die Familie und 154 den genauen Chip. SN oder ein entsprechendes Kürzel am Anfang zeigt an von welchem Hersteller es ist, das ist aber ganz egal, da die Teile alle austauschbar sind.
http://de.wikipedia.org/wiki/Logikfamilie
|
BID = 437081
Elektronik-Anfänger Gerade angekommen
Beiträge: 18 Wohnort: Oberschopfheim
|
hallo esko,
du meinst dann die schaltung wie unten zu sehen, oder?
meines erachtens würde sie funktionieren, denken andere auch schon oder können die das bestätigen?
m.f.g. Jan
Hochgeladene Datei ist grösser als 300 KB . Deswegen nicht hochgeladen
|
BID = 437086
Elektronik-Anfänger Gerade angekommen
Beiträge: 18 Wohnort: Oberschopfheim
|
|
BID = 437087
Elektronik-Anfänger Gerade angekommen
Beiträge: 18 Wohnort: Oberschopfheim
|
hallo,
hab grad erst bemerkt da der Schmitt-trigger fehlt...
aber ich hoffe wir alle wissen wohin er kommt, oder?
ich muss euch immer wieder sagen, wie dankbar ich für eure hilfe bin
m.f.g. Jan
|
BID = 437092
DonComi Inventar
     
Beiträge: 8604 Wohnort: Amerika
|
Hallo,
Ja, das sollte so klappen - Allerdings würde ich die Vorwiderstände so dimensionieren, dass ca. 2mA durch die LEDn fließen. Das reicht vollkommen aus und die Ausgangstreiber meckern nicht - ich weiß, es geht auch mit nem höheren Strom, aber dafür sind Logik-ICs i.a.R. nicht gemacht. (Fanout beachten!)
_________________
|
BID = 437112
Elektronik-Anfänger Gerade angekommen
Beiträge: 18 Wohnort: Oberschopfheim
|
Hallo DonComi,
ich weis grad nicht, warum nur 2mA? eine led leuchtet doch nur mit 20mA, oder?
Mein datenblatt des schmitt-triggers besagt, das die zustände sich vertauschen, also low zu high und high zu low. brauche ich keinen 2. dann?
das datenblatt des Demultiplexers (SN74LS154N) besagt, das aus den outputs 3,4 bis 3,6 Volt rauskommen, oder habe ich das falsch abgelesen?
also von der logik her könnte es stimmen, jetzt stehen halt nur noch 3 fragen aus:
1.) wie viel volt kommen aus dem Demultiplexer raus?
2.) brauche ich noch einen 2. schmitt-trigger?
3.) wieso 2mA?
Also wenn diese drei fragen beantworten wurden, bin ich euch sehr dankbar!!!!
m.f.g. Jan
[ Diese Nachricht wurde geändert von: Elektronik-Anfänger am 17 Jun 2007 9:42 ]
|
BID = 437113
Racingsascha Schreibmaschine
    
Beiträge: 2247 Wohnort: Gundelsheim
|
Also die 2mA kann ich dir beantworten (hab die Datenblätter grade nicht zur Hand): Leds leuchten sehr wohl auch mit 2mA. Nicht so hell, aber du willst ja keine Taschenlampe bauen. Nehm alternativ Low-Current-Leds, die leuchten auch schon mit 2mA recht hell. Oder nehm superhelle Leds, die gehen genauso.
_________________
Fnord ist die Quelle aller Nullbits in deinem Computer.
Fnord ist die Angst, die Erleichterung, und ist die Angst.
Fnord schläft nie.
|
BID = 437116
Elektronik-Anfänger Gerade angekommen
Beiträge: 18 Wohnort: Oberschopfheim
|
|
BID = 437124
Racingsascha Schreibmaschine
    
Beiträge: 2247 Wohnort: Gundelsheim
|
Den Demuxer betreffend: Die Ausgangsspannung von 3,4V bei High ist für eine Betriebsspannung von 5V und eine Last von -0,4mA. Besser wäre es aber wenn du die Leds gegen Plus schaltest, da kann der SN74LS154N 8mA treiben. Da sinds dann etwa 0,3V gegen GND. Der Vorwiderstand bei roten LEDs wäre dann etwa 470R.
_________________
Fnord ist die Quelle aller Nullbits in deinem Computer.
Fnord ist die Angst, die Erleichterung, und ist die Angst.
Fnord schläft nie.
[ Diese Nachricht wurde geändert von: Racingsascha am 17 Jun 2007 11:00 ]
|
BID = 437132
Elektronik-Anfänger Gerade angekommen
Beiträge: 18 Wohnort: Oberschopfheim
|
Hallo racingsascha,
du meinst jetzt, die leds richtung demulti zu schalten so wie oben von esko vorgeschlagen, nur mit 470 Ohm Widerstand, oder?
was ich auch nicht ganz verstehe ist, kommt jetzt für high am output 3,4 oder 5 Volt raus?
m.f.g. Jan
[ Diese Nachricht wurde geändert von: Elektronik-Anfänger am 17 Jun 2007 11:49 ]
|
BID = 437137
Elektronik-Anfänger Gerade angekommen
Beiträge: 18 Wohnort: Oberschopfheim
|
Hallo alle zusammmen,
mir ist ein großer fehler unterlaufen, der Demulti hat die Bezeichnung DM74LS154N !
m.f.g. jan
|
BID = 437164
DonComi Inventar
     
Beiträge: 8604 Wohnort: Amerika
|
Also, erstmal sind die meisten Logik-ICs keine Leistungstreiber. Daher die "Bitte", die Ausgänge nicht zu stark zu belasten.
Es gibt zwar auch Logik-ICs mit recht kräftigen Ausgängen, aber das ist hier jetzt unwichtig.
Und grob gesagt ist es doch völlig egal, wie der Demultiplexer die Signale ausgibt (also high- oder lowaktiv ist).
Ist er highaktiv, dann werden die LEDn mit der Anode an den Logikausgang angeschlossen und die Kathode kommt an GND, ist er lowaktiv, dann kommt die Kathode an den Logikausgang und die Anode an die positive Versorgung.
In jedem Fall eben den Strom auf ein paar mA begrenzen.
Die sauberste Lösung wäre es, einen Treiber zu benutzen oder viele Treiber mithilfe kleiner Transistoren aufzubauen.
Aber bei dir ist immer nur eine LED an, insofern ist das eigentlich kein Problem. Damit werden auch die Versorgungspins nicht zu stark belastet.
_________________
[ Diese Nachricht wurde geändert von: DonComi am 17 Jun 2007 14:13 ]
|