stiebel SONS eltron elektr. Durchlauferhitzer DHE 21 LCD Reparaturtipps und Ersatzteile zum Fehler: Im Unterforum Reparatur - Haushaltsgeräte - nur lesen - Beschreibung: Waschmaschine, Wäschetrockner, Trockner, Geschirrspüler, Microwelle, Bügeleisen, Herd, Elektroherd, Kühlschrank, Rasierer, Spülmaschine, Küchenmaschine und alle anderen Geräte der Haushaltstechnik. READ ONLY!
Elektronik- und Elektroforum Forum Index >>
Reparatur - Haushaltsgeräte - nur lesen
Reparatur - Haushaltsgeräte - nur lesen : Waschmaschine, Wäschetrockner, Trockner, Geschirrspüler, Microwelle, Bügeleisen, Herd, Elektroherd, Kühlschrank, Rasierer, Spülmaschine, Küchenmaschine und alle anderen Geräte der Haushaltstechnik. READ ONLY! |
| Autor |
|
Sonstige SONS stiebel eltron elektr. Durchlauferhitzer DHE 21 LCD |
Fehler gefunden
|
|
|
|
BID = 420630
Gilb Urgestein
     
Beiträge: 16259 Wohnort: Gardine (Gardinenhof)
|
|
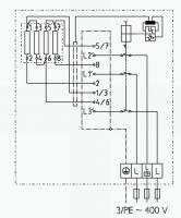
Hallo Torsten,
die Stiebel-Eltron-Homepage scheint den "DHE 21 LCD" nicht zu kennen oder zu verheimlichen?!
So kann ich dir nur ein allgemeines Schaltschema der DHE-Durchlauferhitzer-Serie hochladen.
Entweder sind die Anschlüsse an der Heizpatrone beschriftet / gekennzeichnet, oder Du musst sie von dem Klemmbrett aus verfolgen.
Du könntest beispielsweise, !!! - bei spannungsfreiem Gerät - !!!, mal die Widerstände der 4 Heizwendeln messen.
Hach, wie ich jetzt erkenne, sind die beiden, mir vorliegenden, Schaltschemen auch noch unterschiedlich, was die Verschaltung der Heizwendeln angeht.
Vielleicht weiß ein Forenkollege da genaueres?
Bedauert
der Gilb
_________________
Ich bin der Gilb und wohne in Euren Gardinen. Meine Freunde sind Eumel und die Fleckenzwerge.
[url=https://forum.electronicwerkstatt.de/phpBB/vorstellung.php?vid=26240]Hier meine Vorstellung:
VORSICHT! Geräte stets spannungslos machen!<BR |
Erklärung von Abkürzungen |
BID = 420656
torsten65 Neu hier

Beiträge: 20 Wohnort: Leipzig
|
|
Danke Gilb,
bei mir treffen zwar Beide Verschaltungen der Heizwiderstände nicht recht zu (bei mir alle Anschlüsse einzeln zu Leiterplatte geführt, außer Brücke zwischen 2+4), aber die Anschlußbezeichnungen der Zweiten Schaltung scheinen zuzutreffen. Damit habe ich die Widerstände der Heizwendeln gemessen. 2x 24Ohm 1x 37Ohm und 1x 37kOhm. Da scheint wohl eine Heizwendel defekt zu sein, oder? Kann man die einzeln ersetzen, oder ist hier der Fachmann gefragt?
Ich gebe die Hoffnung nicht auf.
Gruß Torsten |
Erklärung von Abkürzungen |
BID = 420693
Gilb Urgestein
     
Beiträge: 16259 Wohnort: Gardine (Gardinenhof)
|
Hallo Torsten,
ja, da ist eine Heizwendel unterbrochen.
Man (der Elektriker deines Vermieters) kann nur die komplette Heizpatrone erneuern.
Lohnt sich aber sicher, da deutlich günstiger als ein komplettes Neugerät.
Ursache für den Defekt kann ein Abstellen der Wasserversorgung gewesen sein, wodurch, nach Wiederherstellung der Versorgung, immer einige Luftblasen ins Gerät gelangen.
Die Heizwendel, die dann nicht mehr von Wasser umgeben ist, verbrennt (wird zunächst nur dünner) schließlich.
Moderne DHE-Durchlauferhitzer haben zwar eine Lufterkennung, die aber wohl etwas zu träge reagiert.
Mit freundlichen Grüßen
der Gilb
Erklärung von Abkürzungen |
BID = 420722
torsten65 Neu hier

Beiträge: 20 Wohnort: Leipzig
|
OK, dann werde ich wohl mal den Vermieter informieren.
Trotzdem allen Usern Dank für die Hilfe.
Gruß Torsten
Erklärung von Abkürzungen |
|
Das Thema ist erledigt und geschlossen. Es kann nicht mehr geantwortet werden !
Zum Ersatzteileshop
Bezeichnungen von Produkten, Abbildungen und Logos , die in diesem Forum oder im Shop verwendet werden, sind Eigentum des entsprechenden Herstellers oder Besitzers. Diese dienen lediglich zur Identifikation!
Impressum
Datenschutz
Copyright © Baldur Brock Fernsehtechnik und Versand Ersatzteile in Heilbronn Deutschland
gerechnet auf die letzten 30 Tage haben wir 17 Beiträge im Durchschnitt pro Tag heute wurden bisher 11 Beiträge verfasst © x sparkkelsputz Besucher : 187969628 Heute : 28096 Gestern : 18748 Online : 185 26.12.2025 23:45 9 Besucher in den letzten 60 Sekunden alle 6.67 Sekunden ein neuer Besucher ---- logout ----viewtopic ---- logout ----
|
xcvb
ycvb
0.0418291091919
|