Miele Waschmaschine W733 Reparaturtipps und Ersatzteile zum Fehler: Im Unterforum Reparatur - Haushaltsgeräte - nur lesen - Beschreibung: Waschmaschine, Wäschetrockner, Trockner, Geschirrspüler, Microwelle, Bügeleisen, Herd, Elektroherd, Kühlschrank, Rasierer, Spülmaschine, Küchenmaschine und alle anderen Geräte der Haushaltstechnik. READ ONLY!
Elektronik- und Elektroforum Forum Index >>
Reparatur - Haushaltsgeräte - nur lesen
Reparatur - Haushaltsgeräte - nur lesen : Waschmaschine, Wäschetrockner, Trockner, Geschirrspüler, Microwelle, Bügeleisen, Herd, Elektroherd, Kühlschrank, Rasierer, Spülmaschine, Küchenmaschine und alle anderen Geräte der Haushaltstechnik. READ ONLY! |
Autor |
Waschmaschine Miele W733 |
Fehler gefunden
|
|
|
|
BID = 415969
heimkind Gelegenheitsposter
 
Beiträge: 54 Wohnort: Hamburg
|
|
soooooo, habe die Motorkabekl durch gemessen, sind zwei Stecker, einer der gelbe und rote Kabel enthält, und einen Erdungsstecker.... und der andere führt graue Kabel... haben alle Durchgang, also Gerät zeigt bei richtiger Messung nicht mehr "1" sondern beamt sich von 1200 langsam auf "000" runter.... scheint bei dem gerät normal zu sein... habe mal ein intaktes boxenkabel durchgemessen, verhält sich dort genauso, wenn man auf Durchgangsprüfung stellt.....
was kann ich noch durchmessen?
[ Diese Nachricht wurde geändert von: heimkind am 21 Mär 2007 11:44 ] |
Erklärung von Abkürzungen |
BID = 415978
heimkind Gelegenheitsposter
 
Beiträge: 54 Wohnort: Hamburg
|
|
Hallo Jürgen, Hallo Gilb,
ich habe nun alles durchgemessen. Folgende Werte sind dabei rausgekommen:
10/1 - 10/3 bei 20K 3,3
10/1 - 10/5 bei 20K 3,3
10/7 - 10/9 bei 200 3,0
9/1 - 9/2 bei 200 0,2
12/1 - 12/2 bei 20K 0,4
12/1 - 12/2 bei handgedrehter Trommel zwischen 1,9 und 2,7
könnt ihr mit den Werten etwas anfangen?
Danke im Voraus
der Johann
[ Diese Nachricht wurde geändert von: heimkind am 21 Mär 2007 12:41 ] |
Erklärung von Abkürzungen |
BID = 415994
Gilb Urgestein
     
Beiträge: 16259 Wohnort: Gardine (Gardinenhof)
|
Hallo Johann,
schön, dass Du dir Meßtechnik angeeignet hast.
Hoffen wir, dass wir alle die angezeigten Werte richtig interpretieren.
Dann wären die Meßwerte der Motor-Feldwicklung nämlich zu beanstanden:
10/1 - 10/3 bei 20K 3,3 (demnach 3,3 kilo-Ohm)
10/1 - 10/5 bei 20K 3,3 (demnach auch 3,3 kilo-Ohm)
sind zu hoch. Hier sollten Widerstände im niedrigen, einstelligen Ohmbereich zu messen sein.
Laß uns deshalb diese Messung lieber noch mal wiederholen.
Also alle Motorstecker vom Motor abziehen und dann am Motor bitte im 200-Ohm-Meßbereich messen:
Zwischen 1 und 3
zwischen 1 und 4
zwischen 3 und 4
(der Stecker ist durchzunummerieren wie im ersten Bild.)
(Das zweite Bild enthält deine bisherigen Meßwerte.)
MfG
der Gilb
_________________
Ich bin der Gilb und wohne in Euren Gardinen. Meine Freunde sind Eumel und die Fleckenzwerge.
[url=https://forum.electronicwerkstatt.de/phpBB/vorstellung.php?vid=26240]Hier meine Vorstellung:
VORSICHT! Geräte stets spannungslos machen!<BR
[ Diese Nachricht wurde geändert von: Gilb am 21 Mär 2007 13:48 ]
Erklärung von Abkürzungen |
BID = 416090
heimkind Gelegenheitsposter
 
Beiträge: 54 Wohnort: Hamburg
|
Hallo Gilb und vielen Dank für deine Illustrationen und dein Engagement. Eigentlich sollte sich die Miele bedanken... aber da sie nicht mal wäscht, was will man erwarten.....
Ich habe das nochmal durchgemessen, habe wohl irgendwas falsch gemacht.
Also:
1+3 ergibt bei 200 1,3
1+4 ergibt bei 200 3,1
3+4 ergibt bei 200 2,0
Kannst du damit was anfangen?
Vielen Dank im Voraus....
der Johann
Erklärung von Abkürzungen |
BID = 416099
heimkind Gelegenheitsposter
 
Beiträge: 54 Wohnort: Hamburg
|
und weils so schön war habe ich alle Kabel beider Stecker nochmals auf Durchgang geprüft, ALLES OK, zeigt immer "000" an.
Die anderen Werte habe ich auch nochmals gemessen. Sehen wie folgt aus:
10/7 - 10/9 bei 200 2,9
9/1 - 9/2 bei 200 0,7
12/1 - 12/2 bei 200 2,0
handgedrehter Motor incl. messung an 12/1 und 12/2 ergibt 2,1 bis 2,4
hab ich noch etwas vergessen?
Gruß Johann
Erklärung von Abkürzungen |
BID = 416136
Gilb Urgestein
     
Beiträge: 16259 Wohnort: Gardine (Gardinenhof)
|
Hallo Johann,
danke für die neuen Meßwerte.
Den Widerstand 12/1 zu 12/2 hätte ich höher erwartet,
jedoch ist die dort gemessene Spannung, bei Drehen von Hand, in Ordnung.
Damit können wir den Motor grundsätzlich schon als Fehlerquelle ausschliessen.
Sind aber noch nicht wirklich weiter gekommen.
Hast Du den Motorkabelbaum beim Durchmessen auch bewegt?
Und alle Drähte einzeln in der kompletten Länge gemessen, vom abgezogenen Motorstecker zum abgezogenen Elektronikstecker?
Welches Wasch-Programm mit welcher Temperaturvorgabe ist das denn, wo der Fehler nach 5 bis 10 Minuten auftritt?
Lässt Du dieses Programm mit oder ohne Vorwäsche laufen?
Passiert das Aussetzen auch, wenn Du nur Spülgänge abarbeiten lässt?
Die Maschine hat doch vorne oben auf dem Bottich diesen Schwingungsschalter.
Kannst Du dort, bei spannungsfreiem Gerät, mal einen Steckkontakt abziehen und das Leitungsende isolieren?
Dann mal einen Probelauf starten.
Wäre bestimmt schön, wenn wir bald eine Lösung finden, dein Wäscheberg wächst sicher schon.
Mit besten Wünschen
der Gilb
Erklärung von Abkürzungen |
BID = 416258
heimkind Gelegenheitsposter
 
Beiträge: 54 Wohnort: Hamburg
|
Hallo Gilb und vielen Dank für deine Analyse bis jetzt...
Also ich habe den Motorkabelbaum an beiden Enden, also am Motor und an der Platine in der Frontklappe abgezogen und unter "durchkneten" des Kabelstranges, insbesonders am Übergang zum Motor durchgemessen. Alle Werte zeigen "Durchgang". Lediglich ein gelbes spielt ein wenig mit den Werten, die eigentlich auf "000" stehen, also es tendiert, wenn man den Kabelstrang bewegt manchmal auf 30-150, fällt dann aber wieder richtung "000" ab. Es zeigt aber niemals die "1", die bei diesem Gerät keinen Durchgang kennzeichnet.
Ich habe folgende Programme getestet:
Koch/Bunt 30 Grad, mit allem, d.h. "volle Beladung, "mit Vorwäsche", "KEINE Kurzwäsche", Dauer 116 min. ABBRUCH BEI 111-110 min. und "--"
Koch/Bunt 60 Grad, mit allem, d.h. "volle Beladung, "mit Vorwäsche", "KEINE Kurzwäsche", Dauer 116 min. ABBRUCH BEI 111-110 min. und "--"
Koch/Bunt 60 Grad, "Teilbeladung", "ohne Vorwäsche", "Kurzwäsche", Dauer 66 min. ABBRUCH BEI 61-60 Min. und "--"
Koch/Bunt 95 Grad, mit allem, d.h. "volle Beladung, "mit Vorwäsche", "KEINE Kurzwäsche", Dauer 116 min. ABBRUCH BEI 111-110 min. und "--"
Pflegeleicht 60 Grad,mit allem, d.h. "volle Beladung, "mit Vorwäsche", "KEINE Kurzwäsche", Dauer 91 min. ABBRUCH BEI 86-85 min. und "--"
Nach der Fehlermeldung pumpt die Maschine jeweils ab, schier endlos über die erforderliche Zeit hinaus.
Merkwürdig ist doch, dass es immer exakt bei der gleichen Zeit abbricht, unabhängig von der Programmwahl. Es sind immer 5-6 Minuten.! Die Maschine pumpt Wasser und Waschmittel ein, dreht 5 min. rechts und links, dann exakt zum gleichen Zeitpunkt kneift sie ab und pumpt ab incl. Fehlermeldung.....
Manuelles Abpumpen und manuelles Schleudern geht übrigens problemlos.
"Spülgänge" kann ich garnicht durchführen. Die Maschine hat die Programme, die man gestalten kann mit temperatur, Vorwäsche oder keiner etc, und eben manuelles pumpen und schleudern.
Wo dieser Schwingungsschalter sitzt kann ich leider nicht erkennen. Mit "Bottich" meinst du die Waschtrommel, oder? Wo soll denn da ein Schalter sitzen? Ganz oben auf, sitzt der Zulauf, der aus dem Waschmittelfach in den Waschraum geht. Dort sitzt ein grün-schwarzes Kabel. Aber ansonsten sehe ich dort nichts. Könntest du mir helfen, diesen zu finden? Und dann soll ich ihn abziehen und isolieren, dann abgezogen den Waschvorgang starten?
Vielen dank im Voraus....
der verzweifelte Johann
[ Diese Nachricht wurde geändert von: heimkind am 22 Mär 2007 12:08 ]
Erklärung von Abkürzungen |
BID = 416272
waschmaschinenbörse Stammposter
   
Avatar auf fremdem Server ! Hochladen oder per Mail an Admin
Beiträge: 385 Wohnort: Dortmund
|
Hallo,
Ich habe mal im KDI nachgeschaut, vieleicht ist es ein F3 Fehler:
d.h.TEMPERATURFEHLER ?
würde auch mit dem Abbruch nach 5 Minuten eher passen.
Mein Vorschlag: Mal Heizung und NTC überprüfen
(war schon öfter beschrieben=Suchfunktion)
grüssle
Ps.
Mal kalt waschen ausprobieren, wenn vorhanden...
[ Diese Nachricht wurde geändert von: waschmaschinenbörse am 22 Mär 2007 13:01 ]
Erklärung von Abkürzungen |
BID = 416300
heimkind Gelegenheitsposter
 
Beiträge: 54 Wohnort: Hamburg
|
Kalt gewaschen auf Pflegeleicht-Fein, gleiches Problem...... nach exakt 5,5 Minuten steigt die Maschine aus....
Erklärung von Abkürzungen |
BID = 416308
waschmaschinenbörse Stammposter
   
Avatar auf fremdem Server ! Hochladen oder per Mail an Admin
Beiträge: 385 Wohnort: Dortmund
|
Hallo heimkind,
würde trotzdem Heizung und NTC überprüfen, möglicherweise überprüft die Elektronik generell in der Hauptwäsche den NTC.
Ansonsten tippe ich auf defekte Leistungselektronik(EDL 001), habe auch schon zwei Boards gehabt, die ungerechtfertig mit Abruch glänzten.
Nach Tausch war das Problem weg.
grüßle
Erklärung von Abkürzungen |
BID = 416317
heimkind Gelegenheitsposter
 
Beiträge: 54 Wohnort: Hamburg
|
Der NTC sitzt direkt unter dem Bottich, richtig? Da sind die zwei Heizstäbe und rechts daneben sitzt auf gleicher Höhe eine Sonde, die mit zwei weißen Kabeln + Erdung verbunden sind mit der Platine bzw. die Erdung mit der Trommel.....
dieses Ding habe ich durchgemessen. Ergibt bei Raumtemperatur und auf 20K gemessen 15,98
Sagt das was aus?
[ Diese Nachricht wurde geändert von: heimkind am 22 Mär 2007 15:17 ]
Erklärung von Abkürzungen |
BID = 416330
waschmaschinenbörse Stammposter
   
Avatar auf fremdem Server ! Hochladen oder per Mail an Admin
Beiträge: 385 Wohnort: Dortmund
|
Hallo,
15 K-ohm bei Raumtemperatur liegt im grünen Bereich, sollte daher ok sein.
Wenn der Motorkabelbaum, wo ja auch die NTC Leitung (ok?)
durchgeht ok ist, bleibt wohl nur die Leistungselektronik über.
grüßle
Erklärung von Abkürzungen |
BID = 416333
heimkind Gelegenheitsposter
 
Beiträge: 54 Wohnort: Hamburg
|
wie komme ich denn von vorne, denn von oben kann ich nicht ran, weil dort der Trockner steht in einer Nische, die ein abbauen der Geräte erst bei Heizkörperdemontage davorliegend möglich macht, wie komme ich von vorne an den Schwingungsschalter, um diesen nochmals zu überprüfen?
Er liegt oben auf dem Bottich, richtig?
Erklärung von Abkürzungen |
BID = 416340
Gilb Urgestein
     
Beiträge: 16259 Wohnort: Gardine (Gardinenhof)
|
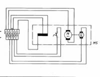
Hallo geplagter Johann,
ja, der Schwingschalter (S 41 im Schaltplan) sitzt vorne oben auf dem Bottich und ist, nach Aufklappen der Geräte-Vorderwand, gut erreichbar.
Den Maschinendeckel musst Du nicht abmachen.
Hier ein paar Skizzen:
Erklärung von Abkürzungen |
BID = 416404
heimkind Gelegenheitsposter
 
Beiträge: 54 Wohnort: Hamburg
|
ich find den nicht.....
ich mach mal n Foto und dann könnntest du mir ja vielleicht den groben Ort nennen, wo er denn sitzen soll.....
Erklärung von Abkürzungen |
Liste 1 MIELE |
|
Das Thema ist erledigt und geschlossen. Es kann nicht mehr geantwortet werden !
Zum Ersatzteileshop
Bezeichnungen von Produkten, Abbildungen und Logos , die in diesem Forum oder im Shop verwendet werden, sind Eigentum des entsprechenden Herstellers oder Besitzers. Diese dienen lediglich zur Identifikation!
Impressum
Datenschutz
Copyright © Baldur Brock Fernsehtechnik und Versand Ersatzteile in Heilbronn Deutschland
gerechnet auf die letzten 30 Tage haben wir 12 Beiträge im Durchschnitt pro Tag heute wurden bisher 4 Beiträge verfasst © x sparkkelsputz Besucher : 185672129 Heute : 1512 Gestern : 5614 Online : 204 7.10.2025 8:12 3 Besucher in den letzten 60 Sekunden alle 20,00 Sekunden ein neuer Besucher ---- logout ----viewtopic ---- logout ----
|
xcvb
ycvb
0,0475478172302
|